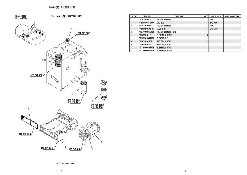
- FILTER LIST
- COUNTERWEIGHT INSTAL
- COUNTERWEIGHT INSTAL(SEMI-GAIN)
- COUNTERWEIGHT INSTAL(GAIN)
- ENGINE ASSY
- ENGINE INSTAL
- RADIATOR INSTAL
- RADIATOR GROUP
- RADIATOR ASSY
- CLEANER ASSY,AIR
- MUFFLER ASSY
- FUEL LINES
- TANK INSTAL,FUEL
- TANK INSTAL,FUEL 2
- TANK INSTAL,HYD
- TANK INSTAL,HYD 2
- POWER TAKE-OFF ASSY
- MOTOR INSTAL,SWING
- VALVE INSTAL
- HYD LINES,PUMP
- HYD LINES,UPP (MAIN)
- HYD LINES,SWIVEL
- HYD LINES,RETURN
- CONTROLS,OPERATORS
- CONTROL BOX ASSY
- GRIP ASSY
- RADIO INSTAL
- ARM REST
- LEVER ASSY,PROPEL
- CONTROL LINES,REMOTE
- CONTROL LINES,PUMP
- CONTROL LINES,PROPEL
- PLATE INSTAL,FLOOR
- MIRROR INSTAL
- CAB INSTAL
- CAB INSTAL 2
- CAB ASSY
- WINDOW ASSY,ROOF
- WINDOW ASSY,ROOF 2
- WINDOW ASSY,FRONT
- DOOR ASSY,CAB
- SEAT INSTAL
- BELT ASSY,SEAT
- GUARD INSTAL
- GUARD INSTAL
- GUARD INSTAL
- GUARD INSTAL
- COVER ASSY,UNDER
- PANEL ASSY,INSTRUMENT
- CONTROLLER INSTAL
- RELAY BOX ASSY
- BATTERY ASSY
- CONDITIONER ASSY,AIR
- CONDITIONER ASSY,AIR
- DRIER ASSY,AIR
- COMPRESSOR ASSY,AIR
- CONDITIONER ASSY,AIR
- ELEC ASSY,UPP
- LIGHT INSTAL
- LIGHT ASSY
- HARNESS ASSY,UPP
- HARNESS ASSY,CAB
- HARNESS ASSY,UPP (PLATE FLOOR)
- HARNESS ASSY,ENGINE
- CONTROL LINES,REMOTE (WITHOUT MULTI LEVER)
- GAUGE ASSY,CLUSTER
-
CATERPILLAR
-
E312D
- BASIC ENGINE(C4.2)
- LUBRICATION SYSTEM
- COOLING SYSTEM
- AIR INLET AND EXHAUST SYSTEM
- AIR INLET AND EXHAUST SYSTEMP58
- AIR INLET AND EXHAUST SYSTEM P59
- AIR INLET AND EXHAUST SYSTEM P60
- AIR INLET AND EXHAUST SYSTEM P61
- AIR INLET AND EXHAUST SYSTEM P62
- AIR INLET AND EXHAUST SYSTEM P63
- AIR INLET AND EXHAUST SYSTEM P64
- AIR INLET AND EXHAUST SYSTEM P65
- AIR INLET AND EXHAUST SYSTEM P67
- AIR INLET AND EXHAUST SYSTEM P68
- FUEL SYSTEM
- ELECTRICAL AND STARTING SYSTEM
- ELECTRICAL AND STARTING SYSTEM P87
- ELECTRICAL AND STARTING SYSTEM P89
- ELECTRICAL AND STARTING SYSTEM P91
- ELECTRICAL AND STARTING SYSTEM P93
- ELECTRICAL AND STARTING SYSTEM P95
- ELECTRICAL AND STARTING SYSTEM P97
- ELECTRICAL AND STARTING SYSTEM P99
- ELECTRICAL AND STARTING SYSTEM P100
- ELECTRICAL AND STARTING SYSTEM P101
- ELECTRICAL AND STARTING SYSTEM P103
- ELECTRICAL AND STARTING SYSTEM P105
- ELECTRICAL AND STARTING SYSTEM P107
- ELECTRICAL AND STARTING SYSTEM P109
- ELECTRICAL AND STARTING SYSTEM P111
- ELECTRICAL AND STARTING SYSTEM P113
- ELECTRICAL AND STARTING SYSTEM P114
- ELECTRICAL AND STARTING SYSTEM P117
- ELECTRICAL AND STARTING SYSTEM P119
- ELECTRICAL AND STARTING SYSTEM P120
- ELECTRICAL AND STARTING SYSTEM ,P122
- ELECTRICAL AND STARTING SYSTEM P123
- ELECTRICAL AND STARTING SYSTEM P125
- ELECTRICAL AND STARTING SYSTEM P126
- ELECTRICAL AND STARTING SYSTEM P127
- ELECTRICAL AND STARTING SYSTEM P129
- ELECTRICAL AND STARTING SYSTEM P130
- ELECTRICAL AND STARTING SYSTEM P131
- ELECTRICAL AND STARTING SYSTEM P132
- ELECTRICAL AND STARTING SYSTEM P135
- ELECTRICAL AND STARTING SYSTEM P137
- ELECTRICAL AND STARTING SYSTEM P139
- ELECTRICAL AND STARTING SYSTEM P140
- ELECTRICAL AND STARTING SYSTEM P141
- ELECTRICAL AND STARTING SYSTEM P142
- ELECTRICAL AND STARTING SYSTEM P144
- ELECTRICAL AND STARTING SYSTEM P145
- ELECTRICAL AND STARTING SYSTEM P146
- ELECTRICAL AND STARTING SYSTEM P147
- ELECTRICAL AND STARTING SYSTEM P149
- ELECTRICAL AND STARTING SYSTEMP150
- ELECTRICAL AND STARTING SYSTEM P153
- ELECTRICAL AND STARTING SYSTEM P155
- ELECTRICAL AND STARTING SYSTEM P156
- ELECTRICAL AND STARTING SYSTEM P159
- ELECTRICAL AND STARTING SYSTEM P160
- ELECTRICAL AND STARTING SYSTEM P162
- ELECTRICAL AND STARTING SYSTEM P163
- ELECTRICAL AND STARTING SYSTEM P165
- ELECTRICAL AND STARTING SYSTEM P166
- ELECTRICAL AND STARTING SYSTEM P169
- ELECTRICAL AND STARTING SYSTEM P171
- ELECTRICAL AND STARTING SYSTEM P172
- ELECTRICAL AND STARTING SYSTEM P173
- ELECTRICAL AND STARTING SYSTEM P174
- ELECTRICAL AND STARTING SYSTEM P175
- ELECTRICAL AND STARTING SYSTEM P177
- ELECTRICAL AND STARTING SYSTEM P179
- ELECTRICAL AND STARTING SYSTEM P181
- ELECTRICAL AND STARTING SYSTEM P183
- ELECTRICAL AND STARTING SYSTEM P184
- ELECTRICAL AND STARTING SYSTEM P185
- ELECTRICAL AND STARTING SYSTEM P186
- ELECTRICAL AND STARTING SYSTEM P187.01
- ELECTRICAL AND STARTING SYSTEM P187.02
- ELECTRICAL AND STARTING SYSTEM P187.04
- ELECTRICAL AND STARTING SYSTEM P187.05
- ELECTRICAL AND STARTING SYSTEM P190
- ELECTRICAL AND STARTING SYSTEM P191
- ELECTRICAL AND STARTING SYSTEM P192
- ELECTRICAL AND STARTING SYSTEM P194
- ELECTRICAL AND STARTING SYSTEM P195
- ELECTRICAL AND STARTING SYSTEM P196
- ELECTRICAL AND STARTING SYSTEM P197
- ELECTRICAL AND STARTING SYSTEM P199
- ELECTRICAL AND STARTING SYSTEM P200
- ELECTRICAL AND STARTING SYSTEM P201
- ELECTRICAL AND STARTING SYSTEM P202
- ELECTRICAL AND STARTING SYSTEM P203
- ELECTRICAL AND STARTING SYSTEM P204
- ELECTRICAL AND STARTING SYSTEM P205
- ELECTRICAL AND STARTING SYSTEM P206.01
- ELECTRICAL AND STARTING SYSTEM P206.03
- ELECTRICAL AND STARTING SYSTEM P206.04
- ELECTRICAL AND STARTING SYSTEM P206.05
- ELECTRICAL AND STARTING SYSTEM P207
- ELECTRICAL AND STARTING SYSTEM P209
- ELECTRICAL AND STARTING SYSTEM P211
- ELECTRICAL AND STARTING SYSTEM P212
- ELECTRICAL AND STARTING SYSTEM P213
- ELECTRICAL AND STARTING SYSTEM P214
- ELECTRICAL AND STARTING SYSTEM P215
- ELECTRICAL AND STARTING SYSTEM P216
- ELECTRICAL AND STARTING SYSTEM P217
- ELECTRICAL AND STARTING SYSTEM P218
- ELECTRICAL AND STARTING SYSTEM P219
- ELECTRICAL AND STARTING SYSTEM P220
- ELECTRICAL AND STARTING SYSTEM P221
- ELECTRICAL AND STARTING SYSTEM P[222
- ELECTRICAL AND STARTING SYSTEM P223
- POWER TRAIN
- FRAME AND BODY
- FRAME AND BODY P229
- FRAME AND BODY P231
- FRAME AND BODY P233
- FRAME AND BODY P234
- FRAME AND BODY P235
- FRAME AND BODY P236
- FRAME AND BODY P237
- FRAME AND BODY P238
- FRAME AND BODY P239
- FRAME AND BODY P240
- FRAME AND BODY P241
- FRAME AND BODY P242
- FRAME AND BODY P243
- FRAME AND BODY P244
- FRAME AND BODY P245
- FRAME AND BODY P246
- FRAME AND BODY P247
- FRAME AND BODY P249
- FRAME AND BODY P250
- FRAME AND BODY P251
- FRAME AND BODY P252
- FRAME AND BODY P253
- FRAME AND BODY P254
- FRAME AND BODY P255
- FRAME AND BODY P256
- FRAME AND BODY P257
- FRAME AND BODY P259
- FRAME AND BODY P261
- FRAME AND BODY P262
- FRAME AND BODY P262.01
- FRAME AND BODY P263
- FRAME AND BODY P264
- FRAME AND BODY P265
- FRAME AND BODY P266
- FRAME AND BODY P268
- FRAME AND BODY P269
- FRAME AND BODY P270
- FRAME AND BODY P271
- FRAME AND BODY P273
- FRAME AND BODY P275
- FRAME AND BODY P276
- FRAME AND BODY P279
- FRAME AND BODY P281
- FRAME AND BODY P282
- FRAME AND BODY P283
- FRAME AND BODY P284
- FRAME AND BODY P285
- FRAME AND BODY P286
- FRAME AND BODY P287
- FRAME AND BODY P288
- FRAME AND BODY P289
- FRAME AND BODY P290
- FRAME AND BODY P291
- FRAME AND BODY P292
- FRAME AND BODY P293
- FRAME AND BODY P294
- FRAME AND BODY P295
- FRAME AND BODY P296
- FRAME AND BODY P297
- FRAME AND BODY P298
- FRAME AND BODY P299
- FRAME AND BODY P300
- FRAME AND BODY P301
- FRAME AND BODY P304
- HYDRAULIC SYSTEM
- HYDRAULIC SYSTEM P305
- HYDRAULIC SYSTEM P307
- HYDRAULIC SYSTEM P308
- HYDRAULIC SYSTEM P309
- HYDRAULIC SYSTEM P310
- HYDRAULIC SYSTEM P311
- HYDRAULIC SYSTEM P312
- HYDRAULIC SYSTEM P313
- HYDRAULIC SYSTEM P315
- HYDRAULIC SYSTEM P317
- HYDRAULIC SYSTEM P318
- HYDRAULIC SYSTEM P319
- HYDRAULIC SYSTEM P321
- HYDRAULIC SYSTEM P323
- HYDRAULIC SYSTEM P325
- HYDRAULIC SYSTEM P326
- HYDRAULIC SYSTEM P332
- HYDRAULIC SYSTEM P333
- HYDRAULIC SYSTEM P334
- HYDRAULIC SYSTEM P335
- HYDRAULIC SYSTEM P336
- HYDRAULIC SYSTEM P337
- HYDRAULIC SYSTEM P338
- HYDRAULIC SYSTEM P339
- HYDRAULIC SYSTEM P340
- HYDRAULIC SYSTEM P341
- HYDRAULIC SYSTEM P342
- HYDRAULIC SYSTEM P343
- HYDRAULIC SYSTEM P344
- HYDRAULIC SYSTEM P345
- HYDRAULIC SYSTEM P347
- HYDRAULIC SYSTEM P348
- HYDRAULIC SYSTEM P351
- HYDRAULIC SYSTEM P352
- HYDRAULIC SYSTEM P353
- HYDRAULIC SYSTEM P354
- HYDRAULIC SYSTEM P355
- HYDRAULIC SYSTEM P356
- HYDRAULIC SYSTEM P357
- HYDRAULIC SYSTEM P358\
- HYDRAULIC SYSTEM P361
- HYDRAULIC SYSTEM P362
- HYDRAULIC SYSTEM P364
- HYDRAULIC SYSTEM P365
- HYDRAULIC SYSTEM P366
- HYDRAULIC SYSTEM P367
- HYDRAULIC SYSTEM P367.02
- HYDRAULIC SYSTEM P369
- HYDRAULIC SYSTEM P370
- HYDRAULIC SYSTEM P371
- HYDRAULIC SYSTEM P372
- HYDRAULIC SYSTEM P373
- HYDRAULIC SYSTEM P375
- HYDRAULIC SYSTEM P377
- HYDRAULIC SYSTEM P379
- HYDRAULIC SYSTEM P381
- HYDRAULIC SYSTEM P383
- HYDRAULIC SYSTEM P384
- HYDRAULIC SYSTEM P387
- HYDRAULIC SYSTEM P389
- HYDRAULIC SYSTEM P391
- HYDRAULIC SYSTEM P393
- HYDRAULIC SYSTEM P395
- HYDRAULIC SYSTEM P396
- HYDRAULIC SYSTEM P397
- HYDRAULIC SYSTEM P398
- HYDRAULIC SYSTEM P399
- HYDRAULIC SYSTEM P400
- HYDRAULIC SYSTEM P403
- HYDRAULIC SYSTEM P405
- HYDRAULIC SYSTEM P407
- HYDRAULIC SYSTEM P409
- HYDRAULIC SYSTEM P[415
- HYDRAULIC SYSTEM P417
- HYDRAULIC SYSTEM P419
- HYDRAULIC SYSTEM P420
- HYDRAULIC SYSTEM P421
- HYDRAULIC SYSTEM P423
- HYDRAULIC SYSTEM P425
- HYDRAULIC SYSTEM P426
- HYDRAULIC SYSTEM P427
- HYDRAULIC SYSTEM P429
- HYDRAULIC SYSTEM P430
- HYDRAULIC SYSTEM P431
- HYDRAULIC SYSTEM P433
- HYDRAULIC SYSTEM P434
- HYDRAULIC SYSTEM P435
- HYDRAULIC SYSTEM P436
- HYDRAULIC SYSTEM P437
- HYDRAULIC SYSTEM P439
- HYDRAULIC SYSTEM P441
- HYDRAULIC SYSTEM P443
- HYDRAULIC SYSTEM P445
- HYDRAULIC SYSTEM P447
- HYDRAULIC SYSTEM P449
- HYDRAULIC SYSTEM P451
- HYDRAULIC SYSTEM P453
- HYDRAULIC SYSTEM P455
- HYDRAULIC SYSTEM P456
- HYDRAULIC SYSTEM P459
- HYDRAULIC SYSTEM O460
- HYDRAULIC SYSTEM P463
- HYDRAULIC SYSTEM P465
- HYDRAULIC SYSTEM P467
- HYDRAULIC SYSTEM P469
- HYDRAULIC SYSTEM P470
- HYDRAULIC SYSTEM P471
- HYDRAULIC SYSTEM P472
- HYDRAULIC SYSTEM P474
- HYDRAULIC SYSTEM P475
- HYDRAULIC SYSTEM P476
- HYDRAULIC SYSTEM P477
- HYDRAULIC SYSTEM P479
- HYDRAULIC SYSTEM P481
- HYDRAULIC SYSTEM P482
- HYDRAULIC SYSTEM P485
- HYDRAULIC SYSTEM P486
- HYDRAULIC SYSTEM P487
- HYDRAULIC SYSTEM P488
- HYDRAULIC SYSTEM P489
- HYDRAULIC SYSTEM P491
- HYDRAULIC SYSTEM P493
- HYDRAULIC SYSTEM P495
- HYDRAULIC SYSTEM P497
- HYDRAULIC SYSTEM P499
- HYDRAULIC SYSTEM P500
- HYDRAULIC SYSTEM P501
- HYDRAULIC SYSTEM P502
- HYDRAULIC SYSTEM P503
- HYDRAULIC SYSTEM P504
- HYDRAULIC SYSTEM P505
- HYDRAULIC SYSTEM P506
- HYDRAULIC SYSTEM P507
- HYDRAULIC SYSTEM P508
- HYDRAULIC SYSTEM P509
- HYDRAULIC SYSTEM P510
- HYDRAULIC SYSTEM P511
- HYDRAULIC SYSTEM P512
- HYDRAULIC SYSTEM P513
- HYDRAULIC SYSTEM P514
- HYDRAULIC SYSTEM P517
- HYDRAULIC SYSTEM P519
- HYDRAULIC SYSTEM P521
- HYDRAULIC SYSTEM P523
- HYDRAULIC SYSTEM P525
- HYDRAULIC SYSTEM P529
- HYDRAULIC SYSTEM P531
- HYDRAULIC SYSTEM P532
- HYDRAULIC SYSTEM P533
- HYDRAULIC SYSTEM P534
- HYDRAULIC SYSTEM P535
- HYDRAULIC SYSTEM P536
- HYDRAULIC SYSTEM P537
- HYDRAULIC SYSTEM P538
- HYDRAULIC SYSTEM P539
- HYDRAULIC SYSTEM P540
- HYDRAULIC SYSTEM P542
- HYDRAULIC SYSTEM P543
- HYDRAULIC SYSTEM P544
- HYDRAULIC SYSTEM P545
- HYDRAULIC SYSTEM P546
- OPERATOR STATION
- OPERATOR STATION P549
- OPERATOR STATION P551
- OPERATOR STATION P553
- OPERATOR STATION P555
- OPERATOR STATION P557
- OPERATOR STATION P559
- OPERATOR STATION P561
- OPERATOR STATION P562
- OPERATOR STATION P563
- OPERATOR STATION P565
- OPERATOR STATION P566
- OPERATOR STATION P567
- OPERATOR STATION P569
- OPERATOR STATION P570
- OPERATOR STATION P571
- OPERATOR STATION P572
- OPERATOR STATION P573
- OPERATOR STATION P574
- OPERATOR STATION P575
- OPERATOR STATION P576
- OPERATOR STATION P577
- OPERATOR STATION P578
- OPERATOR STATION P579
- OPERATOR STATION P580
- OPERATOR STATION P583
- OPERATOR STATION P584
- OPERATOR STATION P585
- OPERATOR STATION P586
- OPERATOR STATION P587
- OPERATOR STATION P588
- OPERATOR STATION P589
- OPERATOR STATION P591
- OPERATOR STATION P592
- OPERATOR STATION P593
- OPERATOR STATION P594
- OPERATOR STATION P595
- OPERATOR STATION P597
- OPERATOR STATION P599
- OPERATOR STATION P601
- OPERATOR STATION P602
- OPERATOR STATION P603
- OPERATOR STATION P604
- OPERATOR STATION P605
- OPERATOR STATION P605.02
- OPERATOR STATION P605.03
- OPERATOR STATION P605.04
- OPERATOR STATION P605.06
- OPERATOR STATION P605.07
- OPERATOR STATION P606
- OPERATOR STATION P607
- OPERATOR STATION P611
- OPERATOR STATION P613
- OPERATOR STATION P615
- OPERATOR STATION P616
- OPERATOR STATION P617
- OPERATOR STATION P618
- OPERATOR STATION P619
- OPERATOR STATION P620
- OPERATOR STATION P620.01
- OPERATOR STATION P621
- OPERATOR STATION P621.01
- OPERATOR STATION P622
- OPERATOR STATION P622.01
- OPERATOR STATION P623
- OPERATOR STATION P624
- OPERATOR STATION P625
- OPERATOR STATION P625.01
- OPERATOR STATION P626
- OPERATOR STATION P627
- OPERATOR STATION P628
- OPERATOR STATION P629
- OPERATOR STATION P630
- OPERATOR STATION P630.01
- OPERATOR STATION P631
- OPERATOR STATION P631.01
- OPERATOR STATION P632
- OPERATOR STATION P632.01
- OPERATOR STATION P633
- OPERATOR STATION P634
- OPERATOR STATION P634.01
- OPERATOR STATION P635
- OPERATOR STATION P635.01
- OPERATOR STATION P636
- OPERATOR STATION P636.01
- OPERATOR STATION P637
- OPERATOR STATION P637.01
- OPERATOR STATION P637.02
- OPERATOR STATION P637.03
- OPERATOR STATION P637.04
- OPERATOR STATION P637.05
- OPERATOR STATION P637.06
- OPERATOR STATION P637.07
- OPERATOR STATION P637.08
- OPERATOR STATION P637.09
- OPERATOR STATION P638
- OPERATOR STATION P638.01
- OPERATOR STATION P639
- OPERATOR STATION P645
- OPERATOR STATION P645.02
- OPERATOR STATION P647
- OPERATOR STATION P647.02
- OPERATOR STATION P649
- OPERATOR STATION P651
- OPERATOR STATION P653
- OPERATOR STATION P655
- OPERATOR STATION P656
- OPERATOR STATION P657
- OPERATOR STATION P658
- OPERATOR STATION P661
- OPERATOR STATION P662
- IMPLEMENTS
- IMPLEMENTS P674
- IMPLEMENTS P675
- IMPLEMENTS P676
- IMPLEMENTS P677
- IMPLEMENTS P678
- IMPLEMENTS P679
- IMPLEMENTS P680
- IMPLEMENTS P681
- IMPLEMENTS P682
- IMPLEMENTS P683
- IMPLEMENTS P684
- IMPLEMENTS P685
- IMPLEMENTS P686
- IMPLEMENTS P687
- IMPLEMENTS P688
- IMPLEMENTS P690
- IMPLEMENTS P691
- IMPLEMENTS P692
- IMPLEMENTS P693
- IMPLEMENTS P694
- IMPLEMENTS P695
- IMPLEMENTS P697
- IMPLEMENTS P704
- IMPLEMENTS P705
- IMPLEMENTS P706
- IMPLEMENTS P707
- IMPLEMENTS P708
- IMPLEMENTS P709
- IMPLEMENTS P710
- IMPLEMENTS P711
- IMPLEMENTS P712
- IMPLEMENTS P713
- SERVICE EQUIPMENT AND SUPPLIES
- SERVICE EQUIPMENT AND SUPPLIES P714
- SERVICE EQUIPMENT AND SUPPLIES P717
- SERVICE EQUIPMENT AND SUPPLIES P719
- SERVICE EQUIPMENT AND SUPPLIES P721
- SERVICE EQUIPMENT AND SUPPLIES P722
- SERVICE EQUIPMENT AND SUPPLIES P723
- SERVICE EQUIPMENT AND SUPPLIES P724
- SERVICE EQUIPMENT AND SUPPLIES P725
- SERVICE EQUIPMENT AND SUPPLIES P726
- SERVICE EQUIPMENT AND SUPPLIES P727
- SERVICE EQUIPMENT AND SUPPLIES P728
- SERVICE EQUIPMENT AND SUPPLIES P729
-
E320C 320CL
- BASIC ENDING
- BASIC ENGINE P14
- BASIC ENGINE P16
- BASIC ENGINE P18
- BASIC ENGINE P20
- BASIC ENGINE P21
- BASIC ENGINE P22
- BASIC ENGINE P23
- BASIC ENGINE P23.01
- BASIC ENGINE P24
- BASIC ENGINE P26
- BASIC ENGINE P27
- BASIC ENGINE P28
- BASIC ENGINE P29
- BASIC ENGINE P30
- BASIC ENGINE P31
- BASIC ENGINE P31.01
- BASIC ENGINE P31.02
- BASIC ENGINE P31.03
- LUBRICATION SYSTEM
- COOLING SYSTEM
- COOLING SYSTEM P38
- COOLING SYSTEM P39.01
- COOLING SYSTEM P39.03
- COOLING SYSTEM P40
- COOLING SYSTEM P41.01
- COOLING SYSTEM P42
- COOLING SYSTEM P43
- COOLING SYSTEM P43.01
- COOLING SYSTEM P43.02
- COOLING SYSTEM P44
- COOLING SYSTEM P45
- COOLING SYSTEM P45.01
- COOLING SYSTEM P46
- COOLING SYSTEM P47
- COOLING SYSTEM P47.01
- COOLING SYSTEM P47.02
- AIR INLET AND EXHAUST SYSTEM
- AIR INLET AND EXHAUST SYSTEM P48
- AIR INLET AND EXHAUST SYSTEM P49
- AIR INLET AND EXHAUST SYSTEM P51
- AIR INLET AND EXHAUST SYSTEM P52
- AIR INLET AND EXHAUST SYSTEM P53
- AIR INLET AND EXHAUST SYSTEM P54
- AIR INLET AND EXHAUST SYSTEM P55
- AIR INLET AND EXHAUST SYSTEM P55.01
- AIR INLET AND EXHAUST SYSTEM P56
- AIR INLET AND EXHAUST SYSTEM P57
- AIR INLET AND EXHAUST SYSTEM P58
- AIR INLET AND EXHAUST SYSTEM P59
- FUEL SYSTEM
- FUEL SYSTEM P60
- FUEL SYSTEM P61
- FUEL SYSTEM P62
- FUEL SYSTEM P64
- FUEL SYSTEM P65A
- FUEL SYSTEM P65.01
- FUEL SYSTEM P65.02
- FUEL SYSTEM P65.03
- FUEL SYSTEM P65.04
- FUEL SYSTEM P65.05
- FUEL SYSTEM P65.06
- FUEL SYSTEM P65.07
- FUEL SYSTEM P65.09
- FUEL SYSTEM P65.10
- FUEL SYSTEM P65.11
- FUEL SYSTEM P65.12
- FUEL SYSTEM P65.13
- FUEL SYSTEM P65.14
- FUEL SYSTEM P65.15
- FUEL SYSTEM P66
- FUEL SYSTEM P68
- FUEL SYSTEM P68.01
- FUEL SYSTEM P68.02
- FUEL SYSTEM P68.03
- FUEL SYSTEM P69
- FUEL SYSTEM P69.01
- FUEL SYSTEM P70
- FUEL SYSTEM P71.03
- FUEL SYSTEM P71.05
- ELECTRICAL AND STARTING SYSTEM
- ELECTRICAL AND STARTING SYSTEM P72
- ELECTRICAL AND STARTING SYSTEM P74
- ELECTRICAL AND STARTING SYSTEM P76
- ELECTRICAL AND STARTING SYSTEM P78
- ELECTRICAL AND STARTING SYSTEM P79.01
- ELECTRICAL AND STARTING SYSTEM P79.03
- ELECTRICAL AND STARTING SYSTEM P79.05
- ELECTRICAL AND STARTING SYSTEM P79.07
- ELECTRICAL AND STARTING SYSTEM P79.09
- ELECTRICAL AND STARTING SYSTEM P79.11
- ELECTRICAL AND STARTING SYSTEM P79.13
- ELECTRICAL AND STARTING SYSTEM P79.15
- ELECTRICAL AND STARTING SYSTEM P79.17
- ELECTRICAL AND STARTING SYSTEM P79.19
- ELECTRICAL AND STARTING SYSTEM P79.21
- ELECTRICAL AND STARTING SYSTEM P79.23
- ELECTRICAL AND STARTING SYSTEM P80
- ELECTRICAL AND STARTING SYSTEM P82
- ELECTRICAL AND STARTING SYSTEM P83.01
- ELECTRICAL AND STARTING SYSTEM P83.03
- ELECTRICAL AND STARTING SYSTEM P84
- ELECTRICAL AND STARTING SYSTEM P85
- ELECTRICAL AND STARTING SYSTEM P86
- ELECTRICAL AND STARTING SYSTEM P87.01
- ELECTRICAL AND STARTING SYSTEM P87.03
- ELECTRICAL AND STARTING SYSTEM P88
- ELECTRICAL AND STARTING SYSTEM P89
- ELECTRICAL AND STARTING SYSTEM P90
- ELECTRICAL AND STARTING SYSTEM P91
- ELECTRICAL AND STARTING SYSTEM P91.01
- ELECTRICAL AND STARTING SYSTEM P91.02
- ELECTRICAL AND STARTING SYSTEM P91.03
- ELECTRICAL AND STARTING SYSTEM P91.04
- ELECTRICAL AND STARTING SYSTEM P92
- ELECTRICAL AND STARTING SYSTEM P93
- ELECTRICAL AND STARTING SYSTEM P94
- ELECTRICAL AND STARTING SYSTEM P95
- ELECTRICAL AND STARTING SYSTEM P96
- ELECTRICAL AND STARTING SYSTEM P98
- ELECTRICAL AND STARTING SYSTEM P99.01
- ELECTRICAL AND STARTING SYSTEM P99.03
- ELECTRICAL AND STARTING SYSTEM P100
- ELECTRICAL AND STARTING SYSTEM P102
- ELECTRICAL AND STARTING SYSTEM P104
- ELECTRICAL AND STARTING SYSTEM P106
- ELECTRICAL AND STARTING SYSTEM P107.01
- ELECTRICAL AND STARTING SYSTEM P107.03
- ELECTRICAL AND STARTING SYSTEM P107.05
- ELECTRICAL AND STARTING SYSTEM P107.07
- ELECTRICAL AND STARTING SYSTEM P107.09
- ELECTRICAL AND STARTING SYSTEM P107.11
- ELECTRICAL AND STARTING SYSTEM P107.13
- ELECTRICAL AND STARTING SYSTEM P107.15
- ELECTRICAL AND STARTING SYSTEM P108
- ELECTRICAL AND STARTING SYSTEM P110
- ELECTRICAL AND STARTING SYSTEM P111.01
- ELECTRICAL AND STARTING SYSTEM P111.03
- ELECTRICAL AND STARTING SYSTEM P112
- ELECTRICAL AND STARTING SYSTEM P114
- ELECTRICAL AND STARTING SYSTEM P116
- ELECTRICAL AND STARTING SYSTEM P118
- ELECTRICAL AND STARTING SYSTEM P119.01
- ELECTRICAL AND STARTING SYSTEM P119.03
- ELECTRICAL AND STARTING SYSTEM P119.05
- ELECTRICAL AND STARTING SYSTEM P119.07
- ELECTRICAL AND STARTING SYSTEM P119.09
- ELECTRICAL AND STARTING SYSTEM P119.11
- ELECTRICAL AND STARTING SYSTEM P119.13
- ELECTRICAL AND STARTING SYSTEM P120
- ELECTRICAL AND STARTING SYSTEM P121
- ELECTRICAL AND STARTING SYSTEM P123
- ELECTRICAL AND STARTING SYSTEM P124
- ELECTRICAL AND STARTING SYSTEM P124.01
- ELECTRICAL AND STARTING SYSTEM P125
- ELECTRICAL AND STARTING SYSTEM P126
- ELECTRICAL AND STARTING SYSTEM P128
- ELECTRICAL AND STARTING SYSTEM P129
- ELECTRICAL AND STARTING SYSTEM P131
- ELECTRICAL AND STARTING SYSTEM P132
- ELECTRICAL AND STARTING SYSTEM P134
- ELECTRICAL AND STARTING SYSTEM P135
- ELECTRICAL AND STARTING SYSTEM P137
- ELECTRICAL AND STARTING SYSTEM P138
- ELECTRICAL AND STARTING SYSTEM P139
- ELECTRICAL AND STARTING SYSTEM P140
- ELECTRICAL AND STARTING SYSTEM P141
- ELECTRICAL AND STARTING SYSTEM P142
- ELECTRICAL AND STARTING SYSTEM P144
- ELECTRICAL AND STARTING SYSTEM P146
- ELECTRICAL AND STARTING SYSTEM P147
- ELECTRICAL AND STARTING SYSTEM P148
- ELECTRICAL AND STARTING SYSTEM P149
- ELECTRICAL AND STARTING SYSTEM P151
- ELECTRICAL AND STARTING SYSTEM P152
- ELECTRICAL AND STARTING SYSTEM P153
- ELECTRICAL AND STARTING SYSTEM P153.01
- ELECTRICAL AND STARTING SYSTEM P153.02
- ELECTRICAL AND STARTING SYSTEM P154
- ELECTRICAL AND STARTING SYSTEM P155
- ELECTRICAL AND STARTING SYSTEM P156
- ELECTRICAL AND STARTING SYSTEM P158
- ELECTRICAL AND STARTING SYSTEM P160
- ELECTRICAL AND STARTING SYSTEM P162
- ELECTRICAL AND STARTING SYSTEM P162.02
- ELECTRICAL AND STARTING SYSTEM P163
- ELECTRICAL AND STARTING SYSTEM P164
- ELECTRICAL AND STARTING SYSTEM P165
- ELECTRICAL AND STARTING SYSTEM P166
- ELECTRICAL AND STARTING SYSTEM P166.02
- ELECTRICAL AND STARTING SYSTEM P166.03
- ELECTRICAL AND STARTING SYSTEM P166.05
- ELECTRICAL AND STARTING SYSTEM P167
- ELECTRICAL AND STARTING SYSTEM P169
- ELECTRICAL AND STARTING SYSTEM P170
- ELECTRICAL AND STARTING SYSTEM P171.01
- ELECTRICAL AND STARTING SYSTEM P171.03
- ELECTRICAL AND STARTING SYSTEM P173
- ELECTRICAL AND STARTING SYSTEM P174
- ELECTRICAL AND STARTING SYSTEM P175
- ELECTRICAL AND STARTING SYSTEM P177
- ELECTRICAL AND STARTING SYSTEM P178
- ELECTRICAL AND STARTING SYSTEM P180
- ELECTRICAL AND STARTING SYSTEM P182
- ELECTRICAL AND STARTING SYSTEM P184
- ELECTRICAL AND STARTING SYSTEM P185.01
- ELECTRICAL AND STARTING SYSTEM P186
- ELECTRICAL AND STARTING SYSTEM P187
- ELECTRICAL AND STARTING SYSTEM P188
- ELECTRICAL AND STARTING SYSTEM P189
- ELECTRICAL AND STARTING SYSTEM P190
- ELECTRICAL AND STARTING SYSTEM P191
- POWER TRAIN
- FRAME AND BODY
- FRAME AND BODY P196
- FRAME AND BODY P198
- FRAME AND BODY P200
- FRAME AND BODY P202
- FRAME AND BODY P203.01
- FRAME AND BODY P203.03
- FRAME AND BODY P203.05
- FRAME AND BODY P203.07
- FRAME AND BODY P203.09
- FRAME AND BODY P203.11
- FRAME AND BODY P204
- FRAME AND BODY P205
- FRAME AND BODY P206
- FRAME AND BODY P207
- FRAME AND BODY P208
- FRAME AND BODY P210
- FRAME AND BODY P210.01
- FRAME AND BODY P211
- FRAME AND BODY P211.01
- FRAME AND BODY P212
- FRAME AND BODY P213
- FRAME AND BODY P214
- FRAME AND BODY P215
- FRAME AND BODY P216
- FRAME AND BODY P218
- FRAME AND BODY P219
- FRAME AND BODY P220
- FRAME AND BODY P221
- FRAME AND BODY P222
- FRAME AND BODY P223
- FRAME AND BODY P224
- FRAME AND BODY P225
- FRAME AND BODY P226
- FRAME AND BODY P228
- FRAME AND BODY P230
- FRAME AND BODY P232
- FRAME AND BODY P234
- FRAME AND BODY P236
- FRAME AND BODY P237
- FRAME AND BODY P238
- FRAME AND BODY P239
- FRAME AND BODY P240
- FRAME AND BODY P241
- FRAME AND BODY P242
- FRAME AND BODY P242.01
- FRAME AND BODY P242.02
- FRAME AND BODY P243
- FRAME AND BODY P243.01
- FRAME AND BODY P243.02
- FRAME AND BODY P244
- FRAME AND BODY P244.01
- FRAME AND BODY P244.02
- FRAME AND BODY P245
- FRAME AND BODY P245.01
- FRAME AND BODY P246
- FRAME AND BODY P246.01
- FRAME AND BODY P247
- FRAME AND BODY P247.01
- FRAME AND BODY P248
- FRAME AND BODY P248.01
- FRAME AND BODY P249
- FRAME AND BODY P249.01
- FRAME AND BODY P250
- FRAME AND BODY P251
- FRAME AND BODY P252
- FRAME AND BODY P253
- FRAME AND BODY P254
- FRAME AND BODY P255
- FRAME AND BODY P256
- FRAME AND BODY P257
- FRAME AND BODY P258
- FRAME AND BODY P259
- FRAME AND BODY P260
- FRAME AND BODY P261
- FRAME AND BODY P262
- FRAME AND BODY P263
- FRAME AND BODY P270
- FRAME AND BODY P271
- FRAME AND BODY P272
- FRAME AND BODY P273
- HYDRAULIC SYSTEM
- HYDRAULIC SYSTEM P274
- HYDRAULIC SYSTEM P275
- HYDRAULIC SYSTEM P276
- HYDRAULIC SYSTEM P278
- HYDRAULIC SYSTEM P279.01
- HYDRAULIC SYSTEM P279.03
- HYDRAULIC SYSTEM P280
- HYDRAULIC SYSTEM P282
- HYDRAULIC SYSTEM P283.01
- HYDRAULIC SYSTEM P283.03
- HYDRAULIC SYSTEM P284
- HYDRAULIC SYSTEM P285
- HYDRAULIC SYSTEM P286
- HYDRAULIC SYSTEM P287
- HYDRAULIC SYSTEM P288
- HYDRAULIC SYSTEM P290
- HYDRAULIC SYSTEM P292
- HYDRAULIC SYSTEM P294
- HYDRAULIC SYSTEM P297
- HYDRAULIC SYSTEM P298
- HYDRAULIC SYSTEM P299
- HYDRAULIC SYSTEM P300
- HYDRAULIC SYSTEM P301
- HYDRAULIC SYSTEM P302
- HYDRAULIC SYSTEM P303
- HYDRAULIC SYSTEM P304
- HYDRAULIC SYSTEM P306
- HYDRAULIC SYSTEM P310
- HYDRAULIC SYSTEM P311.01
- HYDRAULIC SYSTEM P312
- HYDRAULIC SYSTEM P314
- HYDRAULIC SYSTEM P315.01
- HYDRAULIC SYSTEM P318
- HYDRAULIC SYSTEM P320
- HYDRAULIC SYSTEM P322
- HYDRAULIC SYSTEM P325
- HYDRAULIC SYSTEM P325.01
- HYDRAULIC SYSTEM P325.02
- HYDRAULIC SYSTEM P326
- HYDRAULIC SYSTEM P327.01
- HYDRAULIC SYSTEM P327.03
- HYDRAULIC SYSTEM P327.05
- HYDRAULIC SYSTEM P328
- HYDRAULIC SYSTEM P329
- HYDRAULIC SYSTEM P330
- HYDRAULIC SYSTEM P330.01
- HYDRAULIC SYSTEM P331
- HYDRAULIC SYSTEM P331.01
- HYDRAULIC SYSTEM P332
- HYDRAULIC SYSTEM P332.01
- HYDRAULIC SYSTEM P333
- HYDRAULIC SYSTEM P333.01
- HYDRAULIC SYSTEM P334
- HYDRAULIC SYSTEM P334.01
- HYDRAULIC SYSTEM P335
- HYDRAULIC SYSTEM P336
- HYDRAULIC SYSTEM P337
- HYDRAULIC SYSTEM P338
- HYDRAULIC SYSTEM P339.01
- HYDRAULIC SYSTEM P339.03
- HYDRAULIC SYSTEM P339.05
- HYDRAULIC SYSTEM P340
- HYDRAULIC SYSTEM P342
- HYDRAULIC SYSTEM P344
- HYDRAULIC SYSTEM P346
- HYDRAULIC SYSTEM P347.01
- HYDRAULIC SYSTEM P348
- HYDRAULIC SYSTEM P350
- HYDRAULIC SYSTEM P351
- HYDRAULIC SYSTEM P352
- HYDRAULIC SYSTEM P353
- HYDRAULIC SYSTEM P354
- HYDRAULIC SYSTEM P358
- HYDRAULIC SYSTEM P359.01
- HYDRAULIC SYSTEM P359.03
- HYDRAULIC SYSTEM P360
- HYDRAULIC SYSTEM P361.01
- HYDRAULIC SYSTEM P361.03
- HYDRAULIC SYSTEM P362
- HYDRAULIC SYSTEM P363.01
- HYDRAULIC SYSTEM P364
- HYDRAULIC SYSTEM P366
- HYDRAULIC SYSTEM P368
- HYDRAULIC SYSTEM P370
- HYDRAULIC SYSTEM P372
- HYDRAULIC SYSTEM P374
- HYDRAULIC SYSTEM P376
- HYDRAULIC SYSTEM P378
- HYDRAULIC SYSTEM P380
- HYDRAULIC SYSTEM P382
- HYDRAULIC SYSTEM P383.01
- HYDRAULIC SYSTEM P384
- HYDRAULIC SYSTEM P386
- HYDRAULIC SYSTEM P387
- HYDRAULIC SYSTEM P388
- HYDRAULIC SYSTEM P389
- HYDRAULIC SYSTEM P389.01
- HYDRAULIC SYSTEM P390
- HYDRAULIC SYSTEM P392
- HYDRAULIC SYSTEM P394
- HYDRAULIC SYSTEM P400
- HYDRAULIC SYSTEM P402
- HYDRAULIC SYSTEM P404
- HYDRAULIC SYSTEM P405.01
- HYDRAULIC SYSTEM P405.03
- HYDRAULIC SYSTEM P405.05
- HYDRAULIC SYSTEM P405.07
- HYDRAULIC SYSTEM P406
- HYDRAULIC SYSTEM P408
- HYDRAULIC SYSTEM P410
- HYDRAULIC SYSTEM P412
- HYDRAULIC SYSTEM P414
- HYDRAULIC SYSTEM P416
- HYDRAULIC SYSTEM P418
- HYDRAULIC SYSTEM P420
- HYDRAULIC SYSTEM P422
- HYDRAULIC SYSTEM P424
- HYDRAULIC SYSTEM P426
- HYDRAULIC SYSTEM P428
- HYDRAULIC SYSTEM P430
- HYDRAULIC SYSTEM P432
- HYDRAULIC SYSTEM P433.01
- HYDRAULIC SYSTEM P433.03
- HYDRAULIC SYSTEM P433.05
- HYDRAULIC SYSTEM P433.07
- HYDRAULIC SYSTEM P434
- HYDRAULIC SYSTEM P436
- HYDRAULIC SYSTEM P437.01
- HYDRAULIC SYSTEM P437.03
- HYDRAULIC SYSTEM P437.05
- HYDRAULIC SYSTEM P437.07
- HYDRAULIC SYSTEM P438
- HYDRAULIC SYSTEM P440
- HYDRAULIC SYSTEM P441.01
- HYDRAULIC SYSTEM P441.03
- HYDRAULIC SYSTEM P442
- HYDRAULIC SYSTEM P444
- HYDRAULIC SYSTEM P446
- HYDRAULIC SYSTEM P448
- HYDRAULIC SYSTEM P449.01
- HYDRAULIC SYSTEM P449.03
- HYDRAULIC SYSTEM P449.05
- HYDRAULIC SYSTEM P449.07
- HYDRAULIC SYSTEM P450
- HYDRAULIC SYSTEM P451A
- HYDRAULIC SYSTEM P451.01
- HYDRAULIC SYSTEM P452
- HYDRAULIC SYSTEM P453
- HYDRAULIC SYSTEM P454
- HYDRAULIC SYSTEM P457
- HYDRAULIC SYSTEM P458
- HYDRAULIC SYSTEM P460
- HYDRAULIC SYSTEM P462
- HYDRAULIC SYSTEM P464
- HYDRAULIC SYSTEM P465
- HYDRAULIC SYSTEM P466
- HYDRAULIC SYSTEM P468
- HYDRAULIC SYSTEM P470
- HYDRAULIC SYSTEM P472
- HYDRAULIC SYSTEM P473
- HYDRAULIC SYSTEM P474
- HYDRAULIC SYSTEM P475
- HYDRAULIC SYSTEM P476
- HYDRAULIC SYSTEM P477
- HYDRAULIC SYSTEM P478
- HYDRAULIC SYSTEM P479
- HYDRAULIC SYSTEM P480
- HYDRAULIC SYSTEM P482
- HYDRAULIC SYSTEM P483
- HYDRAULIC SYSTEM P484
- HYDRAULIC SYSTEM P486
- HYDRAULIC SYSTEM P487
- HYDRAULIC SYSTEM P487.01
- HYDRAULIC SYSTEM P488
- HYDRAULIC SYSTEM P488.01
- HYDRAULIC SYSTEM P489
- HYDRAULIC SYSTEM P489.01
- HYDRAULIC SYSTEM P490
- HYDRAULIC SYSTEM P492
- HYDRAULIC SYSTEM P494
- HYDRAULIC SYSTEM P496
- HYDRAULIC SYSTEM P498
- HYDRAULIC SYSTEM P499.01
- HYDRAULIC SYSTEM P499.03
- HYDRAULIC SYSTEM P499.05
- HYDRAULIC SYSTEM P499.07
- HYDRAULIC SYSTEM P499.09
- HYDRAULIC SYSTEM P499.11
- HYDRAULIC SYSTEM P499.13
- HYDRAULIC SYSTEM P499.15
- HYDRAULIC SYSTEM P499.17
- HYDRAULIC SYSTEM P499.19
- HYDRAULIC SYSTEM P500
- HYDRAULIC SYSTEM P501.01
- HYDRAULIC SYSTEM P502
- HYDRAULIC SYSTEM P503.01
- HYDRAULIC SYSTEM P504
- HYDRAULIC SYSTEM P505.01
- HYDRAULIC SYSTEM P506
- HYDRAULIC SYSTEM P507
- HYDRAULIC SYSTEM P508
- HYDRAULIC SYSTEM P509.01
- HYDRAULIC SYSTEM P512
- HYDRAULIC SYSTEM P513
- HYDRAULIC SYSTEM P514
- HYDRAULIC SYSTEM P515
- HYDRAULIC SYSTEM P516
- HYDRAULIC SYSTEM P517
- HYDRAULIC SYSTEM P518
- HYDRAULIC SYSTEM P519.03
- HYDRAULIC SYSTEM P519.05
- HYDRAULIC SYSTEM P520
- HYDRAULIC SYSTEM P521
- HYDRAULIC SYSTEM P522
- HYDRAULIC SYSTEM P523
- HYDRAULIC SYSTEM P523.01
- HYDRAULIC SYSTEM P523.02
- HYDRAULIC SYSTEM P524
- HYDRAULIC SYSTEM P525
- HYDRAULIC SYSTEM P526
- HYDRAULIC SYSTEM P526.01
- HYDRAULIC SYSTEM P527
- HYDRAULIC SYSTEM P528
- HYDRAULIC SYSTEM P529.01
- HYDRAULIC SYSTEM P530
- HYDRAULIC SYSTEM P531.01
- HYDRAULIC SYSTEM P532
- HYDRAULIC SYSTEM P534
- HYDRAULIC SYSTEM P536
- HYDRAULIC SYSTEM P538
- HYDRAULIC SYSTEM P539
- HYDRAULIC SYSTEM P540
- HYDRAULIC SYSTEM P541
- HYDRAULIC SYSTEM P542
- HYDRAULIC SYSTEM P543
- HYDRAULIC SYSTEM P544
- HYDRAULIC SYSTEM P545
- HYDRAULIC SYSTEM P546
- HYDRAULIC SYSTEM P549
- HYDRAULIC SYSTEM P550
- HYDRAULIC SYSTEM P551.01
- HYDRAULIC SYSTEM P551.02
- HYDRAULIC SYSTEM P553
- HYDRAULIC SYSTEM P553.01
- HYDRAULIC SYSTEM P554
- HYDRAULIC SYSTEM P555
- HYDRAULIC SYSTEM P556
- HYDRAULIC SYSTEM P557
- HYDRAULIC SYSTEM P558
- OPERATOR STATION
- OPERATOR STATION P560
- OPERATOR STATION P561
- OPERATOR STATION P562
- OPERATOR STATION P566
- OPERATOR STATION P568
- OPERATOR STATION P570
- OPERATOR STATION P572
- OPERATOR STATION P574
- OPERATOR STATION P576
- OPERATOR STATION P578
- OPERATOR STATION P580
- OPERATOR STATION P582
- OPERATOR STATION P584
- OPERATOR STATION P586
- OPERATOR STATION P587
- OPERATOR STATION P588
- OPERATOR STATION P590
- OPERATOR STATION P591
- OPERATOR STATION P592
- OPERATOR STATION P593
- OPERATOR STATION P594
- OPERATOR STATION P596
- OPERATOR STATION P598
- OPERATOR STATION P599
- OPERATOR STATION P600
- OPERATOR STATION P601
- OPERATOR STATION P602
- OPERATOR STATION P603
- OPERATOR STATION P604
- OPERATOR STATION P605
- OPERATOR STATION P606
- OPERATOR STATION P607
- OPERATOR STATION P608
- OPERATOR STATION P609
- OPERATOR STATION P612
- OPERATOR STATION P614
- OPERATOR STATION P615
- OPERATOR STATION P616
- OPERATOR STATION P617
- OPERATOR STATION P618
- OPERATOR STATION P619
- OPERATOR STATION P620
- OPERATOR STATION P621
- OPERATOR STATION P622
- OPERATOR STATION P624
- OPERATOR STATION P625
- OPERATOR STATION P626
- OPERATOR STATION P627
- OPERATOR STATION P628
- OPERATOR STATION P629
- OPERATOR STATION P629.01
- OPERATOR STATION P630
- OPERATOR STATION P631
- OPERATOR STATION P632
- OPERATOR STATION P633
- OPERATOR STATION P633.01
- OPERATOR STATION P634
- OPERATOR STATION P635
- OPERATOR STATION P636
- OPERATOR STATION P636.01
- OPERATOR STATION P637
- OPERATOR STATION P638
- OPERATOR STATION P639
- OPERATOR STATION P640
- OPERATOR STATION P641
- OPERATOR STATION P642
- OPERATOR STATION P643
- OPERATOR STATION P644
- OPERATOR STATION P645
- OPERATOR STATION P646
- OPERATOR STATION P650
- OPERATOR STATION P652
- OPERATOR STATION P654
- OPERATOR STATION P656
- OPERATOR STATION P658
- OPERATOR STATION P659.01
- OPERATOR STATION P662
- OPERATOR STATION P664
- OPERATOR STATION P666
- OPERATOR STATION P668
- OPERATOR STATION P669.01
- OPERATOR STATION P670
- IMPLEMENTS
- IMPLEMENTS P682
- IMPLEMENTS P684
- IMPLEMENTS P685.01
- IMPLEMENTS P686
- IMPLEMENTS P688
- IMPLEMENTS P688.01
- IMPLEMENTS P689
- IMPLEMENTS P690
- IMPLEMENTS P691
- IMPLEMENTS P692
- IMPLEMENTS P693
- IMPLEMENTS P694
- IMPLEMENTS P695
- IMPLEMENTS P696
- IMPLEMENTS P697
- IMPLEMENTS P698
- IMPLEMENTS P699
- IMPLEMENTS P700
- IMPLEMENTS P701
- IMPLEMENTS P701.01
- IMPLEMENTS P701.02
- IMPLEMENTS P702
- IMPLEMENTS P703
- IMPLEMENTS P704
- IMPLEMENTS P705
- IMPLEMENTS P706
- IMPLEMENTS P707
- IMPLEMENTS P708
- IMPLEMENTS P709
- IMPLEMENTS P710
- IMPLEMENTS P711
- IMPLEMENTS P714
- IMPLEMENTS P715
- IMPLEMENTS P715.01
- IMPLEMENTS P715.02
- IMPLEMENTS P715.03
- IMPLEMENTS P715.04
- IMPLEMENTS P726
- IMPLEMENTS P727
- IMPLEMENTS P728
- IMPLEMENTS P729
- IMPLEMENTS P730
- IMPLEMENTS P731
- IMPLEMENTS P732
- IMPLEMENTS P733
- IMPLEMENTS P734
- IMPLEMENTS P736
- IMPLEMENTS P737
- IMPLEMENTS P738
- IMPLEMENTS P739
- IMPLEMENTS P740
- IMPLEMENTS P741
- IMPLEMENTS P742
- IMPLEMENTS P743
- IMPLEMENTS P744
- IMPLEMENTS P745
- IMPLEMENTS P746
- IMPLEMENTS P747
- IMPLEMENTS P748
- IMPLEMENTS P749
- IMPLEMENTS P750
- IMPLEMENTS P751
- IMPLEMENTS P751.01
- SERVICE EQUIPMENT AND SUPPLIES
- SERVICE AND SUPPLIES P753
- SERVICE AND SUPPLIES P754
- SERVICE AND SUPPLIES P756
- SERVICE AND SUPPLIES P758
- SERVICE AND SUPPLIES P760
- SERVICE AND SUPPLIES P761.01
- SERVICE AND SUPPLIES P761.03
- SERVICE AND SUPPLIES P761.05
- SERVICE AND SUPPLIES P761.07
- SERVICE AND SUPPLIES P761.09
- SERVICE AND SUPPLIES P761.11
- SERVICE AND SUPPLIES P761.13
- SERVICE AND SUPPLIES P761.15
- SERVICE AND SUPPLIES P761.17
- SERVICE AND SUPPLIES P762
- SERVICE AND SUPPLIES P764
- SERVICE AND SUPPLIES P766
- SERVICE AND SUPPLIES P767.01
- SERVICE AND SUPPLIES P767.03
- SERVICE AND SUPPLIES P767.05
- SERVICE AND SUPPLIES P767.07
- SERVICE AND SUPPLIES P767.09
- SERVICE AND SUPPLIES P767.11
- SERVICE AND SUPPLIES P767.13
- SERVICE AND SUPPLIES P767.15
- SERVICE AND SUPPLIES P767.17
- SERVICE AND SUPPLIES P767.19
- SERVICE AND SUPPLIES P767.21
- SERVICE AND SUPPLIES P767.23
- SERVICE AND SUPPLIES P768
- SERVICE AND SUPPLIES P769
- SERVICE AND SUPPLIES P770
- SERVICE AND SUPPLIES P771
- SERVICE AND SUPPLIES P772
- SERVICE AND SUPPLIES P773
- SERVICE AND SUPPLIES P774
- SERVICE AND SUPPLIES P775
- SERVICE AND SUPPLIES P776
- SERVICE AND SUPPLIES P777
- SERVICE AND SUPPLIES P778
- SERVICE AND SUPPLIES P779
- SERVICE AND SUPPLIES P780
- BASIC ENDING
-
E320D E320DL E320DGC E323DL
- BASIC ENGINE(C6.4)
- LUBRICATION SYSTEM
- COOLING SYSTEM
- AIR INLET AND EXHAUST SYSTEM
- FUEL SYSTEM
- ELECTRICAL AND STARTING SYSTEM
- ELECTRICAL AND STARTING P90
- ELECTRICAL AND STARTING P92
- ELECTRICAL AND STARTING P94
- ELECTRICAL AND STARTING P96
- ELECTRICAL AND STARTING P98
- ELECTRICAL AND STARTING P100
- ELECTRICAL AND STARTING P102
- ELECTRICAL AND STARTING P104
- ELECTRICAL AND STARTING P105
- ELECTRICAL AND STARTING P106
- ELECTRICAL AND STARTING P108
- ELECTRICAL AND STARTING P110
- ELECTRICAL AND STARTING P112
- ELECTRICAL AND STARTING P114
- ELECTRICAL AND STARTING P116
- ELECTRICAL AND STARTING P118
- ELECTRICAL AND STARTING P120
- ELECTRICAL AND STARTING P122
- ELECTRICAL AND STARTING P124
- 电气和启动系统 P125
- ELECTRICAL AND STARTING P126
- ELECTRICAL AND STARTING P128
- ELECTRICAL AND STARTING P130
- ELECTRICAL AND STARTING P131
- ELECTRICAL AND STARTING P132
- ELECTRICAL AND STARTING P134
- ELECTRICAL AND STARTING P135
- ELECTRICAL AND STARTING P137
- ELECTRICAL AND STARTING P138
- ELECTRICAL AND STARTING P139
- ELECTRICAL AND STARTING P140
- ELECTRICAL AND STARTING P141
- ELECTRICAL AND STARTING P141.01
- ELECTRICAL AND STARTING P142
- ELECTRICAL AND STARTING P144
- ELECTRICAL AND STARTING P146
- ELECTRICAL AND STARTING P147
- ELECTRICAL AND STARTING P148
- ELECTRICAL AND STARTING P149
- ELECTRICAL AND STARTING P150
- ELECTRICAL AND STARTING P152
- ELECTRICAL AND STARTING P153
- ELECTRICAL AND STARTING P154
- ELECTRICAL AND STARTING P155
- ELECTRICAL AND STARTING P156
- ELECTRICAL AND STARTING P157
- ELECTRICAL AND STARTING P158
- ELECTRICAL AND STARTING P160
- ELECTRICAL AND STARTING P162
- ELECTRICAL AND STARTING P164
- ELECTRICAL AND STARTING P166
- ELECTRICAL AND STARTING P168
- ELECTRICAL AND STARTING P170
- ELECTRICAL AND STARTING P172
- ELECTRICAL AND STARTING P174
- ELECTRICAL AND STARTING P176
- ELECTRICAL AND STARTING P178
- ELECTRICAL AND STARTING P180
- ELECTRICAL AND STARTING P181
- ELECTRICAL AND STARTING P182
- ELECTRICAL AND STARTING P183
- ELECTRICAL AND STARTING P184
- ELECTRICAL AND STARTING P186
- ELECTRICAL AND STARTING P188
- ELECTRICAL AND STARTING P189
- ELECTRICAL AND STARTING P189.01
- ELECTRICAL AND STARTING P189.03
- ELECTRICAL AND STARTING P189.05
- ELECTRICAL AND STARTING P192
- ELECTRICAL AND STARTING P193
- 电气和启动系统 P194
- ELECTRICAL AND STARTING P196
- ELECTRICAL AND STARTING P197
- ELECTRICAL AND STARTING P198
- ELECTRICAL AND STARTING P199
- ELECTRICAL AND STARTING P200
- ELECTRICAL AND STARTING P202
- ELECTRICAL AND STARTING P203
- ELECTRICAL AND STARTING P204
- ELECTRICAL AND STARTING P206
- ELECTRICAL AND STARTING P208
- ELECTRICAL AND STARTING P209
- ELECTRICAL AND STARTING P210
- ELECTRICAL AND STARTING P212
- ELECTRICAL AND STARTING P214
- ELECTRICAL AND STARTING P216
- ELECTRICAL AND STARTING P218
- ELECTRICAL AND STARTING P220
- ELECTRICAL AND STARTING P222
- ELECTRICAL AND STARTING P223
- ELECTRICAL AND STARTING P224
- ELECTRICAL AND STARTING P225
- ELECTRICAL AND STARTING P226
- ELECTRICAL AND STARTING P227
- ELECTRICAL AND STARTING P228
- ELECTRICAL AND STARTING P229
- POWER TRAIN
- FRAME AND BODY
- FRAME AND BODY P234
- FRAME AND BODY P236
- FRAME AND BODY P238
- FRAME AND BODY P240
- FRAME AND BODY P242
- FRAME AND BODY P244
- FRAME AND BODY P245
- FRAME AND BODY P246
- FRAME AND BODY P247
- FRAME AND BODY P248
- FRAME AND BODY P249
- FRAME AND BODY P250
- FRAME AND BODY P250.01
- FRAME AND BODY P250.02
- FRAME AND BODY P251
- FRAME AND BODY P252
- FRAME AND BODY P253
- FRAME AND BODY P254
- FRAME AND BODY P255
- FRAME AND BODY P256
- FRAME AND BODY P258
- FRAME AND BODY P260
- FRAME AND BODY P261
- FRAME AND BODY P261.01
- FRAME AND BODY P262
- FRAME AND BODY P263
- FRAME AND BODY P264
- FRAME AND BODY P265
- FRAME AND BODY P266
- FRAME AND BODY P267
- FRAME AND BODY P268
- 车架和车身 P269
- FRAME AND BODY P270
- FRAME AND BODY P271
- FRAME AND BODY P272
- FRAME AND BODY P274
- FRAME AND BODY P276
- FRAME AND BODY P278
- FRAME AND BODY P280
- FRAME AND BODY P282
- FRAME AND BODY P284
- FRAME AND BODY P286
- FRAME AND BODY P287
- FRAME AND BODY P288
- FRAME AND BODY P289
- FRAME AND BODY P290
- FRAME AND BODY P291
- FRAME AND BODY P292
- FRAME AND BODY P293
- FRAME AND BODY P294
- FRAME AND BODY P295
- FRAME AND BODY P296
- FRAME AND BODY P297
- FRAME AND BODY P298
- FRAME AND BODY P299
- FRAME AND BODY P300
- FRAME AND BODY P301
- FRAME AND BODY P302
- FRAME AND BODY P303
- FRAME AND BODY P304
- FRAME AND BODY P305
- FRAME AND BODY P306
- FRAME AND BODY P307
- FRAME AND BODY P308
- FRAME AND BODY P309
- FRAME AND BODY P310
- FRAME AND BODY P311
- FRAME AND BODY P312
- FRAME AND BODY P313
- FRAME AND BODY P314
- 车架和车身 P315
- 车架和车身 P320
- 车架和车身 P321
- HYDRAULIC SYSTEM
- HYDRAULIC SYSTEM P322
- HYDRAULIC SYSTEM P324
- HYDRAULIC SYSTEM P326
- HYDRAULIC SYSTEM P327
- HYDRAULIC SYSTEM P328
- HYDRAULIC SYSTEM P329
- HYDRAULIC SYSTEM P331
- HYDRAULIC SYSTEM P332
- HYDRAULIC SYSTEM P333
- HYDRAULIC SYSTEM P334
- HYDRAULIC SYSTEM P335
- HYDRAULIC SYSTEM P336
- HYDRAULIC SYSTEM P337
- HYDRAULIC SYSTEM P337.01
- HYDRAULIC SYSTEM P338
- HYDRAULIC SYSTEM P340
- HYDRAULIC SYSTEM P342
- HYDRAULIC SYSTEM P344
- HYDRAULIC SYSTEM P346
- HYDRAULIC SYSTEM P348
- HYDRAULIC SYSTEM P356
- HYDRAULIC SYSTEM P358
- HYDRAULIC SYSTEM P360
- HYDRAULIC SYSTEM P362
- HYDRAULIC SYSTEM P366
- HYDRAULIC SYSTEM P364
- HYDRAULIC SYSTEM P368
- HYDRAULIC SYSTEM P370
- HYDRAULIC SYSTEM P372
- HYDRAULIC SYSTEM P374
- HYDRAULIC SYSTEM P376
- HYDRAULIC SYSTEM P378
- HYDRAULIC SYSTEM P380
- HYDRAULIC SYSTEM P381
- HYDRAULIC SYSTEM P382
- HYDRAULIC SYSTEM P383
- HYDRAULIC SYSTEM P384
- HYDRAULIC SYSTEM P385
- HYDRAULIC SYSTEM P386
- HYDRAULIC SYSTEM P387
- HYDRAULIC SYSTEM P388
- HYDRAULIC SYSTEM P389
- HYDRAULIC SYSTEM P390
- HYDRAULIC SYSTEM P391
- HYDRAULIC SYSTEM P392
- HYDRAULIC SYSTEM P394
- HYDRAULIC SYSTEM P396
- HYDRAULIC SYSTEM P398
- HYDRAULIC SYSTEM P400
- HYDRAULIC SYSTEM P402
- HYDRAULIC SYSTEM P404
- HYDRAULIC SYSTEM P405
- HYDRAULIC SYSTEM P406
- HYDRAULIC SYSTEM P407
- HYDRAULIC SYSTEM P408
- HYDRAULIC SYSTEM P410
- HYDRAULIC SYSTEM P412
- HYDRAULIC SYSTEM P414
- HYDRAULIC SYSTEM P415
- HYDRAULIC SYSTEM P416
- HYDRAULIC SYSTEM P418
- HYDRAULIC SYSTEM P420
- HYDRAULIC SYSTEM P422
- HYDRAULIC SYSTEM P424
- HYDRAULIC SYSTEM P426
- HYDRAULIC SYSTEM P428
- HYDRAULIC SYSTEM P429
- HYDRAULIC SYSTEM P430
- HYDRAULIC SYSTEM P432
- HYDRAULIC SYSTEM P434
- HYDRAULIC SYSTEM P436
- HYDRAULIC SYSTEM P438
- HYDRAULIC SYSTEM P440
- HYDRAULIC SYSTEM P441.01
- HYDRAULIC SYSTEM P442
- HYDRAULIC SYSTEM P450
- HYDRAULIC SYSTEM P452
- HYDRAULIC SYSTEM P454
- HYDRAULIC SYSTEM P456
- HYDRAULIC SYSTEM P457.01
- HYDRAULIC SYSTEM P457.03
- HYDRAULIC SYSTEM P458
- HYDRAULIC SYSTEM P458.01
- HYDRAULIC SYSTEM P459
- HYDRAULIC SYSTEM P460
- HYDRAULIC SYSTEM P462
- HYDRAULIC SYSTEM P464
- HYDRAULIC SYSTEM P466
- HYDRAULIC SYSTEM P468
- HYDRAULIC SYSTEM P470
- HYDRAULIC SYSTEM P472
- HYDRAULIC SYSTEM P474
- HYDRAULIC SYSTEM P476
- HYDRAULIC SYSTEM P477
- HYDRAULIC SYSTEM P478
- HYDRAULIC SYSTEM P480
- HYDRAULIC SYSTEM P482
- HYDRAULIC SYSTEM P484
- HYDRAULIC SYSTEM P486
- HYDRAULIC SYSTEM P488
- HYDRAULIC SYSTEM P490
- HYDRAULIC SYSTEM P492
- HYDRAULIC SYSTEM P494
- HYDRAULIC SYSTEM P496
- HYDRAULIC SYSTEM P497
- HYDRAULIC SYSTEM P498
- HYDRAULIC SYSTEM P500
- HYDRAULIC SYSTEM P502
- HYDRAULIC SYSTEM P504
- HYDRAULIC SYSTEM P506
- HYDRAULIC SYSTEM P508
- HYDRAULIC SYSTEM P509
- HYDRAULIC SYSTEM P510
- HYDRAULIC SYSTEM P512
- HYDRAULIC SYSTEM P514
- HYDRAULIC SYSTEM P516
- HYDRAULIC SYSTEM P517
- HYDRAULIC SYSTEM P518
- HYDRAULIC SYSTEM P519
- HYDRAULIC SYSTEM P520
- HYDRAULIC SYSTEM P521
- HYDRAULIC SYSTEM P522
- HYDRAULIC SYSTEM P523
- HYDRAULIC SYSTEM P524
- HYDRAULIC SYSTEM P526
- HYDRAULIC SYSTEM P528
- HYDRAULIC SYSTEM P530
- HYDRAULIC SYSTEM P532
- HYDRAULIC SYSTEM P533
- HYDRAULIC SYSTEM P534
- HYDRAULIC SYSTEM P535
- HYDRAULIC SYSTEM P536
- HYDRAULIC SYSTEM P538
- HYDRAULIC SYSTEM P539
- HYDRAULIC SYSTEM P540
- HYDRAULIC SYSTEM P542
- HYDRAULIC SYSTEM P544
- HYDRAULIC SYSTEM P546
- HYDRAULIC SYSTEM P547
- HYDRAULIC SYSTEM P548
- HYDRAULIC SYSTEM P550
- HYDRAULIC SYSTEM P552
- HYDRAULIC SYSTEM P554
- HYDRAULIC SYSTEM P555
- HYDRAULIC SYSTEM P556
- HYDRAULIC SYSTEM P558
- HYDRAULIC SYSTEM P560
- HYDRAULIC SYSTEM P561
- HYDRAULIC SYSTEM P563
- HYDRAULIC SYSTEM P564
- HYDRAULIC SYSTEM P566
- HYDRAULIC SYSTEM P568
- HYDRAULIC SYSTEM P570
- HYDRAULIC SYSTEM P572
- HYDRAULIC SYSTEM P574
- HYDRAULIC SYSTEM P575
- HYDRAULIC SYSTEM P576
- HYDRAULIC SYSTEM P578
- HYDRAULIC SYSTEM P580
- HYDRAULIC SYSTEM P582
- HYDRAULIC SYSTEM P584
- HYDRAULIC SYSTEM P586
- HYDRAULIC SYSTEM P587
- HYDRAULIC SYSTEM P588
- HYDRAULIC SYSTEM P589
- HYDRAULIC SYSTEM P590
- HYDRAULIC SYSTEM P592
- HYDRAULIC SYSTEM P594
- HYDRAULIC SYSTEM P596
- HYDRAULIC SYSTEM P598
- HYDRAULIC SYSTEM P600.01
- HYDRAULIC SYSTEM P600.02
- HYDRAULIC SYSTEM P601
- HYDRAULIC SYSTEM P602
- HYDRAULIC SYSTEM P603
- HYDRAULIC SYSTEM P604
- HYDRAULIC SYSTEM P605
- OPERATOR STATION
- OPERATOR STATION P606
- OPERATOR STATION P608
- OPERATOR STATION P610
- OPERATOR STATION P612
- OPERATOR STATION P614
- OPERATOR STATION P616
- OPERATOR STATION P618
- OPERATOR STATION P620
- OPERATOR STATION P621
- OPERATOR STATION P622
- OPERATOR STATION P624
- OPERATOR STATION P625
- OPERATOR STATION P626
- OPERATOR STATION P628
- OPERATOR STATION P629
- OPERATOR STATION P630
- OPERATOR STATION P631
- OPERATOR STATION P632
- OPERATOR STATION P633
- OPERATOR STATION P634
- OPERATOR STATION P635
- OPERATOR STATION P636
- OPERATOR STATION P637
- OPERATOR STATION P638
- OPERATOR STATION P640
- OPERATOR STATION P641
- OPERATOR STATION P644
- OPERATOR STATION P646
- OPERATOR STATION P647
- OPERATOR STATION P648
- OPERATOR STATION P650
- OPERATOR STATION P652
- OPERATOR STATION P653
- OPERATOR STATION P654
- OPERATOR STATION P656
- OPERATOR STATION P658
- OPERATOR STATION P660
- OPERATOR STATION P662
- OPERATOR STATION P663
- OPERATOR STATION P664
- OPERATOR STATION P665
- OPERATOR STATION P665.02
- OPERATOR STATION P665.03
- OPERATOR STATION P665.04
- OPERATOR STATION P665.06
- OPERATOR STATION P665.07
- OPERATOR STATION P666
- OPERATOR STATION P667
- OPERATOR STATION P671
- OPERATOR STATION P672
- OPERATOR STATION P674
- OPERATOR STATION P676
- OPERATOR STATION P677
- OPERATOR STATION P678
- OPERATOR STATION P679
- OPERATOR STATION P680
- OPERATOR STATION P680.01
- OPERATOR STATION P681
- OPERATOR STATION P681.01
- OPERATOR STATION P682
- OPERATOR STATION P682.01
- OPERATOR STATION P683
- OPERATOR STATION P684
- OPERATOR STATION P685
- OPERATOR STATION P685.01
- OPERATOR STATION P686
- OPERATOR STATION P687
- OPERATOR STATION P688
- OPERATOR STATION P689
- OPERATOR STATION P690
- OPERATOR STATION P690.01
- OPERATOR STATION P691
- OPERATOR STATION P691.01
- OPERATOR STATION P692
- OPERATOR STATION P692.01
- OPERATOR STATION P693
- OPERATOR STATION P694
- OPERATOR STATION P694.01
- OPERATOR STATION P695
- OPERATOR STATION P695.01
- OPERATOR STATION P696
- OPERATOR STATION P696.01
- OPERATOR STATION P697
- OPERATOR STATION P697.01
- OPERATOR STATION P698
- OPERATOR STATION P699
- OPERATOR STATION P699.01
- OPERATOR STATION P700
- OPERATOR STATION P700.01
- OPERATOR STATION P701
- OPERATOR STATION P701.01
- OPERATOR STATION P702
- OPERATOR STATION P703
- OPERATOR STATION P703.01
- OPERATOR STATION P704
- OPERATOR STATION P710
- OPERATOR STATION P712
- OPERATOR STATION P714
- OPERATOR STATION P716
- OPERATOR STATION P718
- OPERATOR STATION P720
- OPERATOR STATION P722
- OPERATOR STATION P724
- OPERATOR STATION P725
- OPERATOR STATION P726
- OPERATOR STATION P728
- OPERATOR STATION P730
- IMPLEMENTS
- IMPLEMENTS P742
- IMPLEMENTS P744
- IMPLEMENTS P746
- IMPLEMENTS P748
- IMPLEMENTS P750
- IMPLEMENTS P752
- IMPLEMENTS P753
- IMPLEMENTS P754
- IMPLEMENTS P755
- IMPLEMENTS P756
- IMPLEMENTS P757
- IMPLEMENTS P758
- IMPLEMENTS P759
- IMPLEMENTS P760
- IMPLEMENTS P761
- IMPLEMENTS P762
- IMPLEMENTS P763
- IMPLEMENTS P764
- IMPLEMENTS P765
- IMPLEMENTS P766
- IMPLEMENTS P767
- IMPLEMENTS P768
- IMPLEMENTS P770
- IMPLEMENTS P772
- IMPLEMENTS P774
- IMPLEMENTS P776
- IMPLEMENTS P778
- IMPLEMENTS P7793
- IMPLEMENTS P794
- IMPLEMENTS P795
- IMPLEMENTS P796
- IMPLEMENTS P797
- IMPLEMENTS P798
- IMPLEMENTS P799
- IMPLEMENTS P800
- IMPLEMENTS P801
- IMPLEMENTS P802
- IMPLEMENTS P803
- IMPLEMENTS P804
- IMPLEMENTS P805
- IMPLEMENTS P806
- IMPLEMENTS P807
- IMPLEMENTS P808
- IMPLEMENTS P809
- IMPLEMENTS P810
- IMPLEMENTS P811
- IMPLEMENTS P812
- IMPLEMENTS P813
- IMPLEMENTS P814
- IMPLEMENTS P815
- IMPLEMENTS P816
- IMPLEMENTS P817
- IMPLEMENTS P818
- IMPLEMENTS P819
- IMPLEMENTS P820
- IMPLEMENTS P821
- IMPLEMENTS P822
- IMPLEMENTS P823
- IMPLEMENTS P824
-
E324D
- C7 BASIC ENGINE
- BASIC ENGINE P18
- BASIC ENGINE P20
- BASIC ENGINE P22
- BASIC ENGINE P23
- BASIC ENGINE P24
- BASIC ENGINE P25
- BASIC ENGINE P26
- BASIC ENGINE P27
- BASIC ENGINE P28
- BASIC ENGINE P29
- BASIC ENGINE P30
- BASIC ENGINE P31
- BASIC ENGINE P32
- BASIC ENGINE P33
- BASIC ENGINE P34
- BASIC ENGINE P35
- BASIC ENGINE P36
- BASIC ENGINE P37
- BASIC ENGINE P38
- BASIC ENGINE P39
- BASIC ENGINE P40
- BASIC ENGINE P41
- BASIC ENGINE P42
- BASIC ENGINE P43
- BASIC ENGINE P44
- BASIC ENGINE P45
- BASIC ENGINE P46
- BASIC ENGINE P48
- BASIC ENGINE P50
- BASIC ENGINE P51
- BASIC ENGINE P52
- BASIC ENGINE P53
- BASIC ENGINE P54
- BASIC ENGINE P55
- BASIC ENGINE P56
- BASIC ENGINE P57
- LUBRICATION SYSTEM
- COOLING SYSTEM
- AIR INLET AND EXHAUST SYSTEM
- AIR INLET AND EXHAUST SYSTEM P82
- AIR INLET AND EXHAUST SYSTEM P83
- AIR INLET AND EXHAUST SYSTEM P84
- AIR INLET AND EXHAUST SYSTEM P85
- AIR INLET AND EXHAUST SYSTEM P86
- AIR INLET AND EXHAUST SYSTEM P87
- AIR INLET AND EXHAUST SYSTEM P88
- AIR INLET AND EXHAUST SYSTEM P90
- AIR INLET AND EXHAUST SYSTEM P91
- AIR INLET AND EXHAUST SYSTEM P93
- AIR INLET AND EXHAUST SYSTEM P94
- AIR INLET AND EXHAUST SYSTEM P95
- AIR INLET AND EXHAUST SYSTEM P96
- FUEL SYSTEM
- ELECTRICAL AND STARTING SYSTEM
- ELECTRICAL AND STARTING P124
- ELECTRICAL AND STARTING P126
- ELECTRICAL AND STARTING P128
- ELECTRICAL AND STARTING P130
- ELECTRICAL AND STARTING P132
- ELECTRICAL AND STARTING P134
- ELECTRICAL AND STARTING P136
- ELECTRICAL AND STARTING P138
- ELECTRICAL AND STARTING P139
- ELECTRICAL AND STARTING P140
- ELECTRICAL AND STARTING P142
- ELECTRICAL AND STARTING P144
- ELECTRICAL AND STARTING P146
- ELECTRICAL AND STARTING P148
- ELECTRICAL AND STARTING P150
- ELECTRICAL AND STARTING P152
- ELECTRICAL AND STARTING P154
- ELECTRICAL AND STARTING P156
- ELECTRICAL AND STARTING P158
- ELECTRICAL AND STARTING P160
- ELECTRICAL AND STARTING P162
- ELECTRICAL AND STARTING P163
- ELECTRICAL AND STARTING P164
- ELECTRICAL AND STARTING P166
- ELECTRICAL AND STARTING P168
- ELECTRICAL AND STARTING P170
- ELECTRICAL AND STARTING P172
- ELECTRICAL AND STARTING P174
- ELECTRICAL AND STARTING P175
- ELECTRICAL AND STARTING P176
- ELECTRICAL AND STARTING P178
- ELECTRICAL AND STARTING P180
- ELECTRICAL AND STARTING P182
- ELECTRICAL AND STARTING P184
- ELECTRICAL AND STARTING P185
- ELECTRICAL AND STARTING P186
- ELECTRICAL AND STARTING P188
- ELECTRICAL AND STARTING P190
- ELECTRICAL AND STARTING P192
- ELECTRICAL AND STARTING P193
- ELECTRICAL AND STARTING P194
- ELECTRICAL AND STARTING P195
- ELECTRICAL AND STARTING P196
- ELECTRICAL AND STARTING P198
- ELECTRICAL AND STARTING P200
- ELECTRICAL AND STARTING P202
- ELECTRICAL AND STARTING P204
- ELECTRICAL AND STARTING P206
- ELECTRICAL AND STARTING P208
- ELECTRICAL AND STARTING P210
- ELECTRICAL AND STARTING P212
- ELECTRICAL AND STARTING P214
- ELECTRICAL AND STARTING P214.02
- ELECTRICAL AND STARTING P214.04
- ELECTRICAL AND STARTING P214.06
- ELECTRICAL AND STARTING P217
- ELECTRICAL AND STARTING P218
- ELECTRICAL AND STARTING P221
- ELECTRICAL AND STARTING P222
- ELECTRICAL AND STARTING P223
- ELECTRICAL AND STARTING P224
- ELECTRICAL AND STARTING P226
- ELECTRICAL AND STARTING P228
- ELECTRICAL AND STARTING P230
- ELECTRICAL AND ST1RTING P231
- ELECTRICAL AND ST1RTING P232
- ELECTRICAL AND ST1RTING P234
- ELECTRICAL AND ST1RTING P235
- ELECTRICAL AND ST1RTING P236
- ELECTRICAL AND ST1RTING P237
- ELECTRICAL AND ST1RTING P238
- ELECTRICAL AND ST1RTING P239
- ELECTRICAL AND ST1RTING P240
- ELECTRICAL AND ST1RTING P241
- ELECTRICAL AND ST1RTING P242
- ELECTRICAL AND ST1RTING P243
- ELECTRICAL AND ST1RTING P244
- ELECTRICAL AND ST1RTING P245
- ELECTRICAL AND ST1RTING P246
- ELECTRICAL AND ST1RTING P247
- ELECTRICAL AND ST1RTING P248
- ELECTRICAL AND ST1RTING P249
- ELECTRICAL AND ST1RTING P250
- ELECTRICAL AND STARTING P253
- ELECTRICAL AND STARTING P254
- ELECTRICAL AND STARTING P256
- ELECTRICAL AND STARTING P258
- ELECTRICAL AND STARTING P260
- ELECTRICAL AND STARTING P261
- ELECTRICAL AND STARTING P262
- ELECTRICAL AND STARTING P263
- ELECTRICAL AND STARTING P264
- ELECTRICAL AND STARTING P265
- ELECTRICAL AND STARTING P266
- ELECTRICAL AND STARTING P267
- ELECTRICAL AND STARTING P268
- ELECTRICAL AND STARTING P269
- POWER TRAIN
- FRAME AND BODY
- FRAME AND BODY P274
- FRAME AND BODY P276
- FRAME AND BODY P278
- FRAME AND BODY P280
- FRAME AND BODY P282
- FRAME AND BODY P283.01
- FRAME AND BODY P283.03
- FRAME AND BODY P283.05
- FRAME AND BODY P283.07
- FRAME AND BODY P284
- FRAME AND BODY P285
- FRAME AND BODY P285.01
- FRAME AND BODY P286
- FRAME AND BODY P286.01
- FRAME AND BODY P287
- FRAME AND BODY P287.01
- FRAME AND BODY P288
- FRAME AND BODY P288.01
- FRAME AND BODY P289
- FRAME AND BODY P290
- FRAME AND BODY P291
- FRAME AND BODY P292
- FRAME AND BODY P293
- FRAME AND BODY P294
- FRAME AND BODY P295
- FRAME AND BODY P296
- FRAME AND BODY P298
- FRAME AND BODY P299
- FRAME AND BODY P300
- FRAME AND BODY P301
- FRAME AND BODY P302
- FRAME AND BODY P303
- FRAME AND BODY P304
- FRAME AND BODY P306
- FRAME AND BODY P306.01
- FRAME AND BODY P307
- FRAME AND BODY P308
- FRAME AND BODY P309
- FRAME AND BODY P310
- FRAME AND BODY P311
- FRAME AND BODY P312
- FRAME AND BODY P313
- FRAME AND BODY P314
- FRAME AND BODY P315
- FRAME AND BODY P316
- FRAME AND BODY P317
- FRAME AND BODY P318
- FRAME AND BODY P319
- FRAME AND BODY P320
- FRAME AND BODY P324
- FRAME AND BODY P325
- FRAME AND BODY P326
- FRAME AND BODY P328
- FRAME AND BODY P330
- FRAME AND BODY P331
- FRAME AND BODY P332
- FRAME AND BODY P333
- FRAME AND BODY P334
- FRAME AND BODY P335
- FRAME AND BODY P336
- FRAME AND BODY P338
- FRAME AND BODY P339
- FRAME AND BODY P340
- FRAME AND BODY P342
- FRAME AND BODY P343
- FRAME AND BODY P344
- FRAME AND BODY P345
- FRAME AND BODY P347
- FRAME AND BODY P348
- FRAME AND BODY P349
- FRAME AND BODY P350
- FRAME AND BODY P351
- FRAME AND BODY P352
- FRAME AND BODY P353
- FRAME AND BODY P354
- FRAME AND BODY P355
- FRAME AND BODY P356
- FRAME AND BODY P357
- FRAME AND BODY P358
- FRAME AND BODY P359
- FRAME AND BODY P364
- FRAME AND BODY P365
- HYDRAULIC SYSTEM
- HYDRAULIC SYSTEM P367
- HYDRAULIC SYSTEM P368
- HYDRAULIC SYSTEM P369
- HYDRAULIC SYSTEM P369.01
- HYDRAULIC SYSTEM P370
- HYDRAULIC SYSTEM P371
- HYDRAULIC SYSTEM P372
- HYDRAULIC SYSTEM P372.01
- HYDRAULIC SYSTEM P373.01
- HYDRAULIC SYSTEM P373.02
- HYDRAULIC SYSTEM P374
- HYDRAULIC SYSTEM P375
- HYDRAULIC SYSTEM P376
- HYDRAULIC SYSTEM P377
- HYDRAULIC SYSTEM P378
- HYDRAULIC SYSTEM P379
- HYDRAULIC SYSTEM P380
- HYDRAULIC SYSTEM P382
- HYDRAULIC SYSTEM P384
- HYDRAULIC SYSTEM P386
- HYDRAULIC SYSTEM P388
- HYDRAULIC SYSTEM P389
- HYDRAULIC SYSTEM P396
- HYDRAULIC SYSTEM P398
- HYDRAULIC SYSTEM P400
- HYDRAULIC SYSTEM P402
- HYDRAULIC SYSTEM P404
- HYDRAULIC SYSTEM P406
- HYDRAULIC SYSTEM P408
- HYDRAULIC SYSTEM P409
- HYDRAULIC SYSTEM P410
- HYDRAULIC SYSTEM P412
- HYDRAULIC SYSTEM P414
- HYDRAULIC SYSTEM P416
- HYDRAULIC SYSTEM P417
- HYDRAULIC SYSTEM P418
- HYDRAULIC SYSTEM P419
- HYDRAULIC SYSTEM P420
- HYDRAULIC SYSTEM P421
- HYDRAULIC SYSTEM P422
- HYDRAULIC SYSTEM P423
- HYDRAULIC SYSTEM P424
- HYDRAULIC SYSTEM P426
- HYDRAULIC SYSTEM P427.01
- HYDRAULIC SYSTEM P428
- HYDRAULIC SYSTEM P429.01
- HYDRAULIC SYSTEM P430
- HYDRAULIC SYSTEM P432
- HYDRAULIC SYSTEM P433
- HYDRAULIC SYSTEM P434
- HYDRAULIC SYSTEM P435
- HYDRAULIC SYSTEM P436
- HYDRAULIC SYSTEM P438
- HYDRAULIC SYSTEM P440
- HYDRAULIC SYSTEM P442
- HYDRAULIC SYSTEM P443
- HYDRAULIC SYSTEM P444
- HYDRAULIC SYSTEM P446
- HYDRAULIC SYSTEM P447.01
- HYDRAULIC SYSTEM P448
- HYDRAULIC SYSTEM P449.01
- HYDRAULIC SYSTEM P450
- HYDRAULIC SYSTEM P452
- HYDRAULIC SYSTEM P454
- HYDRAULIC SYSTEM P456
- HYDRAULIC SYSTEM P456.01
- HYDRAULIC SYSTEM P457
- HYDRAULIC SYSTEM P457.01
- HYDRAULIC SYSTEM P458
- HYDRAULIC SYSTEM P460
- HYDRAULIC SYSTEM P462
- HYDRAULIC SYSTEM P464
- HYDRAULIC SYSTEM P466
- HYDRAULIC SYSTEM P468
- HYDRAULIC SYSTEM P469.01
- HYDRAULIC SYSTEM P470
- HYDRAULIC SYSTEM P472
- HYDRAULIC SYSTEM P480
- HYDRAULIC SYSTEM P482
- HYDRAULIC SYSTEM P484
- HYDRAULIC SYSTEM P486
- HYDRAULIC SYSTEM P487.01
- HYDRAULIC SYSTEM P487.03
- HYDRAULIC SYSTEM P487.05
- HYDRAULIC SYSTEM P487.07
- HYDRAULIC SYSTEM P487.09
- HYDRAULIC SYSTEM P487.11
- HYDRAULIC SYSTEM P488
- HYDRAULIC SYSTEM P488.01
- HYDRAULIC SYSTEM P488.02
- HYDRAULIC SYSTEM P489
- HYDRAULIC SYSTEM P490
- HYDRAULIC SYSTEM P491.01
- HYDRAULIC SYSTEM P492
- HYDRAULIC SYSTEM P493.01
- HYDRAULIC SYSTEM P493.03
- HYDRAULIC SYSTEM P494
- HYDRAULIC SYSTEM P496
- HYDRAULIC SYSTEM P497.01
- HYDRAULIC SYSTEM P497.03
- HYDRAULIC SYSTEM P498
- HYDRAULIC SYSTEM P500
- HYDRAULIC SYSTEM P501.01
- HYDRAULIC SYSTEM P501.03
- HYDRAULIC SYSTEM P502
- HYDRAULIC SYSTEM P504
- HYDRAULIC SYSTEM P506
- HYDRAULIC SYSTEM P508
- HYDRAULIC SYSTEM P510
- HYDRAULIC SYSTEM P512
- HYDRAULIC SYSTEM P514
- HYDRAULIC SYSTEM P516
- HYDRAULIC SYSTEM P518
- HYDRAULIC SYSTEM P520
- HYDRAULIC SYSTEM P522
- HYDRAULIC SYSTEM P524
- HYDRAULIC SYSTEM P526
- HYDRAULIC SYSTEM P528
- HYDRAULIC SYSTEM P529.01
- HYDRAULIC SYSTEM P530
- HYDRAULIC SYSTEM P530.01
- HYDRAULIC SYSTEM P531
- HYDRAULIC SYSTEM P532
- HYDRAULIC SYSTEM P534
- HYDRAULIC SYSTEM P536
- HYDRAULIC SYSTEM P537
- HYDRAULIC SYSTEM P538
- HYDRAULIC SYSTEM P540
- HYDRAULIC SYSTEM P541
- HYDRAULIC SYSTEM P542
- HYDRAULIC SYSTEM P544
- HYDRAULIC SYSTEM P545
- HYDRAULIC SYSTEM P546
- HYDRAULIC SYSTEM P547
- HYDRAULIC SYSTEM P548
- HYDRAULIC SYSTEM P549
- HYDRAULIC SYSTEM P550
- HYDRAULIC SYSTEM P551
- HYDRAULIC SYSTEM P552
- HYDRAULIC SYSTEM P554
- HYDRAULIC SYSTEM P557
- HYDRAULIC SYSTEM P558
- HYDRAULIC SYSTEM P560
- HYDRAULIC SYSTEM P561
- HYDRAULIC SYSTEM P562
- HYDRAULIC SYSTEM P563
- HYDRAULIC SYSTEM P564
- HYDRAULIC SYSTEM P566
- HYDRAULIC SYSTEM P567
- HYDRAULIC SYSTEM P568
- HYDRAULIC SYSTEM P570
- HYDRAULIC SYSTEM P572
- HYDRAULIC SYSTEM P574
- HYDRAULIC SYSTEM P575
- HYDRAULIC SYSTEM P576
- HYDRAULIC SYSTEM P578
- HYDRAULIC SYSTEM P580
- HYDRAULIC SYSTEM P582
- HYDRAULIC SYSTEM P583
- HYDRAULIC SYSTEM P584
- HYDRAULIC SYSTEM P585
- HYDRAULIC SYSTEM P586
- HYDRAULIC SYSTEM P588
- HYDRAULIC SYSTEM P589
- HYDRAULIC SYSTEM P592
- HYDRAULIC SYSTEM P593
- HYDRAULIC SYSTEM P594
- HYDRAULIC SYSTEM P596
- HYDRAULIC SYSTEM P598
- HYDRAULIC SYSTEM P600
- HYDRAULIC SYSTEM P602
- HYDRAULIC SYSTEM P604
- HYDRAULIC SYSTEM P605
- HYDRAULIC SYSTEM P608
- HYDRAULIC SYSTEM P610
- HYDRAULIC SYSTEM P612
- HYDRAULIC SYSTEM P614
- HYDRAULIC SYSTEM P616
- HYDRAULIC SYSTEM P618
- HYDRAULIC SYSTEM P619
- HYDRAULIC SYSTEM P620
- HYDRAULIC SYSTEM P621
- HYDRAULIC SYSTEM P622
- HYDRAULIC SYSTEM P623
- HYDRAULIC SYSTEM P624
- HYDRAULIC SYSTEM P625
- HYDRAULIC SYSTEM P625.01
- HYDRAULIC SYSTEM P626
- HYDRAULIC SYSTEM P627
- OPERATOR STATION
- OPERATOR STATION P630
- OPERATOR STATION P632
- OPERATOR STATION P634
- OPERATOR STATION P636
- OPERATOR STATION P638
- OPERATOR STATION P640
- OPERATOR STATION P642
- OPERATOR STATION P644
- OPERATOR STATION P645
- OPERATOR STATION P646
- OPERATOR STATION P647.01
- OPERATOR STATION P648
- OPERATOR STATION P650
- OPERATOR STATION P652
- OPERATOR STATION P653
- OPERATOR STATION P653.01
- OPERATOR STATION P653.02
- OPERATOR STATION P654
- OPERATOR STATION P655
- OPERATOR STATION P656
- OPERATOR STATION P657
- OPERATOR STATION P658
- OPERATOR STATION P659
- OPERATOR STATION P660
- OPERATOR STATION P662
- OPERATOR STATION P663
- OPERATOR STATION P666
- OPERATOR STATION P668
- OPERATOR STATION P669
- OPERATOR STATION P670
- OPERATOR STATION P672
- OPERATOR STATION P674
- OPERATOR STATION P675
- OPERATOR STATION P676
- OPERATOR STATION P677
- OPERATOR STATION P679
- OPERATOR STATION P679.01
- OPERATOR STATION P680
- OPERATOR STATION P681.01
- OPERATOR STATION P682
- OPERATOR STATION P684
- OPERATOR STATION P685
- OPERATOR STATION P686
- OPERATOR STATION P687
- OPERATOR STATION P687.02
- OPERATOR STATION P687.03
- OPERATOR STATION P687.04
- OPERATOR STATION P687.06
- OPERATOR STATION P687.07
- OPERATOR STATION P688
- OPERATOR STATION P689
- OPERATOR STATION P693
- OPERATOR STATION P694
- OPERATOR STATION P696
- OPERATOR STATION P697
- OPERATOR STATION P698
- OPERATOR STATION P700
- OPERATOR STATION P701
- OPERATOR STATION P702
- OPERATOR STATION P702.01
- OPERATOR STATION P703
- OPERATOR STATION P703.01
- OPERATOR STATION P704
- OPERATOR STATION P704.01
- OPERATOR STATION P705
- OPERATOR STATION P706
- OPERATOR STATION P707
- OPERATOR STATION P707.01
- OPERATOR STATION P708
- OPERATOR STATION P709
- OPERATOR STATION P710
- OPERATOR STATION P711
- OPERATOR STATION P712
- OPERATOR STATION P712.01
- OPERATOR STATION P713
- OPERATOR STATION P713.01
- OPERATOR STATION P714
- OPERATOR STATION P714.01
- OPERATOR STATION P715
- OPERATOR STATION P716
- OPERATOR STATION P716.01
- OPERATOR STATION P717
- OPERATOR STATION P717.01
- OPERATOR STATION P718
- OPERATOR STATION P718.01
- OPERATOR STATION P719
- OPERATOR STATION P720
- OPERATOR STATION P720.01
- OPERATOR STATION P721
- OPERATOR STATION P721.01
- OPERATOR STATION P722
- OPERATOR STATION P722.01
- OPERATOR STATION P723
- OPERATOR STATION P724
- OPERATOR STATION P724.01
- OPERATOR STATION P725
- OPERATOR STATION P725.01
- OPERATOR STATION P726
- OPERATOR STATION P730
- OPERATOR STATION P731.01
- OPERATOR STATION P732
- OPERATOR STATION P733.01
- OPERATOR STATION P734
- OPERATOR STATION P735.01
- OPERATOR STATION P736
- OPERATOR STATION P737.01
- OPERATOR STATION P738
- OPERATOR STATION P740
- OPERATOR STATION P742
- OPERATOR STATION P744
- OPERATOR STATION P745
- OPERATOR STATION P746
- IMPLEMENTS
- IMPLEMENTS P758
- IMPLEMENTS P760
- IMPLEMENTS P762
- IMPLEMENTS P764
- IMPLEMENTS P766
- IMPLEMENTS P767
- IMPLEMENTS P768
- IMPLEMENTS P769
- IMPLEMENTS P770
- IMPLEMENTS P771
- IMPLEMENTS P772
- IMPLEMENTS P773
- IMPLEMENTS P774
- IMPLEMENTS P775
- IMPLEMENTS P776
- IMPLEMENTS P777
- IMPLEMENTS P778
- IMPLEMENTS P780
- IMPLEMENTS P782
- IMPLEMENTS P784
- IMPLEMENTS P786
- IMPLEMENTS P787
- IMPLEMENTS P796
- IMPLEMENTS P797
- IMPLEMENTS P798
- IMPLEMENTS P799
- IMPLEMENTS P800
- IMPLEMENTS P801
- IMPLEMENTS P802
- IMPLEMENTS P803
- IMPLEMENTS P804
- IMPLEMENTS P805
- IMPLEMENTS P806
- IMPLEMENTS P807
- IMPLEMENTS P808
- IMPLEMENTS P809
- IMPLEMENTS P810
- IMPLEMENTS P811
- IMPLEMENTS P812
- IMPLEMENTS P813
- IMPLEMENTS P814
- IMPLEMENTS P815
- IMPLEMENTS P816
- IMPLEMENTS P817
- IMPLEMENTS P818
- SERVICE EQUIPMENT AND SUPPLIES
- SERVICE EQUIPMENT P821
- SERVICE EQUIPMENT P822
- SERVICE EQUIPMENT P824
- SERVICE EQUIPMENT P826
- SERVICE EQUIPMENT P827.01
- SERVICE EQUIPMENT P827.03
- SERVICE EQUIPMENT P827.05
- SERVICE EQUIPMENT P827.07
- SERVICE EQUIPMENT P827.09
- SERVICE EQUIPMENT P827.11
- SERVICE EQUIPMENT P827.13
- SERVICE EQUIPMENT P827.15
- SERVICE EQUIPMENT P827.17
- SERVICE EQUIPMENT P827.19
- SERVICE EQUIPMENT P827.21
- SERVICE EQUIPMENT P827.23
- SERVICE EQUIPMENT P827.25
- SERVICE EQUIPMENT P827.27
- SERVICE EQUIPMENT P827.29
- SERVICE EQUIPMENT P828
- SERVICE EQUIPMENT P830
- SERVICE EQUIPMENT P832
- SERVICE EQUIPMENT P833.01
- SERVICE EQUIPMENT P833.03
- SERVICE EQUIPMENT P833.05
- SERVICE EQUIPMENT P833.07
- SERVICE EQUIPMENT P833.09
- SERVICE EQUIPMENT P833.11
- SERVICE EQUIPMENT P833.13
- SERVICE EQUIPMENT P833.15
- SERVICE EQUIPMENT P833.17
- SERVICE EQUIPMENT P833.19
- SERVICE EQUIPMENT P833.21
- SERVICE EQUIPMENT P833.23
- SERVICE EQUIPMENT P833.25
- SERVICE EQUIPMENT P833.27
- SERVICE EQUIPMENT P833.29
- SERVICE EQUIPMENT P834
- SERVICE EQUIPMENT P834.01
- SERVICE EQUIPMENT P835
- SERVICE EQUIPMENT P836
- SERVICE EQUIPMENT P837
- SERVICE EQUIPMENT P838
- SERVICE EQUIPMENT P839
- SERVICE EQUIPMENT P840
- C7 BASIC ENGINE
-
E330D
- BASIC ENGINE C9
- BASIC ENGINE P18
- BASIC ENGINE P19
- BASIC ENGINE P20
- BASIC ENGINE P22
- BASIC ENGINE P23
- BASIC ENGINE P24
- BASIC ENGINE P25
- BASIC ENGINE P26
- BASIC ENGINE P27
- BASIC ENGINE P28
- BASIC ENGINE P30
- BASIC ENGINE P32
- BASIC ENGINE P33
- BASIC ENGINE P34
- BASIC ENGINE P35
- BASIC ENGINE P36
- BASIC ENGINE P37
- BASIC ENGINE P38
- BASIC ENGINE P39
- BASIC ENGINE P40
- BASIC ENGINE P41
- BASIC ENGINE P42
- BASIC ENGINE P44
- BASIC ENGINE P46
- BASIC ENGINE P48
- BASIC ENGINE P49
- BASIC ENGINE P50
- BASIC ENGINE P52
- BASIC ENGINE P54
- BASIC ENGINE P55
- BASIC ENGINE P56
- BASIC ENGINE P57
- BASIC ENGINE P58
- BASIC ENGINE P59
- BASIC ENGINE P60
- LUBRICATION SYSTEM
- COOLING SYSTEM
- AIR INLET AND EXHAUST
- FUEL SYSTEM
- ELECTRICAL AND STARTING SYSTEM
- ELECTRICAL AND STARTING P118
- ELECTRICAL AND STARTING P120
- ELECTRICAL AND STARTING P122
- ELECTRICAL AND STARTING P124
- ELECTRICAL AND STARTING P126
- ELECTRICAL AND STARTING P128
- ELECTRICAL AND STARTING P130
- ELECTRICAL AND STARTING P132
- ELECTRICAL AND STARTING P134
- ELECTRICAL AND STARTING P136
- ELECTRICAL AND STARTING P137
- ELECTRICAL AND STARTING P138
- ELECTRICAL AND STARTING P140
- ELECTRICAL AND STARTING P142
- ELECTRICAL AND STARTING P144
- ELECTRICAL AND STARTING P146
- ELECTRICAL AND STARTING P148
- ELECTRICAL AND STARTING P150
- ELECTRICAL AND STARTING P152
- ELECTRICAL AND STARTING P153
- ELECTRICAL AND STARTING P154
- ELECTRICAL AND STARTING P156
- ELECTRICAL AND STARTING P158
- ELECTRICAL AND STARTING P160
- ELECTRICAL AND STARTING P161
- ELECTRICAL AND STARTING P162
- ELECTRICAL AND STARTING P164
- ELECTRICAL AND STARTING P166
- ELECTRICAL AND STARTING P168
- ELECTRICAL AND STARTING P170
- ELECTRICAL AND STARTING P171
- ELECTRICAL AND STARTING P172
- ELECTRICAL AND STARTING P174
- ELECTRICAL AND STARTING P176
- ELECTRICAL AND STARTING P178
- ELECTRICAL AND STARTING P180
- ELECTRICAL AND STARTING P181
- ELECTRICAL AND STARTING P182
- ELECTRICAL AND STARTING P184
- ELECTRICAL AND STARTING P186
- ELECTRICAL AND STARTING P187
- ELECTRICAL AND STARTING P187.01
- ELECTRICAL AND STARTING P188
- ELECTRICAL AND STARTING P189
- ELECTRICAL AND STARTING P190
- ELECTRICAL AND STARTING P191
- ELECTRICAL AND STARTING P192
- ELECTRICAL AND STARTING P194
- ELECTRICAL AND STARTING P196
- ELECTRICAL AND STARTING P198
- ELECTRICAL AND STARTING P200
- ELECTRICAL AND STARTING P202
- ELECTRICAL AND STARTING P204
- ELECTRICAL AND STARTING P205
- ELECTRICAL AND STARTING P206
- ELECTRICAL AND STARTING P208
- ELECTRICAL AND STARTING P209
- ELECTRICAL AND STARTING P211
- ELECTRICAL AND STARTING P212
- ELECTRICAL AND STARTING P213
- ELECTRICAL AND STARTING P214
- ELECTRICAL AND STARTING P216
- ELECTRICAL AND STARTING P218
- ELECTRICAL AND STARTING P220
- ELECTRICAL AND STARTING P222
- ELECTRICAL AND STARTING P223
- ELECTRICAL AND STARTING P224
- ELECTRICAL AND STARTING P225
- ELECTRICAL AND STARTING P226
- ELECTRICAL AND STARTING P228
- ELECTRICAL AND STARTING P229
- ELECTRICAL AND STARTING P230
- ELECTRICAL AND STARTING P231
- ELECTRICAL AND STARTING P232
- ELECTRICAL AND STARTING P233
- ELECTRICAL AND STARTING P234
- ELECTRICAL AND STARTING P235
- ELECTRICAL AND STARTING P236
- ELECTRICAL AND STARTING P237
- ELECTRICAL AND STARTING P238
- ELECTRICAL AND STARTING P239
- ELECTRICAL AND STARTING P240
- ELECTRICAL AND STARTING P241
- ELECTRICAL AND STARTING P242
- ELECTRICAL AND STARTING P243
- ELECTRICAL AND STARTING P244
- ELECTRICAL AND STARTING P245
- ELECTRICAL AND STARTING P246
- ELECTRICAL AND STARTING P248
- ELECTRICAL AND STARTING P250
- ELECTRICAL AND STARTING P252
- ELECTRICAL AND STARTING P254
- ELECTRICAL AND STARTING P255
- ELECTRICAL AND STARTING P256
- ELECTRICAL AND STARTING P257
- ELECTRICAL AND STARTING P258
- ELECTRICAL AND STARTING P259
- ELECTRICAL AND STARTING P260
- ELECTRICAL AND STARTING P261
- ELECTRICAL AND STARTING P261.01
- ELECTRICAL AND STARTING P262
- ELECTRICAL AND STARTING P262.01
- POWER TRAIN
- FRAME AND BODY
- FRAME AND BODY P268
- FRAME AND BODY P270
- FRAME AND BODY P272
- FRAME AND BODY P274
- FRAME AND BODY P276
- FRAME AND BODY P278
- FRAME AND BODY P280
- FRAME AND BODY P281
- FRAME AND BODY P282
- FRAME AND BODY P283
- FRAME AND BODY P284
- FRAME AND BODY P284.01
- FRAME AND BODY P285
- FRAME AND BODY P285.01
- FRAME AND BODY P286
- FRAME AND BODY P286.01
- FRAME AND BODY P286.02
- FRAME AND BODY P286.03
- FRAME AND BODY P286.04
- FRAME AND BODY P286.05
- FRAME AND BODY P286.06
- FRAME AND BODY P286.07
- FRAME AND BODY P286.08
- FRAME AND BODY P286.09
- FRAME AND BODY P287
- FRAME AND BODY P287.01
- FRAME AND BODY P288
- FRAME AND BODY P289
- FRAME AND BODY P289.01
- FRAME AND BODY P290
- FRAME AND BODY P291
- FRAME AND BODY P292
- FRAME AND BODY P294
- FRAME AND BODY P295
- FRAME AND BODY P296
- FRAME AND BODY P297
- FRAME AND BODY P298
- FRAME AND BODY P299
- FRAME AND BODY P300
- FRAME AND BODY P301
- FRAME AND BODY P302
- FRAME AND BODY P303
- FRAME AND BODY P304
- FRAME AND BODY P305
- FRAME AND BODY P306
- FRAME AND BODY P310
- FRAME AND BODY P311
- FRAME AND BODY P312
- FRAME AND BODY P316
- FRAME AND BODY P317
- FRAME AND BODY P318
- FRAME AND BODY P320
- FRAME AND BODY P322
- FRAME AND BODY P323
- FRAME AND BODY P324
- FRAME AND BODY P325
- FRAME AND BODY P326
- FRAME AND BODY P327
- FRAME AND BODY P328
- FRAME AND BODY P329
- FRAME AND BODY P330
- FRAME AND BODY P331
- FRAME AND BODY P332
- FRAME AND BODY P333
- FRAME AND BODY P334
- FRAME AND BODY P335
- FRAME AND BODY P336
- FRAME AND BODY P337
- FRAME AND BODY P338
- FRAME AND BODY P339
- FRAME AND BODY P340
- FRAME AND BODY P341
- FRAME AND BODY P342
- FRAME AND BODY P343
- FRAME AND BODY P344
- FRAME AND BODY P345
- FRAME AND BODY P346
- FRAME AND BODY P347
- FRAME AND BODY P348
- FRAME AND BODY P349
- FRAME AND BODY P355
- FRAME AND BODY P356
- HYDRAULIC SYSTEM
- HYDRAULIC SYSTEM P357
- HYDRAULIC SYSTEM P358
- HYDRAULIC SYSTEM P360
- HYDRAULIC SYSTEM P361
- HYDRAULIC SYSTEM P362
- HYDRAULIC SYSTEM P363
- HYDRAULIC SYSTEM P364
- HYDRAULIC SYSTEM P365
- HYDRAULIC SYSTEM P366
- HYDRAULIC SYSTEM P367
- HYDRAULIC SYSTEM P369
- HYDRAULIC SYSTEM P370
- HYDRAULIC SYSTEM P371
- HYDRAULIC SYSTEM P372
- HYDRAULIC SYSTEM P374
- HYDRAULIC SYSTEM P376
- HYDRAULIC SYSTEM P378
- HYDRAULIC SYSTEM P380
- HYDRAULIC SYSTEM P381
- HYDRAULIC SYSTEM P386
- HYDRAULIC SYSTEM P387
- HYDRAULIC SYSTEM P388
- HYDRAULIC SYSTEM P389
- HYDRAULIC SYSTEM P392
- HYDRAULIC SYSTEM P390
- HYDRAULIC SYSTEM P394
- HYDRAULIC SYSTEM P396
- HYDRAULIC SYSTEM P398
- HYDRAULIC SYSTEM P399
- HYDRAULIC SYSTEM P400
- HYDRAULIC SYSTEM P401
- HYDRAULIC SYSTEM P402
- HYDRAULIC SYSTEM P403
- HYDRAULIC SYSTEM P404
- HYDRAULIC SYSTEM P406
- HYDRAULIC SYSTEM P408
- HYDRAULIC SYSTEM P409
- HYDRAULIC SYSTEM P410
- HYDRAULIC SYSTEM P411
- HYDRAULIC SYSTEM P412
- HYDRAULIC SYSTEM P414
- HYDRAULIC SYSTEM P416
- HYDRAULIC SYSTEM P418
- HYDRAULIC SYSTEM P419
- HYDRAULIC SYSTEM P420
- HYDRAULIC SYSTEM P421
- HYDRAULIC SYSTEM P422
- HYDRAULIC SYSTEM P424
- HYDRAULIC SYSTEM P426
- HYDRAULIC SYSTEM P428
- HYDRAULIC SYSTEM P430
- HYDRAULIC SYSTEM P432
- HYDRAULIC SYSTEM P434
- HYDRAULIC SYSTEM P436
- HYDRAULIC SYSTEM P438
- HYDRAULIC SYSTEM P438.01
- HYDRAULIC SYSTEM P439
- HYDRAULIC SYSTEM P439.01
- HYDRAULIC SYSTEM P440
- HYDRAULIC SYSTEM P442
- HYDRAULIC SYSTEM P444
- HYDRAULIC SYSTEM P446
- HYDRAULIC SYSTEM P448
- HYDRAULIC SYSTEM P450
- HYDRAULIC SYSTEM P451.01
- HYDRAULIC SYSTEM P451.03
- HYDRAULIC SYSTEM P452
- HYDRAULIC SYSTEM P453.01
- HYDRAULIC SYSTEM P453.03
- HYDRAULIC SYSTEM P454
- HYDRAULIC SYSTEM P456
- HYDRAULIC SYSTEM P458
- HYDRAULIC SYSTEM P460
- HYDRAULIC SYSTEM P466
- HYDRAULIC SYSTEM P468
- HYDRAULIC SYSTEM P470
- HYDRAULIC SYSTEM P472
- HYDRAULIC SYSTEM P473.01
- HYDRAULIC SYSTEM P473.03
- HYDRAULIC SYSTEM P474
- HYDRAULIC SYSTEM P475
- HYDRAULIC SYSTEM P476
- HYDRAULIC SYSTEM P478
- HYDRAULIC SYSTEM P480
- HYDRAULIC SYSTEM P482
- HYDRAULIC SYSTEM P484
- HYDRAULIC SYSTEM P486
- HYDRAULIC SYSTEM P488
- HYDRAULIC SYSTEM P490
- HYDRAULIC SYSTEM P492
- HYDRAULIC SYSTEM P494
- HYDRAULIC SYSTEM P496
- HYDRAULIC SYSTEM P498
- HYDRAULIC SYSTEM P500
- HYDRAULIC SYSTEM P502
- HYDRAULIC SYSTEM P504
- HYDRAULIC SYSTEM P506
- HYDRAULIC SYSTEM P508
- HYDRAULIC SYSTEM P510
- HYDRAULIC SYSTEM P512
- HYDRAULIC SYSTEM P514
- HYDRAULIC SYSTEM P515.01
- HYDRAULIC SYSTEM P516
- HYDRAULIC SYSTEM P517
- HYDRAULIC SYSTEM P518
- HYDRAULIC SYSTEM P520
- HYDRAULIC SYSTEM P521
- HYDRAULIC SYSTEM P522
- HYDRAULIC SYSTEM P524
- HYDRAULIC SYSTEM P525
- HYDRAULIC SYSTEM P525.01
- HYDRAULIC SYSTEM P526
- HYDRAULIC SYSTEM P527.01
- HYDRAULIC SYSTEM P528
- HYDRAULIC SYSTEM P529
- HYDRAULIC SYSTEM P530
- HYDRAULIC SYSTEM P531
- HYDRAULIC SYSTEM P532
- HYDRAULIC SYSTEM P533
- HYDRAULIC SYSTEM P534
- HYDRAULIC SYSTEM P535
- HYDRAULIC SYSTEM P536
- HYDRAULIC SYSTEM P537
- HYDRAULIC SYSTEM P538
- HYDRAULIC SYSTEM P540
- HYDRAULIC SYSTEM P543
- HYDRAULIC SYSTEM P544
- HYDRAULIC SYSTEM P546
- HYDRAULIC SYSTEM P547
- HYDRAULIC SYSTEM P548
- HYDRAULIC SYSTEM P549
- HYDRAULIC SYSTEM P550
- HYDRAULIC SYSTEM P552
- HYDRAULIC SYSTEM P553
- HYDRAULIC SYSTEM P554
- HYDRAULIC SYSTEM P556
- HYDRAULIC SYSTEM P560
- HYDRAULIC SYSTEM P561
- HYDRAULIC SYSTEM P564
- HYDRAULIC SYSTEM P566
- HYDRAULIC SYSTEM P570
- HYDRAULIC SYSTEM P571
- HYDRAULIC SYSTEM P572
- HYDRAULIC SYSTEM P573
- HYDRAULIC SYSTEM P574
- HYDRAULIC SYSTEM P576
- HYDRAULIC SYSTEM P578
- HYDRAULIC SYSTEM P579
- HYDRAULIC SYSTEM P580
- HYDRAULIC SYSTEM P582
- HYDRAULIC SYSTEM P584
- HYDRAULIC SYSTEM P586
- HYDRAULIC SYSTEM P588
- HYDRAULIC SYSTEM P589
- HYDRAULIC SYSTEM P590
- HYDRAULIC SYSTEM P591
- HYDRAULIC SYSTEM P594
- HYDRAULIC SYSTEM P596
- HYDRAULIC SYSTEM P598
- HYDRAULIC SYSTEM P600
- HYDRAULIC SYSTEM P601.01
- HYDRAULIC SYSTEM P602
- HYDRAULIC SYSTEM P603
- HYDRAULIC SYSTEM P604
- HYDRAULIC SYSTEM P605
- HYDRAULIC SYSTEM P606
- HYDRAULIC SYSTEM P607
- HYDRAULIC SYSTEM P608
- HYDRAULIC SYSTEM P609
- HYDRAULIC SYSTEM P610
- HYDRAULIC SYSTEM P611
- HYDRAULIC SYSTEM P612
- HYDRAULIC SYSTEM P613
- OPERATOR STATION
- OPERATOR STATION P616
- OPERATOR STATION P618
- OPERATOR STATION P620
- OPERATOR STATION P622
- OPERATOR STATION P624
- OPERATOR STATION P625
- OPERATOR STATION P626
- OPERATOR STATION P628
- OPERATOR STATION P630
- OPERATOR STATION P632
- OPERATOR STATION P634
- OPERATOR STATION P635
- OPERATOR STATION P636
- OPERATOR STATION P637
- OPERATOR STATION P638
- OPERATOR STATION P639
- OPERATOR STATION P640
- OPERATOR STATION P641
- OPERATOR STATION P644
- OPERATOR STATION P646
- OPERATOR STATION P648
- OPERATOR STATION P649
- OPERATOR STATION P650
- OPERATOR STATION P652
- OPERATOR STATION P653
- OPERATOR STATION P654
- OPERATOR STATION P655
- OPERATOR STATION P657
- OPERATOR STATION P658
- OPERATOR STATION P660
- OPERATOR STATION P662
- OPERATOR STATION P663
- OPERATOR STATION P663.01
- OPERATOR STATION P664
- OPERATOR STATION P664.01
- OPERATOR STATION P665
- OPERATOR STATION P666
- OPERATOR STATION P667
- OPERATOR STATION P668
- OPERATOR STATION P669
- OPERATOR STATION P670
- OPERATOR STATION P671
- OPERATOR STATION P672
- OPERATOR STATION P674
- OPERATOR STATION P675
- OPERATOR STATION P676
- OPERATOR STATION P678
- OPERATOR STATION P679
- OPERATOR STATION P680
- OPERATOR STATION P681
- OPERATOR STATION P682
- OPERATOR STATION P683
- OPERATOR STATION P684
- OPERATOR STATION P685
- OPERATOR STATION P686
- OPERATOR STATION P687
- OPERATOR STATION P688
- OPERATOR STATION P689
- OPERATOR STATION P690
- OPERATOR STATION P691
- OPERATOR STATION P692
- OPERATOR STATION P693
- OPERATOR STATION P694
- OPERATOR STATION P695
- OPERATOR STATION P696
- OPERATOR STATION P697
- OPERATOR STATION P699
- OPERATOR STATION P702
- OPERATOR STATION P704
- OPERATOR STATION P706
- OPERATOR STATION P708
- OPERATOR STATION P710
- OPERATOR STATION P712
- OPERATOR STATION P714
- OPERATOR STATION P716
- OPERATOR STATION P717
- OPERATOR STATION P718
- IMPLEMENTS
- IMPLEMENTS P728
- IMPLEMENTS P730
- IMPLEMENTS P732
- IMPLEMENTS P734
- IMPLEMENTS P735
- IMPLEMENTS P736
- IMPLEMENTS P737
- IMPLEMENTS P738
- IMPLEMENTS P739
- IMPLEMENTS P740
- IMPLEMENTS P741
- IMPLEMENTS P742
- IMPLEMENTS P743
- IMPLEMENTS P744
- IMPLEMENTS P746
- IMPLEMENTS P748
- IMPLEMENTS P761
- IMPLEMENTS P762
- IMPLEMENTS P763
- IMPLEMENTS P764
- IMPLEMENTS P765
- IMPLEMENTS P766
- IMPLEMENTS P767
- IMPLEMENTS P768
- IMPLEMENTS P769
- IMPLEMENTS P770
- IMPLEMENTS P771
- IMPLEMENTS P772
- IMPLEMENTS P773
- IMPLEMENTS P774
- IMPLEMENTS P775
- IMPLEMENTS P776
- IMPLEMENTS P777
- BASIC ENGINE C9
-
E345D
- BASIC ENGINE
- BASIC ENGINE P18
- BASIC ENGINE P20
- BASIC ENGINE P21
- BASIC ENGINE P22
- BASIC ENGINE P23
- BASIC ENGINE P24
- BASIC ENGINE P25
- BASIC ENGINE P26
- BASIC ENGINE P27
- BASIC ENGINE P28
- BASIC ENGINE P29
- BASIC ENGINE P30
- BASIC ENGINE P32
- BASIC ENGINE P33
- BASIC ENGINE P34
- BASIC ENGINE P35
- BASIC ENGINE P36
- BASIC ENGINE P37
- BASIC ENGINE P38
- BASIC ENGINE P40
- BASIC ENGINE P41
- BASIC ENGINE P42
- BASIC ENGINE P43
- BASIC ENGINE P44
- BASIC ENGINE P45
- BASIC ENGINE P46
- BASIC ENGINE P48
- BASIC ENGINE P50
- BASIC ENGINE P51
- BASIC ENGINE P52
- BASIC ENGINE P53
- BASIC ENGINE P54
- BASIC ENGINE P55
- BASIC ENGINE P56
- BASIC ENGINE P57
- BASIC ENGINE P58
- BASIC ENGINE P59
- BASIC ENGINE P60
- BASIC ENGINE P61
- BASIC ENGINE P62
- BASIC ENGINE P63
- BASIC ENGINE P64
- BASIC ENGINE P65
- LUBRICATION SYSTEM
- COOLING SYSTEM
- AIR INLET AND EXHAUST SYSTEM
- AIR INLET AND EXHAUST SYSTEM P104
- AIR INLET AND EXHAUST SYSTEM P105
- AIR INLET AND EXHAUST SYSTEM P106
- AIR INLET AND EXHAUST SYSTEM P107
- AIR INLET AND EXHAUST SYSTEM P108
- AIR INLET AND EXHAUST SYSTEM P109
- AIR INLET AND EXHAUST SYSTEM P110
- AIR INLET AND EXHAUST SYSTEM P111
- AIR INLET AND EXHAUST SYSTEM P112
- AIR INLET AND EXHAUST SYSTEM P113
- AIR INLET AND EXHAUST SYSTEM P115
- AIR INLET AND EXHAUST SYSTEM P116
- AIR INLET AND EXHAUST SYSTEM P117
- AIR INLET AND EXHAUST SYSTEM P118
- AIR INLET AND EXHAUST SYSTEM P119
- FUEL SYSTEM
- ELECTRICAL AND STARTING SYSTEM
- ELECTRICAL AND STARTING SYSTEM P136
- ELECTRICAL AND STARTING SYSTEM P138
- ELECTRICAL AND STARTING SYSTEM P140
- ELECTRICAL AND STARTING SYSTEM P142
- ELECTRICAL AND STARTING SYSTEM P144
- ELECTRICAL AND STARTING SYSTEM P146
- ELECTRICAL AND STARTING SYSTEM P148
- ELECTRICAL AND STARTING SYSTEM P150
- ELECTRICAL AND STARTING SYSTEM P152
- ELECTRICAL AND STARTING SYSTEM P153
- ELECTRICAL AND STARTING SYSTEM P154
- ELECTRICAL AND STARTING SYSTEM P155
- ELECTRICAL AND STARTING SYSTEM P156
- ELECTRICAL AND STARTING SYSTEM P158
- ELECTRICAL AND STARTING SYSTEM P160
- ELECTRICAL AND STARTING SYSTEM P162
- ELECTRICAL AND STARTING SYSTEM P164
- ELECTRICAL AND STARTING SYSTEM P166
- ELECTRICAL AND STARTING SYSTEM P168
- ELECTRICAL AND STARTING SYSTEM P170
- ELECTRICAL AND STARTING SYSTEM P172
- ELECTRICAL AND STARTING SYSTEM P173
- ELECTRICAL AND STARTING SYSTEM P174
- ELECTRICAL AND STARTING SYSTEM P176
- ELECTRICAL AND STARTING SYSTEM P178
- ELECTRICAL AND STARTING SYSTEM P179
- ELECTRICAL AND STARTING SYSTEM P180
- ELECTRICAL AND STARTING SYSTEM P182
- ELECTRICAL AND STARTING SYSTEM P184
- ELECTRICAL AND STARTING SYSTEM P185
- ELECTRICAL AND STARTING SYSTEM P187
- ELECTRICAL AND STARTING SYSTEM P188
- ELECTRICAL AND STARTING SYSTEM P189
- ELECTRICAL AND STARTING SYSTEM P190
- ELECTRICAL AND STARTING SYSTEM P192
- ELECTRICAL AND STARTING SYSTEM P193
- ELECTRICAL AND STARTING SYSTEM P194
- ELECTRICAL AND STARTING SYSTEM P196
- ELECTRICAL AND STARTING SYSTEM P198
- ELECTRICAL AND STARTING SYSTEM P199
- ELECTRICAL AND STARTING SYSTEM P200
- ELECTRICAL AND STARTING SYSTEM P202
- ELECTRICAL AND STARTING SYSTEM P204
- ELECTRICAL AND STARTING SYSTEM P205
- ELECTRICAL AND STARTING SYSTEM P206
- ELECTRICAL AND STARTING SYSTEM P207
- ELECTRICAL AND STARTING SYSTEM P208
- ELECTRICAL AND STARTING SYSTEM P210
- ELECTRICAL AND STARTING SYSTEM P212
- ELECTRICAL AND STARTING SYSTEM P214
- ELECTRICAL AND STARTING SYSTEM P216
- ELECTRICAL AND STARTING SYSTEM P218
- ELECTRICAL AND STARTING SYSTEM P219
- ELECTRICAL AND STARTING SYSTEM P220
- ELECTRICAL AND STARTING SYSTEM P222
- ELECTRICAL AND STARTING SYSTEM P224
- ELECTRICAL AND STARTING SYSTEM P226
- ELECTRICAL AND STARTING SYSTEM P228
- ELECTRICAL AND STARTING SYSTEM P230
- ELECTRICAL AND STARTING SYSTEM P232
- ELECTRICAL AND STARTING SYSTEM P233
- ELECTRICAL AND STARTING SYSTEM P234
- ELECTRICAL AND STARTING SYSTEM P235
- ELECTRICAL AND STARTING SYSTEM P236
- ELECTRICAL AND STARTING SYSTEM P237
- ELECTRICAL AND STARTING SYSTEM P240
- ELECTRICAL AND STARTING SYSTEM P241
- ELECTRICAL AND STARTING SYSTEM P242
- ELECTRICAL AND STARTING SYSTEM P243
- ELECTRICAL AND STARTING SYSTEM P244
- ELECTRICAL AND STARTING SYSTEM P246
- ELECTRICAL AND STARTING SYSTEM P248
- ELECTRICAL AND STARTING SYSTEM P250
- ELECTRICAL AND STARTING SYSTEM P252
- ELECTRICAL AND STARTING SYSTEM P254
- ELECTRICAL AND STARTING SYSTEM P256
- ELECTRICAL AND STARTING SYSTEM P257
- ELECTRICAL AND STARTING SYSTEM P258
- ELECTRICAL AND STARTING SYSTEM P259
- ELECTRICAL AND STARTING SYSTEM P260
- ELECTRICAL AND STARTING SYSTEM P261
- ELECTRICAL AND STARTING SYSTEM P262
- ELECTRICAL AND STARTING SYSTEM P263
- ELECTRICAL AND STARTING SYSTEM P264
- ELECTRICAL AND STARTING SYSTEM P266
- ELECTRICAL AND STARTING SYSTEM P267
- ELECTRICAL AND STARTING SYSTEM P268
- ELECTRICAL AND STARTING SYSTEM P270
- ELECTRICAL AND STARTING SYSTEM P272
- ELECTRICAL AND STARTING SYSTEM P273
- ELECTRICAL AND STARTING SYSTEM P274
- ELECTRICAL AND STARTING SYSTEM P276
- ELECTRICAL AND STARTING SYSTEM P278
- ELECTRICAL AND STARTING SYSTEM P280
- ELECTRICAL AND STARTING SYSTEM P282
- ELECTRICAL AND STARTING SYSTEM P284
- ELECTRICAL AND STARTING SYSTEM P286
- ELECTRICAL AND STARTING SYSTEM P288
- ELECTRICAL AND STARTING SYSTEM P289
- ELECTRICAL AND STARTING SYSTEM P290
- ELECTRICAL AND STARTING SYSTEM P291
- ELECTRICAL AND STARTING SYSTEM P292
- ELECTRICAL AND STARTING SYSTEM P293
- ELECTRICAL AND STARTING SYSTEM P294
- ELECTRICAL AND STARTING SYSTEM P295
- ELECTRICAL AND STARTING SYSTEM P296
- ELECTRICAL AND STARTING SYSTEM P297
- ELECTRICAL AND STARTING SYSTEM P298
- ELECTRICAL AND STARTING SYSTEM P299
- ELECTRICAL AND STARTING SYSTEM P300
- ELECTRICAL AND STARTING SYSTEM P301
- ELECTRICAL AND STARTING SYSTEM P302
- POWER TRAIN
- FRAME AND BODY
- FRAME AND BODY P308
- FRAME AND BODY P310
- FRAME AND BODY P312
- FRAME AND BODY P314
- FRAME AND BODY P315
- FRAME AND BODY P316
- FRAME AND BODY P318
- FRAME AND BODY P320
- FRAME AND BODY P322
- FRAME AND BODY P323
- FRAME AND BODY P324
- FRAME AND BODY P325
- FRAME AND BODY P326
- FRAME AND BODY P327
- FRAME AND BODY P328
- FRAME AND BODY P329
- FRAME AND BODY P330
- FRAME AND BODY P332
- FRAME AND BODY P333.01
- FRAME AND BODY P333.03
- FRAME AND BODY P334
- FRAME AND BODY P335
- FRAME AND BODY P336
- FRAME AND BODY P338
- FRAME AND BODY P340
- FRAME AND BODY P341
- FRAME AND BODY P342
- FRAME AND BODY P343
- FRAME AND BODY P344
- FRAME AND BODY P346
- FRAME AND BODY P348
- FRAME AND BODY P350
- FRAME AND BODY P351
- FRAME AND BODY P352
- FRAME AND BODY P353
- FRAME AND BODY P354
- FRAME AND BODY P355
- FRAME AND BODY P356
- FRAME AND BODY P357
- FRAME AND BODY P358
- FRAME AND BODY P359
- FRAME AND BODY P360
- FRAME AND BODY P362
- FRAME AND BODY P363
- FRAME AND BODY P364
- FRAME AND BODY P365
- FRAME AND BODY P367
- FRAME AND BODY P368
- FRAME AND BODY P369
- FRAME AND BODY P370
- FRAME AND BODY P371
- FRAME AND BODY P372
- FRAME AND BODY P373
- FRAME AND BODY P374
- FRAME AND BODY P376
- FRAME AND BODY P380
- FRAME AND BODY P381
- FRAME AND BODY P382
- FRAME AND BODY P384
- FRAME AND BODY P386
- FRAME AND BODY P387
- FRAME AND BODY P388
- FRAME AND BODY P389
- FRAME AND BODY P390
- FRAME AND BODY P391
- FRAME AND BODY P392
- FRAME AND BODY P393
- FRAME AND BODY P394
- FRAME AND BODY P395
- FRAME AND BODY P396
- FRAME AND BODY P397
- FRAME AND BODY P398
- FRAME AND BODY P399
- FRAME AND BODY P400
- FRAME AND BODY P401
- FRAME AND BODY P402
- FRAME AND BODY P403
- FRAME AND BODY P404
- FRAME AND BODY P405
- FRAME AND BODY P406
- FRAME AND BODY P407
- FRAME AND BODY P408
- FRAME AND BODY P409
- FRAME AND BODY P410
- FRAME AND BODY P411
- FRAME AND BODY P412
- FRAME AND BODY P424
- FRAME AND BODY P425
- FRAME AND BODY P426
- FRAME AND BODY P428
- FRAME AND BODY P429
- FRAME AND BODY P430
- HYDRAULIC SYSTEM
- HYDRAULIC SYSTEM P433
- HYDRAULIC SYSTEM P434
- HYDRAULIC SYSTEM P436
- HYDRAULIC SYSTEM P437
- HYDRAULIC SYSTEM P438
- HYDRAULIC SYSTEM P440
- HYDRAULIC SYSTEM P441
- HYDRAULIC SYSTEM P442
- HYDRAULIC SYSTEM P443
- HYDRAULIC SYSTEM P444
- HYDRAULIC SYSTEM P445
- HYDRAULIC SYSTEM P446
- HYDRAULIC SYSTEM P447
- HYDRAULIC SYSTEM P448
- HYDRAULIC SYSTEM P450
- HYDRAULIC SYSTEM P452
- HYDRAULIC SYSTEM P454
- HYDRAULIC SYSTEM P456
- HYDRAULIC SYSTEM P458
- HYDRAULIC SYSTEM P459
- HYDRAULIC SYSTEM P460
- HYDRAULIC SYSTEM P461
- HYDRAULIC SYSTEM P462
- HYDRAULIC SYSTEM P463
- HYDRAULIC SYSTEM P465
- HYDRAULIC SYSTEM P469
- HYDRAULIC SYSTEM P470
- HYDRAULIC SYSTEM P472
- HYDRAULIC SYSTEM P473
- HYDRAULIC SYSTEM P474
- HYDRAULIC SYSTEM P476
- HYDRAULIC SYSTEM P478
- HYDRAULIC SYSTEM P480
- HYDRAULIC SYSTEM P482
- HYDRAULIC SYSTEM P483
- HYDRAULIC SYSTEM P484
- HYDRAULIC SYSTEM P486
- HYDRAULIC SYSTEM P487
- HYDRAULIC SYSTEM P488
- HYDRAULIC SYSTEM P489
- HYDRAULIC SYSTEM P490
- HYDRAULIC SYSTEM P492
- HYDRAULIC SYSTEM P494
- HYDRAULIC SYSTEM P496
- HYDRAULIC SYSTEM P498
- HYDRAULIC SYSTEM P500
- HYDRAULIC SYSTEM P502
- HYDRAULIC SYSTEM P503
- HYDRAULIC SYSTEM P504
- HYDRAULIC SYSTEM P505
- HYDRAULIC SYSTEM P506
- HYDRAULIC SYSTEM P508
- HYDRAULIC SYSTEM P510
- HYDRAULIC SYSTEM P512
- HYDRAULIC SYSTEM P513
- HYDRAULIC SYSTEM P514
- HYDRAULIC SYSTEM P515
- HYDRAULIC SYSTEM P516
- HYDRAULIC SYSTEM P518
- HYDRAULIC SYSTEM P520
- HYDRAULIC SYSTEM P521
- HYDRAULIC SYSTEM P522
- HYDRAULIC SYSTEM P523
- HYDRAULIC SYSTEM P524
- HYDRAULIC SYSTEM P525
- HYDRAULIC SYSTEM P526
- HYDRAULIC SYSTEM P528
- HYDRAULIC SYSTEM P530
- HYDRAULIC SYSTEM P532
- HYDRAULIC SYSTEM P534
- HYDRAULIC SYSTEM P536
- HYDRAULIC SYSTEM P538
- HYDRAULIC SYSTEM P540
- HYDRAULIC SYSTEM P542
- HYDRAULIC SYSTEM P550
- HYDRAULIC SYSTEM P552
- HYDRAULIC SYSTEM P554
- HYDRAULIC SYSTEM P556
- HYDRAULIC SYSTEM P558
- HYDRAULIC SYSTEM P560
- HYDRAULIC SYSTEM P562
- HYDRAULIC SYSTEM P564
- HYDRAULIC SYSTEM P566
- HYDRAULIC SYSTEM P568
- HYDRAULIC SYSTEM P570
- HYDRAULIC SYSTEM P572
- HYDRAULIC SYSTEM P574
- HYDRAULIC SYSTEM P575
- HYDRAULIC SYSTEM P576
- HYDRAULIC SYSTEM P578
- HYDRAULIC SYSTEM P580
- HYDRAULIC SYSTEM P582
- HYDRAULIC SYSTEM P584
- HYDRAULIC SYSTEM P586
- HYDRAULIC SYSTEM P588
- HYDRAULIC SYSTEM P590
- HYDRAULIC SYSTEM P591
- HYDRAULIC SYSTEM P592
- HYDRAULIC SYSTEM P594
- HYDRAULIC SYSTEM P596
- HYDRAULIC SYSTEM P598
- HYDRAULIC SYSTEM P600
- HYDRAULIC SYSTEM P602
- HYDRAULIC SYSTEM P603
- HYDRAULIC SYSTEM P604
- HYDRAULIC SYSTEM P606
- HYDRAULIC SYSTEM P608
- HYDRAULIC SYSTEM P609
- HYDRAULIC SYSTEM P610
- HYDRAULIC SYSTEM P612
- HYDRAULIC SYSTEM P614
- HYDRAULIC SYSTEM P616
- HYDRAULIC SYSTEM P618
- HYDRAULIC SYSTEM P619
- HYDRAULIC SYSTEM P620
- HYDRAULIC SYSTEM P621
- HYDRAULIC SYSTEM P622
- HYDRAULIC SYSTEM P623
- HYDRAULIC SYSTEM P624
- HYDRAULIC SYSTEM P626
- HYDRAULIC SYSTEM P627
- HYDRAULIC SYSTEM P628
- HYDRAULIC SYSTEM P630
- HYDRAULIC SYSTEM P632
- HYDRAULIC SYSTEM P634
- HYDRAULIC SYSTEM P636
- HYDRAULIC SYSTEM P637
- HYDRAULIC SYSTEM P638
- HYDRAULIC SYSTEM P640
- HYDRAULIC SYSTEM P642
- HYDRAULIC SYSTEM P644
- HYDRAULIC SYSTEM P646
- HYDRAULIC SYSTEM P647
- HYDRAULIC SYSTEM P648
- HYDRAULIC SYSTEM P649
- HYDRAULIC SYSTEM P650
- HYDRAULIC SYSTEM P652
- HYDRAULIC SYSTEM P654
- HYDRAULIC SYSTEM P656
- HYDRAULIC SYSTEM P658
- HYDRAULIC SYSTEM P659
- HYDRAULIC SYSTEM P660
- HYDRAULIC SYSTEM P661
- HYDRAULIC SYSTEM P662
- HYDRAULIC SYSTEM P663
- HYDRAULIC SYSTEM P664
- HYDRAULIC SYSTEM P665
- HYDRAULIC SYSTEM P666
- HYDRAULIC SYSTEM P668
- HYDRAULIC SYSTEM P670
- HYDRAULIC SYSTEM P672
- HYDRAULIC SYSTEM P673
- HYDRAULIC SYSTEM P674
- HYDRAULIC SYSTEM P675
- HYDRAULIC SYSTEM P676
- HYDRAULIC SYSTEM P677
- HYDRAULIC SYSTEM P680
- HYDRAULIC SYSTEM P682
- HYDRAULIC SYSTEM P684
- HYDRAULIC SYSTEM P685
- HYDRAULIC SYSTEM P686
- HYDRAULIC SYSTEM P687
- HYDRAULIC SYSTEM P688
- HYDRAULIC SYSTEM P689
- HYDRAULIC SYSTEM P690
- HYDRAULIC SYSTEM P691
- HYDRAULIC SYSTEM P692
- HYDRAULIC SYSTEM P694
- HYDRAULIC SYSTEM P696
- HYDRAULIC SYSTEM P698
- HYDRAULIC SYSTEM P700
- HYDRAULIC SYSTEM P702
- HYDRAULIC SYSTEM P703
- HYDRAULIC SYSTEM P704
- HYDRAULIC SYSTEM P706
- HYDRAULIC SYSTEM P708
- HYDRAULIC SYSTEM P709
- HYDRAULIC SYSTEM P710
- HYDRAULIC SYSTEM P712
- HYDRAULIC SYSTEM P714
- HYDRAULIC SYSTEM P715
- HYDRAULIC SYSTEM P716
- HYDRAULIC SYSTEM P717
- HYDRAULIC SYSTEM P718
- HYDRAULIC SYSTEM P719
- HYDRAULIC SYSTEM P720
- HYDRAULIC SYSTEM P721
- HYDRAULIC SYSTEM P722
- OPERATOR STATION
- OPERATOR STATION P724
- OPERATOR STATION P726
- OPERATOR STATION P728
- OPERATOR STATION P730
- OPERATOR STATION P732
- OPERATOR STATION P734
- OPERATOR STATION P736
- OPERATOR STATION P738
- OPERATOR STATION P739
- OPERATOR STATION P740
- OPERATOR STATION P742
- OPERATOR STATION P744
- OPERATOR STATION P745
- OPERATOR STATION P746
- OPERATOR STATION P748
- OPERATOR STATION P749
- OPERATOR STATION P750
- OPERATOR STATION P751
- OPERATOR STATION P752
- OPERATOR STATION P753
- OPERATOR STATION P754
- OPERATOR STATION P755
- OPERATOR STATION P756
- OPERATOR STATION P757
- OPERATOR STATION P759
- OPERATOR STATION P760
- OPERATOR STATION P762
- OPERATOR STATION P764
- OPERATOR STATION P766
- OPERATOR STATION P767
- OPERATOR STATION P768
- OPERATOR STATION P769
- OPERATOR STATION P770
- OPERATOR STATION P771
- OPERATOR STATION P772
- OPERATOR STATION P775
- OPERATOR STATION P776
- OPERATOR STATION P778
- OPERATOR STATION P780
- OPERATOR STATION P782
- OPERATOR STATION P784
- OPERATOR STATION P785
- OPERATOR STATION P786
- OPERATOR STATION P787
- OPERATOR STATION P789
- OPERATOR STATION P790
- OPERATOR STATION P792
- OPERATOR STATION P794
- OPERATOR STATION P796
- OPERATOR STATION P797
- OPERATOR STATION P798
- OPERATOR STATION P799
- OPERATOR STATION P799.01
- OPERATOR STATION P800
- OPERATOR STATION P800.01
- OPERATOR STATION P801
- OPERATOR STATION P801.01
- OPERATOR STATION P802
- OPERATOR STATION P803
- OPERATOR STATION P804
- OPERATOR STATION P804.01
- OPERATOR STATION P805
- OPERATOR STATION P806
- OPERATOR STATION P807
- OPERATOR STATION P808
- OPERATOR STATION P809
- OPERATOR STATION P812
- OPERATOR STATION P814
- OPERATOR STATION P816
- OPERATOR STATION P818
- OPERATOR STATION P820
- OPERATOR STATION P821
- OPERATOR STATION P822
- OPERATOR STATION P823
- IMPLEMENTS
- IMPLEMENTS P834
- IMPLEMENTS P836
- IMPLEMENTS P838
- IMPLEMENTS P840
- IMPLEMENTS P842
- IMPLEMENTS P844
- IMPLEMENTS P846
- IMPLEMENTS P847
- IMPLEMENTS P848
- IMPLEMENTS P849
- IMPLEMENTS P850
- IMPLEMENTS P851
- IMPLEMENTS P852
- IMPLEMENTS P853
- IMPLEMENTS P854
- IMPLEMENTS P856
- IMPLEMENTS P858
- IMPLEMENTS P860
- IMPLEMENTS P861
- IMPLEMENTS P862
- IMPLEMENTS P863
- IMPLEMENTS P864
- IMPLEMENTS P866
- IMPLEMENTS P878
- IMPLEMENTS P879
- IMPLEMENTS P880
- IMPLEMENTS P881
- IMPLEMENTS P882
- IMPLEMENTS P883
- IMPLEMENTS P884
- IMPLEMENTS P885
- IMPLEMENTS P887
- IMPLEMENTS P888
- IMPLEMENTS P889
- IMPLEMENTS P890
- IMPLEMENTS P891
- IMPLEMENTS P892
- IMPLEMENTS P893
- IMPLEMENTS P894
- BASIC ENGINE
-
E325C
- BASIC ENGINE
- BASIC ENGINE P18
- BASIC ENGINE P19
- BASIC ENGINE P20
- BASIC ENGINE P21
- BASIC ENGINE P22
- BASIC ENGINE P22.01
- BASIC ENGINE P23
- BASIC ENGINE P24
- BASIC ENGINE P26
- BASIC ENGINE P27
- BASIC ENGINE P28
- BASIC ENGINE P29
- BASIC ENGINE P30
- BASIC ENGINE P31
- BASIC ENGINE P32
- BASIC ENGINE P33
- BASIC ENGINE P34
- BASIC ENGINE P36
- BASIC ENGINE P38
- BASIC ENGINE P40
- BASIC ENGINE P42
- BASIC ENGINE P43
- BASIC ENGINE P44
- BASIC ENGINE P45
- BASIC ENGINE P46
- BASIC ENGINE P47
- BASIC ENGINE P48
- BASIC ENGINE P49
- BASIC ENGINE P50
- BASIC ENGINE P51
- BASIC ENGINE P52
- BASIC ENGINE P52.02
- BASIC ENGINE P53
- BASIC ENGINE P54
- BASIC ENGINE P55
- BASIC ENGINE P56
- BASIC ENGINE P57
- BASIC ENGINE P58
- BASIC ENGINE P59
- NOTE No. PART No. QTY PART NAME NOTE No. PART No. QTY PART NAME LUBRICATION SYSTEM
- LUBRICATION SYSTEM P60
- LUBRICATION SYSTEM P61
- LUBRICATION SYSTEM P62
- LUBRICATION SYSTEM P63
- LUBRICATION SYSTEM P64
- LUBRICATION SYSTEM P66
- LUBRICATION SYSTEM P67
- LUBRICATION SYSTEM P68
- LUBRICATION SYSTEM P68.01
- LUBRICATION SYSTEM P69
- LUBRICATION SYSTEM P69.01
- LUBRICATION SYSTEM P70
- LUBRICATION SYSTEM P71
- COOLING SYSTEM
- AIR INLET AND EXHAUST SYSTEM
- AIR INLET AND EXHAUST SYSTEM P92
- AIR INLET AND EXHAUST SYSTEM P93
- AIR INLET AND EXHAUST SYSTEM P95
- AIR INLET AND EXHAUST SYSTEM P96
- AIR INLET AND EXHAUST SYSTEM P98
- AIR INLET AND EXHAUST SYSTEM P100
- AIR INLET AND EXHAUST SYSTEM P101
- AIR INLET AND EXHAUST SYSTEM P102
- AIR INLET AND EXHAUST SYSTEM P103
- AIR INLET AND EXHAUST SYSTEM P104
- AIR INLET AND EXHAUST SYSTEM P105
- AIR INLET AND EXHAUST SYSTEM P106
- FUEL SYSTEM
- FUEL SYSTEM P107
- FUEL SYSTEM P107.01
- FUEL SYSTEM P108
- FUEL SYSTEM P108.01
- FUEL SYSTEM P109
- FUEL SYSTEM P110
- FUEL SYSTEM P111
- FUEL SYSTEM P112
- FUEL SYSTEM P114
- FUEL SYSTEM P115.01
- FUEL SYSTEM P115.03
- FUEL SYSTEM P116
- FUEL SYSTEM P116.01
- FUEL SYSTEM P117
- FUEL SYSTEM P118
- FUEL SYSTEM P118.01
- FUEL SYSTEM P119
- FUEL SYSTEM P120
- FUEL SYSTEM P121
- FUEL SYSTEM P121.01
- FUEL SYSTEM P122
- FUEL SYSTEM P123.01
- ELECTRICAL AND STARTING SYSTEM
- ELECTRICAL AND STARTING SYSTEM P124
- ELECTRICAL AND STARTING SYSTEM P126
- ELECTRICAL AND STARTING SYSTEM P128
- ELECTRICAL AND STARTING SYSTEM P130
- ELECTRICAL AND STARTING SYSTEM P131.01
- ELECTRICAL AND STARTING SYSTEM P131.03
- ELECTRICAL AND STARTING SYSTEM P131.05
- ELECTRICAL AND STARTING SYSTEM P131.07
- ELECTRICAL AND STARTING SYSTEM P131.09
- ELECTRICAL AND STARTING SYSTEM P131.11
- ELECTRICAL AND STARTING SYSTEM P131.13
- ELECTRICAL AND STARTING SYSTEM P131.15
- ELECTRICAL AND STARTING SYSTEM P131.17
- ELECTRICAL AND STARTING SYSTEM P131.19
- ELECTRICAL AND STARTING SYSTEM P131.21
- ELECTRICAL AND STARTING SYSTEM P131.23
- ELECTRICAL AND STARTING SYSTEM P132
- ELECTRICAL AND STARTING SYSTEM P133.01
- ELECTRICAL AND STARTING SYSTEM P134
- ELECTRICAL AND STARTING SYSTEM P135
- ELECTRICAL AND STARTING SYSTEM P136
- ELECTRICAL AND STARTING SYSTEM P136.01
- ELECTRICAL AND STARTING SYSTEM P136.02
- ELECTRICAL AND STARTING SYSTEM P136.03
- ELECTRICAL AND STARTING SYSTEM P136.04
- ELECTRICAL AND STARTING SYSTEM P136.05
- ELECTRICAL AND STARTING SYSTEM P136.06
- ELECTRICAL AND STARTING SYSTEM P136.07
- ELECTRICAL AND STARTING SYSTEM P136.08
- ELECTRICAL AND STARTING SYSTEM P136.09
- ELECTRICAL AND STARTING SYSTEM P137
- ELECTRICAL AND STARTING SYSTEM P138
- ELECTRICAL AND STARTING SYSTEM P139.01
- ELECTRICAL AND STARTING SYSTEM P140
- ELECTRICAL AND STARTING SYSTEM P140.01
- ELECTRICAL AND STARTING SYSTEM P141
- ELECTRICAL AND STARTING SYSTEM P142
- ELECTRICAL AND STARTING SYSTEM P143
- ELECTRICAL AND STARTING SYSTEM P144
- ELECTRICAL AND STARTING SYSTEM P146
- ELECTRICAL AND STARTING SYSTEM P147A
- ELECTRICAL AND STARTING SYSTEM P147C
- ELECTRICAL AND STARTING SYSTEM P147E
- ELECTRICAL AND STARTING SYSTEM P147G
- ELECTRICAL AND STARTING SYSTEM P147.01
- ELECTRICAL AND STARTING SYSTEM P147.03
- ELECTRICAL AND STARTING SYSTEM P148
- ELECTRICAL AND STARTING SYSTEM P150
- ELECTRICAL AND STARTING SYSTEM P151A
- ELECTRICAL AND STARTING SYSTEM P151C
- ELECTRICAL AND STARTING SYSTEM P151E
- ELECTRICAL AND STARTING SYSTEM P151G
- ELECTRICAL AND STARTING SYSTEM P151.01
- ELECTRICAL AND STARTING SYSTEM P151.03
- ELECTRICAL AND STARTING SYSTEM P152
- ELECTRICAL AND STARTING SYSTEM P153
- ELECTRICAL AND STARTING SYSTEM P155
- ELECTRICAL AND STARTING SYSTEM P156
- ELECTRICAL AND STARTING SYSTEM P157
- ELECTRICAL AND STARTING SYSTEM P159
- ELECTRICAL AND STARTING SYSTEM P160
- ELECTRICAL AND STARTING SYSTEM P165
- ELECTRICAL AND STARTING SYSTEM P166
- ELECTRICAL AND STARTING SYSTEM P171
- ELECTRICAL AND STARTING SYSTEM P173
- ELECTRICAL AND STARTING SYSTEM P174
- ELECTRICAL AND STARTING SYSTEM P178
- ELECTRICAL AND STARTING SYSTEM P179
- ELECTRICAL AND STARTING SYSTEM P180
- ELECTRICAL AND STARTING SYSTEM P181.01
- ELECTRICAL AND STARTING SYSTEM P182
- ELECTRICAL AND STARTING SYSTEM P184
- ELECTRICAL AND STARTING SYSTEM P185
- ELECTRICAL AND STARTING SYSTEM P186
- ELECTRICAL AND STARTING SYSTEM P187
- ELECTRICAL AND STARTING SYSTEM P189
- ELECTRICAL AND STARTING SYSTEM P190
- ELECTRICAL AND STARTING SYSTEM P191
- ELECTRICAL AND STARTING SYSTEM P192
- ELECTRICAL AND STARTING SYSTEM P193
- ELECTRICAL AND STARTING SYSTEM P194
- ELECTRICAL AND STAR6TING SYSTEM P19
- ELECTRICAL AND STARTING SYSTEM P197
- ELECTRICAL AND STARTING SYSTEM P197.01
- ELECTRICAL AND STARTING SYSTEM P197.02
- ELECTRICAL AND STARTING SYSTEM P197.03
- ELECTRICAL AND STARTING SYSTEM P199
- ELECTRICAL AND STARTING SYSTEM P200
- ELECTRICAL AND STARTING SYSTEM P201
- ELECTRICAL AND STARTING SYSTEM P202
- ELECTRICAL AND STARTING SYSTEM P204
- ELECTRICAL AND STARTING SYSTEM P206
- ELECTRICAL AND STARTING SYSTEM P208
- ELECTRICAL AND STARTING SYSTEM P211
- ELECTRICAL AND STARTING SYSTEM P212
- ELECTRICAL AND STARTING SYSTEM P214
- ELECTRICAL AND STARTING SYSTEM P215
- ELECTRICAL AND STARTING SYSTEM P216
- ELECTRICAL AND STARTING SYSTEM P217
- ELECTRICAL AND STARTING SYSTEM P218
- ELECTRICAL AND STARTING SYSTEM P220
- ELECTRICAL AND STARTING SYSTEM P221
- ELECTRICAL AND STARTING SYSTEM P222
- ELECTRICAL AND STARTING SYSTEM P223
- ELECTRICAL AND STARTING SYSTEM P224
- ELECTRICAL AND STARTING SYSTEM P225
- ELECTRICAL AND STARTING SYSTEM P226
- ELECTRICAL AND STARTING SYSTEM P228
- ELECTRICAL AND STARTING SYSTEM P229
- ELECTRICAL AND STARTING SYSTEM P230
- ELECTRICAL AND STARTING SYSTEM P231.01
- ELECTRICAL AND STARTING SYSTEM P232
- ELECTRICAL AND STARTING SYSTEM P234
- ELECTRICAL AND STARTING SYSTEM P236
- ELECTRICAL AND STARTING SYSTEM P237
- ELECTRICAL AND STARTING SYSTEM P238
- ELECTRICAL AND STARTING SYSTEM P239
- ELECTRICAL AND STARTING SYSTEM P239.01
- ELECTRICAL AND STARTING SYSTEM P240
- POWER TRAIN
- FRAME AND BODY
- FRAME AND BODY P246
- FRAME AND BODY P248
- FRAME AND BODY P250
- FRAME AND BODY P252
- FRAME AND BODY P254
- FRAME AND BODY P255
- FRAME AND BODY P256
- FRAME AND BODY P257
- FRAME AND BODY P258
- FRAME AND BODY P262
- FRAME AND BODY P264
- FRAME AND BODY P264.01
- FRAME AND BODY P264.02
- FRAME AND BODY P264.03
- FRAME AND BODY P265
- FRAME AND BODY P265.01
- FRAME AND BODY P266
- FRAME AND BODY P267
- FRAME AND BODY P269
- FRAME AND BODY P270
- FRAME AND BODY P272
- FRAME AND BODY P273
- FRAME AND BODY P274
- FRAME AND BODY P275
- FRAME AND BODY P276
- FRAME AND BODY P277
- FRAME AND BODY P278
- FRAME AND BODY P279
- FRAME AND BODY P280
- FRAME AND BODY P281.01
- FRAME AND BODY P282
- FRAME AND BODY P283.01
- FRAME AND BODY P286
- FRAME AND BODY P286.01
- FRAME AND BODY P287
- FRAME AND BODY P288
- FRAME AND BODY P289.01
- FRAME AND BODY P290
- FRAME AND BODY P291.01
- FRAME AND BODY P292
- FRAME AND BODY P292.01
- FRAME AND BODY P293
- FRAME AND BODY P294
- FRAME AND BODY P295
- FRAME AND BODY P296
- FRAME AND BODY P297
- FRAME AND BODY P298
- FRAME AND BODY P298.01
- FRAME AND BODY P299
- FRAME AND BODY P299.01
- FRAME AND BODY P300
- FRAME AND BODY P301
- FRAME AND BODY P301.01
- FRAME AND BODY P302
- FRAME AND BODY P303
- FRAME AND BODY P304
- FRAME AND BODY P305
- FRAME AND BODY P306
- FRAME AND BODY P307
- FRAME AND BODY P308
- FRAME AND BODY P308.01
- FRAME AND BODY P309
- FRAME AND BODY P309.01
- FRAME AND BODY P310
- FRAME AND BODY P311
- FRAME AND BODY P311.01
- FRAME AND BODY P312
- FRAME AND BODY P313
- FRAME AND BODY P317
- FRAME AND BODY P318
- HYDRAULIC SYSTEM
- HYDRAULIC SYSTEM P320
- HYDRAULIC SYSTEM P321
- HYDRAULIC SYSTEM P322
- HYDRAULIC SYSTEM P324
- HYDRAULIC SYSTEM P325.01
- HYDRAULIC SYSTEM P325.03
- HYDRAULIC SYSTEM P325.05
- HYDRAULIC SYSTEM P325.07
- HYDRAULIC SYSTEM P326
- HYDRAULIC SYSTEM P328
- HYDRAULIC SYSTEM P329.01
- HYDRAULIC SYSTEM P329.03
- HYDRAULIC SYSTEM P329.05
- HYDRAULIC SYSTEM P329.07
- HYDRAULIC SYSTEM P329.09
- HYDRAULIC SYSTEM P329.11
- HYDRAULIC SYSTEM P330
- HYDRAULIC SYSTEM P330.01
- HYDRAULIC SYSTEM P331
- HYDRAULIC SYSTEM P331.01
- HYDRAULIC SYSTEM P332
- HYDRAULIC SYSTEM P332.01
- HYDRAULIC SYSTEM P333
- HYDRAULIC SYSTEM P334
- HYDRAULIC SYSTEM P336
- HYDRAULIC SYSTEM P338
- HYDRAULIC SYSTEM P340
- HYDRAULIC SYSTEM P342
- HYDRAULIC SYSTEM P345
- HYDRAULIC SYSTEM P346
- HYDRAULIC SYSTEM P346.01
- HYDRAULIC SYSTEM P347.01
- HYDRAULIC SYSTEM P347.02
- HYDRAULIC SYSTEM P348
- HYDRAULIC SYSTEM P349
- HYDRAULIC SYSTEM P350
- HYDRAULIC SYSTEM P351
- HYDRAULIC SYSTEM P352
- HYDRAULIC SYSTEM P358
- HYDRAULIC SYSTEM P360
- HYDRAULIC SYSTEM P361.01
- HYDRAULIC SYSTEM P362
- HYDRAULIC SYSTEM P364
- HYDRAULIC SYSTEM P366
- HYDRAULIC SYSTEM P368
- HYDRAULIC SYSTEM P368.01
- HYDRAULIC SYSTEM P369
- HYDRAULIC SYSTEM P369.01
- HYDRAULIC SYSTEM P370
- HYDRAULIC SYSTEM P370.01
- HYDRAULIC SYSTEM P371
- HYDRAULIC SYSTEM P372
- HYDRAULIC SYSTEM P373
- HYDRAULIC SYSTEM P374
- HYDRAULIC SYSTEM P376
- HYDRAULIC SYSTEM P378
- HYDRAULIC SYSTEM P379
- HYDRAULIC SYSTEM P380
- HYDRAULIC SYSTEM P381
- HYDRAULIC SYSTEM P382
- HYDRAULIC SYSTEM P383
- HYDRAULIC SYSTEM P384
- HYDRAULIC SYSTEM P386
- HYDRAULIC SYSTEM P394
- HYDRAULIC SYSTEM P396
- HYDRAULIC SYSTEM P398
- HYDRAULIC SYSTEM P400
- HYDRAULIC SYSTEM P402
- HYDRAULIC SYSTEM P404
- HYDRAULIC SYSTEM P406
- HYDRAULIC SYSTEM P408
- HYDRAULIC SYSTEM P410
- HYDRAULIC SYSTEM P412
- HYDRAULIC SYSTEM P414
- HYDRAULIC SYSTEM P416
- HYDRAULIC SYSTEM P418
- HYDRAULIC SYSTEM P420
- HYDRAULIC SYSTEM P422
- HYDRAULIC SYSTEM P423
- HYDRAULIC SYSTEM P424
- HYDRAULIC SYSTEM P425
- HYDRAULIC SYSTEM P426
- HYDRAULIC SYSTEM P428
- HYDRAULIC SYSTEM P429.01
- HYDRAULIC SYSTEM P430
- HYDRAULIC SYSTEM P431.01
- HYDRAULIC SYSTEM P432
- HYDRAULIC SYSTEM P433.01
- HYDRAULIC SYSTEM P433.03
- HYDRAULIC SYSTEM P434
- HYDRAULIC SYSTEM P440
- HYDRAULIC SYSTEM P442
- HYDRAULIC SYSTEM P444
- HYDRAULIC SYSTEM P446
- HYDRAULIC SYSTEM P448
- HYDRAULIC SYSTEM P450
- HYDRAULIC SYSTEM P452
- HYDRAULIC SYSTEM P454
- HYDRAULIC SYSTEM P456
- HYDRAULIC SYSTEM P458
- HYDRAULIC SYSTEM P460
- HYDRAULIC SYSTEM P462
- HYDRAULIC SYSTEM P464
- HYDRAULIC SYSTEM P466
- HYDRAULIC SYSTEM P468
- HYDRAULIC SYSTEM P469.01
- HYDRAULIC SYSTEM P469.03
- HYDRAULIC SYSTEM P470
- HYDRAULIC SYSTEM P472
- HYDRAULIC SYSTEM P473.01
- HYDRAULIC SYSTEM P473.03
- HYDRAULIC SYSTEM P474
- HYDRAULIC SYSTEM P476
- HYDRAULIC SYSTEM P478
- HYDRAULIC SYSTEM P480
- HYDRAULIC SYSTEM P481.01
- HYDRAULIC SYSTEM P481.03
- HYDRAULIC SYSTEM P482
- HYDRAULIC SYSTEM P484
- HYDRAULIC SYSTEM P486
- HYDRAULIC SYSTEM P488
- HYDRAULIC SYSTEM P489
- HYDRAULIC SYSTEM P490
- HYDRAULIC SYSTEM P492
- HYDRAULIC SYSTEM P493
- HYDRAULIC SYSTEM P494
- HYDRAULIC SYSTEM P496
- HYDRAULIC SYSTEM P497
- HYDRAULIC SYSTEM P497.01
- HYDRAULIC SYSTEM P497.02
- HYDRAULIC SYSTEM P498
- HYDRAULIC SYSTEM P500
- HYDRAULIC SYSTEM P501.01
- HYDRAULIC SYSTEM P502
- HYDRAULIC SYSTEM P504
- HYDRAULIC SYSTEM P506
- HYDRAULIC SYSTEM P507
- HYDRAULIC SYSTEM P508
- HYDRAULIC SYSTEM P509
- HYDRAULIC SYSTEM P510
- HYDRAULIC SYSTEM P511
- HYDRAULIC SYSTEM P512
- HYDRAULIC SYSTEM P513
- HYDRAULIC SYSTEM P514
- HYDRAULIC SYSTEM P516
- HYDRAULIC SYSTEM P518
- HYDRAULIC SYSTEM P520
- HYDRAULIC SYSTEM P521
- HYDRAULIC SYSTEM P521.01
- HYDRAULIC SYSTEM P522
- HYDRAULIC SYSTEM P522.01
- HYDRAULIC SYSTEM P523
- HYDRAULIC SYSTEM P523.01
- HYDRAULIC SYSTEM P524
- HYDRAULIC SYSTEM P525.01
- HYDRAULIC SYSTEM P525.03
- HYDRAULIC SYSTEM P526
- HYDRAULIC SYSTEM P528
- HYDRAULIC SYSTEM P529.01
- HYDRAULIC SYSTEM P529.03
- HYDRAULIC SYSTEM P530
- HYDRAULIC SYSTEM P532
- HYDRAULIC SYSTEM P533.01
- HYDRAULIC SYSTEM P533.03
- HYDRAULIC SYSTEM P533.05
- HYDRAULIC SYSTEM P533.07
- HYDRAULIC SYSTEM P533.09
- HYDRAULIC SYSTEM P533.11
- HYDRAULIC SYSTEM P534
- HYDRAULIC SYSTEM P536
- HYDRAULIC SYSTEM P537.01
- HYDRAULIC SYSTEM P537.03
- HYDRAULIC SYSTEM P539
- HYDRAULIC SYSTEM P540
- HYDRAULIC SYSTEM P542
- HYDRAULIC SYSTEM P543
- HYDRAULIC SYSTEM P544
- HYDRAULIC SYSTEM P544.01
- HYDRAULIC SYSTEM P545
- HYDRAULIC SYSTEM P546
- HYDRAULIC SYSTEM P547
- HYDRAULIC SYSTEM P548
- HYDRAULIC SYSTEM P549
- HYDRAULIC SYSTEM P550
- HYDRAULIC SYSTEM P551.01
- HYDRAULIC SYSTEM P552
- HYDRAULIC SYSTEM P553
- HYDRAULIC SYSTEM P555
- HYDRAULIC SYSTEM P556
- HYDRAULIC SYSTEM P558
- HYDRAULIC SYSTEM P559.01
- HYDRAULIC SYSTEM P561
- HYDRAULIC SYSTEM P562
- HYDRAULIC SYSTEM P564
- HYDRAULIC SYSTEM P564.01
- HYDRAULIC SYSTEM P565
- HYDRAULIC SYSTEM P566
- HYDRAULIC SYSTEM P567
- HYDRAULIC SYSTEM P568
- HYDRAULIC SYSTEM P569
- HYDRAULIC SYSTEM P570
- HYDRAULIC SYSTEM P571
- HYDRAULIC SYSTEM P572
- HYDRAULIC SYSTEM P573
- HYDRAULIC SYSTEM P574
- HYDRAULIC SYSTEM P575
- HYDRAULIC SYSTEM P576
- HYDRAULIC SYSTEM P577
- HYDRAULIC SYSTEM P578
- HYDRAULIC SYSTEM P579.01
- HYDRAULIC SYSTEM P579.03
- HYDRAULIC SYSTEM P580
- HYDRAULIC SYSTEM P582
- HYDRAULIC SYSTEM P584
- HYDRAULIC SYSTEM P585.01
- HYDRAULIC SYSTEM P586
- HYDRAULIC SYSTEM P587.01
- HYDRAULIC SYSTEM P588
- HYDRAULIC SYSTEM P590
- HYDRAULIC SYSTEM P591
- HYDRAULIC SYSTEM P592
- HYDRAULIC SYSTEM P593
- HYDRAULIC SYSTEM P594
- HYDRAULIC SYSTEM P595
- OPERATOR STATION
- OPERATOR STATION P596
- OPERATOR STATION P597
- OPERATOR STATION P600
- OPERATOR STATION P602
- OPERATOR STATION P604
- OPERATOR STATION P606
- OPERATOR STATION P608
- OPERATOR STATION P610
- OPERATOR STATION P612
- OPERATOR STATION P614
- OPERATOR STATION P615
- OPERATOR STATION P616
- OPERATOR STATION P618
- OPERATOR STATION P620
- OPERATOR STATION P621
- OPERATOR STATION P622
- OPERATOR STATION P624
- OPERATOR STATION P626
- OPERATOR STATION P627
- OPERATOR STATION P628
- OPERATOR STATION P629
- OPERATOR STATION P630
- OPERATOR STATION P630.01
- OPERATOR STATION P631
- OPERATOR STATION P632
- OPERATOR STATION P633
- OPERATOR STATION P634
- OPERATOR STATION P635
- OPERATOR STATION P636
- OPERATOR STATION P637
- OPERATOR STATION P638
- OPERATOR STATION P640
- OPERATOR STATION P642
- OPERATOR STATION P643
- OPERATOR STATION P644
- OPERATOR STATION P646
- OPERATOR STATION P647
- OPERATOR STATION P649
- OPERATOR STATION P650
- OPERATOR STATION P652
- OPERATOR STATION P654
- OPERATOR STATION P655
- OPERATOR STATION P656
- OPERATOR STATION P657
- OPERATOR STATION P658
- OPERATOR STATION P659
- OPERATOR STATION P659.01
- OPERATOR STATION P660
- OPERATOR STATION P661
- OPERATOR STATION P662
- OPERATOR STATION P663
- OPERATOR STATION P664
- OPERATOR STATION P665
- OPERATOR STATION P666
- OPERATOR STATION P666.01
- OPERATOR STATION P667
- OPERATOR STATION P668
- OPERATOR STATION P669
- OPERATOR STATION P670
- OPERATOR STATION P671
- OPERATOR STATION P672
- OPERATOR STATION P676
- OPERATOR STATION P678
- OPERATOR STATION P680
- OPERATOR STATION P682
- OPERATOR STATION P684
- OPERATOR STATION P686
- OPERATOR STATION P688
- OPERATOR STATION P692
- OPERATOR STATION P694
- OPERATOR STATION P696
- OPERATOR STATION P698
- OPERATOR STATION P700
- OPERATOR STATION P701
- OPERATOR STATION P701.01
- IMPLEMENTS
- IMPLEMENTS P710
- IMPLEMENTS P712
- IMPLEMENTS P714
- IMPLEMENTS P716
- IMPLEMENTS P717
- IMPLEMENTS P718
- IMPLEMENTS P719
- IMPLEMENTS P720
- IMPLEMENTS P721
- IMPLEMENTS P722
- IMPLEMENTS P723
- IMPLEMENTS P724
- IMPLEMENTS P725
- IMPLEMENTS P726
- IMPLEMENTS P727
- IMPLEMENTS P728
- IMPLEMENTS P729
- IMPLEMENTS P730
- IMPLEMENTS P731
- IMPLEMENTS P732
- IMPLEMENTS P733
- IMPLEMENTS P734
- IMPLEMENTS P735
- IMPLEMENTS P744
- IMPLEMENTS P745
- IMPLEMENTS P746
- IMPLEMENTS P747
- IMPLEMENTS P748
- IMPLEMENTS P749
- IMPLEMENTS P750
- IMPLEMENTS P751
- IMPLEMENTS P752
- IMPLEMENTS P753
- IMPLEMENTS P754
- IMPLEMENTS P755
- IMPLEMENTS P757
- IMPLEMENTS P758
- IMPLEMENTS P759
- IMPLEMENTS P760
- BASIC ENGINE
-
E336D
- BASIC ENGINE
- BASIC ENGINE P17
- BASIC ENGINE P18
- BASIC ENGINE P20
- BASIC ENGINE P22
- BASIC ENGINE P23
- BASIC ENGINE P24
- BASIC ENGINE P25
- BASIC ENGINE P26
- BASIC ENGINE P27
- BASIC ENGINE P28
- BASIC ENGINE P30
- BASIC ENGINE P32
- BASIC ENGINE P33
- BASIC ENGINE P34
- BASIC ENGINE P35
- BASIC ENGINE P36
- BASIC ENGINE P37
- BASIC ENGINE P38
- BASIC ENGINE P39
- BASIC ENGINE P40
- BASIC ENGINE P41
- BASIC ENGINE P42
- BASIC ENGINE P44
- BASIC ENGINE P46
- BASIC ENGINE P48
- BASIC ENGINE P49
- BASIC ENGINE P50
- BASIC ENGINE P52
- BASIC ENGINE P54
- BASIC ENGINE P55
- BASIC ENGINE P56
- BASIC ENGINE P58
- BASIC ENGINE P60
- BASIC ENGINE P61
- BASIC ENGINE P62
- LUBRICATION SYSTEM
- COOLING SYSTEM
- AIR INLET AND EXHAUST SYSTEM
- AIR INLET AND EXHAUST SYSTEM P88
- AIR INLET AND EXHAUST SYSTEM P89
- AIR INLET AND EXHAUST SYSTEM P90
- AIR INLET AND EXHAUST SYSTEM P91
- AIR INLET AND EXHAUST SYSTEM P92
- AIR INLET AND EXHAUST SYSTEM P93
- AIR INLET AND EXHAUST SYSTEM P94
- AIR INLET AND EXHAUST SYSTEM P96
- AIR INLET AND EXHAUST SYSTEM P97
- AIR INLET AND EXHAUST SYSTEM P98
- AIR INLET AND EXHAUST SYSTEM P100
- FUEL SYSTEM
- ELECTRICAL AND STARTING SYSTEM
- ELECTRICAL AND STARTING SYSTEM P122
- ELECTRICAL AND STARTING SYSTEM P124
- ELECTRICAL AND STARTING SYSTEM P126
- ELECTRICAL AND STARTING SYSTEM P128
- ELECTRICAL AND STARTING SYSTEM P130
- ELECTRICAL AND STARTING SYSTEM P132
- ELECTRICAL AND STARTING SYSTEM P134
- ELECTRICAL AND STARTING SYSTEM P136
- ELECTRICAL AND STARTING SYSTEM P138
- ELECTRICAL AND STARTING SYSTEM P140
- ELECTRICAL AND STARTING SYSTEM P141
- ELECTRICAL AND STARTING SYSTEM P142
- ELECTRICAL AND STARTING SYSTEM P143
- ELECTRICAL AND STARTING SYSTEM P144
- ELECTRICAL AND STARTING SYSTEM P145
- ELECTRICAL AND STARTING SYSTEM P146
- ELECTRICAL AND STARTING SYSTEM P148
- ELECTRICAL AND STARTING SYSTEM P150
- ELECTRICAL AND STARTING SYSTEM P152
- ELECTRICAL AND STARTING SYSTEM P154
- ELECTRICAL AND STARTING SYSTEM P156
- ELECTRICAL AND STARTING SYSTEM P158
- ELECTRICAL AND STARTING SYSTEM P160
- ELECTRICAL AND STARTING SYSTEM P162
- ELECTRICAL AND STARTING SYSTEM P164
- ELECTRICAL AND STARTING SYSTEM P166
- ELECTRICAL AND STARTING SYSTEM P168
- ELECTRICAL AND STARTING SYSTEM P169
- ELECTRICAL AND STARTING SYSTEM P170
- ELECTRICAL AND STARTING SYSTEM P172
- ELECTRICAL AND STARTING SYSTEM P173
- ELECTRICAL AND STARTING SYSTEM P174
- ELECTRICAL AND STARTING SYSTEM P176
- ELECTRICAL AND STARTING SYSTEM P178
- ELECTRICAL AND STARTING SYSTEM P179
- ELECTRICAL AND STARTING SYSTEM P180
- ELECTRICAL AND STARTING SYSTEM P182
- ELECTRICAL AND STARTING SYSTEM P184
- ELECTRICAL AND STARTING SYSTEM P186
- ELECTRICAL AND STARTING SYSTEM P188
- ELECTRICAL AND STARTING SYSTEM P189
- ELECTRICAL AND STARTING SYSTEM P190
- ELECTRICAL AND STARTING SYSTEM P192
- ELECTRICAL AND STARTING SYSTEM P194
- ELECTRICAL AND STARTING SYSTEM P195
- ELECTRICAL AND STARTING SYSTEM P196
- ELECTRICAL AND STARTING SYSTEM P198
- ELECTRICAL AND STARTING SYSTEM P199
- ELECTRICAL AND STARTING SYSTEM P200
- ELECTRICAL AND STARTING SYSTEM P202
- ELECTRICAL AND STARTING SYSTEM P204
- ELECTRICAL AND STARTING SYSTEM P206
- ELECTRICAL AND STARTING SYSTEM P208
- ELECTRICAL AND STARTING SYSTEM P210
- ELECTRICAL AND STARTING SYSTEM P212
- ELECTRICAL AND STARTING SYSTEM P214
- ELECTRICAL AND STARTING SYSTEM P216
- ELECTRICAL AND STARTING SYSTEM P218
- ELECTRICAL AND STARTING SYSTEM P220
- ELECTRICAL AND STARTING SYSTEM P222
- ELECTRICAL AND STARTING SYSTEM P224
- ELECTRICAL AND STARTING SYSTEM P225
- ELECTRICAL AND STARTING SYSTEM P228
- ELECTRICAL AND STARTING SYSTEM P229
- ELECTRICAL AND STARTING SYSTEM P231
- ELECTRICAL AND STARTING SYSTEM P232
- ELECTRICAL AND STARTING SYSTEM P233
- ELECTRICAL AND STARTING SYSTEM P234
- ELECTRICAL AND STARTING SYSTEM P235
- ELECTRICAL AND STARTING SYSTEM P236
- ELECTRICAL AND STARTING SYSTEM P237
- ELECTRICAL AND STARTING SYSTEM P238
- ELECTRICAL AND STARTING SYSTEM P240
- ELECTRICAL AND STARTING SYSTEM P241
- ELECTRICAL AND STARTING SYSTEM P242
- 电气和启动系统 P243
- ELECTRICAL AND STARTING SYSTEM P244
- ELECTRICAL AND STARTING SYSTEM P245
- ELECTRICAL AND STARTING SYSTEM P246
- ELECTRICAL AND STARTING SYSTEM P247
- ELECTRICAL AND STARTING SYSTEM P248
- ELECTRICAL AND STARTING SYSTEM P249
- ELECTRICAL AND STARTING SYSTEM P250
- ELECTRICAL AND STARTING SYSTEM P251
- ELECTRICAL AND STARTING SYSTEM P252
- ELECTRICAL AND STARTING SYSTEM P253
- ELECTRICAL AND STARTING SYSTEM P254
- ELECTRICAL AND STARTING SYSTEM P256
- ELECTRICAL AND STARTING SYSTEM P258
- ELECTRICAL AND STARTING SYSTEM P260
- ELECTRICAL AND STARTING SYSTEM P262
- ELECTRICAL AND STARTING SYSTEM P264
- ELECTRICAL AND STARTING SYSTEM P265
- ELECTRICAL AND STARTING SYSTEM P266
- ELECTRICAL AND STARTING SYSTEM P267
- ELECTRICAL AND STARTING SYSTEM P268
- ELECTRICAL AND STARTING SYSTEM P269
- ELECTRICAL AND STARTING SYSTEM P270
- ELECTRICAL AND STARTING SYSTEM P271
- ELECTRICAL AND STARTING SYSTEM P272
- POWER TRAIN
- FRAME AND BODY
- FRAME AND BODY P278
- FRAME AND BODY P280
- FRAME AND BODY P282
- FRAME AND BODY P284
- FRAME AND BODY P286
- FRAME AND BODY P288
- FRAME AND BODY P290
- FRAME AND BODY P291
- FRAME AND BODY P292
- FRAME AND BODY P293
- FRAME AND BODY P294
- FRAME AND BODY P295
- FRAME AND BODY P296
- FRAME AND BODY P297
- FRAME AND BODY P298
- FRAME AND BODY P299
- FRAME AND BODY P300
- FRAME AND BODY P301
- FRAME AND BODY P302
- FRAME AND BODY P303
- FRAME AND BODY P304
- FRAME AND BODY P305
- FRAME AND BODY P306
- FRAME AND BODY P307
- FRAME AND BODY P308
- FRAME AND BODY P309
- FRAME AND BODY P310
- FRAME AND BODY P311
- FRAME AND BODY P312
- FRAME AND BODY P313
- FRAME AND BODY P314
- FRAME AND BODY P316
- FRAME AND BODY P317
- FRAME AND BODY P318
- FRAME AND BODY P319
- FRAME AND BODY P320
- FRAME AND BODY P321
- FRAME AND BODY P322
- FRAME AND BODY P323
- FRAME AND BODY P324
- FRAME AND BODY P325
- FRAME AND BODY P326
- FRAME AND BODY P327
- FRAME AND BODY P328
- FRAME AND BODY P330
- FRAME AND BODY P333
- FRAME AND BODY P334
- FRAME AND BODY P336
- FRAME AND BODY P339
- FRAME AND BODY P340
- FRAME AND BODY P342
- FRAME AND BODY P344
- FRAME AND BODY P346
- FRAME AND BODY P347
- FRAME AND BODY P348
- FRAME AND BODY P349
- FRAME AND BODY P350
- FRAME AND BODY P351
- FRAME AND BODY P352
- FRAME AND BODY P353
- FRAME AND BODY P354
- FRAME AND BODY P355
- FRAME AND BODY P356
- FRAME AND BODY P357
- FRAME AND BODY P358
- FRAME AND BODY P359
- FRAME AND BODY P360
- FRAME AND BODY P361
- FRAME AND BODY P362
- FRAME AND BODY P363
- FRAME AND BODY P364
- FRAME AND BODY P365
- FRAME AND BODY P366
- FRAME AND BODY P367
- FRAME AND BODY P368
- FRAME AND BODY P369
- FRAME AND BODY P370
- FRAME AND BODY P371
- FRAME AND BODY P372
- FRAME AND BODY P373
- FRAME AND BODY P379
- FRAME AND BODY P380
- HYDRAULIC SYSTEM
- HYDRAULIC SYSTEM P381
- HYDRAULIC SYSTEM P382
- HYDRAULIC SYSTEM P384
- HYDRAULIC SYSTEM P386
- HYDRAULIC SYSTEM P387
- HYDRAULIC SYSTEM P388
- HYDRAULIC SYSTEM P389
- HYDRAULIC SYSTEM P390
- HYDRAULIC SYSTEM P391
- HYDRAULIC SYSTEM P392
- HYDRAULIC SYSTEM P393
- HYDRAULIC SYSTEM P394
- HYDRAULIC SYSTEM P395
- HYDRAULIC SYSTEM P396
- HYDRAULIC SYSTEM P398
- HYDRAULIC SYSTEM P400
- HYDRAULIC SYSTEM P402
- HYDRAULIC SYSTEM P404
- HYDRAULIC SYSTEM P406
- HYDRAULIC SYSTEM P407
- HYDRAULIC SYSTEM P408
- HYDRAULIC SYSTEM P413
- HYDRAULIC SYSTEM P414
- HYDRAULIC SYSTEM P415
- HYDRAULIC SYSTEM P416
- HYDRAULIC SYSTEM P418
- HYDRAULIC SYSTEM P420
- HYDRAULIC SYSTEM P422
- HYDRAULIC SYSTEM P424
- HYDRAULIC SYSTEM P426
- HYDRAULIC SYSTEM P427
- HYDRAULIC SYSTEM P428
- HYDRAULIC SYSTEM P430
- HYDRAULIC SYSTEM P431
- HYDRAULIC SYSTEM P432
- HYDRAULIC SYSTEM P433
- HYDRAULIC SYSTEM P434
- HYDRAULIC SYSTEM P436
- HYDRAULIC SYSTEM P438
- HYDRAULIC SYSTEM P439
- HYDRAULIC SYSTEM P440
- HYDRAULIC SYSTEM P441
- HYDRAULIC SYSTEM P442
- HYDRAULIC SYSTEM P444
- HYDRAULIC SYSTEM P446
- HYDRAULIC SYSTEM P448
- HYDRAULIC SYSTEM P449
- HYDRAULIC SYSTEM P450
- HYDRAULIC SYSTEM P451
- HYDRAULIC SYSTEM P452
- HYDRAULIC SYSTEM P454
- HYDRAULIC SYSTEM P456
- HYDRAULIC SYSTEM P458
- HYDRAULIC SYSTEM P460
- HYDRAULIC SYSTEM P462
- HYDRAULIC SYSTEM P464
- HYDRAULIC SYSTEM P466
- HYDRAULIC SYSTEM P468
- HYDRAULIC SYSTEM P469
- HYDRAULIC SYSTEM P470
- HYDRAULIC SYSTEM P472
- HYDRAULIC SYSTEM P474
- HYDRAULIC SYSTEM P476
- HYDRAULIC SYSTEM P478
- HYDRAULIC SYSTEM P480
- HYDRAULIC SYSTEM P482
- HYDRAULIC SYSTEM P484
- HYDRAULIC SYSTEM P486
- HYDRAULIC SYSTEM P488
- HYDRAULIC SYSTEM P490
- HYDRAULIC SYSTEM P498
- HYDRAULIC SYSTEM P500
- HYDRAULIC SYSTEM P502
- HYDRAULIC SYSTEM P504
- HYDRAULIC SYSTEM P506
- HYDRAULIC SYSTEM P507
- HYDRAULIC SYSTEM P508
- HYDRAULIC SYSTEM P510
- HYDRAULIC SYSTEM P512
- HYDRAULIC SYSTEM P514
- HYDRAULIC SYSTEM P516
- HYDRAULIC SYSTEM P518
- HYDRAULIC SYSTEM P520
- HYDRAULIC SYSTEM P522
- HYDRAULIC SYSTEM P524
- HYDRAULIC SYSTEM P526
- HYDRAULIC SYSTEM P528
- HYDRAULIC SYSTEM P530
- HYDRAULIC SYSTEM P532
- HYDRAULIC SYSTEM P534
- HYDRAULIC SYSTEM P536
- HYDRAULIC SYSTEM P538
- HYDRAULIC SYSTEM P540
- HYDRAULIC SYSTEM P542
- HYDRAULIC SYSTEM P544
- HYDRAULIC SYSTEM P546
- HYDRAULIC SYSTEM P548
- HYDRAULIC SYSTEM P550
- HYDRAULIC SYSTEM P552
- HYDRAULIC SYSTEM P553
- HYDRAULIC SYSTEM P554
- HYDRAULIC SYSTEM P556
- HYDRAULIC SYSTEM P558
- HYDRAULIC SYSTEM P559
- HYDRAULIC SYSTEM P560
- HYDRAULIC SYSTEM P562
- HYDRAULIC SYSTEM P563
- HYDRAULIC SYSTEM P564
- HYDRAULIC SYSTEM P565
- HYDRAULIC SYSTEM P566
- HYDRAULIC SYSTEM P568
- HYDRAULIC SYSTEM P570
- HYDRAULIC SYSTEM P571
- HYDRAULIC SYSTEM P572
- HYDRAULIC SYSTEM P573
- HYDRAULIC SYSTEM P574
- HYDRAULIC SYSTEM P575
- HYDRAULIC SYSTEM P576
- HYDRAULIC SYSTEM P577
- HYDRAULIC SYSTEM P578
- HYDRAULIC SYSTEM P579
- HYDRAULIC SYSTEM P580
- HYDRAULIC SYSTEM P582
- HYDRAULIC SYSTEM P584
- HYDRAULIC SYSTEM P586
- HYDRAULIC SYSTEM P588
- HYDRAULIC SYSTEM P590
- HYDRAULIC SYSTEM P591
- HYDRAULIC SYSTEM P592
- HYDRAULIC SYSTEM P593
- HYDRAULIC SYSTEM P594
- HYDRAULIC SYSTEM P596
- HYDRAULIC SYSTEM P597
- HYDRAULIC SYSTEM P598
- HYDRAULIC SYSTEM P600
- HYDRAULIC SYSTEM P602
- HYDRAULIC SYSTEM P604
- HYDRAULIC SYSTEM P606
- HYDRAULIC SYSTEM P608
- HYDRAULIC SYSTEM P610
- HYDRAULIC SYSTEM P612
- HYDRAULIC SYSTEM P614
- HYDRAULIC SYSTEM P616
- HYDRAULIC SYSTEM P617
- HYDRAULIC SYSTEM P618
- HYDRAULIC SYSTEM P619
- HYDRAULIC SYSTEM P620
- HYDRAULIC SYSTEM P622
- HYDRAULIC SYSTEM P623
- HYDRAULIC SYSTEM P624
- HYDRAULIC SYSTEM P626
- HYDRAULIC SYSTEM P628
- HYDRAULIC SYSTEM P630
- HYDRAULIC SYSTEM P632
- HYDRAULIC SYSTEM P634
- HYDRAULIC SYSTEM P635
- HYDRAULIC SYSTEM P636
- HYDRAULIC SYSTEM P637
- HYDRAULIC SYSTEM P638
- HYDRAULIC SYSTEM P640
- HYDRAULIC SYSTEM P642
- HYDRAULIC SYSTEM P644
- HYDRAULIC SYSTEM P646
- HYDRAULIC SYSTEM P648
- HYDRAULIC SYSTEM P649
- HYDRAULIC SYSTEM P650
- HYDRAULIC SYSTEM P652
- HYDRAULIC SYSTEM P654
- HYDRAULIC SYSTEM P655
- HYDRAULIC SYSTEM P656
- HYDRAULIC SYSTEM P657
- HYDRAULIC SYSTEM P658
- HYDRAULIC SYSTEM P659
- OPERATOR STATION
- OPERATOR STATION P660
- OPERATOR STATION P662
- OPERATOR STATION P664
- OPERATOR STATION P666
- OPERATOR STATION P668
- OPERATOR STATION P669
- OPERATOR STATION P670
- OPERATOR STATION P672
- OPERATOR STATION P674
- OPERATOR STATION P675
- OPERATOR STATION P676
- OPERATOR STATION P678
- OPERATOR STATION P679
- OPERATOR STATION P680
- OPERATOR STATION P681
- OPERATOR STATION P682
- OPERATOR STATION P683
- OPERATOR STATION P684
- OPERATOR STATION P685
- OPERATOR STATION P686
- OPERATOR STATION P690
- OPERATOR STATION P692
- OPERATOR STATION P693
- OPERATOR STATION P694
- OPERATOR STATION P696
- OPERATOR STATION P698
- OPERATOR STATION P699
- OPERATOR STATION P700
- OPERATOR STATION P702
- OPERATOR STATION P704
- OPERATOR STATION P706
- OPERATOR STATION P708
- OPERATOR STATION P709
- OPERATOR STATION P710
- OPERATOR STATION P712
- OPERATOR STATION P713
- OPERATOR STATION P714
- OPERATOR STATION P715
- OPERATOR STATION P717
- OPERATOR STATION P718
- OPERATOR STATION P719
- OPERATOR STATION P720
- OPERATOR STATION P724
- OPERATOR STATION P726
- OPERATOR STATION P728
- OPERATOR STATION P729
- OPERATOR STATION P730
- OPERATOR STATION P732
- OPERATOR STATION P733
- OPERATOR STATION P734
- OPERATOR STATION P735
- OPERATOR STATION P736
- OPERATOR STATION P737
- OPERATOR STATION P738
- OPERATOR STATION P739
- OPERATOR STATION P740
- OPERATOR STATION P741
- OPERATOR STATION P742
- OPERATOR STATION P743
- OPERATOR STATION P744
- OPERATOR STATION P745
- OPERATOR STATION P750
- OPERATOR STATION P752
- OPERATOR STATION P754
- OPERATOR STATION P756
- OPERATOR STATION P758
- OPERATOR STATION P760
- OPERATOR STATION P762
- OPERATOR STATION P764
- OPERATOR STATION P765
- OPERATOR STATION P766
- IMPLEMENTS
- IMPLEMENTS P776
- IMPLEMENTS P778
- IMPLEMENTS P780
- IMPLEMENTS P782
- IMPLEMENTS P783
- IMPLEMENTS P784
- IMPLEMENTS P785
- IMPLEMENTS P786
- IMPLEMENTS P787
- IMPLEMENTS P788
- IMPLEMENTS P789
- IMPLEMENTS P790
- IMPLEMENTS P791
- IMPLEMENTS P792
- IMPLEMENTS P794
- IMPLEMENTS P796
- IMPLEMENTS P808
- IMPLEMENTS P809
- IMPLEMENTS P810
- IMPLEMENTS P811
- IMPLEMENTS P812
- IMPLEMENTS P813
- IMPLEMENTS P814
- IMPLEMENTS P815
- IMPLEMENTS P816
- IMPLEMENTS P817
- IMPLEMENTS P818
- IMPLEMENTS P819
- IMPLEMENTS P820
- IMPLEMENTS P821
- IMPLEMENTS P822
- IMPLEMENTS P823
- IMPLEMENTS P824
- BASIC ENGINE
-
E307B
- BASIC ENGINE
- LUBRICATION SYSTEM
- COOLING SYSTEM
- AIR INLET AND EXHAUST SYSTEM
- AIR INLET AND EXHAUST SYSTEM P49
- AIR INLET AND EXHAUST SYSTEM P50
- AIR INLET AND EXHAUST SYSTEM P51
- AIR INLET AND EXHAUST SYSTEM P52
- AIR INLET AND EXHAUST SYSTEM P53
- AIR INLET AND EXHAUST SYSTEM P54
- AIR INLET AND EXHAUST SYSTEM P55
- AIR INLET AND EXHAUST SYSTEM P56
- AIR INLET AND EXHAUST SYSTEM P57
- AIR INLET AND EXHAUST SYSTEM P58
- AIR INLET AND EXHAUST SYSTEM P59
- FUEL SYSTEM
- FUFL SYSTEM P60
- FUFL SYSTEM P61
- FUFL SYSTEM P62
- FUFL SYSTEM P65
- FUFL SYSTEM P67
- FUFL SYSTEM P69
- FUFL SYSTEM P71
- FUFL SYSTEM P73
- FUFL SYSTEM P75
- FUFL SYSTEM P77
- FUFL SYSTEM P79
- FUFL SYSTEM P81
- FUFL SYSTEM P82
- FUFL SYSTEM P83
- FUFL SYSTEM P84
- FUFL SYSTEM P85
- FUFL SYSTEM P87
- FUFL SYSTEM P89
- FUFL SYSTEM P91
- FUFL SYSTEM P93
- FUFL SYSTEM P94
- FUFL SYSTEM P95
- FUFL SYSTEM P96
- FUFL SYSTEM P97
- FUFL SYSTEM P99
- FUFL SYSTEM P101
- FUFL SYSTEM P103
- FUFL SYSTEM P105
- ELECTRICAL AND STARTING SYSTEM
- ELECTRICAL AND STARTING SYSTEM P107
- ELECTRICAL AND STARTING SYSTEM P109
- ELECTRICAL AND STARTING SYSTEM P111
- ELECTRICAL AND STARTING SYSTEM P113
- ELECTRICAL AND STARTING SYSTEM P115
- ELECTRICAL AND STARTING SYSTEM P117
- ELECTRICAL AND STARTING SYSTEM P119
- ELECTRICAL AND STARTING SYSTEM P121
- ELECTRICAL AND STARTING SYSTEM P123
- ELECTRICAL AND STARTING SYSTEM P125
- ELECTRICAL AND STARTING SYSTEM P127
- ELECTRICAL AND STARTING SYSTEM P129
- ELECTRICAL AND STARTING SYSTEM P130
- ELECTRICAL AND STARTING SYSTEM P131
- ELECTRICAL AND STARTING SYSTEM P132
- ELECTRICAL AND STARTING SYSTEM P133
- ELECTRICAL AND STARTING SYSTEM P134
- ELECTRICAL AND STARTING SYSTEM P135
- ELECTRICAL AND STARTING SYSTEM P136
- ELECTRICAL AND STARTING SYSTEM P137
- ELECTRICAL AND STARTING SYSTEM P138
- ELECTRICAL AND STARTING SYSTEM P139
- ELECTRICAL AND STARTING SYSTEM P140
- ELECTRICAL AND STARTING SYSTEM P141
- ELECTRICAL AND STARTING SYSTEM P143
- ELECTRICAL AND STARTING SYSTEM P145
- ELECTRICAL AND STARTING SYSTEM P147
- ELECTRICAL AND STARTING SYSTEM P149
- ELECTRICAL AND STARTING SYSTEM P151
- ELECTRICAL AND STARTING SYSTEM P153
- ELECTRICAL AND STARTING SYSTEM P155
- ELECTRICAL AND STARTING SYSTEM P157
- ELECTRICAL AND STARTING SYSTEM P159
- ELECTRICAL AND STARTING SYSTEM P161
- ELECTRICAL AND STARTING SYSTEM P163
- ELECTRICAL AND STARTING SYSTEM P165
- ELECTRICAL AND STARTING SYSTEM P166
- ELECTRICAL AND STARTING SYSTEM P167
- ELECTRICAL AND STARTING SYSTEM P169
- ELECTRICAL AND STARTING SYSTEM P170
- ELECTRICAL AND STARTING SYSTEM P171
- ELECTRICAL AND STARTING SYSTEM P172
- ELECTRICAL AND STARTING SYSTEM P173
- ELECTRICAL AND STARTING SYSTEM P175
- ELECTRICAL AND STARTING SYSTEM P177
- ELECTRICAL AND STARTING SYSTEM P178
- ELECTRICAL AND STARTING SYSTEM P179
- ELECTRICAL AND STARTING SYSTEM P180
- ELECTRICAL AND STARTING SYSTEM P181
- ELECTRICAL AND STARTING SYSTEM P182
- ELECTRICAL AND STARTING SYSTEM P183
- ELECTRICAL AND STARTING SYSTEM P184
- ELECTRICAL AND STARTING SYSTEM P187
- ELECTRICAL AND STARTING SYSTEM P188
- ELECTRICAL AND STARTING SYSTEM P189
- ELECTRICAL AND STARTING SYSTEM P191
- ELECTRICAL AND STARTING SYSTEM P193
- ELECTRICAL AND STARTING SYSTEM P194
- ELECTRICAL AND STARTING SYSTEM P195
- ELECTRICAL AND STARTING SYSTEM P196
- ELECTRICAL AND STARTING SYSTEM P197
- ELECTRICAL AND STARTING SYSTEM P198
- ELECTRICAL AND STARTING SYSTEM P199
- ELECTRICAL AND STARTING SYSTEM P200
- ELECTRICAL AND STARTING SYSTEM P201
- ELECTRICAL AND STARTING SYSTEM P202
- ELECTRICAL AND STARTING SYSTEM P203
- ELECTRICAL AND STARTING SYSTEM P204
- ELECTRICAL AND STARTING SYSTEM P205
- ELECTRICAL AND STARTING SYSTEM P206
- ELECTRICAL AND STARTING SYSTEM P207
- ELECTRICAL AND STARTING SYSTEM P208
- ELECTRICAL AND STARTING SYSTEM P209
- ELECTRICAL AND STARTING SYSTEM P210
- ELECTRICAL AND STARTING SYSTEM P212
- POWER TRAIN
- FRAME AND BODY
- FRAME AND BODY P234
- FRAME AND BODY P235
- FRAME AND BODY P236
- FRAME AND BODY P237
- FRAME AND BODY P239
- FRAME AND BODY P241
- FRAME AND BODY P243
- FRAME AND BODY P245
- FRAME AND BODY P247
- FRAME AND BODY P249
- FRAME AND BODY P250
- FRAME AND BODY P251
- FRAME AND BODY P252
- FRAME AND BODY P253
- FRAME AND BODY P254
- FRAME AND BODY P255
- FRAME AND BODY P257
- FRAME AND BODY P258
- FRAME AND BODY P259
- FRAME AND BODY P260
- FRAME AND BODY P261
- FRAME AND BODY P263
- FRAME AND BODY P265
- FRAME AND BODY P266
- FRAME AND BODY P267
- FRAME AND BODY P268
- FRAME AND BODY P269
- FRAME AND BODY P270
- FRAME AND BODY P271
- FRAME AND BODY P272
- FRAME AND BODY P275
- FRAME AND BODY P276
- FRAME AND BODY P277
- FRAME AND BODY P278
- FRAME AND BODY P279
- FRAME AND BODY P280
- FRAME AND BODY P281
- FRAME AND BODY P282
- FRAME AND BODY P283
- FRAME AND BODY P284
- FRAME AND BODY P285
- FRAME AND BODY P286
- FRAME AND BODY P287
- FRAME AND BODY P288
- FRAME AND BODY P289
- FRAME AND BODY P291
- FRAME AND BODY P292
- FRAME AND BODY P293
- FRAME AND BODY P294
- HYDRAULIC SYSTEM
- HYDRAULIC SYSTEM P296
- HYDRAULIC SYSTEM P297
- HYDRAULIC SYSTEM P299
- HYDRAULIC SYSTEM P301
- HYDRAULIC SYSTEM P302
- HYDRAULIC SYSTEM P303
- HYDRAULIC SYSTEM P304
- HYDRAULIC SYSTEM P305
- HYDRAULIC SYSTEM P306
- HYDRAULIC SYSTEM P311
- HYDRAULIC SYSTEM P312
- HYDRAULIC SYSTEM P313
- HYDRAULIC SYSTEM P314
- HYDRAULIC SYSTEM P315
- HYDRAULIC SYSTEM P316
- HYDRAULIC SYSTEM P317
- HYDRAULIC SYSTEM P318
- HYDRAULIC SYSTEM P319
- HYDRAULIC SYSTEM P320
- HYDRAULIC SYSTEM P321
- HYDRAULIC SYSTEM P322
- HYDRAULIC SYSTEM P323
- HYDRAULIC SYSTEM P324
- HYDRAULIC SYSTEM P325
- HYDRAULIC SYSTEM P326
- HYDRAULIC SYSTEM P327
- HYDRAULIC SYSTEM P328
- HYDRAULIC SYSTEM P329
- HYDRAULIC SYSTEM P330
- HYDRAULIC SYSTEM P331
- HYDRAULIC SYSTEM P332
- HYDRAULIC SYSTEM P333
- HYDRAULIC SYSTEM P335
- HYDRAULIC SYSTEM P337
- HYDRAULIC SYSTEM P339
- HYDRAULIC SYSTEM P340
- HYDRAULIC SYSTEM P341
- HYDRAULIC SYSTEM P342
- HYDRAULIC SYSTEM P343
- HYDRAULIC SYSTEM P344
- HYDRAULIC SYSTEM P347
- HYDRAULIC SYSTEM P349
- HYDRAULIC SYSTEM P351
- HYDRAULIC SYSTEM P352
- HYDRAULIC SYSTEM P353
- HYDRAULIC SYSTEM P354
- HYDRAULIC SYSTEM P355
- HYDRAULIC SYSTEM P361
- HYDRAULIC SYSTEM P363
- HYDRAULIC SYSTEM P365
- HYDRAULIC SYSTEM P367
- HYDRAULIC SYSTEM P369
- HYDRAULIC SYSTEM P371
- HYDRAULIC SYSTEM P373
- HYDRAULIC SYSTEM P375
- HYDRAULIC SYSTEM P377
- HYDRAULIC SYSTEM P379
- HYDRAULIC SYSTEM P381
- HYDRAULIC SYSTEM P383
- HYDRAULIC SYSTEM P385
- HYDRAULIC SYSTEM P387
- HYDRAULIC SYSTEM P389
- HYDRAULIC SYSTEM P391
- HYDRAULIC SYSTEM P393
- HYDRAULIC SYSTEM P395
- HYDRAULIC SYSTEM P397
- HYDRAULIC SYSTEM P399
- HYDRAULIC SYSTEM P400
- HYDRAULIC SYSTEM P401
- HYDRAULIC SYSTEM P402
- HYDRAULIC SYSTEM P403
- HYDRAULIC SYSTEM P404
- HYDRAULIC SYSTEM P405
- HYDRAULIC SYSTEM P407
- HYDRAULIC SYSTEM P409
- HYDRAULIC SYSTEM P411
- HYDRAULIC SYSTEM P413
- HYDRAULIC SYSTEM P415
- HYDRAULIC SYSTEM P416
- HYDRAULIC SYSTEM P417
- HYDRAULIC SYSTEM P418
- HYDRAULIC SYSTEM P419
- HYDRAULIC SYSTEM P420
- HYDRAULIC SYSTEM P421
- HYDRAULIC SYSTEM P422
- HYDRAULIC SYSTEM P423
- HYDRAULIC SYSTEM P424
- HYDRAULIC SYSTEM P425
- HYDRAULIC SYSTEM P427
- HYDRAULIC SYSTEM P429
- HYDRAULIC SYSTEM P430
- HYDRAULIC SYSTEM P431
- HYDRAULIC SYSTEM P432
- HYDRAULIC SYSTEM P433
- HYDRAULIC SYSTEM P434
- HYDRAULIC SYSTEM P435
- HYDRAULIC SYSTEM P436
- HYDRAULIC SYSTEM P437
- HYDRAULIC SYSTEM P438
- HYDRAULIC SYSTEM P439
- HYDRAULIC SYSTEM P440
- HYDRAULIC SYSTEM P441
- HYDRAULIC SYSTEM P442
- HYDRAULIC SYSTEM P443
- HYDRAULIC SYSTEM P444
- HYDRAULIC SYSTEM P445
- HYDRAULIC SYSTEM P446
- HYDRAULIC SYSTEM P447
- HYDRAULIC SYSTEM P448
- HYDRAULIC SYSTEM P449
- HYDRAULIC SYSTEM P450
- HYDRAULIC SYSTEM P451
- HYDRAULIC SYSTEM P453
- HYDRAULIC SYSTEM P455
- HYDRAULIC SYSTEM P457
- HYDRAULIC SYSTEM P459
- HYDRAULIC SYSTEM P461
- HYDRAULIC SYSTEM P463
- HYDRAULIC SYSTEM P465
- HYDRAULIC SYSTEM P466
- HYDRAULIC SYSTEM P467
- HYDRAULIC SYSTEM P468
- HYDRAULIC SYSTEM P469
- HYDRAULIC SYSTEM P470
- HYDRAULIC SYSTEM P471
- HYDRAULIC SYSTEM P472
- HYDRAULIC SYSTEM P473
- HYDRAULIC SYSTEM P474
- HYDRAULIC SYSTEM P475
- HYDRAULIC SYSTEM P476
- HYDRAULIC SYSTEM P477
- HYDRAULIC SYSTEM P478
- HYDRAULIC SYSTEM P479
- HYDRAULIC SYSTEM P480
- HYDRAULIC SYSTEM P481
- HYDRAULIC SYSTEM P482
- HYDRAULIC SYSTEM P483
- HYDRAULIC SYSTEM P484
- HYDRAULIC SYSTEM P485
- OPERATOR STATION
- OPERATOR STATION P487
- OPERATOR STATION P488
- OPERATOR STATION P489
- OPERATOR STATION P491
- OPERATOR STATION P493
- OPERATOR STATION P495
- OPERATOR STATION P497
- OPERATOR STATION P499
- OPERATOR STATION P501
- OPERATOR STATION P503
- OPERATOR STATION P505
- OPERATOR STATION P507
- OPERATOR STATION P509
- OPERATOR STATION P511
- OPERATOR STATION P513
- OPERATOR STATION P515
- OPERATOR STATION P517
- OPERATOR STATION P519
- OPERATOR STATION P520
- OPERATOR STATION P521
- OPERATOR STATION P522
- OPERATOR STATION P523
- OPERATOR STATION P524
- OPERATOR STATION P525
- OPERATOR STATION P526
- OPERATOR STATION P527
- OPERATOR STATION P528
- OPERATOR STATION P530
- OPERATOR STATION P531
- OPERATOR STATION P532
- OPERATOR STATION P534
- OPERATOR STATION P535
- OPERATOR STATION P536
- OPERATOR STATION P537
- OPERATOR STATION P538
- OPERATOR STATION P539
- OPERATOR STATION P540
- OPERATOR STATION P541
- OPERATOR STATION P542
- OPERATOR STATION P543
- OPERATOR STATION P544
- OPERATOR STATION P545
- OPERATOR STATION P546
- OPERATOR STATION P547
- OPERATOR STATION P549
- OPERATOR STATION P551
- OPERATOR STATION P553
- OPERATOR STATION P554
- OPERATOR STATION P555
- OPERATOR STATION P556
- OPERATOR STATION P558
- OPERATOR STATION P559
- OPERATOR STATION P561
- OPERATOR STATION P563
- OPERATOR STATION P565
- OPERATOR STATION P567
- OPERATOR STATION P569
- OPERATOR STATION P571
- OPERATOR STATION P573
- OPERATOR STATION P575
- OPERATOR STATION P576
- OPERATOR STATION P578
- OPERATOR STATION P579
- OPERATOR STATION P581
- OPERATOR STATION P583
- OPERATOR STATION P585
- OPERATOR STATION P587
- OPERATOR STATION P589
- OPERATOR STATION P591
- OPERATOR STATION P593
- OPERATOR STATION P595
- OPERATOR STATION P596
- OPERATOR STATION P597
- OPERATOR STATION P598
- OPERATOR STATION P599
- IMPLEMENTS
- IIMPLEMENTS P604
- IIMPLEMENTS P605
- IIMPLEMENTS P607
- IIMPLEMENTS P609
- IIMPLEMENTS P610
- IIMPLEMENTS P611
- IIMPLEMENTS P612
- IIMPLEMENTS P613
- IIMPLEMENTS P614
- IIMPLEMENTS P615
- IIMPLEMENTS P616
- IIMPLEMENTS P617
- IIMPLEMENTS P618
- IIMPLEMENTS P619
- IIMPLEMENTS P620
- IIMPLEMENTS P621
- IIMPLEMENTS P628
- IIMPLEMENTS P629
- IIMPLEMENTS P630
- IIMPLEMENTS P631
- IIMPLEMENTS P632
- IIMPLEMENTS P633
- IIMPLEMENTS P634
- IIMPLEMENTS P635
- IIMPLEMENTS P636
- IIMPLEMENTS P638
- IIMPLEMENTS P639
- IIMPLEMENTS P640
- IIMPLEMENTS P643
- IIMPLEMENTS P645
- IIMPLEMENTS P647
- IIMPLEMENTS P649
- IIMPLEMENTS P650
- IIMPLEMENTS P652
- IIMPLEMENTS P653
- IIMPLEMENTS P654
- IIMPLEMENTS P655
- IIMPLEMENTS P657
- IIMPLEMENTS P659
- IIMPLEMENTS P661
- IIMPLEMENTS P663
- IIMPLEMENTS P665
- IIMPLEMENTS P667
- IIMPLEMENTS P669
- IIMPLEMENTS P671
- IIMPLEMENTS P673
- IIMPLEMENTS P674
- IIMPLEMENTS P675
- IIMPLEMENTS P676
- IIMPLEMENTS P677
- IIMPLEMENTS P678
- IIMPLEMENTS P679
- IIMPLEMENTS P680
- IIMPLEMENTS P681
-
E307C
- ENGINE ARRANGEEEMENT
- ENGINE ARRANGEMENT P18
- ENGINE ARRANGEMENT P19
- ENGINE ARRANGEMENT P24
- ENGINE ARRANGEMENT P26
- ENGINE ARRANGEMENT P12
- ENGINE ARRANGEMENT P30
- ENGINE ARRANGEMENT P32
- ENGINE ARRANGEMENT P33
- ENGINE ARRANGEMENT P35
- ENGINE ARRANGEMENT P36
- ENGINE ARRANGEMENT P37
- ENGINE ARRANGEMENT P39
- ENGINE ARRANGEMENT P40
- ENGINE ARRANGEMENT P41
- ENGINE ARRANGEMENT P42
- ENGINE ARRANGEMENT P34
- ENGINE ARRANGEMENT P38
- LUBRICATION SYSTEM
- COOLING SYSTEM
- INLET AND EXHAUST SYSTEM
- AIR INLET AND EXHAUST SYSTEM P63
- AIR INLET AND EXHAUST SYSTEM P64
- AIR INLET AND EXHAUST SYSTEM P65
- AIR INLET AND EXHAUST SYSTEM P66
- AIR INLET AND EXHAUST SYSTEM P67
- AIR INLET AND EXHAUST SYSTEM P68
- AIR INLET AND EXHAUST SYSTEM P69
- AIR INLET AND EXHAUST SYSTEM P70
- AIR INLET AND EXHAUST SYSTEM P71
- AIR INLET AND EXHAUST SYSTEM P72
- FUEL SYSTEM
- ELECTRICAL SYSTEM
- ELECTRLCAL SYSTEM P95
- ELECTRLCAL SYSTEM P97
- ELECTRLCAL SYSTEM P99
- ELECTRLCAL SYSTEM P101
- ELECTRLCAL SYSTEM P103
- ELECTRLCAL SYSTEM P105
- ELECTRLCAL SYSTEM P106
- ELECTRLCAL SYSTEM P107
- ELECTRLCAL SYSTEM P108
- ELECTRLCAL SYSTEM P109
- ELECTRLCAL SYSTEM P110
- ELECTRLCAL SYSTEM P111
- ELECTRLCAL SYSTEM P113
- ELECTRLCAL SYSTEM P115
- ELECTRLCAL SYSTEM P117
- ELECTRLCAL SYSTEM P119
- ELECTRLCAL SYSTEM P120
- ELECTRLCAL SYSTEM P121
- ELECTRLCAL SYSTEM P123
- ELECTRLCAL SYSTEM P125
- ELECTRLCAL SYSTEM P127
- ELECTRLCAL SYSTEM P128
- ELECTRLCAL SYSTEM P130
- ELECTRLCAL SYSTEM P131
- ELECTRLCAL SYSTEM P132
- ELECTRLCAL SYSTEM P133
- ELECTRLCAL SYSTEM P134
- ELECTRLCAL SYSTEM P135
- ELECTRLCAL SYSTEM P136
- ELECTRLCAL SYSTEM P137
- ELECTRLCAL SYSTEM P139
- ELECTRLCAL SYSTEM P141
- ELECTRLCAL SYSTEM P142
- ELECTRLCAL SYSTEM P143
- ELECTRLCAL SYSTEM P144
- ELECTRLCAL SYSTEM P145
- ELECTRLCAL SYSTEM P146
- ELECTRLCAL SYSTEM P147
- ELECTRLCAL SYSTEM P149
- ELECTRLCAL SYSTEM P150
- ELECTRLCAL SYSTEM P152
- ELECTRLCAL SYSTEM P153
- ELECTRLCAL SYSTEM P154
- ELECTRLCAL SYSTEM P155
- ELECTRLCAL SYSTEM P156
- ELECTRLCAL SYSTEM P157
- ELECTRLCAL SYSTEM P158
- ELECTRLCAL SYSTEM P159
- ELECTRLCAL SYSTEM P160
- ELECTRLCAL SYSTEM P163
- ELECTRLCAL SYSTEM P165
- ELECTRLCAL SYSTEM P166
- ELECTRLCAL SYSTEM P167
- ELECTRLCAL SYSTEM P168
- ELECTRLCAL SYSTEM P169
- ELECTRLCAL SYSTEM P171
- ELECTRLCAL SYSTEM P173
- ELECTRLCAL SYSTEM P175
- ELECTRLCAL SYSTEM P177
- ELECTRLCAL SYSTEM P178
- ELECTRLCAL SYSTEM P179
- ELECTRLCAL SYSTEM P181
- ELECTRLCAL SYSTEM P182
- ELECTRLCAL SYSTEM P183
- ELECTRLCAL SYSTEM P184
- ELECTRLCAL SYSTEM P185
- ELECTRLCAL SYSTEM P186
- ELECTRLCAL SYSTEM P187
- ELECTRLCAL SYSTEM P188
- ELECTRLCAL SYSTEM P189
- ELECTRLCAL SYSTEM P190
- ELECTRLCAL SYSTEM P191
- ELECTRLCAL SYSTEM P192
- POWER TRAIN
- FRAME AND BOCY
- FRAME AND BODYp210
- FRAME AND BODY P211
- FRAME AND BODY P213
- FRAME AND BODY P215
- FRAME AND BODY P217
- FRAME AND BODY P219
- FRAME AND BODY P221
- FRAME AND BODY P223
- FRAME AND BODY P225
- FRAME AND BODY P227
- FRAME AND BODY P228
- FRAME AND BODY P229
- FRAME AND BODY P230
- FRAME AND BODY P231
- FRAME AND BODY P232
- FRAME AND BODY P233
- FRAME AND BODY P234
- FRAME AND BODY P235
- FRAME AND BODY P236
- FRAME AND BODY P237
- FRAME AND BODY P238
- FRAME AND BODY P239
- FRAME AND BODY P241
- FRAME AND BODY P243
- FRAME AND BODY P244
- FRAME AND BODY P245
- FRAME AND BODY P247
- FRAME AND BODY P249
- FRAME AND BODY P251
- FRAME AND BODY P252
- FRAME AND BODY P253
- FRAME AND BODY P254
- FRAME AND BODY P255
- FRAME AND BODY P256
- FRAME AND BODY P257
- FRAME AND BODY P258
- FRAME AND BODY P259
- FRAME AND BODY P260
- FRAME AND BODY P261
- FRAME AND BODY P262
- FRAME AND BODY P263
- FRAME AND BODY P264
- FRAME AND BODY P265
- FRAME AND BODY P266
- FRAME AND BODY P271
- FRAME AND BODY P272
- FRAME AND BODY P273
- FRAME AND BODY P274
- FRAME AND BODY P275
- HYDRAULIC SYSTEM
- HYDRAUL IC SYSTEM P277
- HYDRAUL IC SYSTEM P279
- HYDRAUL IC SYSTEM P280
- HYDRAUL IC SYSTEM P281
- HYDRAUL IC SYSTEM P282
- HYDRAUL IC SYSTEM P283
- HYDRAUL IC SYSTEM P284
- HYDRAUL IC SYSTEM P285
- HYDRAUL IC SYSTEM P287
- HYDRAUL IC SYSTEM P289
- HYDRAUL IC SYSTEM P291
- HYDRAUL IC SYSTEM P293
- HYDRAUL IC SYSTEM P294
- HYDRAUL IC SYSTEM P295
- HYDRAUL IC SYSTEM P296
- HYDRAUL IC SYSTEM P305
- HYDRAUL IC SYSTEM P306
- HYDRAUL IC SYSTEM P307
- HYDRAUL IC SYSTEM P308
- HYDRAUL IC SYSTEM P309
- HYDRAUL IC SYSTEM P310
- HYDRAUL IC SYSTEM P311
- HYDRAUL IC SYSTEM P312
- HYDRAUL IC SYSTEM P313
- HYDRAUL IC SYSTEM P314
- HYDRAUL IC SYSTEM P315
- HYDRAUL IC SYSTEM P316
- HYDRAUL IC SYSTEM P317
- HYDRAUL IC SYSTEM P318
- HYDRAUL IC SYSTEM P319
- HYDRAUL IC SYSTEM P320
- HYDRAUL IC SYSTEM P321
- HYDRAUL IC SYSTEM P322
- HYDRAUL IC SYSTEM P323
- HYDRAUL IC SYSTEM P324
- HYDRAUL IC SYSTEM P325
- HYDRAUL IC SYSTEM P326
- HYDRAUL IC SYSTEM P327
- HYDRAUL IC SYSTEM P328
- HYDRAUL IC SYSTEM P329
- HYDRAUL IC SYSTEM P330
- HYDRAUL IC SYSTEM P331
- HYDRAUL IC SYSTEM P332
- HYDRAUL IC SYSTEM P333
- HYDRAUL IC SYSTEM P334
- HYDRAUL IC SYSTEM P335
- HYDRAUL IC SYSTEM P336
- HYDRAUL IC SYSTEM P337
- HYDRAUL IC SYSTEM P338
- HYDRAUL IC SYSTEM P339
- HYDRAUL IC SYSTEM P340
- HYDRAUL IC SYSTEM P341
- HYDRAUL IC SYSTEM P342
- HYDRAUL IC SYSTEM P343
- HYDRAUL IC SYSTEM P344
- HYDRAUL IC SYSTEM P345
- HYDRAUL IC SYSTEM P346
- HYDRAUL IC SYSTEM P347
- HYDRAUL IC SYSTEM P348
- HYDRAUL IC SYSTEM P349
- HYDRAUL IC SYSTEM P351
- HYDRAUL IC SYSTEM P353
- HYDRAUL IC SYSTEM P355
- HYDRAUL IC SYSTEM P357
- HYDRAUL IC SYSTEM P359
- HYDRAUL IC SYSTEM P361
- HYDRAUL IC SYSTEM P362
- HYDRAUL IC SYSTEM P363
- HYDRAUL IC SYSTEM P370
- HYDRAUL IC SYSTEM P371
- HYDRAUL IC SYSTEM P373
- HYDRAUL IC SYSTEM P375
- HYDRAUL IC SYSTEM P377
- HYDRAUL IC SYSTEM P379
- HYDRAUL IC SYSTEM P381
- HYDRAUL IC SYSTEM P383
- HYDRAUL IC SYSTEM P385
- HYDRAUL IC SYSTEM P386
- HYDRAUL IC SYSTEM P387
- HYDRAUL IC SYSTEM P388
- HYDRAUL IC SYSTEM P393
- HYDRAUL IC SYSTEM P395
- HYDRAUL IC SYSTEM P397
- HYDRAUL IC SYSTEM P399
- HYDRAUL IC SYSTEM P401
- HYDRAUL IC SYSTEM P403
- HYDRAUL IC SYSTEM P405
- HYDRAUL IC SYSTEM P407
- HYDRAUL IC SYSTEM P409
- HYDRAUL IC SYSTEM P411
- HYDRAUL IC SYSTEM P413
- HYDRAUL IC SYSTEM P415
- HYDRAUL IC SYSTEM P417
- HYDRAUL IC SYSTEM P419
- HYDRAUL IC SYSTEM P421
- HYDRAUL IC SYSTEM P423
- HYDRAUL IC SYSTEM P425
- HYDRAUL IC SYSTEM P427
- HYDRAUL IC SYSTEM P429
- HYDRAUL IC SYSTEM P430
- HYDRAUL IC SYSTEM P431
- HYDRAUL IC SYSTEM P433
- HYDRAUL IC SYSTEM P435
- HYDRAUL IC SYSTEM P437
- HYDRAUL IC SYSTEM P439
- HYDRAUL IC SYSTEM P441
- HYDRAUL IC SYSTEM P443
- HYDRAUL IC SYSTEM P445
- HYDRAUL IC SYSTEM P447
- HYDRAUL IC SYSTEM P449
- HYDRAUL IC SYSTEM P451
- HYDRAUL IC SYSTEM P453
- HYDRAUL IC SYSTEM P455
- HYDRAUL IC SYSTEM P457
- HYDRAUL IC SYSTEM P459
- HYDRAUL IC SYSTEM P460
- HYDRAUL IC SYSTEM P461
- HYDRAUL IC SYSTEM P462
- HYDRAUL IC SYSTEM P463
- HYDRAUL IC SYSTEM P464
- HYDRAUL IC SYSTEM P465
- HYDRAUL IC SYSTEM P467
- HYDRAUL IC SYSTEM P468
- HYDRAUL IC SYSTEM P469
- HYDRAUL IC SYSTEM P470
- HYDRAUL IC SYSTEM P471
- HYDRAUL IC SYSTEM P472
- HYDRAUL IC SYSTEM P473
- HYDRAUL IC SYSTEM P475
- HYDRAUL IC SYSTEM P477
- HYDRAUL IC SYSTEM P479
- HYDRAUL IC SYSTEM P481
- HYDRAUL IC SYSTEM P482
- HYDRAUL IC SYSTEM P483
- HYDRAUL IC SYSTEM P484
- HYDRAUL IC SYSTEM P485
- HYDRAUL IC SYSTEM P486
- HYDRAUL IC SYSTEM P489
- HYDRAUL IC SYSTEM P491
- HYDRAUL IC SYSTEM P493
- HYDRAUL IC SYSTEM P495
- HYDRAUL IC SYSTEM P497
- HYDRAUL IC SYSTEM P499
- HYDRAUL IC SYSTEM P501
- HYDRAUL IC SYSTEM P503
- HYDRAUL IC SYSTEM P505
- HYDRAUL IC SYSTEM P507
- HYDRAUL IC SYSTEM P509
- HYDRAUL IC SYSTEM P511
- HYDRAUL IC SYSTEM P512
- HYDRAUL IC SYSTEM P513
- HYDRAUL IC SYSTEM P514
- HYDRAUL IC SYSTEM P515
- HYDRAUL IC SYSTEM P516
- HYDRAUL IC SYSTEM P517
- HYDRAUL IC SYSTEM P518
- HYDRAUL IC SYSTEM P519
- HYDRAUL IC SYSTEM P520
- HYDRAUL IC SYSTEM P521
- HYDRAUL IC SYSTEM P522
- HYDRAUL IC SYSTEM P523
- HYDRAUL IC SYSTEM P524
- HYDRAUL IC SYSTEM P525
- HYDRAUL IC SYSTEM P526
- HYDRAUL IC SYSTEM P527
- IMPLEMENTS
- IMPLEMENTS p547
- IMPLEMENTS P549
- IMPLEMENTS P551
- IMPLEMENTS P553
- IMPLEMENTS P555
- IMPLEMENTS P557
- IMPLEMENTS P559
- IMPLEMENTS P561
- IMPLEMENTS P563
- IMPLEMENTS P565
- IMPLEMENTS P567
- IMPLEMENTS P568
- IMPLEMENTS P569
- IMPLEMENTS P570
- IMPLEMENTS P571
- IMPLEMENTS P572
- IMPLEMENTS P573
- IMPLEMENTS P574
- IMPLEMENTS P575
- IMPLEMENTS P576
- IMPLEMENTS P577
- IMPLEMENTS P578
- IMPLEMENTS P579
- IMPLEMENTS P580
- IMPLEMENTS P581
- IMPLEMENTS P582
- IMPLEMENTS P583
- IMPLEMENTS P584
- IMPLEMENTS P585
- IMPLEMENTS P586
- IMPLEMENTS P589
- IMPLEMENTS P588
- IMPLEMENTS P591
- IMPLEMENTS P590
- IMPLEMENTS P592
- IMPLEMENTS P593
- IMPLEMENTS P594
- IMPLEMENTS P595
- IMPLEMENTS P596
- IMPLEMENTS P597
- IMPLEMENTS P600
- IMPLEMENTS P601
- IMPLEMENTS P602
- IMPLEMENTS P603
- IMPLEMENTS P604
- IMPLEMENTS P605
- HYDRAUL IC SYSTEM P606
- IMPLEMENTS P607
- IMPLEMENTS P608
- IMPLEMENTS P609
- IMPLEMENTS P610
- IMPLEMENTS P618
- IMPLEMENTS P619
- IMPLEMENTS P620
- IMPLEMENTS P621
- IMPLEMENTS P622
- IMPLEMENTS P623
- IMPLEMENTS P624
- IMPLEMENTS P625
- IMPLEMENTS P627
- IMPLEMENTS P629
- IMPLEMENTS P630
- IMPLEMENTS P631
- IMPLEMENTS P632
- IMPLEMENTS P587
- OPERATCR STATIOM
- OPERATOR STATION P634
- OPERATOR STATION P635
- OPERATOR STATION P637
- OPERATOR STATION P639
- OPERATOR STATION P641
- OPERATOR STATION P643
- OPERATOR STATION P645
- OPERATOR STATION P647
- OPERATOR STATION P649
- OPERATOR STATION P651
- OPERATOR STATION P653
- OPERATOR STATION P655
- OPERATOR STATION P657
- OPERATOR STATION P659
- OPERATOR STATION P661
- OPERATOR STATION P663
- OPERATOR STATION P664
- OPERATOR STATION P665
- OPERATOR STATION P666
- OPERATOR STATION P667
- OPERATOR STATION P668
- OPERATOR STATION P669
- OPERATOR STATION P670
- OPERATOR STATION P671
- OPERATOR STATION P672
- OPERATOR STATION P673
- OPERATOR STATION P674
- OPERATOR STATION P675
- OPERATOR STATION P677
- OPERATOR STATION P679
- OPERATOR STATION P681
- OPERATOR STATION P682
- OPERATOR STATION P685
- OPERATOR STATION P687
- OPERATOR STATION P688
- OPERATOR STATION P689
- OPERATOR STATION P690
- OPERATOR STATION P691
- OPERATOR STATION P692
- OPERATOR STATION P693
- OPERATOR STATION P694
- OPERATOR STATION P695
- OPERATOR STATION P696
- OPERATOR STATION P697
- OPERATOR STATION P698
- OPERATOR STATION P699
- OPERATOR STATION P700
- OPERATOR STATION P701
- OPERATOR STATION P702
- OPERATOR STATION P703
- OPERATOR STATION P704
- OPERATOR STATION P705
- OPERATOR STATION P706
- OPERATOR STATION P707
- OPERATOR STATION P708
- OPERATOR STATION P709
- OPERATOR STATION P710
- OPERATOR STATION P711
- OPERATOR STATION P712
- OPERATOR STATION P713
- OPERATOR STATION P714
- OPERATOR STATION P715
- OPERATOR STATION P716
- OPERATOR STATION P717
- OPERATOR STATION P718
- OPERATOR STATION P720
- OPERATOR STATION P723
- OPERATOR STATION P725
- OPERATOR STATION P727
- OPERATOR STATION P729
- OPERATOR STATION P731
- OPERATOR STATION P733
- OPERATOR STATION P735
- OPERATOR STATION P737
- OPERATOR STATION P739
- OPERATOR STATION P740
- SERVUCE EQUIPMENT AND SUPPL IES
- SERVICE EQUIPMENT AND SUPPLIES
- SERVICE EQUIPMENT AND SUPPLIES
- SERVICE EQUIPMENT AND SUPPLIES
- SERVICE EQUIPMENT AND SUPPLIES
- SERVICE EQUIPMENT AND SUPPLIES
- SERVICE EQUIPMENT AND SUPPLIES
- SERVICE EQUIPMENT AND SUPPLIES
- SERVICE EQUIPMENT AND SUPPLIES
- SERVICE EQUIPMENT AND SUPPLIES
- SERVICE EQUIPMENT AND SUPPLIES
- SERVICE EQUIPMENT AND SUPPLIES
- SERVICE EQUIPMENT AND SUPPLIES
- SERVICE EQUIPMENT AND SUPPLIES
- SERVICE EQUIPMENT AND SUPPLIES
- SERVICE EQUIPMENT AND SUPPLIES
- SERVICE EQUIPMENT AND SUPPLIES
- SERVICE EQUIPMENT AND SUPPLIES
- SERVICE EQUIPMENT AND SUPPLIES
- SERVICE EQUIPMENT AND SUPPLIES
- SERVICE EQUIPMENT AND SUPPLIES
- SERVICE EQUIPMENT AND SUPPLIES
- SERVICE EQUIPMENT AND SUPPLIES
- SERVICE EQUIPMENT AND SUPPLIES
- SERVICE EQUIPMENT AND SUPPLIES
- SERVICE EQUIPMENT AND SUPPLIES
- SERVICE EQUIPMENT AND SUPPLIES
- SERVICE EQUIPMENT AND SUPPLIES
- SERVICE EQUIPMENT AND SUPPLIES
- ENGINE ARRANGEEEMENT
- More models
-
E312D
-
KOMATSU
-
PC56-7
- ENGINE
- CYLINDER BLOCK
- OIL PAN
- CYLINDER HEAD
- GEAR CASE
- HEAD COVER
- OIL FILTER
- OIL GAUGE
- OIL PUMP
- OIL FILLER FLANGE
- MAIN BEARING CASE
- CAMSHAFT AND IDLE GEAR SHAFT
- PISTON AND CRANKSHAFT
- FLYWHEEL
- FUEL CAMSHAFT AND GOVERNOR SHAFT
- IDLE APPARATUS
- ENGINE STOP LEVER
- STOP SOLENOID
- FUEL INJECTION PUMP
- GOVERNOR
- SPEED CONTROL PLATE
- NOZZLE HOLDER AND GLOW PLUG
- FUEL FILTER
- FUEL FILTER 2
- FUEL PUMP (ELECTRICAL)
- WATER SEPARATOR
- ALTERNATOR (INNER PARTS)
- ALTERNATOR AND MOUNTING
- STARTING MOTOR AND MOUNTING
- STARTING MOTOR (INNER PARTS)
- OIL SWTCH AND PLUG
- WATER FLANGE AND THERMOSTAT
- WATER PUMP
- COOLING FAN
- VALVE AND ROCKER ARM
- INTAKE MANIFOLD
- EXHAUST MANIFOLD
- AIR CLEANER
- MUFFLER
- TURBO CHARGER
- OIL PIPE (TURBO CHARGER)
- OIL COOLER
- Electrical parts
- TOOL
- LABEL
- ENGINE RELATED PARTS
- COOLING SYSTEM
- FUEL TANK AND RELATED PARTS
- ELECTRICAL SYSTEM
- HYDRAULIC SYSTEM
- HYDRAULIC TANK (TANK)
- HYDRAULIC TANK (ELBOW)
- MAIN VALVE (1/4) (VALVE AND ELBOW)
- MAIN VALVE (2/4) (ELBOW)
- MAIN VALVE (3/4) (P.P.C ELBOW)
- MAIN VALVE (4/4) (BRACKET)
- MAIN VALVE (ADDITIONAL PART)
- MAIN PUMP (FOR AIR CONDITIONER)
- SUCTION LINE
- DELIVERY LINE
- RETURN LINE
- DRAIN LINE
- ACTUATOR LINE (INSIDE LINE)
- ACTUATOR LINE (OUTSIDE LINE)
- P.P.C. BRACKET
- P.P.C. MAIN LINE (PIPING)
- P.P.C. MAIN LINE (SOLENOID VALVE)
- MAIN/REVOLVING FRAME AND RELATED PARTS
- GUARD
- SWING CIRCLE AND RELATED PARTS
- TRAVEL AND LOWER PIPING
- UNDER CARRIAGE
- WORK EQUIPMENT
- MARKS AND PLATES
- ACCESSORY
- SERVICE KIT AND COMPONENT PARTS
- MAIN PUMP (1/6)
- MAIN PUMP (2/6)
- MAIN PUMP (3/6)
- MAIN PUMP (4/6)
- MAIN PUMP (5/6)
- MAIN PUMP (6/6)
- BOOM CYLINDER
- ARM CYLINDER
- BUCKET CYLINDER
- BLADE CYLINDER
- SWIVEL JOINT
- SWING MOTOR (REDUCTION GEAR) (1/4)
- SWING MOTOR (REDUCTION GEAR) (1/4)
- SWING MOTOR (RELIEF VALVE) (3/4)
- SWING MOTOR (TIMER VALVE) (4/4)
- TRAVEL MOTOR (REDUCTION GEAR) (1/3)
- TRAVEL MOTOR (HYDRAULIC MOTOR 1/2) (2/3)
- TRAVEL MOTOR (HYDRAULIC MOTOR 2/2) (3/3)
- MAIN VALVE (8-VALVE) (1/22)
- MAIN VALVE (8-VALVE) (2/22)
- MAIN VALVE (8-VALVE) (3/22)
- MAIN VALVE (8-VALVE) (4/22)
- MAIN VALVE (8-VALVE) (5/22)
- MAIN VALVE (8-VALVE) (6/22)
- MAIN VALVE (8-VALVE) (7/22)
- MAIN VALVE (8-VALVE) (8/22)
- MAIN VALVE (8-VALVE) (9/22)
- MAIN VALVE (8-VALVE) (10/22)
- MAIN VALVE (8-VALVE) (11/22)
- MAIN VALVE (8-VALVE) (12/22)
- MAIN VALVE (8-VALVE) (13/22)
- MAIN VALVE (8-VALVE) (14/22)
- MAIN VALVE (8-VALVE) (15/22)
- MAIN VALVE (8-VALVE) (16/22)
- MAIN VALVE (8-VALVE) (17/22)
- MAIN VALVE (8-VALVE) (18/22)
- MAIN VALVE (8-VALVE) (19/22)
- MAIN VALVE (8-VALVE) (20/22)
- MAIN VALVE (8-VALVE) (21/22)
- MAIN VALVE (8-VALVE) (22/22)
- PPC VALVE (FOR TRAVEL)
- PPC VALVE (FOR WORK EQUIPMENT)
- PPC VALVE (FOR BLADE)
- OPERATOR'S COMPARTMENT SYSTEM
- OPERATOR’S SEAT (INNER PARTS)
- OPERATOR’S SEAT (MOUNTING PARTS)
- SEAT BELT
- OPERATOR’S CAB (1/8) (WINDOW)
- OPERATOR’S CAB (2/8) (FRONT WINDOW)
- OPERATOR’S CAB (3/8) (FRONT LOWER GLASS)
- OPERATORS CAB (4/8) (DOOR)
- OPERATORS CAB (5/8) (DOOR LOCK)
- OPERATOR’S CAB (6/8) (DOOR OPEN LOCK)
- OPERATOR’S CAB (7/8) (WIPER AND ROOM LAMP)
- OPERATOR’S CAB (8/8) (CAB INSIDE PARTS)
- OPERATORS CAB (BASE)
- OPERATORS CAB (TRAVEL CONTROL)
- OPERATOR’S CAB (P-BLOCK, T-BLOCK)
- OPERATORS CAB (CONSOLE, L.H.)
- OPERATORS CAB (CONSOLE, R.H.)
- OPERATORS CAB (PIPING, L.H.)
- OPERATORS CAB (PIPING, R.H.)
- OPERATORS CAB (FUEL CONTROL)
- CAB ELECTRICAL
- OPERATORS CAB (BLADE CONTROL)
- OPERATOR’S CAB (COVER)
- OPERATOR’S CAB (AIR CONDITIONER)
- OPERATOR’S CAB (FUEL CONTROL CABLE)
- OPERATOR’S CAB (FOOT REST, R.H.)
- OPERATOR’S CAB (FOOT REST, L.H.)
- FLOOR MAT (FOR CANOPY)
- WINDOW WASHER
- AIR CONDITIONER PIPING, 1/2
- AIR CONDITIONER PIPING, 2/2
- PULLEY AND V-BELT
- RADIO
- ASHTRAY
- FLOOR MOUNT
- FLOOR COVER
- TRAVEL PEDAL
- ENGINE
-
PC60-7
- ENGINE
- CYLNDER HEAD
- FRONT HANGER
- REAR HANGER
- HEAD COVER
- HEAD COVER RELATED PARTS
- AIR INTAKE
- AIR INTAKE CONNECTOR
- EXHAUST MANIFOLD
- MUFFLER
- EXHAUST CONNECTOR
- CYLINDER BLOCK
- FRONT COVER
- IDLER GEAR
- CYLINDER BLOCK COVER
- OIL PAN AND SUCTION TUBE
- OIL LEVEL GAUGE
- PLUG
- FLYWHEEL HOUSING
- FLYWHEEL
- CRANKSHAFT
- PISTON
- CRANK PULLEY (NON HARDENING)
- CAMSHAFT AND GEAR
- TAPPET
- TACHO DRIVE COVER
- OIL PUMP
- OIL FILTER
- OIL PRESSURE SWITCH
- FUEL INJECTION PUMP
- Fuel injection pump
- Fuel injection pump
- Fuel injection pump
- Fuel injection pump
- Fuel injection pump
- FUEL INJECTION PUMP MOUNTING
- FUEL INJECTION PIPING
- FUEL INJECTION PUMP LUBRICATLOR
- FUEL FILTER
- INJECTION NOZZLE
- FUEL RETURN
- GLOW PLUG
- SOLENOID
- WATER PUM
- Water pump pulley
- Water pump pulley
- COOLING FAN
- FAN SPACER
- COOLING FAN SPACER BOLT
- WATER CONNECTOR
- COOLING FAN BOLT
- FAN BELT
- ROCKER ARM
- FAN BELT (FOR 25A ALTERNATOR)
- Alternator
- ALTERNATOR (35A)
- Alternator
- ALTERNATOR (35A) (INNER PARTS)
- Alternator mount
- Alternator mount
- STARTING MOTOR MOUNTING
- Starter motor
- CYLINDER BLOCK GASKET KIT
- CYLINDER HEAD GASKET KIT
- Nameplate and warning sign
- Nameplate and warning sign
- air filter
- Water separator
- SPARE PARTS (FOR 35A ALTERNATOR)
- INHIBITOR
- SPARE PARTS
- Water separator
- ENGINE RELATED PARTS
- COOLING SYSTEM
- FUEL TANK AND RELATED PARTS
- ELECTRICAL SYSTEM
- HYDRAULIC SYSTEM
- HYDRAULIC (WITH GAUGE PROTECTOR)
- MAIN VALVE (MOUNT BRACKET)
- Main valve
- Main valve
- Main valve
- Main valve
- Main valve
- SUCTION LINE
- DELIVERY LINE
- OIL COOLER LINE
- RETURN LINE
- DRAIN LINE
- Boom anti-natural drop pipelineStick and bucket pipe
- Stick and bucket pipe
- BOOM LOCK VALVE (OPT)
- Accessory piping
- Accessory piping
- Accessory piping
- Accessory piping
- Accessory piping
- Accessory piping
- Bulldozer pipe
- TRAVEL LINE
- SWING LINE
- SOLENOID VALVE
- SOLENOID VALVE LINE
- SHUTTLE VALVE
- P.P.C MAIN LINE
- ARM AND BUCKET LINE
- BOOM DRIFT LINE
- OIL COOLER LINE
- OIL COOLER
- Main turntable and related parts
- Cab and control system
- OPERATOR’S SEAT (OPT)
- OPERATOR’S SEAT (WITH ARM REST)
- SEAT BELT, WIDTH 78MM (OPT)
- SEAT BELT, WIDTH 50 MM (OPT)
- Cab
- Cab
- Cab
- Cab
- Cab
- Cab
- OPERATOR’S CAB (DOOR) (6/7)
- OPERATOR’S CAB (DOOR)(7/7)
- Cab
- FRONT GUARD (HALF) (OPT)
- FLOOR MAT
- FLOOR MAT (BLADE SPEC.) (OPT)
- Floor mat
- Floor mat
- Floor mat
- Floor mat
- WINDOW WASHER
- AIR CONDITIONER (UNIT)
- AIR CONDITIONER (COOLER HOSE)
- AIR CONDITIONER (HEATER HOSE)
- Air conditioner (seat back cover)
- Air conditioner and defroster
- Floor
- Floor
- FLOOR FRAME (BASE)
- FLOOR FRAME (SAFETY LOCK LEVER)
- FLOOR FRAME (TRAVEL LEVER)
- Floor stand
- Floor stand
- Floor stand
- Floor stand
- Floor stand
- Floor stand
- Floor stand
- FLLOOR FRAME (FUEL CONTROL)
- FLOOR FRAME (LEVER L .H.)
- FLOOR FRAME (P.P.C. WORK LINE)
- FLOOR FRAME (P.P.C. TRAVEL LINE)
- FLOOR FRAME (P.P.C. TRAVEL LINE)
- FLOOR FRAME (P.P.C. TRAVEL LINE)
- FLOOR FRAME (P.P.C. TRAVEL LINE)
- FLOOR FRAME (P.P.C. TRAVEL LINE)
- FLOOR FRAME
- FLOOR FRAME (COVER L.H.)
- FLOOR FRAME
- FLOOR FRAME
- FLOOR FRAME (LEVER R.H.)
- FLOOR FRAME (PANEL)
- FLOOR FRAME (HARNESS)
- FL00R FRAME (HARNESS)
- FL00R FRAME
- FL00R FRAME (COVER)
- FLOOR FRAME
- FLOOR FRAME
- FLOOR FRAME
- FLOOR FRAME
- FLOOR FRAME
- FLOOR FRAME (MONITOR)
- FLOOR MOUNT
- FLOOR (FLOOR FRAME)
- FLOOR (FLOOR FRAME)
- GUARD
- HOOD (HOOD)
- HOOD (HOOD)
- HOOD (MOUNTING PARTS)
- HOOD (MOUNTING PARTS)
- LEFT SIDE COVER
- RIGHT SIDE COVER
- RIGHT SIDE COVER
- PARTITION (FRAME)
- PARTITION (COVER)
- PARTITION (COVER)
- LAMP CASE
- HAND RAIL
- REAR VIEW MIRROR (L.H.) (OPT)
- REAR VIEW MIRROR (R.H.)
- COUNTER WEIGHT
- COUNTER WEIGHT
- WEIGHT MOUNTING
- UNDER COVER
- UNDER COVER
- UNDER COVER (FULL) (OPT)
- SWING CIRCLE AND RELATED PARTS
- TRAVEL AND LOWER PIPING
- UNDER CARRIAGE
- FRONT IDLER
- IDLER CUSHION
- TRACK ROLLER
- CARRIER ROLLER
- TRACK SHOE (TRIPLE GROUSER WITH HOLE) (450MM WIDE
- TRACK SHOE (TRIPLE GROUSER WITH HOLE) (600MM WIDE) (OPT
- TRACK SHOE (SWAMP TYPE) (700MM WIDE) (OPT
- TRACK FRAME
- TRACK FRAME (BLADE SPEC.) (OPT)
- TRACK FRAME
- STRENGTH UNDER COVER (OPT)
- TRACK ROLLER GUARD (OPT)
- WORK EQUIPMENT
- BOOM
- BOOM
- BOOM (WITH HOOK) (OPT)
- BOOM (BOOM, WORK LAMP AND PIN) (FOR 1 or 2-ACTUATER ATTACHMENT) (WITH HOOK) (OPT)
- BOOM (ADDITIONAL LINE)
- BOOM (ADDITIONAL LINE)
- BOOM CYLINDER
- ARM CYLINDER
- ARM
- ARM
- LONG ARM (OPT)
- LONG ARM
- ARM (ADDITIONAL LINE)
- LONG ARM (ADDITIONAL LINE)
- BUCKET CYLINDER
- BUCKET LINK
- REINFORCED BUCKET
- BUCKET, 0.20M 3 WIDTH 650MM
- BUCKET, 0.37M 3 WIDTH 825MM
- BUCKET, 0.28M 3 WIDTH 750MM
- BLADE
- BLADE (STRENGTH) (OPT)
- BLADE CYLINDER
- MARKS AND PLATES
- ACCESSORY
- MISCELLANEOUS
- SERVICE KIT AND COMPONENT PARTS
- SHOE BOLT AND NUT SERVICE KIT
- Track link section
- MAIN PUMP (1/6)
- MAIN PUMP (2/6)
- MAIN PUMP (3/6)
- MAIN PUMP (4/6)
- MAIN PUMP (5/6)
- MAIN PUMP (6/6)
- BOOM CYLINDER (INNER PARTS)
- ARM CYLINDER (INNER PARTS)
- BOOM CYLINDER (INNER PARTS)
- BLADE CYLINDER (INNER PARTS)
- SWIVEL JOINT (INNER PARTS)
- SWIVEL JOINT (INNER PARTS)
- SWING MOTOR(1/2)
- SWING MOTOR (2/2)
- TRAVEL MOTOR (1/3)
- TRAVEL MOTOR (2/3)
- TRAVEL MOTOR (3/3)
- MAIN VALVE (6-VALVE) (1/6)
- MAIN VALVE (6-VALVE) (2/6)
- MAIN VALVE (6-VALVE) (3/6)
- MAIN VALVE (6-VALVE) (4/6)
- MAIN VALVE (6-VALVE) (5/6)
- MAIN VALVE (6-VALVE) (6/6)
- MAIN VALVE (7-VALVE) (OPT)(1/7)
- MAIN VALVE (7-VALVE) (OPT) (2/7)
- MAIN VALVE (7-VALVE) (OPT)(3/7)
- MAIN VALVE (7-VALVE) (OPT)(4/7)
- MAIN VALVE (7-VALVE) (OPT) (5/7)
- MAIN VALVE (7-VALVE) (OPT) (6/7)
- MAIN VALVE (7-VALVE) (7/7)
- MAIN VALVE (7-VALVE)
- MAIN VALVE (7-VALVE)
- MAIN VALVE (7-VALVE)
- MAIN VALVE (7-VALVE)
- MAIN VALVE (7-VALVE)
- MAIN VALVE (7-VALVE)
- MAIN VALVE (7-VALVE)
- MAIN VALVE (8-VALVE) (OPT)(1/8)
- MAIN VALVE (8-VALVE) (OPT)(2/8)
- MAIN VALVE (8-VALVE) (OPT)(3/8)
- MAIN VALVE (8-VALVE) (OPT)(4/8)
- MAIN VALVE (8-VALVE) (OPT)(5/8)
- MAIN VALVE (8-VALVE) (OPT)(6/8)
- MAIN VALVE (8-VALVE) (OPT)(7/8)
- MAIN VALVE (8-VALVE)(8/8)(OPT)
- MAIN VALVE
- MAIN VALVE (8-VALVE)
- MAIN VALVE (8-VALVE)
- MAIN VALVE (8-VALVE)
- MAIN VALVE (8-VALVE)
- MAIN VALVE (8-VALVE)
- MAIN VALVE (8-VALVE)
- MAIN VALVE (8-VALVE)
- MAIN VALVE (9-VALVE)
- MAIN VALVE (9-VALVE)
- MAIN VALVE (9-VALVE)
- MAIN VALVE (9-VALVE)
- MAIN VALVE (9-VALVE)
- MAIN VALVE (9-VALVE)
- MAIN VALVE (9-VALVE)
- MAIN VALVE (9-VALVE)
- MAIN VALVE (9-VALVE)
- PPC VALVE (FOR TRAVEL)
- PPC VALVE (FOR TRAVEL) (OPT)
- PPC VALVE (FOR WORK EQUIPMENT)
- PPC VALVE (FOR ATTACHMENT) (OPT)
- LOCK VALVE (FOR BOOM)(#DBK0001-)
- PILOT VALVE
- ENGINE
-
PC110-7
- ENGINE
- CYLINDER HEAD
- HEAD COVER
- REAR HANGER(#100001-)
- HEAD COVER(#100001-)
- HEAD COVER ACCESSORY(#101744-)
- AIR INTAKE MANIFOLD(#100001-)
- AIR INTAKE CONNECTOR(#101744-)
- EXHAUST MANIFOLD(#100001-)
- TURBOCHARGER
- HEAT SHIELD
- MUFFLER
- MUFFLER MOUNTING(#126319-)
- EXHAUST CONNECTION
- CYLINDER BLOCK
- FRONT COVER (FOR 25A ALTERNATOR)
- FRONT COVER (FOR 35A ALTERNATOR)
- IDLER GEAR(#100001-)
- Blind plug (oil filter upper specification)
- OIL PAN AND SUCTION TUBE
- OIL LEVEL GAUGE(#101744-)
- FLYWHEEL HOUSING
- FLYWHEEL
- CRANKSHAFT
- PISTON
- CRANK PULLEY (NON HARDENING)
- CAMSHAFT AND GEAR(#100001-)
- TAPPET(#100001-)
- ROCKER ARM(#100001-)
- COUPLING (POWER TAKE OFF)
- TACHOMETER DRIVE COVER(#100001-)
- OIL PUMP
- TURBOCHARGER LUBRICATING
- OIL FILTER(#101744-)
- OIL PRESSURE SWITCH(#100001-)
- OIL COOLER
- FUEL INJECTION PUMP(#101744-)
- FUEL INJECTION PUMP (PUMP) (1/2)
- FUEL INJECTION PUMP (PUMP) (2/2)
- Fuel injection pump (speed governor) (1/2) (internal parts)
- Fuel injection pump (speed governor) (2/2) (internal parts)
- Fuel injection pump (supply pump) (internal parts)
- FUEL INJECTION PUMP MOUNTING
- FUEL INJECTION PIPING
- Fuel injection pump lubricator
- FUEL CONTROL (BOOST COMPENSATE)
- FUEL FILTER(#101744-)
- INJECTION NOZZLE
- NOZZLE HOLDER (INNER PARTS)
- Oil return device (center oil return specification)
- WATER PUMP(#101744-)
- WATER PUMP PULLEY
- COOLING FAN(#101744-)
- FAN SPACER
- FAN SPACER MOUNTING
- WATER CONNECTOR (OUTLET)
- COOLING FAN BOLT
- FAN BELT (FOR 35A ALTERNATOR)
- FAN BELT (FOR 25A ALTERNATOR)
- Alternator (for 35A alternator)
- ALTERNATOR (FOR 25A ALTERNATOR)
- Alternator (for 35A alternator)
- Alternator (for 25A alternator)
- Alternator mount (for 25A alternator)
- ALT MOUNTING (EXCEPT JAPAN)
- STARTING MOTOR MOUNTING (3.0KW)
- STARTING MOTOR (INNER PARTS)
- ACCESSORY BRACKET(#101744-)
- WATER PIPING
- ENGINE NAME PLATE
- NAME PLATE AND CAUTION
- AFTER COOLER CONNECTOR(#101744-)
- AIR CLEANER
- SPARE PARTS
- HEATER SWITCH(#101744-)
- SPARE PARTS (FOR 25A ALTERNATOR)
- PRE-FUEL FILTER(#104562-)
- CORROSION RESISTOR(#104562-)
- STARTER RELAY
- MUFFLER DRAIN TUBE
- MUFFLER(#126319-)
- ENGINE RELATED PARTS
- COOLING SYSTEM
- FUEL TANK AND RELATED PARTS
- ELECTRICAL SYSTEM
- BATTERY
- BATTERY (LARGE CAPACITY)
- WIRING (HARNESS AND CLIP)
- WIRING(RELAY AND HARNESS)
- WIRING (MAIN HARNESS)
- WIRING (MAIN HARNESS) (1/3)
- WIRING (MAIN HARNESS)(2/3)
- WIRING (MAIN HARNESS)(3/3)
- WIRING(3/3) (FOR 35A ALTERNATOR)
- Wiring (battery harness and ground wire)
- ADDITIONAL WORK LAMP
- ADDITIONAL WORK LAMP (L.H. DECK)
- LAMP LESS (L.H. DECK)
- ADDITIONAL WORK LAMP (BOOM R.H.)
- REAR WORK LAMP
- BEACON
- HORN
- HYDRAULIC SYSTEM
- HYDRAULIC TANK
- Main valve (connector) (1/2)
- MAIN VALVE (1/2) (1 ACTUATOR)
- MAIN VALVE (2/2)
- MAIN VALVE(2/2) (1 ACTUATOR)
- Main valve (connector) (2/2) (FOR 2-PIECE BOOM)
- MAIN PUMP (CONNECTING PARTS)
- SUCTION LINE
- DELIVERY LINE
- OIL COOLER LINE
- OIL COOLER LINE (1ATT LINE)
- RETURN LINE
- RETURN LINE (1ATT LINE)
- DRAIN LINE
- BOOM LINE
- ARM AND BUCKET LINE
- BURST VALVE LINE
- REVOLVING FRAME
- ATTACHMENT LINE(FOR 1ATT)
- ATTACHMENT LINE
- TRAVEL LINE
- SWING LINE
- LS LINE
- LS LINE (1 ATT LINE)
- SOLENOID VALVE (VALVE)
- SOLENOID VALVE (HOSE)
- SOLENOID VALVE (CLIP)
- PRESSURE SWITCH
- PPC MAIN LINE (HOSE)
- PPC MAIN LINE (CLIP)
- PPC MAIN LINE (CLIP) (2 ACTUATOR)
- MAIN/REVOLVING FRAME
- OPERATORSCOMPARTMENT
- OPERATOR’S SEAT (FABLIC)
- OPERATOR’S SEAT (SUSPENSION)
- HEATED SUSPENSION
- SEAT BELT (48MM WIDE)
- SEAT BELT (78MM WIDE)
- SEAT BELT (50MM WIDE)
- Seat back cover (12V power supply)
- LUGGAGE BOX NET
- TOP GUARD (LEVEL-2)
- FRONT GUARD (FULL) (LEVEL-2)
- FLOOR MAT
- FLOOR MAT (1 ACTUATOR)
- FLOOR MAT (2 ACTUATOR)
- RAIN VISOR 1
- SUN VISOR 2
- SUN ROLLER BLIND
- LOWER WIPER
- LOWER WIPER LESS
- WINDOW WASHER
- AIR CONDITIONER (COMPRESSOR AND RECEIVER DRYER)
- AIR CONDITIONER (PIPING)
- FLOOR FRAME (OPERATOR’S CAB)
- FLOOR FRAME (FRONT WINDOW)
- FLOOR FRAME(FRONT LOWER WINDOW)
- FLOOR FRAME(ROOF WINDOW)
- FLOOR FRAME(DOOR)
- FLOOR FRAME(DOOR LOCK)
- FLOOR FRAME(OPEN LOCK)
- FLOOR FRAME (ELECTRICAL)
- FLOOR FRAME (ELECTRICAL) (RADIO)
- FLOOR FRAME(ACCESSORIES)
- (CAB) (PLUG BOLT AND ANNTENA)
- FLOOR FRAME(CLAMP AND PLATE)
- FLOOR FRAME(MONITOR SYSTEM)
- FLOOR FRAME(PLATE AND DUCT)
- FLOOR FRAME(PARTTION AND FOOT DUCT)
- FLOOR FRAME(SUB PANEL)
- FLOOR FRAME(CLAMP AND BOLT)
- FLOOR FRAME (FLOOR FRAME)
- FLOOR FRAME(TRAVEL CONTROL)
- FLOOR FRAME(FOOT REST) (L.H.)
- FLOOR FRAME (OPERATOR’S CAB) (ATTACHMENT CONTROL) (2 ACTUATOR)
- FLOOR FRAME(1 ACTUATOR)
- FLOOR FRAME(BASE)
- FLOOR FRAME(HARNESS)
- FLOOR FRAME(WINDW WASHER)
- FLOOR(LEVER AND VALVE) (L.H.)
- FLOOR FRAME (CONSOLE) (WITH AIR CONDITIONER AND RADIO) (L.H.)
- FLOOR FRAME (CONSOLE) (WITHOUT AIR CONDITIONER AND RADIO) (L.H.)
- FLOOR FRAME (OPERATOR’S CAB) (CONSOLE) (LOWER) (L.H.)
- FLOOR FRAME (OPERATOR’S CAB) (LEVER AND VALVE) (R.H.)
- FLOOR FRAME (OPERATOR’S CAB) (CONSOLE) (R.H.)
- FLOOR FRAME(AIR AND FOOT COVER)
- FLOOR FRAME (OPERATOR’S CAB) (AIR CONDITIONER HOSE)
- FLOOR (HEATER HOSE AND CLAMP)
- FLOOR FRAME (PPC HOSE) (1/2)
- FLOOR FRAME(PPC HOSE) (2/2)
- FLOOR FRAME(PPC CLAMP)
- FLOOR FRAME (P,T BLOCK AND SEAL) (1 ACTUATOR)
- FLOOR FRAME(P,T BLOCK AND SEAL)
- FLOOR FRAME (P,T BLOCK AND SEAL) (2 ACTUATOR)
- FLOOR MOUNT
- SWITCH (MODEL SELECTION)
- GUARD
- HOOD
- FRAME
- DOOR L.H.
- DOOR R.H.
- PARTITION (1/2)
- PARTITION (2/2)
- COVER (UPPER)
- TOOL CASE (WITH WASHER TANK)
- VALVE UPPER COVER
- VALVE UPPER COVER(2 or 3 ACTUATOR ATTACHMENT)
- HANDRAIL
- BLIND PARTS (FOR HANDRAIL)
- REAR VIEW MIRROR, L.H. (SINGLE)
- REAR VIEW MIRROR, R.H.
- COUNTER WEIGHT(WITH HOOK)
- C0UNTER WEIGHT MOUNTING
- UNDER COVER (L.H.)
- UNDER COVER (R.H.)
- REAR UNDER VIEW MIRROR
- SWING CIRCLE AND RELATED PARTS
- TRAVEL AND LOWER PIPING
- UNDER CARRIAGE
- FRONT IDLER
- IDLER CUSHION
- TRACK ROLLER
- CARRIER ROLLER
- TRACK SHOE(500MM WIDE)
- TRACK SHOE(600MM WIDE)
- TRACK SHOE(700MM WIDE)
- TRACK SHOE(FOR CITY PAD) (500MM WIDE)
- TRACK SHOE (NEW ROAD LINER)(500MM WIDE)
- TRACK FRAME (WITH TRACK FRAME UNDER COVER AND CENTER ROLLER GUARD)
- TRACK FRAME UNDER COVER
- CENTER ROLLER GUARD
- WORK EQUIPMENT
- MARKS AND PLATES
- MARK AND PLATES (CHINESE)
- MARK AND PLATES (ENGLISH)
- PLATE (LUBRICATION STANDARD CHART)
- LOGO
- PLATE (THE POSITION OF LIFTING) (CHINESE)
- PLATE (THE POSITION OF LIFTING) (ENGLISH)
- LOGO (BOOM SIDE)
- CAUTION PLATE (FOR LV2 GUARD)
- CAUTION PLATE(FRONT FULL GUARD)
- CAUTION PLATE(FRONT FULL GUARD AND TOP GUARD)
- PLATE (AIR CLEANER, DOUBLE ELEMENT)(CHINESE)
- PLATE (AIR CLEANER, DOUBLE ELEMENT) (ENGLISH)
- PLATE (WITH ACCUMLATOR)
- PLATE (12V POWER SOURCE)
- ACCESSORY
- MISCELLANEOUS
- SERVICE KIT AND COMPONENT PARTS
- SWING MACHINERY(INNER PARTS)
- SHOE BOLT AND NUT SERVICE KIT
- TRACK LINK ASS’Y(SUPPLY ONLY)
- RUBBER ANTENNA
- OPERATOR’S SEAT ASS’Y
- OPERATOR’S SEAT ASS’Y (FABRIC SEAT)
- MAIN PUMP (1/8)
- MAIN PUMP (2/8)
- MAIN PUMP (3/8)
- MAIN PUMP (4/8)
- MAIN PUMP (5/8)
- MAIN PUMP (6/8)
- MAIN PUMP (7/8)
- MAIN PUMP (8/8)
- BOOM CYLINDER (INNER PARTS)
- BOOM CYLINDER (INNER PARTS) (SHOCK RELEASE SPEC.)
- ARM CYLINDER (INNER PARTS)
- ARM CYLINDER (WITH BURST VALVE) (INNER PARTS
- BUCKET CYLINDER (INNER PARTS)
- SWIVEL JOINT (INNER PARTS)
- SWING MOTOR (1/2)
- SWING MOTOR (2/2)
- TRAVEL M0TOR(MOTOR ASS’Y)(1/3)
- TRAVEL MOTOR(VALVE ASS’Y)(2/3)
- TRAVEL MOTOR(3/3)
- MAIN VALVE(7-VALVE)(1/13) (WITH DRIFT PREVENTIVE)
- MAIN VALVE(7-VALVE)(2/13) (WITH DRIFT PREVENTIVE)
- MAIN VALVE(7-VALVE)(3/13) (WITH DRIFT PREVENTIVE)
- MAIN VALVE (7-VALVE) (4/13) (WITH DRIFT PREVENTIVE)
- MAIN VALVE (7-VALVE) (5/13) (WITH DRIFT PREVENTIVE)
- MAIN VALVE (7-VALVE) (6/13) (WITH DRIFT PREVENTIVE)
- MAIN VALVE (7-VALVE) (7/13) (WITH DRIFT PREVENTIVE)
- MAIN VALVE (7-VALVE) (8/13) (WITH DRIFT PREVENTIVE)
- MAIN VALVE (7-VALVE) (9/13) (WITH DRIFT PREVENTIVE)
- MAIN VALVE (7-VALVE) (10/13)
- MAIN VALVE (7-VALVE) (13/13) (WITH DRIFT PREVENTIVE)
- PPC VALVE (FOR TRAVEL)
- WORK EQUIPMENT LEVER(L.H.)
- WORK EQUIPMENT LEVER(R.H.)
- PPC VALVE(FOR ATTACHMENT)
- PILOT VALVE
- BURST VALVE(FOR BOOM CYLINDER)
- BURST VALVE(FOR ARM CYLINDER)
- SOLENOID VALVE(INNER PARTS)
- COMPRESSOR ASS’Y
- UNIT ASSY (COOLING) (FOR AIR CONDITIONER)
- MAIN VALVE (7-VALVE) (11/13)
- MAIN VALVE (7-VALVE) (12/13)
- ENGINE
-
PC200-7
- ENGINE
- HEAD ASSY
- WATER TEMPERATURE SENSOR
- REAR HANGER
- HEAD COVER
- AIR CONNECTOR
- AIR INTAKE HEATER
- AIR INLET COVER
- EXHAUST CONNECTOR CLAMP
- EXHAUST MANIFOLD GASKET AND BOLT
- EXHAUST MANIFOLD AND PLUG
- TURBOCHARGER OIL PIPING
- TURBOCHARGER OUT CONNECTION
- TURBOCHARGER MOUNTING
- HEAT SHIELD
- MUFFLER AND MOUNTING
- THERMOSTAT HOUSING
- THERMOSTAT
- OIL PRESSURE SWITCH
- CYLINDER BLOCK
- FRONT COVER POINTER
- FRONT COVER
- CAM FOLLOWER COVER
- BREATHER HOS
- CYLINDER BLOCK BLIND PLUG
- OIL PAN BOLT
- OIL LEVEL SENSOR
- OIL PAN AND SUCTION
- OIL LEVEL GAUGE
- REVOLUTION SENSOR
- FLYWHEEL HOUSING
- FLYWHEEL
- CRANKSHAFT
- DAMPER
- PISTON
- ROCKER ARM
- TAPPET
- CAMSHAFT
- FRONT GEAR TRAIN COVER
- ACCESSORY PULLEY
- TACHOMETER DRIVE COVER
- UNDER PLATE
- NOISE PANEL CYLINDER BLOCK
- OIL PUMP
- OIL FILTER AND PIPING
- OIL COOLER COVER
- FUEL INJECTION PUMP
- BOOST TUBE
- NOISE PANEL INJECTION PUMP
- FUEL HOSE JOINT
- FUEL INJECTION PUMP MOUNTING
- FUEL FILTER
- FUEL FILTER PIPING
- FUEL INJECTION PIPING
- Cylinder block blind cover and fuel filter line
- INJECTION NOZZLE
- FUEL JOINT
- WATER PUMP
- WATER CONNECTOR
- WATER CONNECTOR PLUG
- WATER PUMP (HAEDENING PULLEY)
- ALTERNATOR DRIVE PULLEY
- COOLING FAN
- FAN SPACER
- ALTERNATOR
- ALTERNATOR
- ALTERNATOR (INNER PARTS)
- ALTERNATOR (INNER PARTS)
- BELT TENSIONER
- ALTERNATOR MOUNTING
- STARTING MOTOR
- STARTING MOTOR
- STARTING MOTOR(INNER PARTS)
- STARTING MOTOR(INNER PARTS)
- STARTING MOTOR MOUNTING
- STARTING MOTOR MOUNTING
- REPAIR PARTS (CYLINDER HEAD)
- REPAIR PARTS (CYLINDER HEAD)
- REPAIR PARTS (CRANKSHAFT)
- REPAIR PARTS (PISTON)
- CAUTION PLATE (JAPANESE-ENGLISH)
- CAUTION PLATE
- Main pump connection parts
- AIR CLEANER
- ENGINE RELATED PARTS
- COOLING SYSTEM
- FUEL TANK AND RELATED PARTS
- ELECTRICAL SYSTEM
- BATTERY
- WIRING (STARTING HARNESS)
- WIRING (MAIN HARNESS) (HARNESS AND CLIP)
- WIRING (MAIN HARNESS) (CLIP)(1/2)
- WIRING (MAIN HARNESS) (CLIP) (2/2)
- WIRING (BATTERY CASE)
- WIRING (WORKING LAMP, FRONT)
- ADDITIONAL WORK LAMP (OPT)
- ADDITIONAL WORK LAMP (FOR LEVEL-1 GUARD) (OPT)
- REAR WARK LAMP (OPT)
- BEACON (OPT)
- HORN
- TRAVEL ALARM (OPT)
- HYDRAULIC SYSTEM
- HYDRAULIC TANK
- HYDRAULIC TANK (1 ACTUATOR) (OPT)
- MAIN VALVE (CONNECTING PARTS)
- MAIN VALVE (CONNECTING PARTS) (1 ACTUATOR) (OPT)
- MAIN VALVE (ADDITIONAL SERVICE VALVE KIT) (1 ACTUATOR) (OPT)
- MAIN VALVE (ADDITIONAL SERVICE VALVE KIT) (2 ACTUATOR) (OPT)
- MAIN VALVE (CONNECTING PARTS) (2/2)
- MAIN VALVE (CONNECTING PARTS) (1 ACTUATOR) (OPT) (2/2)
- MAIN VALVE (VALVE BRACKET) (OPT)
- MAIN VALVE (VALVE BRACKET) (1 ACTUATOR) (OPT)
- MAIN VALVE (SERVICE VALVE PLUG) (1 ACTUATOR) (OPT)
- MAIN PUMP (CONNECTING PARTS)
- SUCTION LINE
- DELIVERY LINE
- OIL COOLER LINE
- RETURN LINE
- RETURN LINE (1 ACTUATOR) (OPT)
- DRAIN LINES
- BOOM LINE (BOOM LINES)
- BOOM LINE (BOOM HOSE)
- ARM AND BUCKET LINE
- ARM AND BUCKET LINE (WITH DRIFT PRIVENTIVE) (OPT)
- ATTACHMENT LINES (MAIN L. H.) (1 ACTUATOR) (OPT)
- RELIEF VALVE (280 KG/CM2) (FOR SERVICE VALVE) (OPT)
- RELIEF VALVE (210 KG/CM2) (FOR SERVICE VALVE) (OPT)
- RELIEF VALVE (250 KG/CM2) (FOR SERVICE VALVE) (OPT)
- RELIEF VALVE (175 KG/CM2) (FOR SERVICE VALVE) (OPT)
- ATTACHMENT LINES (MAIN R. H.) (1 ACTUATOR) (OPT)
- ATTACHMENT LINES (RETURN ) (1 ACTUATOR) (OPT)
- ATTACHMENT LINES (ACCUMULATOR AND SOLENOLD VALVE (1 ACTUATOR) (OPT)
- TRAVEL LINES
- FIG. H1340-01A0 SWING LINES
- LS LINES
- SOLENOID VALVE (VALVE)
- SOLENOID VALVE (VALVE) (1 ACTUATOR) (OPT)
- SOLENOID VALVE (HOSE AND BRACKET)
- PRESSURE SWITCH
- PPC MAIN LINE (HOSE)
- PPC MAIN LINE (BLOCK ) (1 ACTUATOR) (OPT)
- REVOLVING FRAME AND RELATED PARTS
- OPERATOR’S COMPARTMENT AND CONTROL SYSTEM
- OPERATOR’S SEAT (SUSPENSION)
- SEAT BELT (50 MM WIDE) (OPT)
- SEAT BELT (78 MM WIDE) (OPT)
- SEAT BELT (50 MM WIDE) (OPT)
- SEAT REAR COVER (WITH AIR CONDITIONER)
- LUGGAGE BOX NET (OPT)
- OPERATOR’S CAB (CAB)
- OPERATOR’S CAB (FRONT WINDOW)
- OPERATOR’S CAB (FRONT LOWER WINDOW)
- OPERATOR’S CAB (ROOF WINDOW)
- OPERATOR’S CAB (DOOR)
- OPERATOR’S CAB (DOOR LOCK)
- OPERATOR’S CAB (OPEN LOCK)
- OPERATOR’S CAB (WIPER AND ROOM LAMP)
- OPERATOR’S CAB (RADIO)
- OPERATOR’S CAB (ACCESSORIES)
- OPERATOR’S CAB (BOLT)
- OPERATOR’S CAB (WIRING)
- OPERATOR’S CAB (MONITOR SYSTEM)
- OPERATOR’S CAB (COVER)
- OPERATOR’S CAB (DUCT)
- TOP GUARD (OPT)
- FRONT GUARD (HALF) (OPT)
- FRONT GUARD (FULL) (LEVEL-1) (OPT)
- FRONT GUARD (FULL) (LEVEL-2) (OPT)
- FLOOR MAT
- FLOOR MAT (1 ACTUATOR) (OPT)
- RAIN VISOR (OPT)
- SUN VISOR (OPT)
- WINDOW WASHER
- AIR CONDITIONER (DUCT)
- AIR CONDITIONER (HOSE)
- AIR CONDITIONER (REAR DUCT)
- FIRE EXTINGUISHER (ENGLISH) (OPT)
- FLOOR FRAME
- FLOOR FRAME (TRAVEL CONTROL)
- FLOOR FRAME (FOOT REST (L. H.)
- FLOOR FRAME (FOOT REST) (R. H.)
- FLOOR FRAME (FOOT REST) (R. H.) (1 ACTUATOR) (OPT)
- FLOOR FRAME (BASE)
- FLOOR FRAME (ELECTRICAL)
- FLOOR FRANE (CLIP)
- FLOOR FRAME (REAR FRAME AND WIND WASHER)
- FLOOR FRANE (LEVER AND VALVE) (L. H.)
- FLOOR FRAME (CONSOLE) (UPPER) (L.H.) (WITH AIR CONDITIONER AND RADIO)
- FLOOR FRAME (CONSOLE) (UPPER) (L.H.)(WITHOUT AIR CONDITIONER AND RADIO) (OPT)
- FLOOR FRAME (CONSOLE) (LOWER) (L.H.)
- FLOOR FRAME (CONSOLE) (UNDER) (L.H.)
- FLOOR FRAME (LEVER AND VALVE) (R. H.)
- FLOOR FRAME (CONSOLE) (MASTER KEY) (R. H.)
- FLOOR FRAME (AIR CONDITIONER AND FOOT COVER)
- FLOOR FRAME (FOOT COVER)
- FLOOR FRAME (AIR CONDITIONER HOSE)
- FLOOR FRAME (HERTER HOSE AND CLAMP)
- FLOOR FRAME (PPC) (1/2)
- FLOOR FRAME (PPC) (2/2)
- FLOOR FRAME (PPC CLAMP)
- FLOOR FRAME (P, T BLOCK AND SEAL)
- FLOOR FRAME (P, T BLOCK AND SEAL) (1 ACTUATOR) (OPT)
- FLOOR FRAME (P, T BLOCK AND SEAL) (WITHOUT AIR CONDITIONER AND RADIO) (OPT)
- FLOOR FRAME
- FLOOR FRAME (LEVER KNOB)
- FLOOR MOUNT
- SWITCH
- COVER
- GUARD
- HOOD
- FRAME (MACHINE CAB)
- LEFT SIDE DOOR (MACHINE CAB)
- RIGHT SIDE DOOR (MACHINE CAB)
- PARTITION (MACHINE CAB)
- PARTITION
- COVER (MACHINE CAB) (UPPER)
- RIGHT SIDE CASE
- HAND RAIL
- REAR VIEW MIRROR、L. H.
- Right rear view mirror
- COUNTER WEIGHT
- COUNTER WEIGHT MOUNTING
- UNDER COVER (REVOLVING FRAME)
- UNDER COVER (REVOLVING FRAME)
- SWING CIRCLE AND RELATED PARTS
- TRAVEL AND LOWER PIPING
- UNDER CARRIAGE
- FRONT IDLER
- IDLER CUSHION
- IDLER CUSHION
- TRACK ROLLER
- TRACK ROLLER
- CARRIER ROLLER
- TRACK SHOE (SWAMP TYPE) (860 mm WIDE) (OPT)
- TRACK SHOE (FLAT TYPE)(610 mm WIDE) (OPT)
- TRACK SHOE (ROADLINER)(600 mm WIDE) (OPT)
- TRACK SHOE (TRIPLE GROUSER WITH HOLE(600 mm WIDE)
- TRACK SHOE (TRIPLE GROUSER WITH HOLE)(700 mm WIDE) (OPT)
- TRACK SHOE (TRIPLE GROUSER WITH HOLE)(800 mm WIDE) (OPT)
- TRACK SHOE (TRIPLE GROUSER)(HOLES TO EQUIP WITH CITY PAD) (OPT)
- TRACK SHOE (SWAMP TYPE)(860 mm WIDE) (OPT)
- TRACK SHOE (TRIPLE GROUSER WITH HOLE)(600 MM WIDE)
- TRACK SHOE (TRIPLE GROUSER WITH HOLE)(700 MM WIDE) (OPT)
- TRACK SHOE (TRIPLE GROUSER WITH HOLE)(700 MM WIDE) (OPT)
- TRACK FRAME
- TRACK FRAME
- TRACK FRAME (WITH UNDER COVER)
- TRACK FRAME (WITH UNDER COVER)
- UNDER COVER (FOR TRACK FRAME) (OPT)
- TRACK ROLLER GUARD
- TRACK FULL ROLLER GUARD (OPT)
- TRACK FULL ROLLER GUARD (OPT)
- WORK EQUIPMENT
- BOOM
- BOOM (TOP PIN AND BOOTOM PIN)
- BOOM (ARM CYLINDER LINE AND BUCKET CYLINDER LINE)
- BOOM (FOR ADDITIONAL PIPING) (ARM CYLINDER LINE AND BUCKET CYLINDER LINE) (OPT)
- BOOM (LUBRICATING LINE AND WORKING LAMP HARNESS)
- BOOM (ADDITIONAL LINE) (FOR ADDITIONAL PIPING) (OPT)
- BOOM (WORKING LAMP AND BOOM FOOT LUBRICATING)
- BOOM CYLINDER
- BOOM PIN
- ARM CYLINDER
- ARM CYLINDER (BLIND PARTS) (FOR COMPONENT)
- ARM (2.9m)(PC200, 200LC-7)
- ARM (2.9m)(PC210, 210LC-7)
- ARM (2.9M) (FOR ADDITIONAL PIPING) (OPT)
- ARM (2.4M) (FOR ADDITIONAL PIPING) (OPT)
- ARM (2.9M) (BUCKET LINK)(PC200, PC200LC-7)
- ARM (2.9M) (BUCKET LINK)(PC210, PC210LC-7)
- ARM (2.9M) BUCKET LINK ) (FOR ADDITIONAL PIPING) (OPT)
- ARM (2.4M) (BUCKET LINK) (OPT)
- ARM (2.9M) (BUCKET CYLINDER HOSE AND SPACER)
- ARM (2.4M) (BUCKET CYLINDER HOSE AND SPACER) (OPT)
- ARM (2.9M) (ADDITIONAL PIPING) (OPT)
- ARM (2.4M) (ADDITIONAL PIPING) (L. H.) (OPT)
- ARM (2.4M) (ADDITIONAL PIPING) (R. H.) (OPT)
- BUCKET LESS
- CLAMSHELL BUCKET (OPT)
- BUCKET, 0.5M3, 750 MM (HORIZONTAL PIN TYPE)
- RIPPER BUCKET, 0.61M3, 950 MM
- SLOPE FINISHING BUCKET (OPT)
- TRAPEZOIDAL BUCKET (OPT)
- DITCH CLEANING BUCKET, 0.8M3, 1800 MM (OPT)
- SINGLE SHANK RIPPER
- THREE SHANK RIPPER
- BUCKET, 1.0M3 (HORIZONTAL PIN TYPE) (OPT)
- BUCKET, 0.8M3 (HORIZONTAL PIN TYPE)
- BUCKET, 0.8M3 (ROCKTYPE) (OPT)
- BUCKET, 0.9M3 (HORIZONTAL PIN TYPE) WITH ADJUSTER)
- SIDE CUTTER (FOR BUCKET)
- BREAKER ADAPTER (FOR KRUPP) (OPT)
- BREAKER ADAPTER (FOR NIPPON PNEUMATIC) (OPT)
- BREAKER ADAPTER (FOR FUPUKAWA AND ATLAS) (OPT)
- BREAKER ADAPTER (FOR MATUDA) (OPT)
- MARKS AND PLATES
- DECAL AND PLATE (CHINESE)
- DECAL AND PLATE (CHINESE)
- DECAL AND PLATE (CHINESE)
- DECAL AND PLATE (CHINESE)
- LOGO (KOMATSU) (SMALL) (GENERAL)
- PLATE (BOOM SIDE、R.H.) (LOGO MARK)
- PLATE (LIFTING CAPACITY) (ENGLISH) (OPT)
- PLATE (LIFTING CAPACITY) (ENGLISH) (OPT)
- PLATE (AIR CLEANER, DOUBLE ELEMENT)
- PLATE (WITH ACCUMLATOR) (OPT)
- ACCESSORY
- MISCELLANEOUS
- PREVENTIVE MAINTENANCE CLINIC PARTS (OPT)
- BLIND PARTS (BODY) (OPT)
- BLIND PARTS (BODY) (1 ACTUATOR) (OPT)
- BLIND PARTS (BOOM) (OPT)
- BLIND PARTS (BOOM) (1 ACTUATOR) (OPT)
- BLIND PARTS (BOOM) (FOR COMPONENT) (OPT)
- BLIND PARTS (BOOM) (1 ACTUATOR) (FOR COMPONENT) (OPT)
- BLIND PARTS (BOOM CYLINDER) (OPT)
- BLIND PARTS (ARM) (OPT)
- BLIND PARTS (ARM) (1 ACTUATOR) (OPT)
- SERVICE KIT AND COMPONENT PARTS
- SWING MACHINERY (SUPPLY ONLY)
- FINAL DRIVE (SUPPLY ONLY)
- SHOE BOLT AND NUT SERVICE KIT
- TRACK LINK ASS’Y (90 SET) (SUPPLY PARTS)
- TRACK LINK ASS’Y (98 SET) (SUPPLY PARTS)
- AIR CLEANER (INNER PART)
- WIRING HARNESS (JUNCTION CONNECTOR) (FOR SUPPLY)
- MAIN PUMP (1/11)
- MAIN PUMP (2/11)
- AMIN PUMP (3/11)
- MAIN PUMP (4/11)
- MAIN PUMP (5/11)
- MAIN PUMP (6/11)
- MAIN PUMP (7/11)
- MAIN PUMP (8/11)
- MAIN PUMP (9/11)
- MAIN PUMP (10/11)
- MAIN PUMP (11/11)
- BOOM CYLINDER
- ARM CYLINDER
- BUCKET CYLINDER
- SWIVEL JOINT
- SWING MOTOR (1/3)
- SWING MOTOR (2/3)
- SWING MOTOR (3/3)
- TRAVEL MOTOR (1/3)
- TRAVEL MOTOR (2/3)
- TRAVEL MOTOR (3/3)
- MAIN VALVE (1/16)
- MAIN VALVE (2/16)
- MAIN VALVE (3/16)
- MAIN VALVE (4/16)
- MAIN VALVE (5/16)
- MAIN VALVE (6/16)
- MAIN VALVE (7/16)
- MAIN VALVE (8/16)
- MAIN VALVE (9/16)
- MAIN VALVE (10/16)
- MAIN VALVE (11/16)
- MAIN VALVE (12/16)
- MAIN VALVE (13/16)
- MAIN VALVE (14/16)
- MAIN VALVE (15/16)
- MAIN VALVE (16/16)
- MAIN VALVE (1-ACTUATOR) (1/19)(OPT)
- MAIN VALVE (1-ACTUATOR) (2/19)(OPT)
- MAIN VALVE (1-ACTUATOR) (3/19)(OPT)
- MAIN VALVE (1-ACTUATOR) (4/19)(OPT)
- MAIN VALVE (1-ACTUATOR) (5/19)(OPT)
- MAIN VALVE (1-ACTUATOR) (6/19)(OPT)
- MAIN VALVE (1-ACTUATOR) (7/19)(OPT)
- MAIN VALVE (1-ACTUATOR) (8/19)(OPT)
- MAIN VALVE (1-ACTUATOR) (9/19)(OPT)
- MAIN VALVE (1-ACTUATOR) (10/19)(OPT)
- MAIN VALVE (1-ACTUATOR) (11/19)(OPT)
- MAIN VALVE (1-ACTUATOR) (12/19)(OPT)
- MAIN VALVE (1-ACTUATOR) (13/19)(OPT)
- MAIN VALVE (1-ACTUATOR) (14/19)(OPT)
- MAIN VALVE (1-ACTUATOR) (15/19)(OPT)
- MAIN VALVE (1-ACTUATOR) (16/19)(OPT)
- MAIN VALVE (1-ACTUATOR) (17/19)(OPT)
- MAIN VALVE (1-ACTUATOR) (18/19)(OPT)
- MAIN VALVE (1-ACTUATOR) (19/19)(OPT)
- SERVICE VALVE (1/3)(OPT)
- SERVICE VALVE (2/3)(OPT)
- SERVICE VALVE (3/3)(OPT)
- SERVICE VALVE (1/3)(OPT)
- SERVICE VALVE (2/3)(OPT)
- SERVICE VALVE (3/3)(OPT)
- PPC VALVE (FOR TRAVEL) 1/2)
- PPC VALVE (FOR TRAVEL) (2/2)
- PPC VALVE (FOR WORK EQUIPMENT)
- PPC VALVE (FOR ATTACHMENT)(OPT)
- EPC VALVE(OPT)
- LOCK VALVE(OPT)
- SELECTOR VALVE(OPT)
- ACCUMULATOR (AL300-1) (INNER PARTS)(OPT)
- FILTER (INNER PARTS)(OPT)
- SOLENOID VALVE (INNER PARTS)
- SOLENOID VALVE (INNER PARTS)(OPT)
- COMPRESSOR ASS’Y (FOR AIR CONDITIONER)
- UNIT ASS’Y (FOR AIR CONDITIONER)
- UNIT ASS’Y (COOLING) (FOR AIR CONDITIONER)
- BLOWER ASS’Y (FOR AIR CONDITIONER)
- CONDENSER ASS’Y (FOR AIR CONDITIONER)
- ENGINE
-
PC200-8
- ENGINE(SAA6D107E-1)
- CYLINDER HEAD
- COOLANT VENTILATOR
- COOLING HEATER PLUG
- LIFTING BRACKET
- LIFTING BRACKET MOUNTING
- HEAD COVER
- BREATHER AND HOSE
- AIR INTAKE CONNECTOR
- AIR INTAKE HEATER
- EXHAUST MANIFOLD
- TURBOCHARGER
- AIR INTAKE COVER
- HEAT SHIELD (TURBOCHARGER)
- Silencer and mounting bracket
- THERMOSTAT
- CYLINDER BLOCK NOZZLE
- OIL PAN
- FLYWHEEL HOUSING
- CRANKSHAFT
- CAMSHAFT
- REAR GEAR HOUSING
- OIL PUMP
- OIL FILTER AND PIPING
- OIL COOLER
- FUEL INJECTION PUMP
- FUEL FILTER AND PIPING
- INJECTOR
- FUEL INJECTION CONTROLLER PARTS
- WATER PUMP
- WATER INLET CONNECTOR
- FAN DRIVER PULLEY
- COOLING FAN
- FAN SPACER
- ALTERNATOR
- COOLING FAN BELT (SANDY
- ALTERNATOR MOUNTING (SANDY
- BELT TENSIONER
- STARTING MOTOR (5.5 KW)
- STARTING MOTOR MOUNTING
- WIRING HARNESS
- WATER SEPARATOR
- TAPPET AND PLATE
- PLUG (TORQUE CONVERTER COOLING
- CYLINDER BLOCK
- FRONT GEAR COVER
- CYLINDER BLOCK BLIND PLUG
- REAR GEAR COVER FITTING PARTS
- CABIN HEATER PLUG
- OIL PAN DRAIN
- OIL LEVEL SENSOR
- OIL LEVEL GAUGE
- FLYWHEEL
- FLYWHEEL MOUNTING
- DAMPER
- PISTON AND CONNECTING ROD
- ROCKER ARM
- OIL FILTER MOUNTING
- FUEL SYSTEM RELATED PARTS
- FUEL PIPING
- FUEL FILTER MOUNTING
- FUEL SYSTEM COVER
- Fuel filter line and shared oil sump
- FAN DRIVER PULLEY
- ALTERNATOR(60A)
- ALTERNATOR (35A)
- ALTERNATOR (35A) (INNER PARTS)
- ALTERNATOR (35A) (INNER PARTS)
- ALTERNATOR (60A) (INNER PARTS)
- COOLING FAN BELT(LONG SIZE
- COOLING FAN BELT
- ALTERNATOR MOUNTING
- STARTING MOTOR (4.5KW)
- Starter motor (5.5 KW) (internal parts)
- STARTING MOTOR (4.5KW) (INNER
- STARTING MOTOR MOUNTING (5.5 KW)
- STARTING MOTOR MOUNTING (4.5KW)
- DATA PLATE
- HEATER SWITCH
- STARTER RELAY
- MUFFLER TUBE
- FUEL PRE-FILTER
- Air filter (without air filter body)
- AIR TRANSFER CONNECTION
- Spare parts (extra long V-belt)
- CORROSION RESISTOR
- (LONG SIZE BELT
- SPARE PARTS
- Exhaust muffler and mounting bracket (with clamp)
- MUFFLER(WITH BRACKET AND CLAMP)
- ALTERNATOR (60A)
- AIR CLEANER
- ALTERNATOR (60A) (INNER PARTS)
- AIR INTAKE CONNECTOR MOUNTING
- EXHAUST CONNECTOR CLAMP
- TURBOCHARGER OIL PIPING
- HEAT SHIELD
- Heat shield (sand specification (with silencer joint cover)
- HEAT SHIELD (SANDY AND DUSTY
- WATER OUTLET CONNECTOR
- ACCESSORY DRIVE PULLEY
- FUEL FILTER
- BREATHER HOSE RELATED PARTS
- COOLING SYSTEM
- FUEL TANK AND RELATED PART
- ELECTRICAL
- ELECTRICAL SYSTEM
- BATTERY
- BATTERY (LARGE CAPACITY)
- Wire (starting harness)
- Wire (starting harness)
- ELECTRIC WIRING (MAIN HARNESS)
- (MAIN HARNESS) (2/2)
- ELECTRIC WIRING (ENGINE SIDE)
- ELECTRIC WIRING ENGINE SIDE)
- ELECTRIC WIRING (BATTERY CASE
- ADDITIONAL WORK LAMP
- ADDITIONAL WORK LAMP
- ADDITIONAL REAR WORK LAMP
- BEACON LAMP
- BEACON LAMP (SWITCH)
- HORN
- TRAVEL ALARM
- REAR VIEW MONITORING SYSTEM LESS
- REAR VIEW MONITORING CAMERA)
- REAR VIEW MONITORING 2 CAMERA
- HYDRAULIC SYSTEM
- HYDRAULIC OIL TANK
- HYDRAULIC OIL TANK (FOR 1
- MAIN CONTROL VALVE (1/2)
- MAIN CONTROL VALVE (2/2)
- MAIN CONTROL VALVE (FOR 1 (2/2)
- MAIN VALVE ( SERVICE VALVE)
- Main control valve (seat and sensor)
- RETURN LINE (FOR 1-ACTUATOR)
- DRAIN LINES
- BOOM LINE
- ARM AND BUCKET LINE
- ARM AND BUCKET LINE ( VALVE)
- ARM DRIFT PRIVENTIVE
- ATTACHMENT LINE (MAIN LINE
- ATTACHMENT LINE (MAIN LINE, R.H
- ATTACHMENT LINE (RETURN
- TRAVEL LINE
- SWING LINES
- LS LINES
- LS LINES (FOR 1-ACTUATOR)
- SOLENOID VALVE CIRCUIT
- SOLENOID VALVE CIRCUIT(FOR 1-
- SOLENOID VALVE CIRCUIT( PIPING
- SOLENOID VALVE PIPING (FOR 1-
- PRESSURE SWITCH BLOCK
- PPC MAIN LINE
- MAIN PUMP
- SUCTION LINE
- DELIVERY LINE
- OIL COOLER LINES
- RETURN LINE
- MAIN/REVOLVING FRAME AND RELATED
- Cab and control system
- OPERATOR’S SEAT (RIGID TYPE
- OPERATOR’S SEAT (SUSPENSION
- OPERATOR’S SEAT (FOR KAB SEAT)
- SEAT BELT (50MM WIDE)
- SEAT BELT (78MM WIDE)KBA
- SEAT BELT (78MM WIDE)
- SEAT BELT (50MM WIDE) KAB
- TOP GUARD
- FRONT FULL GUARD
- FRONT GUARD
- HALF GUARD
- FLOOR MAT
- FLOOR MAT (FOR 1-ACTUATOR)
- RAIN VISOR
- SUN VISOR
- WINDOW WASHER
- AIR CONDITIONER
- FIRE EXTINGUISHER (CHINESE)
- FIRE EXTINGUISHER (ENGLISH)
- OPERATOR’S CAB (CAB AND WINDOW)
- OPERATOR’S CAB (FRONT WINDOW)
- CAB (FRONT LOWER WINDOW)
- OPERATOR’S CAB (ROOF VENTILATOR
- OPERATOR’S CAB (DOOR)
- OPERATOR’S CAB (DOOR LOCK)
- CAB (OPEN LOCK AND DOOR CATCH)
- CAB (WIPER AND ROOM LAMP)
- CAB (SPEAKER AND WINDOW WASHER)
- CAB (ROOF COVER AND AIR INTAKE)
- CAB (PURESSURE VALVE AND GRIP)
- CAB (KOMTRAX GSM ANTENNA
- CAB IN PARTS (MONITOR
- CAB IN PARTS) (MONITOR COVER)
- CAB IN PARTS) (LUGGAGE PLATE)
- CAB IN PARTS) (MONITOR DUCT
- CAB IN PARTS) (AIR DUCT
- CAB IN PARTS) (PARTITION FILTER
- CAB(SUB PLATE AND RELAY)
- (CAB IN PARTS) (AIR CONDITIONER
- CAB (MAIN HARNESS CLAMP)
- CAB IN PARTS) (REAR COVER)
- OPERATOR’S CAB (FLOOR) (FRAME
- CAB (FLOOR) (TRAVEL CONTROL)
- CAB (FLOOR) (FOOT REST, L.H.)
- CAB (FLOOR) (FOOT REST, R.H.)
- CAB (FLOOR) (1ST. ATTACHIMENT
- CAB (FLOOR) (BASE)
- CAB (FLOOR) (BASE) (FOR KAB
- CAB (FLOOR) (HARNESS)
- CAB (FLOOR) (HARNESS CLAMP
- CAB (FLOOR) (WINDOW WASHER HOSE)
- CAB (FLOOR) (LEVER, L.H.)
- CAB (FLOOR) (VALVE, L.H.)
- CAB (FLOOR) (CONSOL, L.H.)
- CAB (P.P.C. LOCK LEVER RADIO)
- CAB (FLOOR) (ARM REST, L.H.)
- CAB (FLOOR) (LEVER, R.H.)
- CAB (FLOOR) (VALVE, R.H.)
- CAB (FLOOR) (CONSOL, R.H.)
- CAB (FLOOR) (ARM REST, R.H.)
- CAB (AIR CONDITIONER UNIT)
- CAB (AIR CONDITIONER HOSE
- CAB (FLOOR) (HEATER HOSE)
- CAB PIPING FOR TRAVEL VALVE
- CAB.PIPING FOR PILOT VALVE
- CAB(P.P.C. HOSE CLAMP)
- CAB(P, T BLOCK AND SEAL)
- CAB BLOCK AND SEAL) (1 ACTUATOR)
- CAB (FLOOR) (REAR CAMERA CABLE
- FLOOR MOUNTS
- MODE SELECTION CONNECTORS
- GUARD
- H00D
- MACHINE CAB FRAME
- CAB FRAME (WITH PRE-CLEANER)
- SIDE COVER, L.H.
- SIDE COVER, R.H.
- Partition (left side) (with anti-corrosion) (with air conditioning)
- PARTITION (MIDDLE)
- PARTITION ( MUFFLER SIDE)
- MACHINE CAB COVER
- MACHINE CAB COVER (PRE CLEANER)
- MACHINE CAB COVER
- BATTERY CASE
- HANDRAIL
- REAR VIEW MIRROR, L.H
- REAR VIEW MIRROR, R.H
- REAR VIEW MIRROR (FOR COUNTER
- COUNTER WEIGHT (3730KG)
- COUNTER WEIGHT (WITH REAR VIEW
- COUNTER WEIGHT MOUNTING
- UNDER COVER (WATER SEPARATOR)
- UNDER COVER (1/2)
- UNDER COVER (2/2)
- SWING CIRCLE AND RELATED PARTS
- TRAVEL AND LOWER PIPING
- UNDER CARRIAGE
- FRONT IDLER
- IDLER AND CUSHION
- IDLER AND CUSHION (LC)
- TRACK ROLLER
- TRACK ROLLER (LC)
- CARRIER ROLLER
- TRACK SHOE (600MM WIDE)
- TRACK SHOE (600MM WIDE) (LC)
- TRACK SHOE (800MM WIDE)
- TRACK SHOE(800MM WIDE) (LC)
- TRACK SHOE (600MM WIDE)
- TRACK SHOE (600MM WIDE) (LC)
- TRACK FRAME
- TRACK FRAME (LC)
- Partition (left side) (with anti-corrosion) (with air conditioning)
- TRACK FRAME ROLLER GUARD) (LC)
- UNDER COVER (FOR TRACK FRAME)
- TRACK ROLLER GUARD
- TRACK ROLLER GUARD (LC)
- WORK EQUIPMENT
- BOOM (5.7M ) (HEAVY DUTY)
- Boom (top pin and stick cylinder bottom pin) (100 hour lubrication type)
- BOOM (CYLINDER LINES)
- BOOM (LUBRICATING LINE , HARNESS
- BOOM (ATTACHMENT PLUG)
- BOOM (ADDITIONAL LINES)
- Boom (lubrication line and work light)
- Boom cylinder (100 hour lubrication type)
- Boom cylinder head pin (100 hour lubrication type)
- ARM CYLINDER (100 HOURS GREASING
- ARM (2.9M) (100 HOURS
- ARM (2.9M) (PC210,PC210LC)
- ARM (2.9M)(FOR 1-ACTUATOR)
- ARM (2.4M) (100 HOURS GREASING
- ARM (2.4M) (FOR 1-ACTUATOR)
- ARM (BUCKET LINK) (FOR 2.9M
- ARM (BUCKET LINK) (FOR 2.4M
- ARM (BUCKET CYLINDER HOSE, 2.9M
- Bucket Cylinder Hose ) (for 1 actuator) (for 2.9M
- Stick (bubble cylinder hose and gasket) (for 2.4M stick)
- Bucket Cylinder Hose) (1 Actuator, 2.4M Stick)
- 2.9M ARM (ADDITIONAL PIPING)
- 2.4M stick (additional line, 1 actuator)
- ARM CYLINDER PROTECTOR
- Bucket , 0.8M3 horizontal pin type PC200, PC200LC)
- BUCKET, 0.9M3, (HORIZONTAL PIN
- Bucket , 0.8M3, (horizontal type) (for rock
- BUCKET, 1.0M3, (HORIZONTAL PIN
- BUCKET1.0M3 ROCK PC210LC)
- Bucket, 1.0M3 for the Qian’an area) (PC200
- BUCKET, 1.0M3ONLY FOR JIANG SU
- MARKS AND PLATES
- MARK AND NAME PLATES (CHINESE)
- Mark and nameplate ( Chinese ) (PC210)
- MARK AND NAME PLATES PC200LC
- MARK AND NAME PLATES (PC210LC)
- MARK,NAME PLATES (ENGLISH)PC200
- MARK,NAME PLATES (ENGLISH)210LC
- MARK,NAME PLATES (ENGLISH)200LC
- MARK,NAME PLATES (ENGLISH)PC210
- LUBRICATION CHART (100 HOURS
- Warning sign (cab windshield locking operation) (Chinese)
- KOMATSU signage (boom and counterweight)
- CAUTION PLATE (ARM)
- Warning sign (top guard) ( Chinese )
- CAUTION PLATE TOP GUARDENGLISH
- CAUTION PLATE (FOR LV1 GUARD)
- Warning sign (front cover) ( Chinese )
- CAUTION PLATE GUARD ENGLISH
- SERVICE INSTRUCTIONAIR CLEANER
- SERVICE INSTRUCTION (AIR CLEANER
- CAUTION PLATE (1-ACCUMULATOR)
- CAUTION PLATE (SWING (ENGLISH)
- ACCESSORY
- MISCELLANEOUS
- SERVICE KIT AND COMPONENT PARTS
- SHOE BOLT AND NUT SERVICE KIT
- RACK LINK ASS’Y (90 SET)
- TRACK LINK ASS’Y (98 SET)
- AIR CLEANER (INNER PART)
- AIR CLEANER (INNER PART)
- RUBBER ANTENNA
- OPERATOR’S SEAT ASS’Y
- Driving seat assembly (suspended)
- MAIN PUMP (1/11)
- MAIN PUMP (2/11)
- MAIN PUMP (3/11)
- MAIN PUMP (4/11)
- MAIN PUMP (5/11)
- MAIN PUMP (6/11)
- MAIN PUMP (7/11)
- MAIN PUMP (8/11)
- MAIN PUMP (9/11)
- MAIN PUMP (10/11)
- MAIN PUMP (11/11)
- BOOM CYLINDER (L.H.) (100 HOURS
- BOOM CYLINDER (R.H.) (100 HOURS
- ARM CYLINDER (100 HOURS
- BUCKET CYLINDER (100 HOURS
- SWIVEL JOINT
- TRAVEL MOTOR (1/2)
- TRAVEL MOTOR (2/2)
- MAIN VALVE (1/17)
- MAIN VALVE (2/17)
- MAIN VALVE (3/17)
- MAIN VALVE (4/17)
- MAIN VALVE (5/17)
- MAIN VALVE (6/17)
- MAIN VALVE (7/17)
- MAIN VALVE (8/17)
- MAIN VALVE (9/17)
- MAIN VALVE (10/17)
- MAIN VALVE (11/17)
- MAIN VALVE (12/17)
- MAIN VALVE (13/17)
- MAIN VALVE (14/17)
- MAIN VALVE (15/17)
- MAIN VALVE (16/17)
- MAIN VALVE (17/17)
- MAIN VALVE (1-ACTUATOR) (4/21)
- MAIN VALVE (1-ACTUATOR) (7/21)
- MAIN VALVE (1-ACTUATOR) (21/21)
- MAIN VALVE (1-ACTUATOR) (2/21)
- MAIN VALVE (1-ACTUATOR) (5/21)
- MAIN VALVE (1-ACTUATOR) (8/21)
- MAIN VALVE (1-ACTUATOR) (9/21)
- MAIN VALVE (1-ACTUATOR) (3/21)
- MAIN VALVE (1-ACTUATOR) (6/21)
- MAIN VALVE (1-ACTUATOR) (18/21)
- MAIN VALVE (1-ACTUATOR) (1/21)
- MAIN VALVE (1-ACTUATOR) (10/21)
- MAIN VALVE (1-ACTUATOR) (13/21)
- MAIN VALVE (1-ACTUATOR) (16/21)
- MAIN VALVE (1-ACTUATOR) (19/21)
- MAIN VALVE (1-ACTUATOR) (11/21)
- MAIN VALVE (1-ACTUATOR) (14/21)
- MAIN VALVE (1-ACTUATOR) (17/21)
- MAIN VALVE (1-ACTUATOR) (20/21)
- MAIN VALVE (1-ACTUATOR) (12/21)
- MAIN VALVE (1-ACTUATOR) (15/21)
- VALVE PILOT (FOR TRAVEL) (2/2)
- VALVE PILOT (FOR TRAVEL) (1/2)
- PPC VALVE (FOR WORK EQUIPMENT)
- PPC VALVE (FOR 1-ATTACHMENT)
- LOCK VALVE
- SELECTOR VALVE
- FILTER (INNER PARTS)
- SOLENOID VALVE (INNER PARTS)
- SOLENOID VALVE (INNER PARTS)
- AIR CONDITIONER UNIT
- ENGINE RELATED PARTS
- ENGINE(SAA6D107E-1)
-
PC220-7
- ENGINE
- HEAD ASS’ Y
- WATER TEMPERATURE SENSOR
- REAR HANGER
- HEAD COVER
- AIR CONNECTOR
- AIR INTAKE HEATER
- AIR INLET COVER
- EXHAUST CONNECTOR CLAMP
- EXHAUST MANIFOLD GASKET AND BOLT
- EXHAUST MANIFOLD AND PLUG
- TURBOCHARGER OIL PIPING
- TURBOCHARGER OUT CONNECTION
- TURBOCHARGER MOUNTING
- HEAT SHIELD
- MUFFLER AND MOUNTING
- THERMOSTAT HOUSING
- THERMOSTAT
- OIL PRESSURE SWITCH
- CYLINDER BLOCK
- FRONT COVER POINTER
- FRONT COVER
- CAM FOLLOWER COVER
- BREATHER HOS
- CYLINDER BLOCK BLIND PLUG
- OIL PAN BOLT
- OIL LEVEL SENSOR
- OIL PAN AND SUCTION
- OIL LEVEL GAUGE
- REVOLUTION SENSOR
- FLYWHEEL HOUSING
- FLYWHEEL
- CRANKSHAFT
- DAMPER
- PISTON
- ROCKER ARM
- TAPPET
- CAMSHAFT
- FRONT GEAR TRAIN COVER
- ACCESSORY PULLEY
- TACHOMETER DRIVE COVER
- UNDER PLATE
- NOISE PANEL CYLINDER BLOCK
- OIL PUMP
- OIL FILTER AND PIPING
- OIL COOLER COVER
- FUEL INJECTION PUMP
- BOOST TUBE
- NOISE PANEL INJECTION PUMP
- FUEL HOSE JOINT
- FUEL INJECTION PUMP MOUNTING
- FUEL FILTER
- FUEL FILTER PIPING
- FUEL INJECTION PIPING
- Cylinder block blind cover and fuel filter line
- INJECTION NOZZLE
- FUEL JOINT
- WATER PUMP
- WATER CONNECTOR
- WATER CONNECTOR PLUG
- WATER PUMP (HAEDENING PULLEY)
- ALTERNATOR DRIVE PULLEY
- COOLING FAN
- FAN SPACER
- ALTERNATOR
- ALTERNATOR
- ALTERNATOR (INNER PARTS)
- ALTERNATOR (INNER PARTS)
- BELT TENSIONER
- ALTERNATOR MOUNTING
- STARTING MOTOR
- STARTING MOTOR
- STARTING MOTOR(INNER PARTS)
- STARTING MOTOR(INNER PARTS)
- STARTING MOTOR MOUNTING
- STARTING MOTOR MOUNTING
- REPAIR PARTS (CYLINDER HEAD)
- REPAIR PARTS (CYLINDER HEAD)
- REPAIR PARTS (CRANKSHAFT)
- REPAIR PARTS (PISTON)
- CAUTION PLATE (JAPANESE-ENGLISH)
- Main pump connection parts
- CAUTION PLATE
- ENGINE RELATED PARTS
- COOLING SYSTEM
- FUEL TANK AND RELATED PARTS
- ELECTRICAL SYSTEM
- BATTERY (LARGE CAPACITY
- WIRING (STARTING HARNESS)
- WIRING (MAIN HARNESS)
- WIRING (MAIN HARNESS) (CLIP)
- WIRING (MAIN HARNESS) (CLIP)
- WIRING (BATTERY CASE)
- WIRING (WORKING LAMP、FRONT)
- ADDITIONAL WORK LAMP(OPT)
- Additional work light (for level-1 shield) (optional)
- REAR WORK LAMP(OPT)
- BEACON(OPT)
- HORN
- TRAVEL ALARM (OPT)
- HYDRAULIC SYSTEM
- HYKRAULIC TANK
- HYDRAULIC TANK
- Main valve (connecting parts) (1 additional work unit) (1/2) (optional)
- MAIN VALVE
- MAIN VALVE
- Main valve (connecting parts) (1 additional work unit) (2/2) (optional)
- MAIN VALVE
- MAIN VALVE (VALVE BRACKET)
- MAIN VALVE
- MAIN VALVE
- MAIN PUMP (CONNECTING PARTS)
- SUCTION LINE
- DELIVERY LINE
- OIL COOLER LINE
- RETURN LINE
- RETURN LINE (1 ACTUATOR)
- DRAIN LINES
- BOOM LINE (BOOM LINES)
- BOOM LINE (BOOM HOSE)
- ARM AND BUCKET LINE
- ARM AND BUCKET LINE
- Relief valve (280 KG/CM2) (for additional valves) (optional)
- ATTACHMENT LINES (MAIN L. H. )
- Relief valve (250 KG/CM2) (for additional valves) (optional)
- RELIEF VALVE
- RELIEF VALVE
- ATTACHMENT LINES
- ATTACHMENT LINES
- ATTACHMENT LINES
- ATTACHMENT LINES
- ATTACHMENT LINES (RETURN LINE)
- ATTACHMENT LINES (PPC MAIN LINE)
- ATTACHMENT LINES (FOOT REST)
- ATTACHMENT LINES
- TRAVEL LINES
- SWING LINES
- LS LINES
- SOLENOID VALVE (VALVE)
- Pressure Switch
- SOLENOID VALVE
- PPC MAIN LINE (HOSE)
- PPC MAIN LINE (BLOCK)
- SOLENDID VALVE (VALVE)
- Cab and control system
- OPERATOR’ S SEAT (SUSPENSION)
- SEAT BELT (50MM WIDE)(OPT)
- SEAT BELT (78MM WIDE)(OPT)
- SEAT BELT (50MM WIDE)(OPT)
- Storage box network (optional)
- SEAT REAR COVER
- OPERATOR’ S CAB (CAB)
- OPERATOR’ S CAB (FRONT WINDOW)
- Cab (sunroof)
- OPERATOR’ S CAB (LOWER WINDOW)
- OPERATOR’ S CAB (DOOR)
- OPERATOR’ S CAB (DOOR LOCK)
- OPERATOR’ S CAB (OPEN LOCK)
- WIPER AND ROOM LAMP)
- OPERATOR’ S CAB (RADIO)
- Cab (accessory)
- OPERATOR’ S CAB (RADIO LESS)
- OPERATOR’ S CAB (BOLT)
- OPERATOR’ S CAB (WIRING)
- OPERATOR’ S CAB (MONITOR SYSTEM)
- OPERATOR’ S CAB (COVER)
- OPERATOR’ S CAB (DUCT)
- TOP GUARD(OPT)
- FRONT GUARD (HALF) (OPT)
- FRONT GUARD (FULL) (LEVEL-1)
- FRONT GUARD (FULL) (LEVEL-2)
- FLOOR MAT
- FLOOR MAT (1 ACTUATOR)(OPT)
- RAIN VISOR(OPT)
- SUN VISOR(OPT)
- WINDOW WASHER
- AIR CONDITIONER (DUCT)
- AIR CONDITONER (HOSE)
- AIR CONDITONER (REAR DUCT)
- FIRE EXTINGUISHER (OPT)
- FLOOR FRAME (FLOOR FRAME)
- FLOOR FRAME (TRAVEL CONTROL)
- FLOOR FRAME (FOOT REST) (L. H.)
- FLOOR FRAME (FOOT REST) (R. H.)
- FLOOR FRAME (FOOT REST) (R. H.)
- FLOOR FRAME (BASE)
- FLOOR FRAME (ELECTRICAL)
- FLOOR FRAME (CLIP)
- Floor stand (operating table) (upper) (left side) (with air conditioner and radio)
- Floor stand (joystick and valve) (left side)
- FLOOR FRAME
- Floor stand (operating table) (lower part) (left side)
- FLOOR FRAME (CONSOLE) (UPPER)
- Floor stand (joystick and valve) (right side)
- FLOOR FRAME (CONSOLE) (UNDER)
- (CONSOLE) (MASTER KEY) (R. H.)
- (AIR CONDITIONER AND FOOT COVER)
- FLOOR FRAME (FOOT COVER)
- (AIR CONDITIONER HOSE)
- (HERTER HOSE AND CLAMP)
- FLOOR FRAME (PPC) (1/2)
- FLOOR FRAME (PPC) (2/2)
- FLOOR FRAME (PPC CLAMP)
- FLOOR FRAME (P、T BLOCK AND SEAL)
- Floor stand (no KOMTRAX)
- Floor frame (P, T block and seal) (1 additional work unit) (optional)
- (P、T BLOCK AND SEAL)
- FLOOR FRAME (LEVER KNOB)
- FLOOR MOUNT
- SWITCH
- COVER
- GUARD
- HOOD
- FRAME (MACHINE CAB)
- LEFT SIDE DOOR (MACHINE CAB)
- RIGHT SIDE DOOR (MACHINE CAB)
- PARTITION (MACHINE CAB)
- PARTITION
- COVER (MACHINE CAB) (UPPER)
- RIGHT SIDE CASE
- HAND RAIL
- Right rear view mirror
- REAR VIEW MIRROR、L. H.
- COUNTER WEIGHT
- COUNTER WEIGHT MOUNTING
- UNDER COVER (REVOLVING FRAME)
- UNDER COVER (REVOLVING FRAME)
- SWING CIRCLE AND RELATED PARTS
- TRAVEL AND LOWER PIPING
- UNDER CARRIAGE
- FRONT IDLER
- IDLER CUSHION
- TRACK ROLLER
- TRACK ROLLER
- CARRIER ROLLER
- TRACK SHOE (FLAT TYPE)
- Track plate (three teeth with holes) (700mm wide) (optional) (PC220-7)
- TRACK SHOE (600MM WIDE
- Track plate (three teeth with holes) (800mm wide) (optional) (PC220-7)
- TRACK SHOE
- TRACK SHOE
- TRACK SHOE
- TRACK SHOE
- TRACK FRAME
- TRACK FRAME(WITH UNDER COVER)
- TRACK FRAME
- TRACK FRAME (WITH UNDER COVER)
- Track roller guard (PC220-7)
- IMDER COVER (FOR TRACK FRAME)
- TRACK ROLLER GUARD
- TRACK FULL ROLLER GUARD
- TRACK FULL ROLLER GUARD(OPT)
- WORK EQUIPMENT
- BOOM
- BOOM (BOP PIN AND BOTTOM PIN)
- Boom (for additional piping) (arm cylinder line and bucket cylinder line) (optional)
- BOOM
- BOOM
- BOOM OPT
- BOOM (WORKING LAMP
- BOOM CYLINDER
- BOOM PIN
- ARM CYLINDER
- ARM (3.05M)
- ARM (3.05M)
- ARM (BUCKET LINK)
- ARM (BUCKET CYLINDER HOSE
- ARM (3.05M)
- BUCKET LESS
- BUCKET. 1.0M3
- BUCKET, 1.17M3 , 1293MM
- BUCKET, 1.17M3
- Side edge (for bucket)
- BUCKET, 1.0M3
- SPACER
- BREAKER ADAPTER (FOR KRUPP)
- BREAKER ADAPTER
- BREAKER ADAPTER
- BREAKER ADAPTER
- MARKS AND PLATES
- ACCESSORY
- MISCELLANEOUS
- SERVICE KIT AND COMPONENT PARTS
- SWING MACHINERY (SUPPLY ONLY)
- FINAL DRIVE (SUPPLY ONLY)
- SHOE BOLT AND NUT SERVICE KIT
- TRACK LINK ASS’ Y
- TRACK LINK ASS’Y
- AIR CLEANER (INNER PART)
- WIRING HARNESS
- MAIN PUMP (1/11)
- MAIN PUMP (2/11)
- MAIN PUMP (3/11)
- MAIN PUMP (4/11)
- MAIN PUMP (5/11)
- MAIN PUMP (6/11)
- MAIN PUMP (7/11)
- MAIN PUMP (8/11)
- MAIN PUMP (9/11)
- MAIN PUMP (10/11)
- MAIN PUMP (11/11)
- BOOM CYLINDER
- ARM CYLINDER
- BUCKET CYLINDER
- SWIVEL JOINT
- SWING MOTOR (1/3)
- SWING MOTOR (2/3)
- SWING MOTOR (3/3)
- TRAVEL MOTOR (1/3)
- TRAVEL MOTOR (2/3)
- TRAVEL MOTOR (3/3)
- MAIN VALVE (1/16)
- MAIN VALVE(2/16)
- MAIN VALVE (3/16)
- MAIN VALVE(4/16)
- MAIN VALVE (5/16)
- MAIN VALVE(6/16)
- MAIN VALVE(6/16)
- MAIN VALVE (7/16)
- MAIN VALVE (8/16)
- MAIN VALVE (9/16)
- MAIN VALVE (10/16)
- MAIN VALVE (11/16)
- MAIN VALVE (12/16)
- 0 MAIN VALVE (13/16)
- MAIN VALVE (14/16)
- MAIN VALVE (15/16)
- MAIN VALVE (16/16)
- Main valve (1-additional work unit) (1/19) (optional)
- Main valve (1-additional work unit) (2/19) (optional)
- MAIN VALVE (1-ACTUATOR)
- MAIN VALVE (1-ACTUATOR)
- MAIN VALVE (1-ACTUATOR)
- MAIN VALVE (1-ACTUATOR)
- MAIN VALVE (1-ACTUATOR)
- MAIN VALVE (1-ACTUATOR)
- MAIN VALVE (1-ACTUATOR)
- Main valve (1-additional working device) (10/19) (optional)
- MAIN VALVE (1-ACTUATOR)
- MAIN VALVE (1-ACTUATOR)
- Main valve (1-additional working device) (13/19) (optional)
- MAIN VALVE (1-ACTUATOR)
- MAIN VALVE (1-ACTUATOR)
- MAIN VALVE (1-ACTUATOR)
- MAIN VALVE (1-ACTUATOR)
- MAIN VALVE (1-ACTUATOR)
- MAIN VALVE (1–ACTUATOR)
- SERVICE VALVE (1/3) (OPT)
- SERVICE VALVE (2/3) (OPT)
- SERVICE VALVE (3/3) (OPT)
- PPC VALVE (FOR TRAVEL) (1/2)
- PPC VALVE (FOR TRAVEL) (2/2)
- PPC VALVE (FOR WORK EQUIPMENT)
- PPC VALVE (FOR ATTACHMENT) (OPT)
- EPC VALVE (OPT)
- LOCK VALVE (OPT)
- SELECTOR VALVE (OPT)
- ACCUMULATOR (AL300-1)
- FILTER (INNER PARTS) (OPT)
- SOLENOID VALVE (INNER PARTS)
- SOLENOID VALVE (INNER PARTS)
- MULTI PATERN VALVE
- Compressor assembly (for air conditioners)
- Device assembly (for air conditioner)
- UNIT ASS’ Y (COOLING
- BLOWER ASS’ Y
- CONDENSER ASS’Y
- MAIN/REVOLVING FRAME
- ENGINE
-
PC360-8MO
- ENGINE CYLINDER HEAD
- EXHAUST MUFFLER AND DRAIN PIPING
- HEAD COVER
- EXHAUST CONNECTOR CLAMP
- CYLINDER HEAD
- BREATHER
- AIR INTAKE MANIFOLD
- AIR INTAKE CONNECTOR
- AIR INTAKE CONNECTOR MOUNTING
- AIR INTAKE HEATER
- AIR CLEANER
- AFTERCOOLER
- EXHAUST MANIFOLD
- TURBOCHARGER
- TURBOCHARGER OIL PIPING
- EXHAUST MUFFLER
- EXHAUST CONNECTION
- HEAT SHIELD
- Rocker arm and rocker arm
- LIFTING ARRANGEMENT
- LIFTING ARRANGEMENT BOLT
- ENGINE CYLINDER BLOCK
- TAPPET
- FRONT GEAR TRAIN COVER
- FRONT COVER
- ACCESSORY DRIVE PULLEY
- FLYWHEEL HOUSING
- FLYWHEEL
- FLYWHEEL MOUNTING
- ENGINE OIL PAN
- ENGINE OIL LEVEL SENSOR
- CRANK PULLEY
- CYLINDER BLOCK
- CYLINDER BLOCK COVER
- BREATHER HOSE
- CABIN HEATER PLUG
- CRANKSHAFT
- VIBRATION DAMPER
- PISTON AND CONNECTING ROD
- OIL LEVEL GAUGE
- WATER PUMP DRIVE
- ENGINE LUBRICATION SYSTEM
- ENGINE FUEL SYSTEM
- ENGINE COOLING SYSTEM
- ENGINE ELECTRICAL SYSTEM
- ENGINE ACCESSORIES AND OTHERS
- ENGINE MARKS AND PLATES
- FIELD REPAIR SERVICE PARTS
- ENGINE RELATED PARTS
- COOLING SYSTEM
- FUEL SYSTEM
- ELECTRICAL SYSTEM
- BATTERY
- BATTERY (LARGE CAPACITY)
- Electric wire harness (starting motor wire harness clamp)
- Electric wire harness (wire harness clamp) (1/3)
- (WIRING HARNESS CLIP) (2/3)
- (WIRING HARNESS CLIP) (3/3)
- Electric wire harness (battery disconnect switch) (work light)
- ADDITIONAL WORKING LAMP
- CAB FRONT FULL GUARD LV1
- ADDITIONAL REAR WORKING LAMP
- HORN
- TRAVEL ALARM
- REARVIEW CAMERA (RELATED PARTS)
- HYDRAULIC SYSTEM
- HYDRAULIC TANK
- CONTROL VALVE (7-SPOOL) (1/22)
- CONTROL VALVE (7-SPOOL) (2/22)
- CONTROL VALVE(7-SPOOL) (3/22)
- CONTROL VALVE(7-SPOOL) (4/22)
- CONTROL VALVE(7-SPOOL) (5/22)
- CONTROL VALVE(7-SPOOL) (6/22)
- CONTROL VALVE(7-SPOOL) (7/22)
- CONTROL VALVE(7-SPOOL) (8/22)
- CONTROL VALVE(7-SPOOL) (10/22)
- CONTROL VALVE(7-SPOOL) (11/22)
- CONTROL VALVE (7-SPOOL) (12/22)
- CONTROL VALVE(7-SPOOL) (13/22)
- CONTROL VALVE(7-SPOOL) (14/22)
- CONTROL VALVE(7-SPOOL) (15/22)
- CONTROL VALVE(7-SPOOL) (16/22)
- CONTROL VALVE(7-SPOOL) (17/22)
- CONTROL VALVE(7-SPOOL) (18/22)
- CONTROL VALVE(7-SPOOL) (19/22)
- CONTROL VALVE (7-SPOOL) (20/22)
- CONTROL VALVE(7-SPOOL) (21/22)
- CONTROL VALVE(7-SPOOL) (22/22)
- Control valve related parts (1/2)
- Control valve related parts (2/2)
- CONTROL VALVE (VALVE BRACKET)
- CONTROL VALVE (8-SPOOL) (1/25)
- CONTROL VALVE (8-SPOOL) (2/25)
- CONTROL VALVE (8-SPOOL) (3/25)
- CONTROL VALVE (8-SPOOL) (4/25)
- CONTROL VALVE (8-SPOOL) (5/25)
- CONTROL VALVE (8-SPOOL) (6/25)
- CONTROL VALVE (8-SPOOL) (7/25)
- CONTROL VALVE (8-SPOOL) (8/25)
- CONTROL VALVE (8-SPOOL) (9/25)
- CONTROL VALVE (8-SPOOL) (10/25)
- CONTROL VALVE (8-SPOOL) (11/25)
- CONTROL VALVE (8-SPOOL) (12/25)
- CONTROL VALVE (8-SPOOL) (13/25)
- CONTROL VALVE (8-SPOOL) (14/25)
- CONTROL VALVE (8-SPOOL) (15/25)
- CONTROL VALVE (8-SPOOL) (16/25)
- CONTROL VALVE (8-SPOOL) (17/25)
- CONTROL VALVE (8-SPOOL) (18/25)
- CONTROL VALVE (8-SPOOL) (19/25)
- CONTROL VALVE (8-SPOOL) (20/25)
- CONTROL VALVE (8-SPOOL) (21/25)
- CONTROL VALVE (8-SPOOL) (22/25)
- CONTROL VALVE (8-SPOOL) (23/25)
- CONTROL VALVE (8-SPOOL) (24/25)
- CONTROL VALVE (8-SPOOL) (25/25)
- Control valve (control valve related parts) (1/2)
- Control valve (control valve related parts) (2/2)
- Control valve (1 way backup valve) (valve bracket)
- Control valve (1 way backup valve) (blind plug part)
- Control valve (with 1 accessory line, accumulator) (valve bracket)
- Control valve related parts (1/2)
- Control valve related parts (2/2)
- PISTON PUMP (RELATED PARTS)
- PISTON PUMP (INNER PARTS) (1/12)
- PISTON PUMP (INNER PARTS) (2/12)
- PISTON PUMP (INNER PARTS) (3/12)
- PISTON PUMP (INNER PARTS) (4/12)
- PISTON PUMP (INNER PARTS) (5/12)
- PISTON PUMP (INNER PARTS) (6/12)
- PISTON PUMP (INNER PARTS) (7/12)
- PISTON PUMP (INNER PARTS) (8/12)
- PISTON PUMP (INNER PARTS) (9/12)
- Piston pump (internal product) (10/12)
- Piston pump (internal product) (11/12)
- Piston pump (internal product) (12/12)
- SUCTION PIPING
- Conveying line (with online filter)
- OIL COOLER PIPING
- RETURN PIPING
- Return line (1 accessory line, accumulator)
- DRAIN PIPING
- BOOM PIPING (VALVE BOOM PIPING)
- BOOM PIPING (BRACKET AND CLAMP)
- ARM AND BUCKET PIPING
- MAIN PIPING,L.H.
- SOLENOID VALVE
- Execution line (right main line)
- RETURN FILTER
- ACCUMULATOR
- ACCUMULATOR,L.H.
- PILOT FILTER
- TRAVEL PIPING
- SWING PIPING
- LS PIPING
- LS pipe (1 accessory pipe, accumulator)
- SOLENOID VALVE(INNER PARTS)
- Solenoid valve (electromagnetic valve related parts)
- SOLENOID VALVE(HOSE)
- SOLENOID VALVE(CLAMP)
- Solenoid valve (1 accessory line, accumulator) (1/4)
- Solenoid valve (1 accessory line, accumulator) (2/4)
- Solenoid valve (1 accessory line, accumulator) (3/4)
- Solenoid valve (1 accessory line, accumulator) (4/4)
- PRESSURE SWITCH BLOCK (SENSOR)
- (SLOW RETURN VALVE)
- PRESSURE SWITCH BLOCK (BRACKET)
- PROPORTIONAL PRESSURE CONTROL
- FRAME AND ITS RELATED PARTS
- Driver's cab and control system
- OPERATOR’S SEAT(INNER PARTS)
- OPERATOR’S SEAT
- SEAT BELT
- LUGGAGE BOX NET
- TOP GUARD(LV2)
- FRONT GUARD (HALF GUARD)
- FRONT GUARD (FULL GUARD LV2)
- FLOOR MAT
- Carpet (additional execution pipeline, accumulator)
- RAIN VISOR
- WINDOW WASHER TANK
- Air conditioning components (internal components, air compressors)
- Air conditioning unit (compressor installation)
- AIR CONDITIONER UNIT (HOSE)
- BRACKET,FIRE EXTINGUISHER
- BRACKET,FIRE EXTINGUISHER
- CAB (CAB BODY AND WINDOW)
- CAB(FRONT WINDOW)
- CAB(FRONT LOWER WINDOW)
- CAB(ROOF WINDOW)
- CAB(DOOR)
- CAB(DOOR LOCK)
- CAB(OPEN LOCK AND DOOR CATCH)
- CAB(WIPER AND ROOM LAMP)
- CAB(RUBBER ANTENNA)
- CAB(SPEAKER AND WINDOW WASHER)
- CAB(ROOF COVER AND AIR INTAKE)
- CAB(PRESSURE VALVE AND GRIP)
- CAB(KOMTRAX FILM ANTENNA)
- Driver’s cab (driver interior, monitor and cover)
- CAB(CAB IN PARTS, MONITOR COVER)
- Driver’s cab (driver interior, cleaning tube installation)
- Driver’s cab (driver interior, luggage board and cigarette lighter)
- CAB(CAB IN PARTS, AIR DUCT)
- AIR DUCT AND FRESH AIR FILTER
- Driver’s cab (driver interior, partition and recirculating air filter)
- Driver’s cab (driver interior, auxiliary board and relay)
- AIR CONDITIONER CONTROLLER
- MAIN WIRING HARNESS CLAMP
- CAB(CAB IN PARTS, REAR COVER)
- CAB(FLOOR, FRAME)
- CAB(PPC VALVE FOR TRAVEL)
- CAB(FLOOR, TRAVEL CONTROL LEVER)
- CAB(FLOOR, FOOTREST, L.H.)
- CAB(FLOOR, FOOTREST, R.H.)
- CAB(FLOOR, BASE)
- CAB(FLOOR, WIRING HARNESS)
- WIRING HARNESS CLAMP AND GROUND
- CAB(FLOOR, WINDOW WASHER HOSE)
- Driver’s cab (floor, work unit left lever)
- Driver’s cab (PPC valve for left working unit)
- PPC VALVE MOUNTING
- CAB(FLOOR, CONSOLE, L.H.)
- PPC LOCK LEVER AND RADIO
- CAB(FLOOR, ARMREST, L.H.)
- CONTROL LEVER, R.H.
- WORK EQUIPMENT, R.H.
- PPC VALVE MOUNTING
- CAB(FLOOR, CONSOLE, R.H.)
- CAB(FLOOR, ARMREST, R.H.)
- INNER PARTS(1/2)
- AIR CONDITIONER MOTOR
- INNER PARTS(2/2)
- CAB(FLOOR, AIR CONDITIONER UNIT)
- Driver’s cab (floor, air conditioning duct)
- PPC PIPING FOR TRAVEL VALVE
- PPC VALVE PIPING
- CAB(FLOOR, PIPING MOUNTING)
- CAB(FLOOR, P, T BLOCK)
- CAB(FLOOR, SEAL)
- CAB (KOMATSU MARK)
- CAB (PPC VALVE FOR ATTACHMENT)
- Driver’s cab (floor, 1ST additional control)
- CAB (FLOOR, P, T BLOCK)
- FLOOR MOUNTING
- PROPORTIONAL PRESSURE CONTROL
- Proportional pressure control (PPC) valve line (with 1 accessory line, accumulator)
- SWITCH
- GUARDS AND COVERS
- ENGINE HOOD
- MACHINE CAB FRAME
- SIDE COVER L.H.
- SIDE COVER R.H.
- MACHINE CAB PARTITION (1/2)
- MACHINE CAB PARTITION (2/2)
- MACHINE CAB PARTITION (1/2)
- MACHINE CAB PARTITION(2/2)
- MACHINE CAB COVER
- BATTERY CASE
- HANDRAIL
- REARVIEW MIRROR(L.H)
- REARVIEW MIRROR(R.H)
- REAR UNDER VIEW MIRROR
- COUNTERWEIGHT (6372KG)
- COUNTERWEIGHT MOUNTING
- UNDER COVER(REFUELLING PUMP)1
- UNDER COVER(REFUELLING PUMP)2
- UNDER COVER(REFUELLING PUMP)3
- UNDER COVER(1/3)
- UNDER COVER (2/3)
- UNDER COVER (3/3)
- Rotary ring gear and related parts
- TRAVEL SYSTEM
- WORK EQUIPMENT
- BOOM(BOOM AND TOP PIN)
- BOOM (ARM CYLINDER PIPING)
- BOOM(LUBRICATION PIPING)
- BOOM(BUCKET CYLINDER PIPING)
- (CYLINDER PIN AND WORKING LAMP)
- BOOM(ATTACHMENT PLUG)
- Boom (6500MM heavy duty, 1 way additional, 100 hour lubrication interval)
- BOOM(ADDITIONAL PIPING)
- BOOM(CLAMP)
- BOOM CYLINDER(L.H.)
- BOOM CYLINDER(R.H.)
- ARM CYLINDER
- ARM
- ARM (BUCKET CYLINDER)
- ARM (BUCKET LINK)
- ARM(3200MM ARM)
- ARM(ARM AND BUSHING)
- ARM(BUCKET CYLINDER)
- ARM(BUCKET LINK)
- ARM(BUCKET CYLINDER HOSE)
- ARM(ADDITIONAL PIPING)
- ARM(VALVE FOR ADDITIONAL PIPING)
- BUCKET 1.6M3,1517MM
- SIDE CUTTER
- BUCKET 1.6M3,1270MM(HEAVY DUTY)
- BUCKET,1.6M3 ME BUCKET
- BUCKET,1.6M3 ME BUCKET
- RIPPER
- BREAKER ADAPTER
- MARKS AND PLATES
- MARKS AND PLATES (ENGLISH)
- MARKS AND PLATES (CHINESE)
- LUBRICATION CHART
- WINDOW LOCK (CHINESE)
- WINDOW LOCK (ENGLISH)
- KOMATSU LOGO (ADDITIONAL)
- PLATE(BATTERY DISCONNECT SWITCH)
- COOLANT DECAL (ENGLISH)
- COOLANT DECAL (CHINESE)
- FIRE PREVENT PLATE
- KOMTRAX PLATE
- CAUTION PLATES
- FOPS PLATE (ENGLISH)
- FOPS PLATE (CHINESE)
- ENGLISH TOP GUARD LV2
- CHINESE, CAB TOP GUARD LV2
- ENGLISH EU SAFETY REGULATION)
- Chinese, driver’s room LV2 front full guard, LV2 top guard, EU safety regulations
- PLATES, AIR CLEANER (CHINESE)
- PLATES, AIR CLEANER (ENGLISH)
- CAUTION PLATES, ACCUMULATOR
- AUXILIARY PARTS AND TOOL
- OTHER EQUIPMENT
- FIELD REPAIR SERVICE PARTS
- UNDERCARRIAGE
- ENGINE CYLINDER HEAD
-
PC400LC-7
- ENGINE
- CYLINDER HEAD
- HEAD COVER
- End cap attachment (oil filter)
- Intake manifold and connector
- HEATER SWITCH
- EXHAUST MANIFOLD
- Turbocharger seat and slider
- TURBOCHARGER
- MUFFLER
- Thermostat and thermostat housing
- .WATER TEMPERATURE SENSOR
- CYLINDER BLOCK
- CYLINDER BLOCK ACCESSORY
- FRONT COVER
- FRONT COVER ACCESSORY
- IDLER GEAR
- CAMFOLLOWER COVER
- OIL PAN AND SUCTION TUBE
- OIL LEVEL GAUGE
- FLYWHEEL HOUSING
- FLYWHEEL
- CRANKSHAFT
- DAMPER
- PISTON AND CONNECTING ROD
- CRANK PULLEY
- ROCKER ARM AND HOUSING
- CAMSHAFT AND CAMFOLLOWER
- CAMSHAFT ACCESSORY
- OIL PUMP
- OIL FILTER AND PIPING
- OIL COOLER
- OIL COOLER MOUNTING BOLT
- WATER DRAIN VALVE
- SUPPLY PUMP AND COMMON RAIL
- PUMP
- COMMON RAIL
- Fuel supply pump bracket and lubrication line
- FUEL INJECTION PIPING
- FUEL SUPPLY PUMP DRIVE
- FUEL FILTER AND PIPING
- Fuel injector and return line
- FUEL RETURN PIPING
- FUEL CONTROLLER
- WATER PUMP
- AIR VENT PIPING
- COOLING FAN
- FAN PULLEY
- FAN DRIVE
- CORROSION RESISTOR
- ALTERNATOR AND MOUNTING
- ALTERNATOR
- STARTING MOTOR MOUNTING
- STARTING MOTOR (7.5KW)
- WIRING
- CYLINDER HEAD GASKET KIT
- CYLINDER BLOCK GASKET KIT
- WATER PUMP GASKET KIT
- PLATE AND CAUTION
- AFTER COOLER
- FUEL CONTROLLER
- AIR CLEANER
- WIRING ACCESSORY PARTS
- CAUTION PLATE
- WIRING (2/2) SENSOR AND SWITCH
- STARTING MOTOR (11KW)
- STARTING MOTOR MOUNTING
- ALTERNATOR (50A)
- FUEL FILTER AND PIPING
- FUEL FILTER AND PIPING
- PUMP (2/2) (FEED PUMP)
- SUPPLY AND RETURN PIPING
- COOLING SYSTEM
- ENGINE RELATED PARTS
- FUEL TANK AND RELATED PARTS
- ELECTRICAL SYSTEM
- HYDRAULIC SYSTEM
- HYDRAULIC TANK
- HYDRAULIC TANK
- HYDRAULIC OIL TANK
- .MAIN VALVE (CONNECTING PARTS)
- MAIN VALVE (VALVE BRACKET)
- MAIN VALVE
- MAIN PUMP (CONNECTING PARTS)
- SUCTION LINE
- DELIVERY LINE (WITH FILTER)
- OIL COOLER LINE
- RETURN LINE
- DRAIN LINE
- BOOM LINE
- ARM AND BUCKET LINE
- DRIFT PRIVENTIVE
- BURST VALVE LINE
- BURST VALVE LINE
- Drop prevention valve piping
- ATTACHMENT LINES
- ATTACHMENT LINES
- ATTACHMENT LINES
- ATTACHMENT LINES
- ATTACHMENT LINES
- ATTACHMENT LINES
- PILOT LINES
- SHUTTLE AND DRAIN BLOCK
- SOLENOID VALVE
- TRAVEL LINE
- SWING LINE
- LS LINE (DEMOLITION SPEC)
- SOLENOID VALVE
- SOLENOID VALVE
- SOLENOID VALVE
- SOLENOID VALVE RELATED PARTS
- PRESSURE SWITCH
- PPC MAIN LINE
- PPC MAIN LINE
- PPC MAIN LINE
- HARM AND BUCKET LINES
- BOOM LINE (1/2)(FOR BURST VALVE
- BOOM LINE (2/2)
- RETURN LINE (1 ACTUATOR)
- RETURN LINES(2-PIECE BOOM)
- MAIN VALVE.(CONNECTING PARTS)
- MAIN VALVE
- Main valve (connector) (2/2)
- Main valve (connecting parts) (2/2)
- Main/turntable and related parts
- Cab and control system
- OPERATOR’S SEAT (FABLIC)
- SEAT BELT
- SEAT REAR COVER
- TOP GUARD
- OPERATOR’S CAB
- FRONT GUARD
- FLOOR MAT
- A0RAIN VISOR
- SUN VISOR
- WINDOW WASHER
- AIR CONDITIONER
- FLOOR FRAME
- FRONT LOWER WINDOW
- FRONT WINDOW
- DEMOLITION SPEC
- DOOR
- DOOR LOCK
- OPEN LOCK
- Floor bracket electrical wiper and room light
- (RADIO)(WINDOW WIPER)
- (ACCESSORIES)
- (PLUG BOLT AND ANNTENA)
- (CLAMP AND PLATE)
- Floor bracket (monitoring system) (with multi-function monitor)
- (PLATE AND DUCT)
- (PARTTION AND FOOT DUCT)
- (SUB PANEL)
- (KOMTRAX)
- (CLAMP AND BOLT)
- (FLOOR FRAME)
- (TRAVEL CONTROL)
- (FOOT REST) (L.H.)
- (ATTACHMENT CONTROL)(1 ACTUATOR)
- FLOOR FRAME (BASE)
- (HARNESS)
- (WINDW WASHER)
- (LEVER AND VALVE) (L.H.)
- (CONSOLE) (UPPER)
- (CONSOLE) (LOWER)
- (LEVER AND VALVE)
- (CONSOLE)
- (AIR CONDITIONER AND FOOT COVER)
- (AIR CONDITIONER HOSE)
- (HERTER HOSE AND CLAMP)
- (PPC HOSE) (1/2)
- (PPC HOSE) (2/2)
- (PPC CLAMP)
- ) (P, TBLOCK AND SEAL)
- FLOOR MOUNT
- WIRING (SUPPORT) (CAB INSIDE)
- PPC WORK LINE CLAMP
- SWITCH (MODEL SELECTION)
- HOOD
- FRAME (OUTSIDE DECK)
- .LEFT SIDE DOOR (MACHINE CAB)
- (MACHINE CAB) (1/2)
- RIGHT SIDE DOOR (MACHINE CAB)
- .PARTITION (MACHINE CAB)
- PARTITION (MACHINE
- COVER (MACHINE CAB)
- (UPPER) (MACHINE CAB)
- COVER (OUTSIDE DECK)
- BATTERY CASE
- HANDRAIL
- REAR VIEW MIRROR, L.H. (SINGLE)
- A REAR VIEW MIRROR, R.H
- COUNTER WEIGHT (15000KG)
- .COUNTER WEIGHT MOUNTING
- Bottom guard (turntable) (right)
- UNDER COVER (REVOLVING FRAME)
- .UNDER COVER (REVOLVING FRAME)
- NDER COVER (REVOLVING FRAME)
- (HEAVY DUTY) (REVOLVING FRAME)
- (REVOLVING FRAME) (R.H.)
- (HEAVY DUTY) (REVOLVING FRAME)
- .AIR CONDITIONER (PIPING)
- SWING CIRCLE AND RELATED PARTS
- TRAVEL AND LOWER PIPING
- UNDER CARRIAGE
- WORK EQUIPMENT
- MARKS AND PLATES
- ACCESSORY
- MISCELLANEOUS
- SERVICE KIT AND COMPONENT PARTS
- SWING MACHINERY ASS’Y
- FINAL DRIVE ASS’Y
- SHOE BOLT AND NUT SERVICE KIT
- TRACK LINK
- RUBBER ANTENNA
- MAIN PUMP (1/11)
- B00M CYLINDER
- ARM CYLINDER
- BUCKET CYLINDER
- SWIVEL JOINT
- SWING MOTOR (1/3)
- TRAVEL MOTOR (1/3)
- MAIN VALVE (1/20)
- MAIN VALVE(1-ACTUATOR)(1/23)
- PPC VALVE (FOR TRAVEL)(1/2)
- PPC VALVE (FOR WORK EQUIPMENT
- O PPC VALVE (FOR ATTACHMENT
- EPC VALVE
- LOCK VALVE (FOR ARM)
- SELECTOR VALVE
- BURST VALVE
- ACCUMULATOR (AL300-1)
- RETURN FILTER
- SOLENOID VALVE (INNER PARTS)
- BREATHER (FOR HYDRAULIC TANK)
- MAIN PUMP (2/11)
- MAIN PUMP (3/11)
- MAIN PUMP (4/11)
- MAIN PUMP (5/11)
- MAIN PUMP (6/11)
- MAIN PUMP (7/11)
- MAIN PUMP (8/11)
- MAIN PUMP (9/11)
- MAIN PUMP (10/11)
- MAIN PUMP (11/11)
- SWING MOTOR (2/3)
- SWING MOTOR (3/3)
- TRAVEL MOTOR (1/3)
- TRAVEL MOTOR (2/3)
- TRAVEL MOTOR (3/3)
- MAIN VALVE (2/20)
- MAIN VALVE (3/20)
- MAIN VALVE (4/20)
- MAIN VALVE (5/20)
- MAIN VALVE (6/20)
- MAIN VALVE (7/20)
- MAIN VALVE (8/20)
- MAIN VALVE (9/20)
- MAIN VALVE (10/20)
- MAIN VALVE (11/20)
- MAIN VALVE (12/20)
- MAIN VALVE (13/20)
- MAIN VALVE (14/20)
- MAIN VALVE (15/20)
- MAIN VALVE (16/20)
- MAIN VALVE (17/20)
- MAIN VALVE (18/20)
- MAIN VALVE (19/20)
- MAIN VALVE (20/20)
- PPC VALVE (FOR TRAVEL) (2/2)
- MAIN VALVE(1-ACTUATOR)(23/23)
- MAIN VALVE(1-ACTUATOR)(22/23)
- MAIN VALVE(1-ACTUATOR)(21/23)
- MAIN VALVE(1-ACTUATOR)(20/23)
- MAIN VALVE(1-ACTUATOR)(19/23)
- MAIN VALVE(1-ACTUATOR)(18/23)
- MAIN VALVE(1-ACTUATOR)(17/23)
- MAIN VALVE(1-ACTUATOR)(16/23)
- MAIN VALVE(1-ACTUATOR)(15/23)
- MAIN VALVE(1-ACTUATOR)(14/23)
- MAIN VALVE(1-ACTUATOR)(13/23)
- MAIN VALVE(1-ACTUATOR)(12/23)
- MAIN VALVE(1-ACTUATOR)(11/23)
- MAIN VALVE(1-ACTUATOR)(10/23)
- MAIN VALVE(1-ACTUATOR)(8/23)
- MAIN VALVE(1-ACTUATOR)(9/23)
- MAIN VALVE(1-ACTUATOR)(7/23)
- MAIN VALVE(1-ACTUATOR)(6/23)
- MAIN VALVE(1-ACTUATOR)(5/23)
- MAIN VALVE(1-ACTUATOR)(4/23)
- MAIN VALVE(1-ACTUATOR)(3/23)
- MAIN VALVE(1-ACTUATOR)(2/23)
- SOLENOID VALVE (INNER PARTS)
- BURST VALVE (FOR BOOM CYLINDER)
- GUARD
- HOOD
- FRAME (OUTSIDE DECK) (DEMOLITION SPEC.)
- LEFT SIDE DOOR (MACHINE CAB)
- RIGHT SIDE DOOR (MACHINE CAB) (1/2) (WITH HOLE) 0 右门 ( 驾驶室) (1/2) ( 带孔)RIGHT SIDE DOOR (MACHINE CAB) (1/2) (WITH HOLE)M1140-01A0
- RIGHT SIDE DOOR (MACHINE CAB) (2/2)
- PARTITION (MACHINE CAB) (1/2)
- PARTITION (MACHINE CAB) (2/2)
- COVER (MACHINE CAB)
- COVER (UPPER) (MACHINE CAB) (WITH PRECLEANER)
- COVER (OUTSIDE DECK) (DEMOLITION SPEC.)
- BATTERY CASE (DEMOLITION SPEC.)
- HANDRAIL
- REAR VIEW MIRROR, L.H. (SINGLE)
- REAR VIEW MIRROR, R.H.(#DBAK0065-)
- COUNTER WEIGHT (15000KG) (DEMOLITION SPEC.)
- COUNTER WEIGHT MOUNTING
- UNDER COVER (REVOLVING FRAME) (R.H.)(DEMOLITION SPEC.)
- UNDER COVER (REVOLVING FRAME) (CENTER)(DEMOLITION SPEC.)
- UNDER COVER (REVOLVING FRAME) (L.H.) (DEMOLITION SPEC.)
- UNDER COVER (REVOLVING FRAME) (CENTER)
- UNDER COVER (HEAVY DUTY) (REVOLVING FRAME) (CENTER)
- UNDER COVER (REVOLVING FRAME) (R.H.)
- UNDER COVER (HEAVY DUTY) (REVOLVING FRAME) (R.H.)
- ENGINE
-
PC400-8
- ENGINE
- FUEL SUPPLY PUMP (2/2)
- FUEL PRE-FILTER AND PIPING
- PRIMING PUMP AND PIPING
- FUEL INJECTOR AND SPILL TUBE
- FUEL RETURN
- FUEL CONTROLLER
- WATER PUMP MOUNTING
- COOLING FAN (SUCTION TYPE)
- FAN PULLEY AND DRIVE BELT
- FAN DRIVE
- CORROSION RESISTOR
- ALTERNATOR AND MOUNTING
- ALTERNATOR (50A)
- STARTING MOTOR MOUNTING (7.5KW)
- STARTING MOTOR MOUNTING
- STARTING MOTOR (7.5KW)
- STARTING MOTOR (11KW)
- ELECTRICAL WIRING (1/2)
- ELECTRICAL WIRING (2/2)
- NAME PLATE
- AFTERCOOLER
- AIR CLEANER
- ENGINE RELATED PARTS
- COOLING SYSTEM
- FUEL TANK AND RELATED PARTS
- ELECTRICAL SYSTEM
- BATTERY (WET)
- BATTERY (WET) (LARGE CAPACITY)
- Wire (starting wire)
- Wire (main harness) (1/3)
- ELECTRIC WIRING (MAIN HARNESS)
- ELECTRIC WIRING (MAIN HARNESS)
- ELECTRIC WIRING (WORKING LAMP)
- ADDITIONAL WORK LAMP
- ADDITIONAL REAR WORK LAMP
- BEACON LAMP
- BEACON LAMP (SWITCH)
- HORN
- TRAVEL ALARM
- REAR VIEW MONITORING SYSTEM LESS
- REAR VIEW MONITORING SYSTEM
- HYDRAULIC SYSTEM
- HYDRAULIC TANK
- Hydraulic tank (with drop prevention valve)
- MAIN VALVE (CONNECTING PARTS)
- Main valve (connector) (1/2) (1 way standby)
- MAIN VALVE
- MAIN VALVE (CONNECTING PARTS)
- Main valve (connector) (2/2) (1 way standby)
- MAIN VALVE (VALVE BRACKET)
- MAIN VALVE (SERVICE VALVE PLUG)
- MAIN PUMP (CONNECTING PARTS)
- DELIVERY LINE
- SUCTION LINE
- OIL COOLER LINE
- RETURN LINE
- RETURN LINE (1 ACTUATOR)
- DRAIN LINE
- BOOM LINE (1/2)
- BOOM LINE (1/2)
- BOOM LINE (2/2)
- ARM AND BUCKET LINE
- ARM AND BUCKET LINES
- DRIFT PRIVENTIVE (ARM)
- BURST VALVE LINE
- BURST VALVE LINE
- BURST VALVE LINE
- Accessory piping (main valve piping, left side) (1 way standby)
- ATTACHIMENT LINE
- ATTACHIMENT LINE (RETURN FILTER)
- ATTACHMENT LINES (ACCUMULATOR)
- ATTACHMENT LINES (PILOT FILTER)
- TRAVEL LINE
- SWING LINE
- LS LINE
- LS LINE (QUICK COUPLER)
- SOLENOID VALVE (VALVE) (1/2)
- SOLENOID VALVE (VALVE)
- SOLENOID VALVE (VALVE)
- SOLENOID VALVE
- PRESSURE SWITCH
- PPC MAIN LINE
- Main / turntable and related parts
- OPERATORSCOMPARTMENT
- Operator seat (suspended type)
- SEAT BELT (50MM WIDE)
- SEAT BELT (78MM WIDE)
- TOP GUARD
- HALF GUARD
- FRONT FULL GUARD
- FLOOR MAT
- FLOOR MAT (FOR 1-ACTUATOR)
- RAIN VISOR
- SUN VISOR
- WINDOW WASHER
- AIR CONDITIONER (COMPRESSOR)
- AIR CONDITIONER (PIPING)
- FIRE EXTINGUISHER (CHINESE)
- FIRE EXTINGUISHER (ENGLISH)
- OPERATOR’S CAB (CAB AND WINDOW)
- OPERATOR’S CAB (FRONT WINDOW)
- Cab (front lower window)
- OPERATOR’S CAB) (ROOF WINDOW)
- OPERATOR’S CAB (DOOR)
- OPERATOR’S CAB (DOOR LOCK)
- OPERATOR’S CAB
- (WIPER AND ROOM LAMP)
- (SPEAKER AND WINDOW WASHER)
- (ROOF COVER AND AIR INTAKE)
- (PURESSURE VALVE AND GRIP)
- (KOMTRAX FILM ANTENNA)
- Cab (indoor parts) (monitor and cover)
- (CAB IN PARTS) (MONITOR COVER)
- (CAB IN PARTS) (LUGGAGE PLATE)
- (CAB IN PARTS) (MONITOR DUCT)
- Cab (indoor parts) (separator and filter)
- Cab (indoor parts) (sub-board and relay)
- Cab (air conditioner and Conchas control)
- (MAIN HARNESS CLAMP)
- (REAR COVER)
- OPERATOR’S CAB (FLOOR) (FRAME)
- (TRAVEL CONTROL)
- (FOOT REST, L.H.)
- (FLOOR) (FOOT REST, R.H.)
- Cab (floor bracket) (first accessory control)
- OPERATOR’S CAB (FLOOR) (BASE)
- (FLOOR) (HARNESS)
- (HARNESS CLAMP AND EARTH)
- (WINDOW WASHER HOSE)
- (LEVER, L.H.)
- (FLOOR) (VALVE, L.H.)
- (FLOOR) (CONSOL, L.H.)
- (P.P.C. LOCK LEVER AND RADIO)
- (FLOOR) (ARM REST, L.H.)
- (FLOOR) (LEVER, R.H.)
- (FLOOR) (VALVE, R.H.)
- (FLOOR) (CONSOL, R.H.)
- (FLOOR) (ARM REST, R.H.)
- (FLOOR) (AIR CONDITIONER UNIT)
- (AIR CONDITIONER HOSE)
- (FLOOR) (HEATER HOSE)
- OPERATOR’S CAB (FLOOR) (P.P.C.PIPING FOR TRAVEL VALVE)
- OPERATOR’S CAB (FLOOR) (P.P.C. PIPING FOR PILOT VALVE)
- (P.P.C. HOSE CLAMP)
- (P, T BLOCK AND SEAL)
- (P, T BLOCK AND SEAL)
- (REAR CAMERA CABLE)
- FLOOR MOUNTS
- PPC WORK LINE CLAMP
- PPC WORK LINE CLAMP (1 ACTUATOR)
- Switch (model selection connector)
- OPERATOR’S CAB (CAB IN PARTS)
- GUARD
- HOOD (1/4)
- HOOD (2/4)
- HOOD (3/4)
- HOOD (WITH NET) (3/4)
- HOOD (4/4)
- HOOD (WITH NET) (4/4)
- HOOD (NET)
- HOOD (NET KIT)
- FRAME (MACHINE CAB)
- LEFT SIDE DOOR (MACHINE CAB)
- Right side door (hood) (1/3)
- (MACHINE CAB) (2/3)
- (MACHINE CAB) (3/3)
- PARTITION (MACHINE CAB) (1/2)
- PARTITION (MACHINE CAB) (2/2)
- COVER (MACHINE CAB)
- COVER (MACHINE CAB)
- BATTERY CASE
- HANDRAIL
- REAR VIEW MIRROR, L.H.
- REAR VIEW MIRROR, R.H.
- REAR VIEW MIRROR
- REAR VIEW MIRROR (1 CAMERA)
- COUNTER WEIGHT (9220KG)
- COUNTER WEIGHT MOUNTING
- UNDER COVER (REVOLVING FRAME)
- UNDER COVER (REVOLVING FRAME)L.H
- UNDER COVER (REVOLVING FRAME)
- UNDER COVER (REVOLVING FRAME)
- Lower cover (turntable) (right side) (heavy load)
- UNDER COVER (REVOLVING FRAME)
- SWING CIRCLE AND RELATED PARTS
- TRAVEL AND LOWER PIPING
- UNDER CARRIAGE
- FRONT IDLER
- FRONT IDLER
- IDLER CUSHION
- IDLER CUSHION
- CARRIER ROLLER
- TRACK SHOE
- Track shoes (three-tooth track shoes with holes) (700MM wide)
- TRACK SHOE
- TRACK FRAME (FRAME)
- TRACK FRAME (TRACK ROLLER)
- TRACK FRAME (CENTER GUARD)
- TRACK FRAME (FULL ROLLER GUARD)
- TRACK FRAME
- UNDER COVER (FOR TRACK FRAME)
- ROLLER GUARD (FULL GUARD)
- WORK EQUIPMENT
- BOOM (7.0M BOOM)
- BOOM (HEAVY DUTY)
- BOOM (ATTACHMENT PLUG)
- BOOM (TOP PIN AND BOTTOM PIN)
- Boom (7.0M) (bubble cylinder line)
- BOOM (HEAVY DUTY)
- BOOM (7.0M) (ARM CYLINDER LINE)
- BOOM (HEAVY DUTY)
- BOOM (7.0M) (LUBRICATING LINE)
- BOOM (HEAVY DUTY)
- BOOM (WORKING LAMP AND SPACER)
- BOOM (ADDITIONAL LINE)
- BOOM (ADDITIONAL LINE)
- BOOM CYLINDER
- B00M CYLINDER TOP PIN
- ARM CYLINDER
- Stick cylinder (for heavy duty boom)
- ARM (3.4M ARM)
- ARM (BUCKET LINK)
- ARM (BUCKET LINK)
- ARM (BUCKET CYLINDER)
- ARM (BUCKET LINK)
- ARM (BUCKET LINK)
- ARM (2.9M)
- ARM (3.4M) (HEAVY DUTY)
- ARM (3.4M) (ADDITIONAL PIPING)
- ARM (3.4M) (VALVE AND SPACER)
- BUCKET, 1.9M3, 1438MM
- BUCKET, 2.1M3, 1438MM
- BUCKET, 2.4M3, 1605MM
- BUCKET, 1.9M3, 1475MM
- BUCKET, 2.2M3, 1715MM
- RIPPER BUCKET, 1.1M3, 1250MM
- BUCKET, 2.06M3, 1565MM
- SIDE CUTTER
- SPACER
- MARKS AND PLATES
- DECAL AND PLATE
- DECAL AND PLATE (ENGLISH)
- DECAL AND PLATE (OPT)
- LUBRICATION CHART
- PLATE (FOR WINDOW)
- PLATE (FOR WINDOW) (ENGLISH)
- KOMATSU LOGO (COUNTER WEIGHT)
- PLATE (COOLANT DECAL)
- PLATE (COOLANT DECAL) (ENGLISH)
- CAUTION PLATE (ARM)
- CAUTION PLATE (FOR LV1 GUARD)
- CAUTION PLATE (FRONT GUARD)
- CAUTION PLATE (FRONT GUARD)
- Warning sign (head guard sign) ( Chinese )
- CAUTION PLATE (TOP GUARD)
- Signage (air filter , double filter ) ( English )
- SERVICE INSTRUCTION
- CAUTION PLATE
- PLATE
- ACCESSORY
- MISCELLANEOUS
- SERVICE KIT
- TRACK LINK (SUPPLY PARTS)
- PRECLEANER (INNER PARTS)
- RUBBER ANTENNA
- MAIN PUMP (1/12)
- MAIN PUMP (2/12)
- MAIN PUMP (3/12)
- MAIN PUMP (4/12)
- MAIN PUMP (5/12)
- MAIN PUMP (6/12)
- MAIN PUMP (7/12)
- MAIN PUMP (8/12)
- MAIN PUMP (9/12)
- MAIN PUMP (10/12)
- MAIN PUMP (11/12)
- MAIN PUMP (12/12)
- B00M CYLINDER (INNER PARTS)
- ARM CYLINDER (INNER PARTS)
- ARM CYLINDER (OPT)
- BUCKET CYLINDER
- SWIVEL JOINT (INNER PARTS)
- SWING MOTOR (1/3)
- SWING MOTOR (2/3)
- SWING MOTOR (3/3)
- TRAVEL MOTOR (1/3)
- TRAVEL MOTOR (2/3)
- TRAVEL MOTOR (3/3)
- MAIN VALVE (1/20)
- MAIN VALVE (2/20)
- MAIN VALVE (3/20)
- MAIN VALVE (4/20)
- MAIN VALVE (5/20)
- MAIN VALVE (6/20)
- MAIN VALVE (7/20)
- MAIN VALVE (8/20)
- MAIN VALVE (9/20)
- MAIN VALVE (10/20)
- MAIN VALVE (11/20)
- MAIN VALVE (12/20)
- MAIN VALVE (13/20)
- MAIN VALVE (14/20)
- MAIN VALVE (15/20)
- MAIN VALVE (16/20)
- MAIN VALVE (17/20)
- MAIN VALVE (18/20)
- MAIN VALVE (19/20)
- MAIN VALVE (20/20)
- MAIN VALVE (1-ACTUATOR) (1/23)
- MAIN VALVE (1-ACTUATOR) (2/23)
- MAIN VALVE (1-ACTUATOR) (3/23)
- MAIN VALVE (1-ACTUATOR) (4/23)
- MAIN VALVE (1-ACTUATOR) (5/23)
- MAIN VALVE (1-ACTUATOR) (6/23)
- MAIN VALVE (1-ACTUATOR) (7/23)
- MAIN VALVE (1-ACTUATOR) (8/23)
- MAIN VALVE (1-ACTUATOR) (9/23)
- MAIN VALVE (1-ACTUATOR) (10/23)
- MAIN VALVE (1-ACTUATOR) (11/23)
- MAIN VALVE (1-ACTUATOR) (12/23)
- MAIN VALVE (1-ACTUATOR) (13/23)
- MAIN VALVE (1-ACTUATOR) (14/23)
- MAIN VALVE (1-ACTUATOR) (15/23)
- MAIN VALVE (1-ACTUATOR) (16/23)
- MAIN VALVE (1-ACTUATOR) (17/23)
- MAIN VALVE (1-ACTUATOR) (18/23)
- MAIN VALVE (1-ACTUATOR) (19/23)
- MAIN VALVE (1-ACTUATOR) (20/23)
- MAIN VALVE (1-ACTUATOR) (21/23)
- MAIN VALVE (1-ACTUATOR) (22/23)
- MAIN VALVE (1-ACTUATOR) (23/23)
- SERVICE VALVE (1/3)
- SERVICE VALVE (2/3)
- SERVICE VALVE (3/3)
- PPC VALVE (FOR TRAVEL) (1/2)
- PPC VALVE (FOR TRAVEL) (2/2)
- PPC VALVE (FOR WORK EQUIPMENT)
- PPC VALVE (FOR 1-ATTACHMENT)
- PPC VALVE (FOR 1-ATTACHMENT)
- LOCK VALVE (FOR ARM)
- SELECTOR VALVE
- BURST VALVE (FOR BOOM CYLINDER)
- Accumulator (AL300-1) (internal parts)
- FILTER (INNER PARTS)
- FILTER (INNER PARTS)
- SOLENOID VALVE (INNER PARTS)
- SOLENOID VALVE (INNER PARTS)
- BREATHER (FOR HYDRAULIC TANK)
- Compressor assembly (for air conditioners)
- AIR CONDITIONER UNIT
- ENGINE
-
PC650-8
- ENGINE
- CYLINDER HEAD
- CYLINDER HEAD COVER
- HEAD COVER MOUNTING BOLT
- Intake pipe and connector
- AIR CONNECTION
- EXHAUST MANIFOLD
- Turbocharger installation and lubrication
- TURBOCHARGER(INNER PARTS)
- COVER FOR EGR LESS
- HEAT SHIELD
- MUFFLER
- CYLINDER BLOCK
- CYLINDER BLOCK ACCESSORY
- FRONT COVER
- FRONT COVER ACCESSORY
- IDLER GEAR
- CAMFOLLOWER COVER
- OIL PAN AND SUCTION TUBE
- FLYWHEEL HOUSING
- FLYWHEEL
- ENGINE FRONT SUPPORT
- CRANKSHAFT
- VIBRATION DAMPER
- PISTON AND CONNECTING ROD
- DAMPER FLANGE
- CAMSHAFT
- CAMFOLLOWER AND PUSH ROD
- ROCKER ARM
- FRONT POWER TAKE OFF
- (HARDENING PULLEY SPEC.)
- LUBRICATING OIL PUMP
- OIL FILTER AND PIPING
- OIL COOLER
- FUEL SUPPLY PUMP
- COMMON RAIL (INNER PARTS)
- FUEL SUPPLY PUMP BRACKET
- FUEL SUPPLY TUBE JOINT SUPPORT
- FUEL SUPPLY PUMP LUBRICATOR
- FUEL FILTER (THREAD 1-5/8)
- FUEL PRIMING PUMP
- FUEL AIR VENT
- FUEL FILTER CARTRIDGE
- FUEL INJECTOR AND SPILL TUBE
- FUEL RETURN
- FUEL CONTROLLER
- THERMOSTAT AND AIR VENT
- WATER PUMP
- CORROSION RESISTOR
- ALTERNATOR MOUNTING (90A)
- (90A) (WITH HARDENING PULLEY)
- (60A) (SANDY AND DUSTY SPEC.)
- ALTERNATOR (90A) (INNER PARTS)
- Generator (90A) (with hard pulley)
- Generator (60A)
- Starter motor installation (11KW)
- Starter motor (11KW) (internal product)
- ELECTRICAL WIRING (1/5)
- ELECTRICAL WIRING (2/5)
- ELECTRICAL WIRING (3/5)
- ELECTRICAL WIRING (4/5)
- ELECTRICAL WIRING (5/5)
- NAME PLATE AND CAUTION (ENGLISH)
- AIR CLEANER (CHASSIS MOUNT)
- ENGINE RELATED PARTS
- COOLING SYSTEM
- COOLING
- Cooling (condenser air conditioner, fuel cooler)
- COOLING (SHROUD AND NET)
- COOLING (SEAL AND SHEET)
- Cooling (fan installation) (fan and motor)
- (FAN MOUNT) (FAN MOTOR PIPING)
- COOLING (RADIATOR PIPING)
- COOLING (RADIATOR MOUNTING)
- COOLING (COVER)
- COOLING (STAY AND AIR PIPING)
- Cooling (sensor and oil cooler tube)
- FUEL TANK AND RELATED PARTS
- ELECTRICAL SYSTEM
- BATTERY (WET) (C200)
- BATTERY (WET) (NS200)
- WIRING (STARTING HARNESS)
- WIRING (MAIN HARNESS)
- WIRING (MAIN HARNESS) (CLIP)
- Wiring (main harness) (tube clamp) (right side panel)
- WIRING (BATTERY CASE SIDE)
- WIRING (WORKING LAMP、FRONT)
- WIRING (CIRCUIT BREAKER)
- WIRING (PUMP SWITCH)
- BEACON (WITH FOPS)
- STEP LIGHT (WITH TOP GUARD)
- ADDITIONAL WORK LAMP
- Additional work light and left pedal (top guard)
- ADDITIONAL WORK LAMP LESS
- Additional work lights and flashing lights
- ADDITIONAL WORK LAMP
- FLASH LIGHT
- STEP LIGHT AND FLASH LIGHT
- HORN
- TRAVEL ALARM
- HYDRAULIC SYSTEM
- HYDRAULIC TANK (TANK AND FILTER)
- HYDRAULIC TANK (RELIEF VALVE)
- HYDRAULIC TANK
- HYDRAULIC TANK (DOOR)
- MAIN VALVE (1/2)
- MAIN VALVE (2/2)
- MAIN VALVE (BRACKET AND STEP)
- NO.1 PUMP
- NO.2 PUMP
- GEAR PUMP
- SUCTION LINES
- DELIVERY LINES (PUMP TO FILTER)
- DELIVERY LINES (HOSE AND BLOCK)
- OIL COOLER LINES
- RETURN LINES
- DRAIN LINE
- BOOM LINES (1/2)
- BOOM LINES (2/2)
- Arm and bucket (valve oil) (1/2)
- ARM AND BUCKET LINES(2/2)
- ARM AND BUCKET LINES (BRACKET)
- DRIFT PREVENT LINES (LOCK VALVE)
- TRAVEL LINES
- SWING LINES
- FAN MOTOR LINES
- O.L.S.S. LINE
- Solenoid valve (electromagnetic and EPC valves)
- SOLENOID VALVE (HOSE)
- Shuttle valve (bracket and valve)
- SHUTTLE VALVE (VALVE)
- PPC MAIN LINE (HOSE)
- PPC MAIN LINE
- PPC MAIN LINE (HOSE)
- Main/slewing frame and related parts
- OPERATORSCOMPARTMENT
- Cab seat (tilt) (elastic)
- SEAT BELT (48MM WIDE)
- Seat back cover (with air conditioning)
- FRONT GUARD (FULL) (LEVEL-2)
- FLOOR MAT
- RAIN VISOR
- WINDOW WASHER
- TOP GUARD (LEVEL-2)
- AIR CONDITIONER (COMPRESSOR)
- AIR CONDITIONER
- AIR CONDITIONER (CLAMP)
- AIR CONDITIONER (RECEIVER TANK)
- FIRE EXTINGUISHER (CHINESE)
- FLOOR FRAME(CAB)
- FLOOR FRAME(ROOF WINDOW)
- Floor frame (cab) (door)
- FLOOR FRAME(DOOR LOCK)
- Floor frame (cab) (unlocking)
- FLOOR FRAME(ELECTRICAL)
- FLOOR FRAME (ELECTRICAL)(RADIO)
- FLOOR FRAME(ACCESSORIES)
- Base frame (cab) (plug and antenna)
- FLOOR FRAME(CLAMP AND PLATE)
- Floor stand (cab) (monitor) (with multiple monitors)
- FLOOR FRAME(PLATE AND DUCT)
- Floor frame (cab) (isolation box and bottom tube)
- FLOOR FRAME(SUB PANEL)
- FLOOR FRAME(CLAMP AND BOLT)
- FLOOR FRAME(FLOOR FRAME)
- FLOOR FRAME(TRAVEL CONTROL)
- FLOOR FRAME(FOOT REST)(L.H.)
- FLOOR FRAME(FOOT REST)(R.H.)
- Floor frame (cab) (harness)
- FLOOR FRAME(WINDOW WASHER)
- FLOOR FRAME(WINDOW WASHER)
- (LEVER AND VALVE) (L.H.)
- (CONSOLE 、L.H.)(UPPER)
- (CONSOLE 、L.H.)(LOWER)
- (LEVER AND VALVE) (R.H.)
- FLOOR FRAME(CONSOLE 、R.H.)
- AIR CONDITIONER AND FOOT COVER
- Floor frame (cab) (air conditioning hose)
- WITH AIR CONDITIONER
- FLOOR FRAME(PPC HOSE) (1/2)
- FLOOR FRAME(PPC HOSE) (2/2)
- FLOOR FRAME(PPC CLAMP)
- P 、T BLOCK AND SEAL
- FLOOR MOUNT
- Switch (mode selection connector)
- GUARD
- HOOD
- FRAME (MACHINE CAB)
- STEP AND COVER
- LEFT SIDE COVER (MACHINE CAB)
- FOR ENGINE AIR PRE-CLEANER
- RIGHT SIDE COVER (MACHINE CAB)
- PARTITION (1/2)
- PARTITION (2/2)
- PARTITION (CAB REAR)
- COVER (MACHINE CAB)
- FOR ENGINE AIR PRE-CLEANER
- COVER (MACHINE CAB)
- RIGHT CASE
- HANDRAIL
- REAR VIEW MIRROR 、L.H.
- REAR VIEW MIRROR 、R.H.
- COUNTER WEIGHT (10750KG)
- COUNTER WEIGHT MOUNTING
- UNDER COVER(R.H.)
- UNDER COVER(CENTER)
- UNDER COVER(L.H.)
- SWING CIRCLE AND RELATED PARTS
- TRAVEL AND LOWER PIPING
- UNDER CARRIAGE
- TRACK SHOE
- CENTER FRAME
- TRACK FRAME (LC) (L.H.)
- TRACK FRAME (FRONT IDLER) (L.H.)
- (IDLER CUSHION) (L.H.)
- (TRACK ROLLER) (LC) (L.H.)
- (CARRIER ROLLER) (L.H.)
- (TRACK ROLLER GUARD) (LC) (L.H.)
- (TRACK ROLLER FULL GUARD)(L.H.)
- TRACK FRAME (FINAL DRIVE) (L.H.)
- Walking frame (traveling pipe) (left)
- TRACK FRAME (LC) (R.H.)
- TRACK FRAME (FRONT IDLER) (R.H.)
- TRACK FRAME(IDLER CUSHION)(R.H.)
- (TRACK ROLLER)(LC)(R.H.)
- (CARRIER ROLLER)(R.H.)
- (TRACK ROLLER GUARD)(R.H.)
- (TRACK ROLLER FULL GUARD)(R.H.)
- TRACK FRAME(FINAL DRIVE)(R.H.)
- TRACK FRAME(TRAVEL PIPING)(R.H.)
- UNDER COVER (FOR TRACK FRAME)
- TRAVEL PIPING GUARD
- STEP (TRACK FRAME SIDE)
- WORK EQUIPMENT
- BOOM(6.6M)(BOOM AND TOP PIN)
- BOOM(7.3M)(BOOM AND TOP PIN)
- BOOM(6.6M)(ARM CYLINDER LINE)
- BOOM(7.3M)(ARM CYLINDER LINE)
- BOOM(6.6M)(LUBRICATING LINE)
- BOOM(7.3M)(LUBRICATING LINE)
- BOOM(6.6M)(BUCKET CYLINDER LINE)
- Big arm (7.3M) (bubble cylinder circuit)
- BOOM (CYLINDER PIN)(SE SPEC.)
- BOOM (CYLINDER PIN)
- BOOM (WORK LAMP)(SE SPEC.)
- BOOM (WORK LAMP)
- BOOM CYLINDER
- BOOM CYLINDER HEAD PIN
- ARM CYLINDER
- ARM (2.9M)
- ARM (3.5M) (HEAVY DUTY)
- ARM (BUCKET LINK)(SE SPEC.)
- ARM (BUCKET LINK)
- ARM (3.5M)
- 3.1M3 HORIZONTAL PIN TYPE BUCKET
- 3.5M3 HORIZONTAL PIN TYPE BUCKET
- SIDE SHROUD
- MARKS AND PLATES
- ACCESSORY
- MISCELLANEOUS
- SERVICE KIT AND COMPONENT PARTS
- SWING MACHINERY ASS’Y
- SHOE BOLT AND NUT SERVICE KIT
- TRACK LINK(104SET)(SUPPLY PARTS)
- MAIN PUMP(1/14)(NO.1 PUMP)
- MAIN PUMP (2/14) (NO.1 PUMP)
- MAIN PUMP (3/14) (NO.1 PUMP)
- MAIN PUMP (4/14) (NO.1 PUMP)
- MAIN PUMP (5/14) (NO.1 PUMP)
- MAIN PUMP (6/14) (NO.1 PUMP)
- MAIN PUMP (7/14) (NO.1 PUMP)
- MAIN PUMP (8/14) (NO.1 PUMP)
- MAIN PUMP (9/14) (NO.1 PUMP)
- MAIN PUMP (10/14) (NO.1 PUMP)
- MAIN PUMP (11/14) (NO.1 PUMP)
- MAIN PUMP (12/14) (NO.1 PUMP)
- MAIN PUMP (13/14) (NO.1 PUMP)
- MAIN PUMP (14/14) (NO.1 PUMP)
- MAIN PUMP (1/9) (NO.2 PUMP)
- MAIN PUMP (2/9) (NO.2 PUMP)
- MAIN PUMP (3/9) (NO.2 PUMP)
- MAIN PUMP (4/9) (NO.2 PUMP)
- MAIN PUMP (5/9) (NO.2 PUMP)
- MAIN PUMP (6/9) (NO.2 PUMP)
- MAIN PUMP (7/9) (NO.2 PUMP)
- MAIN PUMP (8/9) (NO.2 PUMP)
- MAIN PUMP (9/9) (NO.2 PUMP)
- FAN PUMP (1/7)
- FAN PUMP (2/7)
- FAN PUMP (3/7)
- FAN PUMP (4/7)
- FAN PUMP (5/7)
- FAN PUMP (6/7)
- FAN PUMP (7/7)
- B00M CYLINDER L.H.
- B00M CYLINDER R.H.
- ARM CYLINDER
- BUCKET CYLINDER
- SWIVEL JOINT
- SWING MOTOR (1/3)
- SWING MOTOR (2/3)
- SWING MOTOR (3/3)
- TRAVEL MOTOR (1/3)
- TRAVEL MOTOR (2/3)
- TRAVEL MOTOR (3/3)
- FAN MOTOR (1/3)
- FAN MOTOR (2/3)
- FAN MOTOR (3/3)
- MAIN VALVE (1/8)
- MAIN VALVE (2/8)
- MAIN VALVE (3/8)
- MAIN VALVE (4/8)
- MAIN VALVE (5/8)
- MAIN VALVE (6/8)
- MAIN VALVE (7/8)
- MAIN VALVE (8/8)
- PPC VALVE (FOR TRAVEL)
- SAFETY VALVE
- SHUTTLE VALVE
- SHUTTLE VALVE
- LOCK VALVE
- LOCK VALVE (ARM)
- PILOT VALVE
- SOLENOID VALVE (INNER PARTS)
- SOLENOID VALVE (INNER PARTS)
- BREATHER (FOR HYDRAULIC TANK)
- COMPRESSOR ASS’Y
- ENGINE
-
PC130-7
- ENGINE
- CYLINDER HEAD
- HANGER,FRONT
- REAR HANGER
- HEAD COVER
- HEAD COVER ACCESSORY
- AIR INTAKE CONNECTION
- EXHAUST MANIFOLD
- TURBOCHARGER
- HEAT SHIELD
- MUFFLER
- EXHAUST CONNECTION
- CYL INDER BLOCK
- FRONT COVER(EXCEPT JAPAN)
- IDLER GEAR
- BLIND PLUG (OIL FILLER UPPER SPEC.)
- OIL PAN AND SUCTION TUBE
- OIL LEVELGAUGE
- FLYWHEEL HOUSING
- FLYWHEEL
- CRANKSHAFT
- PISTON
- CRAND PULLEY (NON HARDENING)
- CAMSHAFT AND GEAR
- TAPPET
- ROCKER ARM
- COUPLING
- TACHO DRIVE COVER
- OIL PUMP
- TURBOCHARGER LUBRICATING OIL PIPING
- OIL FILTER
- OIL PRESSURE SWITCH
- OIL COOLER
- FUEL INJECTION PUMP
- FUEL INJECTION PIPING
- FUEL INJECTION PUMP LUBRICATOR
- FUEL CONTROL(BOOST COMPE)
- FUEL FILTER
- INJECTION NOZZLE
- FUEL RETURN (CENTER RETURN SPEC.)
- WATER PUMP
- WATER PUMP PULLEY(NON HARDENING PULLEY)
- COOLING FAN
- FAN SPACER
- FAN SPACER MOUNTING
- WATER CONNECTOR (OUTLET)
- COOLING FAN BOLT
- FAN BELT
- FAN BELT
- ALTERNATOR(35A)
- ALTERNATOR MOUNTING(35A)(EXCEPT JAPAN)
- STARTING MOTOR MOUNTING(3.0KW)
- ACCESSORY BRACKET(FOR COMPRESSOR)
- WATER PIPING
- ENGINE NAME PLATE AND REGULATION PLATE (EXCEPT JAPAN)
- MAIN PUMP MOUNT
- ENGINE BRACKET AND MAIN PUMP
- ENGINE RELATED PARTS
- COOLING SYSTEM
- FUEL TANK AND RELATED PARTS
- ELECTRICAL SYSTEM
- BATTERY
- BATTERY (LARGE CAPACITY)
- WIRING (STARTING HARNESS) (HARNESS AND CLIP)
- WIRING (STARTING HARNESS) (RELAY AND HARNESS)
- WIRING (MAIN HARNESS) (HARNESS AND CLIP)
- WIRING (MAIN HARNESS) (CLIP) (1/3)
- WIRING (MAIN HARNESS) (CLIP) (2/3)
- WIRING (MAIN HARNESS) (CLIP)
- WIRING (MAIN HARNESS) (CLIP) (线夹)(3/3)(用于 (3/3) (FOR 35A ALTERNATOR) 35A
- WIRING (BATTERY HARNESS AND GROUND)
- ADDITIONAL WORK LAMP
- ADDITIONAL WORK LAMP (L.H. DECK
- ADDITIONAL WORK LAMP LESS (L.H. DECK)
- ADDITIONAL WORK LAMP (BOOM R.H.)
- REAR WORK LAMP
- BEACON
- HORN
- HYDRAULIC SYSTEM
- HYDRAULIC TANK
- MAIN VALVE (CONNECTING PARTS) (1/2)
- MAIN VALVE (CONNECTING PARTS) (1/2) (1 ATT LINE)
- MAIN VALVE (CONNECTING PARTS) (2/2)
- MAIN VALVE (CONNECTING PARTS) (2/2) (1 ATT LINE)
- MAIN VALVE (CONNECTING PARTS) (2/2) (1 ATT LINE)
- MAIN VALVE (CONNECTING PART(FOR BOOM AND ARM BURST VALVE)S)
- MAIN VALVE (CONNECTING PARTS)(2/2(FOR BOOM AND ARM BURST VALVE))
- MAIN PUMP (CONNECTING PARTS)
- SUCTION LINE
- DELIVERY LINE
- OIL COOLER LINE
- OIL COOLER LINE (1 ATT LINE)
- RETURN LINE
- RETURN LINE (1 ATT LINE)
- DRAIN LINE
- BOOM LINE
- ARM AND BUCKET LINE
- BURST VALVE LINE
- REVOLVING FRAME
- ATTACHMENT LINE (MAIN VALVE PIPINGND CONVERTIBLE VALVE) (FOR 1 ATT)
- ATTACHMENT LINE (JOINT BLOCK AND JOINT BLOCK PIPING)
- TRAVEL LINE
- SWING LINE
- LS LINE
- LS LINE (1 ATT LINE)
- SOLENOID VALVE (VALVE)
- SOLENOID VALVE (HOSE)
- SOLENOID VALVE (CLIP)
- PRESSURE SWITCH
- PPCMAIN LINE (HOSE)
- PPC MAIN LINE (CLIP) (1 ACTUATOR)
- PPC MAIN LINE (CLIP) (2 ACTUATOR)
- MAIN/REVOLVING FRAME AND RELATED PARTS
- REVOLVING FRAME
- BOOM FOOT PIN
- OPERATOR’S SEAT (FABRIC)
- OPERATOR’ S SEAT (SUSPENSION)
- 2 OPERATOR’S SEAT (HEATED SUSPENSION)
- SEAT BELT (48MM WIDE)
- SEAT BELT (78MM WIDE)(OPT)
- SEAT BELT (50MM WIDE)(OPT)
- SEAT REAR COVER (WITH AIR CONDITIONER)
- LUGGAGE BOX NET
- TOP GUARD (LEVEL-2)
- FRONT GUARD (FULL) (LEVEL-2)
- FLOOR MAT
- FLOOR MAT (1 ACTUATOR)
- FLOOR MAT (2 ACTUATOR)
- RAIN VISOR
- SUN VISOR
- SUN ROLLER BLIND
- LOWER WIPER
- LOWER WIPER LESS
- WINDOW WASHER
- AIR CONDITIONER (COMPRESSOR AND RECEIVER DRYER)
- AIR CONDITIONER (PIPING)
- FLOOR FRAME (OPERATOR’S CAB) (CAB)
- FLOOR FRAME (OPERATOR’S CAB) (FRONT WINDOW)
- FLOOR FRAME (OPERATOR’S CAB) (FRONT WINDOW)
- FLOOR FRAME (OPERATOR’S CAB) (FRONT LOWER WINDOW)
- FLOOR FRAME (OPERATOR’S CAB) (ROOF WINDOW)
- FLOOR FRAME (OPERATOR’S CAB) (DOOR)
- FLOOR FRAME (OPERATOR’S CAB) (DOOR LOCK)
- FLOOR FRAME (OPERATOR’S CAB) (OPEN LOCK)
- FLOOR FRAME(OPERATOR’S CAB)ELE CTRICAL) (WIPER AND ROOM LAMP)
- FLOOR FRAME (OPERATOR’S CAB) (ELECTRICAL)
- FLOOR FRAME (OPERATOR’S CAB) (ACCESSORIES)
- FLOOR FRAME (OPERATOR’S CAB) (PLUG BOLT AND ANNTENA)
- FLOOR FRAME (OPERATOR’S CAB) (CLAMP AND PLATE)
- FLOOR FRAME (OPERATOR’S CAB) (MONITOR SYSTEM)
- FLOOR FRAME (OPERATOR’S CAB) (PLATE AND DUCT)
- FLOOR FRAME (OPERATOR’S CAB) (PARTTION AND FOOT DUCT)
- FLOOR FRAME (OPERATOR’S CAB) (SUB PANEL)
- FLOOR FRAME (OPERATOR’S CAB) (CLAMP AND BOLT)
- FLOOR FRAME (OPERATOR’S CAB) (FLOOR FRAME)
- FLOOR FRAME (OPERATOR’S CAB) (TRAVEL CONTROL)
- FLOOR FRAME (OPERATOR’S C AB) (FOOT REST) (L.H.
- FLOOR FRAME (OPERATOR’S CAB) (ATTACHMENT CONTROL) (2 ACTUATOR)
- FLOOR FRAME (OPERATOR’S CAB) (ATTACHMENT CONTROL) (1 ACTUATOR)
- FLOOR FRAME (OPERATOR’S CAB) (BASE
- FLOOR FRAME (OPERATOR’S CAB) (HARNESS)
- FLOOR FRAME (OPERATOR’S CAB) (WINDW WASHER)
- FLOOR FRAME (LEVER AND VALVE) (L. H.)
- FLOOR FRAME (OPERATOR’S CAB) 地 (CONSOLE) (UPPER) (WITH AIR CO NDITIONER AND RADIO) (L.H.)
- FLOOR FRAME (CONSOLE) (UPPER) (L.H.)(WITHO UT AIR CONDITIONER AND RADIO) (OPT)
- FLOOR FRAME (OPERATOR’S CAB) (CONSOLE) (LOWER) (L.H.)
- FLOOR FRAME (LEVER AND VALVE) (R.H.)
- FLOOR FRAME (OPERATOR’S CAB) (CONSOLE) (R.H.)
- FLOOR FRAME (OPERATOR’S CAB) (CONSOLE) (R.H.)
- FLOOR FRAME (OPERATOR’S CAB) (AIR CONDITIONER AND FOOT COVER)
- FLOOR FRAME (OPERATOR’S CAB) (AIR CONDITIONER HOSE)
- FLOOR FRAME (OPERATOR’S CAB) (HEATER HOSE AND CLAMP)
- FLOOR FRAME (OPERATOR’S CAB) (PPC HOSE) (1/2)
- FLOOR FRAME (OPERATOR’S CAB) (PPC HOSE) (2/2)
- FLOOR FRAME (OPERATOR’S CAB) (PPC CLAMP)
- FLOOR FRAME (OPERATOR’S CAB) (P.T BLOCK AND SEAL ) (1 ATT)
- FLOOR FRAME (OPERATOR’S CAB) (P T BLOCK AND SEAL)
- FLOOR FRAME (OPERATOR’S CAB) (P (P、T 块和密封)、(T BLOCK AND SEAL) (2 ACTUATOR)
- FLOOR MOUNT
- SWITCH (MODEL SELECTION)
- GUARD
- HOOD
- FRAME
- FRAME
- DOOR L.H.
- DOOR L.H.
- DOOR R. H.
- PARTITION (1/2)
- PARTITION (2/2)
- COVER (UPPER)
- TOOL CASE (WITH WASHER TANK)(FOR SELF SUPPLY PUMP)
- VALVE UPPER COVER
- VALVE UPPER COVER(2 or 3 ACTUATOR ATTACHMENT)
- HANDRAIL
- BLIND PARTS (FOR HANDRAIL)
- REAR VIEW MIRROR,L. H. (SINGLE)
- REAR VIEW MIRROR,R. H.
- COUNTER WEIGHT (WITH HOOK)(2455 KG)
- COUNTER WEIGHT MOUNT ING
- UNDER COVER (L. H. )
- UNDER COVER (R. H.)
- REAR UNDER VIEW MIRROR
- SWING CIRCLE AND RELATED PARTS
- TRAVEL AND LOWER PIPING
- UNDER CARRIAGE
- FRONT IDLER
- IDLER CUSHION
- TRACK ROLLER
- CARRIER ROLLER
- TRACK SHOE (TRIPLE GROUSER WITH LONG HOLE) (500MM WIDE)
- TRACK SHOE (TRIPLE GROUSER WITH LONG HOLE) (600MM WIDE)
- TRACK SHOE (TRIPLE GROUSER WITH LONG HOLE) (700MM WIDE)
- TRACK SHOE (TRIPLE GROUSER WITH LONG HOLE) (FOR EQUIP WITH CITY PAD) (500MM WIDE)
- TRACK SHOE (NEW ROADLINER) (500MM WIDE)
- TRACK FRAME
- TRACK FRAME UNDER COVER
- CENTER ROLLER GUARD
- WORK EQUIPMENT
- BOOM
- ( BOOM (1 ACTUATOR ATTACHMENT)
- LINK (BOOM LESS)
- BOOM (WORK LAMP AND PIN)
- BOOM (HYDRAULIC LINE) (1 ACTUATOR ATTACHMENT)
- BOOM (CLAMP) (1 ACTUATOR ATTACHMENT)
- BOOM (CLAMP) (1 ACTUATOR ATTACHMENT)
- BOOM (LUBRICATION PIPING)
- BOOM CYLINDER
- BOOM CYLINDER (L.H.) (WITH BURST VALVE)
- BOOM CYLINDER (L.H.) (SHOCK RELEASE SPEC.)
- BOOM CYLINDER (R.H.) (WITH BURST VALVE)
- BOOM CYLINDER (R.H.) (SHOCK RELEASE SPEC.)
- BOOM CYL INDER TOP PIN
- ARM CYL INDER
- ARM CYLINDER(WITH BURST VALVE)
- ARM(2.5m )(ARM AND PIN)
- ARM(2.5m )(ARM AND PIN)(1 ACTUATOR ATTACHMENT)
- ARM (3.0 M) (ARM AND PIN)
- ARM (3.0 M) (ARM AND PIN) (1 ACTUATOR ATTACHMENT)
- ARM(2.1M )(ARM AND PIN)
- ARM(2.1M )(ARM AND PIN)(1 ACTUATOR ATTACHMENT)
- ARM(ADDITIONAL LINE )(FOR 2.5M ARM )
- ARM (ADDITIONAL LINE) (FOR 3.0M ARM) (FOR 1 ATT)
- ARM(ADDITIONAL LINE )(FOR 2.1M ARM )(FOR 1 ATT)
- BUCKET CYLINDER
- BUCKET LINK
- BUCKET 0.53M 3 (HORIZONTAL PIN TYPE)
- BUCKET 0.36M 3 (HORIZONTAL PIN TYPE)
- BUCKET 0.45M 3 (HORIZONTAL PIN TYPE)
- BUCKET 0.64M 3 (HORIZONTAL PIN TYPE)
- MARKS AND PLATES
- MARK AND PLATES(CHINESE
- MARK AND PLATES(ENGLISH)
- PLATE(LUBRICATION STANDARD CHART)
- LOGO
- PLATE (THE POSITION OF LIFTING) (CHINES
- PLATE (THE POSITION OF LIFTING) (ENGLISH)
- PLATE(BOOMSIDE, R.H. )(LOGO MARK)
- CAUTION PLATE (FOR LV2 GUARD )
- CAUTION PLATE (FOR LV2 GUARD )(FRONT FULL GUARD)
- A2 CAUTION PLATE (FOR LV2 GUARD )(FRONT FULL GUARD AND TOP GUARD)
- PLATE (AIR CLEANER、DOUBLE ELEMENT) (CHINESE)
- PLATE (AIR CLEANER、DOUBLE ELEMENT) (ENGLISH)
- PLATE (WITH ACCUMLATOR)
- 0 PLATE (12V POWER SOURCE )
- ACCESSORY
- MISCELLANEOUS
- SERVICE KIT AND COMPONENT PARTS
- SWING MACHINERY(INNER PARTS)
- SHOE BOLT AND NUT SERVICE KIT
- TRACK LINK ASS’Y (SUPPLY ONLY)
- RUBBER ANTENNA
- OPERATOR’S SEAT ASS’Y (SUSPENSION)
- OPERATOR’S SEAT ASS’Y(FABRIC SEAT)
- MAIN PUMP (1/8)
- MAIN PUMP (2/8)
- MAIN PUMP (3/8)
- MAIN PUMP (4/8)
- MAIN PUMP (5/8)
- MAIN PUMP (6/8)
- MAIN PUMP (7/8
- MAIN PUMP (8/8)
- BOOM CYLINDER (INNER PARTS)
- BOOM CYLINDER (INNER PARTS )(SHOCK RELEASE SPEC.
- BOOM CYLINDER (INNER PARTS )(SHOCK RELEASE SPEC.)
- ARM CYLINDER(INNER PARTS)
- ARM CYLINDER(INNER PARTS)
- ARM CYLINDER(WITH BURST VALVE )(INNER PARTS)
- ARM CYLINDER(WITH BURST VALVE )(INNER PARTS)
- BUCKET CYLINDER (INNER PARTS)
- SWIVEL JOINT (INNER PARTS)
- SWING MOTOR(1/2)
- SWING MOTOR(1/2)
- SWING MOTOR(2/2)
- TRAVEL MOTOR (MOTOR ASS’Y )(1/3)
- TRAVEL MOTOR (MOTOR ASS’Y )(1/3)
- TRAVEL MOTOR(VALVE ASS’Y )(2/3)
- TRAVEL MOTOR (FINAL DRIVE ASS’Y )(3/3)
- TRAVEL MOTOR (FINAL DRIVE ASS’Y )(3/3)
- MAIN VALVE (7-VALVE )(1/12)
- MAIN VALVE (7-VALVE )(2/12)
- MAIN VALVE (7-VALVE )(3/12)
- MAIN VALVE (7-VALVE )(4/12)
- MAIN VALVE (7-VALVE )(5/12)
- MAIN VALVE (7-VALVE )(6/12)
- MAIN VALVE (7-VALVE )(7/12)
- MAIN VALVE (7-VALVE )(8/12)
- MAIN VALVE (7-VALVE )(9/12)
- MAIN VALVE (7-VALVE )(9/12)
- MAIN VALVE (7-VALVE )(10/12)
- MAIN VALVE (7-VALVE )(11/12)
- MAIN VALVE (7-VALVE )(12/12)
- PPC VALVE (FOR TRAVEL
- WORK EPUIPMENT LEVER(L.H.)
- WORK EPUIPMENT LEVER(R.H.)
- PPC VALVE (FOR ATTACHMENT)
- PILOT VALVE
- 0 BURST VALVE(FOR BOOM CYLINDER)
- BURST VALVE (FOR ARM CYLINDER)
- SOLENOID VALVE (INNER PARTS)
- COMPRESSOR ASS’Y(FOR AIR CONDITIONER)
- UNIT ASS’Y (COOLING)(FOR AIR CONDITIONER)
- UNIT ASS’Y (COOLING)(FOR AIR CONDITIONER)
- ENGINE
-
PC56-7
-
KOBELCO
-
SK200-8 210-8
- ENGINE(J05E)
- CYLINDER HEAD
- CYLINDER BLOCK
- TEIMING GEAR COVER AND FLYWHEEL HOUSING
- MAIN MOVING PARTS
- CAMSHAFT AND IDLE GEAR
- VALVE SYSTEM
- INTAKE AND EXHAUST SYSTEM
- LUBRICATION
- OIL FILTER
- OIL COOLER
- FUEL SYSTEM
- FUEL FILT
- COOLING SYSTEM
- ELECTRICAL PARTS (ENGIN)
- TURBOCHARG
- ENGINE ACCESSORY PAR
- ALTERNATOR
- STARTING MOTOR
- GASKET KIT
- UPPERSTRUCTURE
- FILTER LIST
- COUNTERWEIGHT INSTAL
- COUNTERWEIGHT INSTAL(SEMI-GAIN)
- COUNTERWEIGHT INSTAL(GAIN)
- ENGINE ASSY
- ENGINE INSTAL
- RADIATOR INSTAL
- RADIATOR GROUP
- RADIATOR ASSY
- CLEANER ASSY,AIR
- MUFFLER ASSY
- FUEL LINES
- TANK INSTAL,FUEL
- TANK INSTAL,FUEL 2
- TANK INSTAL,HYD
- TANK INSTAL,HYD 2
- POWER TAKE-OFF ASSY
- MOTOR INSTAL,SWING
- VALVE INSTAL
- HYD LINES,PUMP
- HYD LINES,UPP (MAIN)
- HYD LINES,SWIVEL
- HYD LINES,RETURN
- CONTROLS,OPERATORS
- CONTROL BOX ASSY
- GRIP ASSY
- RADIO INSTAL
- ARM REST
- LEVER ASSY,PROPEL
- CONTROL LINES,REMOTE
- CONTROL LINES,PUMP
- CONTROL LINES,PROPEL
- PLATE INSTAL,FLOOR
- MIRROR INSTAL
- CAB INSTAL
- CAB INSTAL 2
- CAB ASSY
- WINDOW ASSY,ROOF
- WINDOW ASSY,ROOF 2
- WINDOW ASSY,FRONT
- DOOR ASSY,CAB
- SEAT INSTAL
- BELT ASSY,SEAT
- GUARD INSTAL
- GUARD INSTAL
- GUARD INSTAL
- GUARD INSTAL
- COVER ASSY,UNDER
- PANEL ASSY,INSTRUMENT
- CONTROLLER INSTAL
- RELAY BOX ASSY
- BATTERY ASSY
- CONDITIONER ASSY,AIR
- CONDITIONER ASSY,AIR
- DRIER ASSY,AIR
- COMPRESSOR ASSY,AIR
- CONDITIONER ASSY,AIR
- ELEC ASSY,UPP
- LIGHT INSTAL
- LIGHT ASSY
- HARNESS ASSY,UPP
- HARNESS ASSY,CAB
- HARNESS ASSY,UPP (PLATE FLOOR)
- HARNESS ASSY,ENGINE
- CONTROL LINES,REMOTE (WITHOUT MULTI LEVER)
- GAUGE ASSY,CLUSTER
- UNDERCARRIAGE
- ATTACHMENTS
- HYDRAULINC PARTS
- VALVE ASSY,CONTROL
- VALVE ASSY,MAIN RELIEF
- VALVE ASSY,PORT RELIEF
- VALVE ASSY,CONTROL(OPTION)
- SWING MOTOR ASSY
- SWING REDUCTION ASSY
- VALVE ASSY,SWING-REACTIONLESS
- VALVE ASSY,RELIEF
- PROPELLING MOTOR ASSY
- VALVE ASSY,RELIEF
- HYDRAULIC PUMP ASSY
- HYDRAULIC GROUP ASSY
- REGULATOR ASSY
- VALVE ASSY,SOLENOID
- PUMP ASSY,GEAR
- CYLINDER ASSY,BOOM
- CYLINDER ASSY,ARM
- CYLINDER ASSY,BUCKET
- VALVE ASSY,PILOT
- VALVE ASSY,PILOT (PROPELLING)
- CRUSHING VALVE ASSY,PILOT
- VALVE ASSY,SOLENOID
- JOINT ASSY,SWIVEL
- ENGINE(J05E)
-
SK250-8 SK260LC-8
- ENGINE(J05E)
- CYLINDER HEAD
- CYLINDER BLOCK
- TEIMING GEAR COVER
- MAIN MOVING PARTS
- CAMSHAFT AND IDLE GEAR
- VALVE SYSTEM
- INTAKE AND EXHAUST SYSTEM
- LUBRICATION
- OIL FILTER
- OIL COOLER
- FUEL SYSTEM
- FUEL FILTER
- COOLING SYSTEM
- ELECTRICAL PARTS (ENGIN
- TURBOCHARGER
- ENGINE ACCESSORY PAR
- ALTERNATOR
- STARTING MOTOR
- GASKET KIT (ENGINE OVERHAUL)
- UPPERSTRUCTURE
- FILTER LIST
- FRAME ASSY,UPP
- COUNTERWEIGHT INSTAL
- ENGINE ASSY
- ENGINE INSTAL
- RADIATOR INSTAL
- RADIATOR GROUP
- RADIATOR ASSY
- CLEANER ASSY,AIR
- MUFFLER ASSY
- FUEL LINES
- FILTER ASSY,FUEL
- TANK INSTAL,FUEL
- TANK INSTAL,HYD
- POWER TAKE-OFF ASSY
- MOTOR INSTAL,SWING
- VALVE INSTAL
- HYD LINES,PUMP (SUCTION,DELIVERY)
- HYD LINES,UPP (MAIN)
- HYD LINES,SWIVEL
- HYD LINES,RETURN
- CONTROLS,OPERATORS
- CONTROL BOX ASSY
- GRIP ASSY
- RADIO INSTAL
- ARM REST
- LEVER ASSY,PROPEL
- CONTROL LINES,REMOTE
- CONTROL LINES,MAIN
- CONTROL LINES,VALVE
- CONTROL LINES,VALVE
- CONTROL LINES,PROPEL
- PLATE INSTAL,FLOOR
- MIRROR INSTAL
- CAB INSTAL
- CAB ASSY
- WINDOW ASSY,ROOF
- WINDOW ASSY,FRONT
- DOOR ASSY,CAB
- SEAT INSTAL
- BELT ASSY,SEAT
- GUARD INSTAL
- GUARD INSTAL
- GUARD INSTAL
- GUARD INSTAL
- COVER ASSY,UNDER
- PANEL ASSY,INSTRUMENT
- GAUGE ASSY,CLUSTER
- CONTROLLER INSTAL
- RELAY BOX ASSY
- BATTERY ASSY
- BATTERY ASSY
- CONDITIONER ASSY,AIR
- CONDITIONER ASSY,AIR
- DRIER ASSY,AIR
- COMPRESSOR ASSY,AIR
- CONDITIONER ASSY,AIR
- ELEC ASSY,UPP
- LIGHT INSTAL
- LIGHT ASSY
- LAMP INSTAL
- HARNESS ASSY,UPP
- HARNESS ASSY,CAB
- HARNESS ASSY,UPP (PLATE FLOOR)
- HARNESS ASSY,ENGINE
- HARNESS ASSY (IT KIT)
- UNDERCARRIAGE
- LOW GROUP
- LOW GROUP (FOR LONG CRAWLER)
- RING ASSY,SLEWING
- IDLER ASSY,CRAWLER
- IDLER ASSY,CRAWLER
- IDLER ADJUST ASSY
- ROLLER ASSY,TRACK
- ROLLER ASSY,TRACK (FOR LONG CRAWLER)ROLLER ASSY,TRACK (FOR LONG CRAWLER)
- ROLLER ASSY,UPP
- SHOE ASSY
- SHOE ASSY (FOR LONG CRAWLER)
- HYD LINES,LOW
- SHOE ASSY (FOR LONG CRAWLER)
- ATTACHMENTS
- HYDRAULIC SYSTEM
- VALVE ASSY,CONTROL
- VALVE ASSY,PORT RELIEF
- VALVE ASSY,CONTROL
- MOTOR ASSY (SWING)
- REDUCTION ASSY (SWING)
- VALVE ASSY,BYPASS
- VALVE ASSY,RELIEF
- MOTOR ASSY,PROPEL
- VALVE ASSY,RELIEF
- HYDRAULIC PUMP ASSY
- HYDRAULIC PUMP ASSY
- REGULATOR ASSY
- VALVE ASSY,SOLENOID
- PUMP ASSY,GEAR
- CYLINDER ASSY,BOOM
- CYLINDER ASSY,ARM
- CYLINDER ASSY,BUCKET
- VALVE ASSY,PILOT
- VALVE ASSY,PILOT (PROPELLING)
- VALVE ASSY,PILOT
- VALVE ASSY,SOLENOID
- VALVE ASSY,SOLENOID
- VALVE ASSY,SOLENOID
- VALVE ASSY,SOLENOID
- VALVE ASSY,SOLENOID
- JOINT ASSY,SWIVEL
- ENGINE(J05E)
-
SK330-8 SK350LC-8
- ENGINE COMPONENTS(J08E)
- UPPERSTRUCTURE
- FILTER LIST
- FRAME ASSY,UPP
- COUNTERWEIGHT INSTAL
- ENGINE ASSY
- ENGINE INSTAL
- RADIATOR INSTAL
- RADIATOR GROUP
- RADIATOR ASSY
- CLEANER ASSY,AIR
- MUFFLER ASSY
- FUEL LINES
- FILTER ASSY,FUEL (SE,CHN)
- TANK INSTAL,FUEL
- TANK INSTAL,HYD
- POWER TAKE-OFF ASSY
- MOTOR INSTAL,SWING
- LINES,PUMP (SUCTION,DELIVERY)
- HYD LINES,UPP (MAIN)
- HYD LINES,SWIVEL
- HYD LINES,RETURN
- CONTROLS,OPERATORS
- CONTROL BOX ASSY
- GRIP ASSY
- RADIO INSTAL
- ARM REST
- LEVER ASSY,PROPEL
- CONTROL LINES,REMOTE
- CONTROL LINES,MAIN
- CONTROL LINES,VALVE
- CONTROL LINES,VALVE 2
- CONTROL LINES,PROPEL
- CONTROL LINES,PUMP
- PLATE INSTAL,FLOOR
- MIRROR INSTAL
- CAB INSTAL
- CAB ASSY
- WINDOW ASSY,ROOF
- DOOR ASSY,CAB
- SEAT INSTAL
- BELT ASSY,SEAT
- GUARD INSTAL
- GUARD INSTAL
- GUARD INSTAL
- GUARD INSTAL
- COVER ASSY,UNDER
- PANEL ASSY,INSTRUMENT
- GAUGE ASSY,CLUSTER
- CONTROLLER INSTAL
- RELAY BOX ASSY
- BATTERY ASSY
- CONDITIONER ASSY,AIR
- CONSOLE, R/H
- CONDITIONER ASSY,AIR
- DRIER ASSY,AIR
- COMPRESSOR ASSY,AIR
- CONDITIONER ASSY,AIR
- ELEC ASSY,UPP
- LIGHT INSTAL
- LIGHT ASSY
- LAMP INSTAL
- HARNESS ASSY,UPP
- HARNESS ASSY,CAB
- HARNESS ASSY,UPP (PLATE FLOOR)
- HARNESS ASSY,ENGINE
- HARNESS ASSY (IT KIT)
- UNDERCARRIAGE
- ATTACHMENTS
- BOOM GROUP,6.5M (21FT 4in)
- BOOM ASSY,6.5M (21FT 4in)
- HYD LINES,BOOM 6.5M (21FT 4in)
- LIGHT INSTAL (BOOM) (TKCM)
- LIGHT ASSY (TKCM)
- ARM GROUP,3.3M (10FT 10in)
- ARM GROUP,3.3M (10FT 10in)
- ARM ASSY,3.3M (10FT 10in) (SE)
- HYD LINES,ARM 3.3M (10FT 10in)
- BUCKET INSTAL
- BUCKET ASSY,1.6m3 (2.09cu yd)
- BUCKET ASSY,1.4m3 (1.83cu yd)
- NIBBLER & BREAKER
- HYDRAULIC SYSTEM
- VALVE ASSY,CONTROL
- VALVE ASSY,CONTROL
- VALVE ASSY,MAIN RELIEF
- VALVE ASSY,PORT RELIEF
- VALVE ASSY,BYPASS
- VALVE ASSY,CONTROL
- MOTOR ASSY (SWING)
- REDUCTION ASSY (SWING)
- VALVE ASSY,SWING-REACTIONLESS
- VALVE ASSY,RELIEF
- MOTOR ASSY (PROPELLING)
- VALVE ASSY,OVERLOAD RELIEF
- PUMP ASSY
- PUMP ASSY
- REGULATOR ASSY
- VALVE ASSY,SOLENOID
- PUMP ASSY,GEAR
- CYLINDER ASSY,BOOM
- CYLINDER ASSY,ARM
- CYLINDER ASSY,BUCKET
- VALVE ASSY,PILOT
- VALVE ASSY,PILOT (PROPELLING)
- VALVE ASSY,PILOT
- VALVE ASSY,SOLENOID
- VALVE ASSY,SOLENOID
- VALVE ASSY,SOLENOID
- VALVE ASSY,SOLENOID
- VALVE ASSY,SOLENOID
- JOINT ASSY,SWIVEL
-
SK460-8
- GENERAL MAINTEANCE ITEMS
- UPPERSTRUCTURE
- FRAME UPP
- COUNTERWEIGHT INSTAL
- NSTAL
- ENGINE INSTAL
- RADIATOR GROUP
- RADIATOR INSTAL
- CLEANER ASSY,AIR
- MUFFLER ASSY
- FUEL LINES
- TANK INSTAL, FUEL
- TANK INSTAL, HYD
- POWER TAKE•〇FF ASSY
- MOTOR INSTAL,SWING
- VALVE INSTAL
- HYD LINES, PUMP
- HYD LINES, UPP
- HYD LINES,SWIVEL
- HYD LINES,RETURN
- CONTROLS,OPERATORS
- CONTROL LINES, MAIN
- CONTROL LINES, REMOTE
- CONTROL LINES, VALVE
- CONTROL LINES, PROPEL
- CONTROL LINES,BLOCK
- CONTROL LINES,BLOCK
- CONTROL LINES,BLOCK
- CONTROL LINES, PUMP
- PLATE INSTAL, FLOOR
- CABINSTAL
- CAB & GUARD ASSY
- MIRROR INSTAL
- ANK ASSY, WASHER
- SEATINSTAL
- BELT ASSY, SEAT
- GUARD INSTAL
- MIRROR INSTAL
- LIGHT INSTAL, UPP
- COVER ASSY, UNDER
- PANEL ASSY, INSTRUMENT
- CONTROLLER INSTAL
- CONTROLLER INSTAL
- CONDITIONER
- ELEC ASSY, UPP
- HARNESS ASSY,UPP
- HARNESS ASSY,UPP
- HARNESS ASSY,CAB
- HARNESS ASSY, ENGINE
- ATTACHMENTS
- BOOM,HOE 7.0M
- BOOM丨NSTAL
- CYLINDER INSTAL
- CYLINDER INSTAL
- CYLINDER INSTAL
- HYD LINES, BOOM 7.0M(23FT)
- HYD LINES CYLINDER
- HYD LINES, CYLINDER
- HYD LINES, CYLINDER
- .HARNESS ASSY, BOOM
- LIGHT INSTAL, BOOM
- CAP ASSY
- SHORT 3.0M
- ARM
- ARM GROUP
- ARMINSTAL
- CAP ASSY
- HYD LINES, ARM 3.45M
- HYD LINES, ARM 3.0M
- BACKET INSTAL
- BUCKET ASSY 1.9M3
- Engine
- CYLINDER HEAD
- CYLINDER BLOCK
- TIMING GEAR COVER AND FLYWHEEL HOUSING
- MAIN MOVING PARTS
- CAMSHAFT AND IDLE GEAR
- VALVE SYSTEM
- INTAKE AND EXHAUST SYSTEM
- LUBRICATION
- OIL FILTER
- OIL COOLER
- OIL PUMP
- FUEL SYSTEM
- FUEL FILTER
- FUEL PRIMING PUMP AND FUEL FEED PUMP
- COOLING SYSTEM
- ELECTRICAL PARTS (ENGINE)
- TURBOCHARGER
- ENGINE ACCESSORY PARTS
- ALTERNATOR
- STARTING MOTOR
- GASKET KIT
-
SK200-8 210-8
- SANY
- HITACHI
-
Name:FILTER ELEMENT
Number:YN30T01001P1
Model:SK200-8
Engine:J05E
Weight:. kg
Price:US$0.0
-
Name:HARNESS ASSY,UPP
Number:LC13E00032F1
Model:SK200-8
Engine:J05E
Weight:. kg
Price:US$0.0
-
Name:HARNESS
Number:YN13E01449P3
Model:SK200-8
Engine:J05E
Weight:. kg
Price:US$0.0
-
Name:CLIP
Number:PY01P01043D3
Model:SK200-8
Engine:J05E
Weight:. kg
Price:US$0.0
-
Name:CLIP
Number:YN13E01375P1
Model:SK200-8
Engine:J05E
Weight:. kg
Price:US$0.0
-
Name:HARNESS
Number:LC13E01186P1
Model:SK200-8
Engine:J05E
Weight:. kg
Price:US$0.0
-
Name:LOCK WASHER
Number:ZW26X08000
Model:SK200-8
Engine:J05E
Weight:. kg
Price:US$0.0
-
Name:NUT
Number:ZN18C08007
Model:SK200-8
Engine:J05E
Weight:. kg
Price:US$0.0
-
Name:CLIP
Number:PY01P01043D8
Model:SK200-8
Engine:J05E
Weight:. kg
Price:US$0.0
English
Log in
Reg.

