- 司机室座椅(悬挂式,织物,可倾斜)(内部品)
- 司机室座椅(悬挂式,织物,可倾斜)
- 座椅安全带(50MM,2点式,刚性司机室座椅)
- 行李箱网
- 顶护板(LV2)
- 前防板(半护板)
- 前护板(全护板)(LV2)
- 地毯
- 地毯(1路增设执行管路,蓄能器)
- 遮雨板
- 洗窗液罐
- 空调组件(内部件,空压机)
- 空调组件(压缩机安装)
- 空调组件(软管)
- 灭火器支架
- 灭火器支架
- 司机室(司机室壳体和窗)
- 司机室(前窗)
- 司机室(前下窗)
- 司机室(天窗)
- 司机室(门)
- 司机室(门锁)
- 司机室(开锁和门卡头)
- 司机室(雨刮器和门灯)
- 司机室(橡胶天线)
- 司机室(喇叭和窗户清洗器)
- 司机室(上盖和进气)
- 司机室(压力阀和把手)
- 司机室(KOMTRAX 天线)
- 司机室(司机室内饰,监控器和盖)
- 司机室(司机室内饰,监控器盖)
- 司机室(司机室内饰,清洗管安装)
- 司机室(司机室内饰,行李板和点烟器)
- 司机室(司机室内饰,风管)
- 司机室(司机室内饰,风管和新鲜空气过滤器)
- 司机室(司机室内饰,分区和再循环空气过滤器)
- 司机室(司机室内饰,辅助板和继电器)
- 司机室(司机室内饰,空调控制器和KOMTRAX控制器)
- 司机室(司机室内饰,主电线线束卡箍)
- 司机室(司机室内饰,后盖)
- 司机室(底板架)
- 司机室(行走PPC阀)
- 司机室(底板,行走控制杆)
- 司机室(底板,左脚踏板)
- 司机室(底板,右脚踏板)
- 司机室(底板,底部)
- 司机室(底板,电线线束)
- 司机室(底板,电线线束卡箍和接地)
- 司机室(底板,窗户清窗液软管)
- 司机室(底板,工作装置左控制杆)
- 司机室(左工作装置的PPC阀)
- 司机室(底板,左工作装置的PPC阀安装)
- 司机室(底板,左操纵)
- 司机室(底板,PPC锁杆和收音机)
- 司机室(底板,左扶手)
- 司机室(底板,工作装置右控制杆)
- 司机室(右工作装置的PPC阀)
- 司机室(底板,右工作装置的PPC阀安装)
- 司机室(底板,右操纵)
- 司机室(底板,右扶手)
- 司机室(内饰,空调组件)(1/2)
- 司机室(内饰,空调马达)
- 司机室(内饰,空调组件)(2/2)
- 司机室(底板,空调组件)
- 司机室(底板,空调管路)
- 司机室(底板,行走阀的PPC管路)
- 司机室(底板,工作装置的PPC阀管路装)
- 司机室(底板,管路安装)
- 司机室(底板,P,T块)
- 司机室(底板,密封圈)
- 司机室(KOMATSU 标牌)
- 司机室(附加PPC阀)
- 司机室(底板,1ST附加控制)
- 司机室(底板,P,T块体)
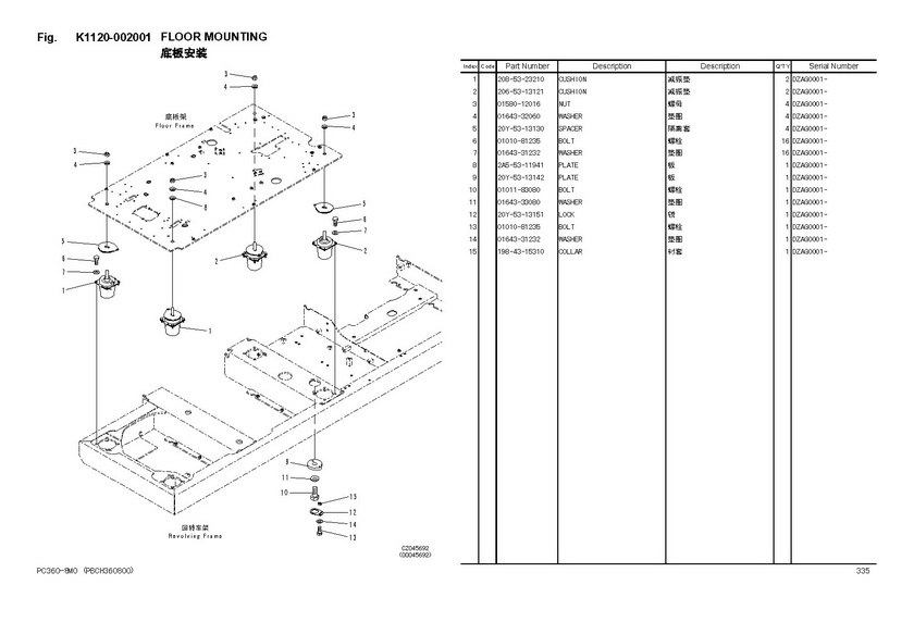
- 底板安装
- 比例压力控制(PPC)阀管路
- 比例压力控制(PPC)阀管路(带1附属装置管路,蓄能器)
- 开关
-
卡特彼勒
-
E312D
- 基础发动机(C4.2)
- 润滑系统
- 冷却系统
- 进排气系统
- 燃油系统
- 电气和起动系统
- 电气和起动系统P87
- 电气和起动系统P89
- 电气和起动系统P91
- 电气和起动系统P93
- 电气和起动系统P95
- 电气和起动系统P97
- 电气和起动系统P99
- 电气和起动系统P100
- 电气和起动系统P101
- 电气和起动系统P103
- 电气和起动系统P105
- 电气和起动系统P107
- 电气和起动系统P109
- 电气和起动系统P111
- 电气和起动系统P113
- 电气和起动系统P114
- 电气和起动系统P117
- 电气和起动系统P119
- 电气和起动系统P120
- 电气和起动系统P122
- 电气和起动系统P123
- 电气和起动系统P125
- 电气和起动系统P126
- 电气和起动系统P127
- 电气和起动系统P129
- 电气和起动系统P130
- 电气和起动系统P131
- 电气和起动系统P132
- 电气和起动系统P135
- 电气和起动系统P137
- 电气和起动系统P139
- 电气和起动系统P140
- 电气和起动系统P141
- 电气和起动系统P142
- 电气和起动系统P144
- 电气和起动系统P145
- 电气和起动系统P146
- 电气和起动系统P147
- 电气和起动系统P149
- 电气和起动系统P150
- 电气和起动系统P153
- 电气和起动系统P155
- 电气和起动系统P156
- 电气和起动系统P159
- 电气和起动系统P160
- 电气和起动系统P162
- 电气和起动系统P163.
- 电气和起动系统P165
- 电气和起动系统P166
- 电气和起动系统P169
- 电气和起动系统P171
- 电气和起动系统P172
- 电气和起动系统P173
- 电气和起动系统P174
- 电气和起动系统P175
- 电气和起动系统P177
- 电气和起动系统P179
- 电气和起动系统P181
- 电气和起动系统P183
- 电气和起动系统P184
- 电气和起动系统P185
- 电气和起动系统P186
- 电气和起动系统P187.01
- 电气和起动系统P187.02
- 电气和起动系统P187.04
- 电气和起动系统P187.05
- 电气和起动系统P190
- 电气和起动系统P191
- 电气和起动系统P192
- 电气和起动系统P194
- 电气和起动系统P195
- 电气和起动系统P196
- 电气和起动系统P197
- 电气和起动系统P199
- 电气和起动系统P200
- 电气和起动系统P201
- 电气和起动系统P202
- 电气和起动系统P203
- 电气和起动系统P204
- 电气和起动系统P205
- 电气和起动系统P206.01
- 电气和起动系统P206.03
- 电气和起动系统P206.04
- 电气和起动系统P206.05
- 电气和起动系统P207
- 电气和起动系统P209
- 电气和起动系统P211
- 电气和起动系统P212
- 电气和起动系统P213
- 电气和起动系统P214
- 电气和起动系统P215
- 电气和起动系统P216
- 电气和起动系统P217
- 电气和起动系统P218
- 电气和起动系统P219
- 电气和起动系统P220
- 电气和起动系统P221
- 电气和起动系统P222
- 电气和起动系统P223
- 传动系统
- 车架和车身
- 车架和车身P229
- 车架和车身P231
- 车架和车身P233
- 车架和车身P234
- 车架和车身P235
- 车架和车身P236
- 车架和车身P237
- 车架和车身P238
- 车架和车身P239
- 车架和车身P240
- 车架和车身P241
- 车架和车身P242
- 车架和车身P243
- 车架和车身P244
- 车架和车身P245
- 车架和车身P246
- 车架和车身P247
- 车架和车身P249
- 车架和车身P250
- 车架和车身P251
- 车架和车身P252
- 车架和车身P253
- 车架和车身P254
- 车架和车身P255
- 车架和车身P256
- 车架和车身P257
- 车架和车身P259
- 车架和车身P261
- 车架和车身P262
- 车架和车身P262.01
- 车架和车身P263
- 车架和车身P264
- 车架和车身P265
- 车架和车身P266
- 车架和车身P268
- 车架和车身P269
- 车架和车身P270
- 车架和车身P271
- 车架和车身P273
- 车架和车身P275
- 车架和车身P276
- 车架和车身P279
- 车架和车身P281
- 车架和车身P282
- 车架和车身P283
- 车架和车身P284
- 车架和车身P285
- 车架和车身P286
- 车架和车身P287
- 车架和车身P288
- 车架和车身P289
- 车架和车身P290
- 车架和车身P291
- 车架和车身P292
- 车架和车身P293
- 车架和车身P294
- 车架和车身P295
- 车架和车身P296
- 车架和车身P297
- 车架和车身P298
- 车架和车身P299
- 车架和车身P300
- 车架和车身P301
- 车架和车身P304
- 液压系统
- 液压系统P305
- 液压系统P307
- 液压系统P308
- 液压系统P309
- 液压系统P310
- 液压系统P311
- 液压系统P312
- 液压系统P313
- 液压系统P315
- 液压系统P317
- 液压系统P318
- 液压系统P319
- 液压系统P321
- 液压系统P323
- 液压系统P325
- 液压系统P326
- 液压系统P332
- 液压系统P333
- 液压系统P334
- 液压系统P335
- 液压系统P336
- 液压系统P337
- 液压系统P338
- 液压系统P339
- 液压系统P340
- 液压系统P341
- 液压系统P342
- 液压系统P343
- 液压系统P344
- 液压系统P345
- 液压系统P347
- 液压系统P348
- 液压系统P351
- 液压系统P352
- 液压系统P353
- 液压系统P354
- 液压系统P355
- 液压系统P356
- 液压系统P357
- 液压系统P358
- 液压系统P361
- 液压系统P362
- 液压系统P364
- 液压系统P365
- 液压系统P366
- 液压系统P367
- 液压系统P367.02
- 液压系统P369
- 液压系统P370
- 液压系统P371
- 液压系统P372
- 液压系统P373
- 液压系统P375
- 液压系统P377
- 液压系统P379
- 液压系统P381
- 液压系统P383
- 液压系统P384
- 液压系统P387
- 液压系统P389
- 液压系统P391
- 液压系统P393
- 液压系统P395
- 液压系统P396
- 液压系统P397
- 液压系统P398
- 液压系统P399
- 液压系统P400
- 液压系统P403
- 液压系统P405
- 液压系统P407
- 液压系统P409
- 液压系统P415
- 液压系统P417
- 液压系统P419
- 液压系统P420
- 液压系统P421
- 液压系统P423
- 液压系统P425
- 液压系统P426
- 液压系统P427
- 液压系统P429
- 液压系统P430
- 液压系统P431
- 液压系统P433
- 液压系统P434
- 液压系统P435
- 液压系统P436
- 液压系统P437
- 液压系统P439
- 液压系统P441
- 液压系统P443
- 液压系统P445
- 液压系统P447
- 液压系统P449
- 液压系统P451
- 液压系统P453
- 液压系统P455
- 液压系统P456
- 液压系统P459
- 液压系统P460
- 液压系统P463
- 液压系统P465
- 液压系统P467
- 液压系统P469
- 液压系统P470
- 液压系统P471
- 液压系统P472
- 液压系统P474
- 液压系统P475
- 液压系统P476
- 液压系统P477
- 液压系统P479
- 液压系统P481
- 液压系统P482
- 液压系统P485
- 液压系统P486
- 液压系统P487
- 液压系统P488
- 液压系统P489
- 液压系统P491
- 液压系统P493
- 液压系统P495
- 液压系统P497
- 液压系统P499
- 液压系统P500
- 液压系统P501
- 液压系统P502
- 液压系统P503
- 液压系统P504
- 液压系统P505
- 液压系统P506
- 液压系统P507
- 液压系统P508
- 液压系统P509
- 液压系统P510
- 液压系统P511
- 液压系统P512
- 液压系统P513
- 液压系统P514
- 液压系统P517
- 液压系统P519
- 液压系统P521
- 液压系统P523
- 液压系统P525
- 液压系统P529
- 液压系统P531
- 液压系统P532
- 液压系统P533
- 液压系统P534
- 液压系统P535
- 液压系统P536
- 液压系统P537
- 液压系统P538
- 液压系统P539
- 液压系统P540
- 液压系统P542
- 液压系统P543
- 液压系统P544
- 液压系统P545
- 液压系统P546
- 驾驶舱
- 驾驶舱P549
- 驾驶舱P551
- 驾驶舱P553
- 驾驶舱P555
- 驾驶舱P557
- 驾驶舱P559
- 驾驶舱P561
- 驾驶舱P562
- 驾驶舱P563
- 驾驶舱P565
- 驾驶舱P566
- 驾驶舱P567
- 驾驶舱P569
- 驾驶舱P570
- 驾驶舱P571
- 驾驶舱P572
- 驾驶舱P573
- 驾驶舱P574
- 驾驶舱P575
- 驾驶舱P576
- 驾驶舱P577
- 驾驶舱P578
- 驾驶舱P579
- 驾驶舱P580
- 驾驶舱P583
- 驾驶舱P584
- 驾驶舱P585
- 驾驶舱P586
- 驾驶舱P587
- 驾驶舱P588
- 驾驶舱P589
- 驾驶舱P591
- 驾驶舱P592
- 驾驶舱P593
- 驾驶舱P594
- 驾驶舱P595
- 驾驶舱P597
- 驾驶舱P599
- 驾驶舱P601
- 驾驶舱P602
- 驾驶舱P603
- 驾驶舱P604
- 驾驶舱P605
- 驾驶舱P605.02
- 驾驶舱P605.03
- 驾驶舱P605.04
- 驾驶舱P605.06
- 驾驶舱P605.07
- 驾驶舱P606
- 驾驶舱P607
- 驾驶舱P611
- 驾驶舱P613
- 驾驶舱P615
- 驾驶舱P616
- 驾驶舱P617
- 驾驶舱P618
- 驾驶舱P619
- 驾驶舱P620
- 驾驶舱P620.01
- 驾驶舱P621
- 驾驶舱P621.01
- 驾驶舱P622
- 驾驶舱P622.01
- 驾驶舱P623
- 驾驶舱P624
- 驾驶舱P625
- 驾驶舱P625.01
- 驾驶舱P626
- 驾驶舱P627
- 驾驶舱P628
- 驾驶舱P629
- 驾驶舱P630
- 驾驶舱P630.01
- 驾驶舱P631
- 驾驶舱P631.01
- 驾驶舱P632
- 驾驶舱P632.01
- 驾驶舱P633
- 驾驶舱P634
- 驾驶舱P634.01
- 驾驶舱P635
- 驾驶舱P635.01
- 驾驶舱P636
- 驾驶舱P636.01
- 驾驶舱P637
- 驾驶舱P637.01
- 驾驶舱P637.02
- 驾驶舱P637.03
- 驾驶舱P637.04
- 驾驶舱P637.05
- 驾驶舱P637.06
- 驾驶舱P637.07
- 驾驶舱P637.08
- 驾驶舱P637.09
- 驾驶舱P638
- 驾驶舱P638.01
- 驾驶舱P639
- 驾驶舱P645
- 驾驶舱P645.02
- 驾驶舱P647
- 驾驶舱P647.02
- 驾驶舱P649
- 驾驶舱P651
- 驾驶舱P653
- 驾驶舱P655
- 驾驶舱P656
- 驾驶舱P657
- 驾驶舱P658
- 驾驶舱P661
- 驾驶舱P662
- 维修用品
- 服务设备
-
E320C 320CL
- 发动机
- BASIC ENGINE P14
- BASIC ENGINE P16
- BASIC ENGINE P18
- BASIC ENGINE P20
- BASIC ENGINE P21
- BASIC ENGINE P22
- BASIC ENGINE P23
- BASIC ENGINE P23.01
- BASIC ENGINE P24
- BASIC ENGINE P26
- BASIC ENGINE P27
- BASIC ENGINE P28
- BASIC ENGINE P29
- BASIC ENGINE P30
- BASIC ENGINE P31
- BASIC ENGINE P31.01
- BASIC ENGINE P31.02
- BASIC ENGINE P31.03
- 润滑系统
- 冷却系统
- COOLING SYSTEM P38
- COOLING SYSTEM P39.01
- COOLING SYSTEM P39.03
- COOLING SYSTEM P40
- COOLING SYSTEM P41.01
- COOLING SYSTEM P42
- COOLING SYSTEM P43
- COOLING SYSTEM P43.01
- COOLING SYSTEM P43.02
- COOLING SYSTEM P44
- COOLING SYSTEM P45
- COOLING SYSTEM P45.01
- COOLING SYSTEM P46
- COOLING SYSTEM P47
- COOLING SYSTEM P47.01
- COOLING SYSTEM P47.02
- 进排气系统
- AIR INLET AND EXHAUST SYSTEM P48
- AIR INLET AND EXHAUST SYSTEM P49
- AIR INLET AND EXHAUST SYSTEM P51
- AIR INLET AND EXHAUST SYSTEM P52
- AIR INLET AND EXHAUST SYSTEM P53
- AIR INLET AND EXHAUST SYSTEM P54
- AIR INLET AND EXHAUST SYSTEM P55
- AIR INLET AND EXHAUST SYSTEM P55.01
- AIR INLET AND EXHAUST SYSTEM P56
- AIR INLET AND EXHAUST SYSTEM P57
- AIR INLET AND EXHAUST SYSTEM P58
- AIR INLET AND EXHAUST SYSTEM P59
- 燃油系统
- FUEL SYSTEM P60
- FUEL SYSTEM P61
- FUEL SYSTEM P62
- FUEL SYSTEM P64
- FUEL SYSTEM P65A
- FUEL SYSTEM P65.01
- FUEL SYSTEM P65.02
- FUEL SYSTEM P65.03
- FUEL SYSTEM P65.04
- FUEL SYSTEM P65.05
- FUEL SYSTEM P65.06
- FUEL SYSTEM P65.07
- FUEL SYSTEM P65.09
- FUEL SYSTEM P65.10
- FUEL SYSTEM P65.11
- FUEL SYSTEM P65.12
- FUEL SYSTEM P65.13
- FUEL SYSTEM P65.14
- FUEL SYSTEM P65.15
- FUEL SYSTEM P66
- FUEL SYSTEM P68
- FUEL SYSTEM P68.01
- FUEL SYSTEM P68.02
- FUEL SYSTEM P68.03
- FUEL SYSTEM P69
- FUEL SYSTEM P69.01
- FUEL SYSTEM P70
- FUEL SYSTEM P71.03
- FUEL SYSTEM P71.05
- 电气和启动系统
- ELECTRICAL AND STARTING SYSTEM P72
- ELECTRICAL AND STARTING SYSTEM P74
- ELECTRICAL AND STARTING SYSTEM P76
- ELECTRICAL AND STARTING SYSTEM P78
- ELECTRICAL AND STARTING SYSTEM P79.01
- ELECTRICAL AND STARTING SYSTEM P79.03
- ELECTRICAL AND STARTING SYSTEM P79.05
- ELECTRICAL AND STARTING SYSTEM P79.07
- ELECTRICAL AND STARTING SYSTEM P79.09
- ELECTRICAL AND STARTING SYSTEM P79.11
- ELECTRICAL AND STARTING SYSTEM P79.13
- ELECTRICAL AND STARTING SYSTEM P79.15
- ELECTRICAL AND STARTING SYSTEM P79.17
- ELECTRICAL AND STARTING SYSTEM P79.19
- ELECTRICAL AND STARTING SYSTEM P79.21
- ELECTRICAL AND STARTING SYSTEM P79.23
- ELECTRICAL AND STARTING SYSTEM P80
- ELECTRICAL AND STARTING SYSTEM P82
- ELECTRICAL AND STARTING SYSTEM P83.01
- ELECTRICAL AND STARTING SYSTEM P83.03
- ELECTRICAL AND STARTING SYSTEM P84
- ELECTRICAL AND STARTING SYSTEM P85
- ELECTRICAL AND STARTING SYSTEM P86
- ELECTRICAL AND STARTING SYSTEM P87.01
- ELECTRICAL AND STARTING SYSTEM P87.03
- ELECTRICAL AND STARTING SYSTEM P88
- ELECTRICAL AND STARTING SYSTEM P89
- ELECTRICAL AND STARTING SYSTEM P90
- ELECTRICAL AND STARTING SYSTEM P91
- ELECTRICAL AND STARTING SYSTEM P91.01
- ELECTRICAL AND STARTING SYSTEM P91.02
- ELECTRICAL AND STARTING SYSTEM P91.03
- ELECTRICAL AND STARTING SYSTEM P91.04
- ELECTRICAL AND STARTING SYSTEM P92
- ELECTRICAL AND STARTING SYSTEM P93
- ELECTRICAL AND STARTING SYSTEM P94
- ELECTRICAL AND STARTING SYSTEM P95
- ELECTRICAL AND STARTING SYSTEM P96
- ELECTRICAL AND STARTING SYSTEM P98
- ELECTRICAL AND STARTING SYSTEM P99.01
- ELECTRICAL AND STARTING SYSTEM P99.03
- ELECTRICAL AND STARTING SYSTEM P100
- ELECTRICAL AND STARTING SYSTEM P102
- ELECTRICAL AND STARTING SYSTEM P104
- ELECTRICAL AND STARTING SYSTEM P106
- ELECTRICAL AND STARTING SYSTEM P107.01
- ELECTRICAL AND STARTING SYSTEM P107.03
- ELECTRICAL AND STARTING SYSTEM P107.05
- ELECTRICAL AND STARTING SYSTEM P107.07
- ELECTRICAL AND STARTING SYSTEM P107.09
- ELECTRICAL AND STARTING SYSTEM P107.11
- ELECTRICAL AND STARTING SYSTEM P107.13
- ELECTRICAL AND STARTING SYSTEM P107.15
- ELECTRICAL AND STARTING SYSTEM P108
- ELECTRICAL AND STARTING SYSTEM P110
- ELECTRICAL AND STARTING SYSTEM P111.01
- ELECTRICAL AND STARTING SYSTEM P111.03
- ELECTRICAL AND STARTING SYSTEM P112
- ELECTRICAL AND STARTING SYSTEM P114
- ELECTRICAL AND STARTING SYSTEM P116
- ELECTRICAL AND STARTING SYSTEM P118
- ELECTRICAL AND STARTING SYSTEM P119.01
- ELECTRICAL AND STARTING SYSTEM P119.03
- ELECTRICAL AND STARTING SYSTEM P119.05
- ELECTRICAL AND STARTING SYSTEM P119.07
- ELECTRICAL AND STARTING SYSTEM P119.09
- ELECTRICAL AND STARTING SYSTEM P119.11
- ELECTRICAL AND STARTING SYSTEM P119.13
- ELECTRICAL AND STARTING SYSTEM P120
- ELECTRICAL AND STARTING SYSTEM P121
- ELECTRICAL AND STARTING SYSTEM P123
- ELECTRICAL AND STARTING SYSTEM P124
- ELECTRICAL AND STARTING SYSTEM P124.01
- ELECTRICAL AND STARTING SYSTEM P125
- ELECTRICAL AND STARTING SYSTEM P126
- ELECTRICAL AND STARTING SYSTEM P128
- ELECTRICAL AND STARTING SYSTEM P129
- ELECTRICAL AND STARTING SYSTEM P131
- ELECTRICAL AND STARTING SYSTEM P132
- ELECTRICAL AND STARTING SYSTEM P134
- ELECTRICAL AND STARTING SYSTEM P135
- ELECTRICAL AND STARTING SYSTEM P137
- ELECTRICAL AND STARTING SYSTEM P138
- ELECTRICAL AND STARTING SYSTEM P139
- ELECTRICAL AND STARTING SYSTEM P140
- ELECTRICAL AND STARTING SYSTEM P141
- ELECTRICAL AND STARTING SYSTEM P142
- ELECTRICAL AND STARTING SYSTEM P144
- ELECTRICAL AND STARTING SYSTEM P146
- ELECTRICAL AND STARTING SYSTEM P147
- ELECTRICAL AND STARTING SYSTEM P148
- ELECTRICAL AND STARTING SYSTEM P149
- ELECTRICAL AND STARTING SYSTEM P151
- ELECTRICAL AND STARTING SYSTEM P152
- ELECTRICAL AND STARTING SYSTEM P153
- ELECTRICAL AND STARTING SYSTEM P153.01
- ELECTRICAL AND STARTING SYSTEM P153.02
- ELECTRICAL AND STARTING SYSTEM P154
- ELECTRICAL AND STARTING SYSTEM P155
- ELECTRICAL AND STARTING SYSTEM P156
- ELECTRICAL AND STARTING SYSTEM P158
- ELECTRICAL AND STARTING SYSTEM P160
- ELECTRICAL AND STARTING SYSTEM P162
- ELECTRICAL AND STARTING SYSTEM P162.02
- ELECTRICAL AND STARTING SYSTEM P163
- ELECTRICAL AND STARTING SYSTEM P164
- ELECTRICAL AND STARTING SYSTEM P165
- ELECTRICAL AND STARTING SYSTEM P166
- ELECTRICAL AND STARTING SYSTEM P166.02
- ELECTRICAL AND STARTING SYSTEM P166.03
- ELECTRICAL AND STARTING SYSTEM P166.05
- ELECTRICAL AND STARTING SYSTEM P167
- ELECTRICAL AND STARTING SYSTEM P169
- ELECTRICAL AND STARTING SYSTEM P170
- ELECTRICAL AND STARTING SYSTEM P171.01
- ELECTRICAL AND STARTING SYSTEM P171.03
- ELECTRICAL AND STARTING SYSTEM P173
- ELECTRICAL AND STARTING SYSTEM P174
- ELECTRICAL AND STARTING SYSTEM P175
- ELECTRICAL AND STARTING SYSTEM P177
- ELECTRICAL AND STARTING SYSTEM P178
- ELECTRICAL AND STARTING SYSTEM P180
- ELECTRICAL AND STARTING SYSTEM P182
- ELECTRICAL AND STARTING SYSTEM P184
- ELECTRICAL AND STARTING SYSTEM P185.01
- ELECTRICAL AND STARTING SYSTEM P186
- ELECTRICAL AND STARTING SYSTEM P187
- ELECTRICAL AND STARTING SYSTEM P188
- ELECTRICAL AND STARTING SYSTEM P189
- ELECTRICAL AND STARTING SYSTEM P190
- ELECTRICAL AND STARTING SYSTEM P191
- 传动系统
- 车架及车身
- FRAME AND BODY P196
- FRAME AND BODY P198
- FRAME AND BODY P200
- FRAME AND BODY P202
- FRAME AND BODY P203.01
- FRAME AND BODY P203.03
- FRAME AND BODY P203.05
- FRAME AND BODY P203.07
- FRAME AND BODY P203.09
- FRAME AND BODY P203.11
- FRAME AND BODY P204
- FRAME AND BODY P205
- FRAME AND BODY P206
- FRAME AND BODY P207
- FRAME AND BODY P208
- FRAME AND BODY P210
- FRAME AND BODY P210.01
- FRAME AND BODY P211
- FRAME AND BODY P211.01
- FRAME AND BODY P212
- FRAME AND BODY P213
- FRAME AND BODY P214
- FRAME AND BODY P215
- FRAME AND BODY P216
- FRAME AND BODY P218
- FRAME AND BODY P219
- FRAME AND BODY P220
- FRAME AND BODY P221
- FRAME AND BODY P222
- FRAME AND BODY P223
- FRAME AND BODY P224
- FRAME AND BODY P225
- FRAME AND BODY P226
- FRAME AND BODY P228
- FRAME AND BODY P230
- FRAME AND BODY P232
- FRAME AND BODY P234
- FRAME AND BODY P236
- FRAME AND BODY P237
- FRAME AND BODY P238
- FRAME AND BODY P239
- FRAME AND BODY P240
- FRAME AND BODY P241
- FRAME AND BODY P242
- FRAME AND BODY P242.01
- FRAME AND BODY P242.02
- FRAME AND BODY P243
- FRAME AND BODY P243.01
- FRAME AND BODY P243.02
- FRAME AND BODY P244
- FRAME AND BODY P244.01
- FRAME AND BODY P244.02
- FRAME AND BODY P245
- FRAME AND BODY P245.01
- FRAME AND BODY P246
- FRAME AND BODY P246.01
- FRAME AND BODY P247
- FRAME AND BODY P247.01
- FRAME AND BODY P248
- FRAME AND BODY P248.01
- FRAME AND BODY P249
- FRAME AND BODY P249.01
- FRAME AND BODY P250
- FRAME AND BODY P251
- FRAME AND BODY P252
- FRAME AND BODY P253
- FRAME AND BODY P254
- FRAME AND BODY P255
- FRAME AND BODY P256
- FRAME AND BODY P257
- FRAME AND BODY P258
- FRAME AND BODY P259
- FRAME AND BODY P260
- FRAME AND BODY P261
- FRAME AND BODY P262
- FRAME AND BODY P263
- FRAME AND BODY P270
- FRAME AND BODY P271
- FRAME AND BODY P272
- FRAME AND BODY P273
- 液压系统
- HYDRAULIC SYSTEM P274
- HYDRAULIC SYSTEM P275
- HYDRAULIC SYSTEM P276
- HYDRAULIC SYSTEM P278
- HYDRAULIC SYSTEM P279.01
- HYDRAULIC SYSTEM P279.03
- HYDRAULIC SYSTEM P280
- HYDRAULIC SYSTEM P282
- HYDRAULIC SYSTEM P283.01
- HYDRAULIC SYSTEM P283.03
- HYDRAULIC SYSTEM P284
- HYDRAULIC SYSTEM P285
- HYDRAULIC SYSTEM P286
- HYDRAULIC SYSTEM P287
- HYDRAULIC SYSTEM P288
- HYDRAULIC SYSTEM P290
- HYDRAULIC SYSTEM P292
- HYDRAULIC SYSTEM P294
- HYDRAULIC SYSTEM P297
- HYDRAULIC SYSTEM P298
- HYDRAULIC SYSTEM P299
- HYDRAULIC SYSTEM P300
- HYDRAULIC SYSTEM P301
- HYDRAULIC SYSTEM P302
- HYDRAULIC SYSTEM P303
- HYDRAULIC SYSTEM P304
- HYDRAULIC SYSTEM P306
- HYDRAULIC SYSTEM P310
- HYDRAULIC SYSTEM P311.01
- HYDRAULIC SYSTEM P312
- HYDRAULIC SYSTEM P314
- HYDRAULIC SYSTEM P315.01
- HYDRAULIC SYSTEM P318
- HYDRAULIC SYSTEM P320
- HYDRAULIC SYSTEM P322
- HYDRAULIC SYSTEM P325
- HYDRAULIC SYSTEM P325.01
- HYDRAULIC SYSTEM P325.02
- HYDRAULIC SYSTEM P326
- HYDRAULIC SYSTEM P327.01
- HYDRAULIC SYSTEM P327.03
- HYDRAULIC SYSTEM P327.05
- HYDRAULIC SYSTEM P328
- HYDRAULIC SYSTEM P329
- HYDRAULIC SYSTEM P330
- HYDRAULIC SYSTEM P330.01
- HYDRAULIC SYSTEM P331
- HYDRAULIC SYSTEM P331.01
- HYDRAULIC SYSTEM P332
- HYDRAULIC SYSTEM P332.01
- HYDRAULIC SYSTEM P333
- HYDRAULIC SYSTEM P333.01
- HYDRAULIC SYSTEM P334
- HYDRAULIC SYSTEM P334.01
- HYDRAULIC SYSTEM P335
- HYDRAULIC SYSTEM P336
- HYDRAULIC SYSTEM P337
- HYDRAULIC SYSTEM P338
- HYDRAULIC SYSTEM P339.01
- HYDRAULIC SYSTEM P339.03
- HYDRAULIC SYSTEM P339.05
- HYDRAULIC SYSTEM P340
- HYDRAULIC SYSTEM P342
- HYDRAULIC SYSTEM P344
- HYDRAULIC SYSTEM P346
- HYDRAULIC SYSTEM P347.01
- HYDRAULIC SYSTEM P348
- HYDRAULIC SYSTEM P350
- HYDRAULIC SYSTEM P351
- HYDRAULIC SYSTEM P352
- HYDRAULIC SYSTEM P353
- HYDRAULIC SYSTEM P354
- HYDRAULIC SYSTEM P358
- HYDRAULIC SYSTEM P359.01
- HYDRAULIC SYSTEM P359.03
- HYDRAULIC SYSTEM P360
- HYDRAULIC SYSTEM P361.01
- HYDRAULIC SYSTEM P361.03
- HYDRAULIC SYSTEM P362
- HYDRAULIC SYSTEM P363.01
- HYDRAULIC SYSTEM P364
- HYDRAULIC SYSTEM P366
- HYDRAULIC SYSTEM P368
- HYDRAULIC SYSTEM P370
- HYDRAULIC SYSTEM P372
- HYDRAULIC SYSTEM P374
- HYDRAULIC SYSTEM P376
- HYDRAULIC SYSTEM P378
- HYDRAULIC SYSTEM P380
- HYDRAULIC SYSTEM P382
- HYDRAULIC SYSTEM P383.01
- HYDRAULIC SYSTEM P384
- HYDRAULIC SYSTEM P386
- HYDRAULIC SYSTEM P387
- HYDRAULIC SYSTEM P388
- HYDRAULIC SYSTEM P389
- HYDRAULIC SYSTEM P389.01
- HYDRAULIC SYSTEM P390
- HYDRAULIC SYSTEM P392
- HYDRAULIC SYSTEM P394
- HYDRAULIC SYSTEM P400
- HYDRAULIC SYSTEM P402
- HYDRAULIC SYSTEM P404
- HYDRAULIC SYSTEM P405.01
- HYDRAULIC SYSTEM P405.03
- HYDRAULIC SYSTEM P405.05
- HYDRAULIC SYSTEM P405.07
- HYDRAULIC SYSTEM P406
- HYDRAULIC SYSTEM P408
- HYDRAULIC SYSTEM P410
- HYDRAULIC SYSTEM P412
- HYDRAULIC SYSTEM P414
- HYDRAULIC SYSTEM P416
- HYDRAULIC SYSTEM P418
- HYDRAULIC SYSTEM P420
- HYDRAULIC SYSTEM P422
- HYDRAULIC SYSTEM P424
- HYDRAULIC SYSTEM P426
- HYDRAULIC SYSTEM P428
- HYDRAULIC SYSTEM P430
- HYDRAULIC SYSTEM P432
- HYDRAULIC SYSTEM P433.01
- HYDRAULIC SYSTEM P433.03
- HYDRAULIC SYSTEM P433.05
- HYDRAULIC SYSTEM P433.07
- HYDRAULIC SYSTEM P434
- HYDRAULIC SYSTEM P436
- HYDRAULIC SYSTEM P437.01
- HYDRAULIC SYSTEM P437.03
- HYDRAULIC SYSTEM P437.05
- HYDRAULIC SYSTEM P437.07
- HYDRAULIC SYSTEM P438
- HYDRAULIC SYSTEM P440
- HYDRAULIC SYSTEM P441.01
- HYDRAULIC SYSTEM P441.03
- HYDRAULIC SYSTEM P442
- HYDRAULIC SYSTEM P444
- HYDRAULIC SYSTEM P446
- HYDRAULIC SYSTEM P448
- HYDRAULIC SYSTEM P449.01
- HYDRAULIC SYSTEM P449.03
- HYDRAULIC SYSTEM P449.05
- HYDRAULIC SYSTEM P449.07
- HYDRAULIC SYSTEM P450
- HYDRAULIC SYSTEM P451A
- HYDRAULIC SYSTEM P451.01
- HYDRAULIC SYSTEM P452
- HYDRAULIC SYSTEM P453
- HYDRAULIC SYSTEM P454
- HYDRAULIC SYSTEM P457
- HYDRAULIC SYSTEM P458
- HYDRAULIC SYSTEM P460
- HYDRAULIC SYSTEM P462
- HYDRAULIC SYSTEM P464
- HYDRAULIC SYSTEM P465
- HYDRAULIC SYSTEM P466
- HYDRAULIC SYSTEM P468
- HYDRAULIC SYSTEM P470
- HYDRAULIC SYSTEM P472
- HYDRAULIC SYSTEM P473
- HYDRAULIC SYSTEM P474
- HYDRAULIC SYSTEM P475
- HYDRAULIC SYSTEM P476
- HYDRAULIC SYSTEM P477
- HYDRAULIC SYSTEM P478
- HYDRAULIC SYSTEM P479
- HYDRAULIC SYSTEM P480
- HYDRAULIC SYSTEM P482
- HYDRAULIC SYSTEM P483
- HYDRAULIC SYSTEM P484
- HYDRAULIC SYSTEM P486
- HYDRAULIC SYSTEM P487
- HYDRAULIC SYSTEM P487.01
- HYDRAULIC SYSTEM P488
- HYDRAULIC SYSTEM P488.01
- HYDRAULIC SYSTEM P489
- HYDRAULIC SYSTEM P489.01
- HYDRAULIC SYSTEM P490
- HYDRAULIC SYSTEM P492
- HYDRAULIC SYSTEM P494
- HYDRAULIC SYSTEM P496
- HYDRAULIC SYSTEM P498
- HYDRAULIC SYSTEM P499.01
- HYDRAULIC SYSTEM P499.03
- HYDRAULIC SYSTEM P499.05
- HYDRAULIC SYSTEM P499.07
- HYDRAULIC SYSTEM P499.09
- HYDRAULIC SYSTEM P499.11
- HYDRAULIC SYSTEM P499.13
- HYDRAULIC SYSTEM P499.15
- HYDRAULIC SYSTEM P499.17
- HYDRAULIC SYSTEM P499.19
- HYDRAULIC SYSTEM P500
- HYDRAULIC SYSTEM P501.01
- HYDRAULIC SYSTEM P502
- HYDRAULIC SYSTEM P503.01
- HYDRAULIC SYSTEM P504
- HYDRAULIC SYSTEM P505.01
- HYDRAULIC SYSTEM P506
- HYDRAULIC SYSTEM P507
- HYDRAULIC SYSTEM P508
- HYDRAULIC SYSTEM P509.01
- HYDRAULIC SYSTEM P512
- HYDRAULIC SYSTEM P513
- HYDRAULIC SYSTEM P514
- HYDRAULIC SYSTEM P515
- HYDRAULIC SYSTEM P516
- HYDRAULIC SYSTEM P517
- HYDRAULIC SYSTEM P518
- HYDRAULIC SYSTEM P519.03
- HYDRAULIC SYSTEM P519.05
- HYDRAULIC SYSTEM P520
- HYDRAULIC SYSTEM P521
- HYDRAULIC SYSTEM P522
- HYDRAULIC SYSTEM P523
- HYDRAULIC SYSTEM P523.01
- HYDRAULIC SYSTEM P523.02
- HYDRAULIC SYSTEM P524
- HYDRAULIC SYSTEM P525
- HYDRAULIC SYSTEM P526
- HYDRAULIC SYSTEM P526.01
- HYDRAULIC SYSTEM P527
- HYDRAULIC SYSTEM P528
- HYDRAULIC SYSTEM P529.01
- HYDRAULIC SYSTEM P530
- HYDRAULIC SYSTEM P531.01
- HYDRAULIC SYSTEM P532
- HYDRAULIC SYSTEM P534
- HYDRAULIC SYSTEM P536
- HYDRAULIC SYSTEM P538
- HYDRAULIC SYSTEM P539
- HYDRAULIC SYSTEM P540
- HYDRAULIC SYSTEM P541
- HYDRAULIC SYSTEM P542
- HYDRAULIC SYSTEM P543
- HYDRAULIC SYSTEM P544
- HYDRAULIC SYSTEM P545
- HYDRAULIC SYSTEM P546
- HYDRAULIC SYSTEM P549
- HYDRAULIC SYSTEM P550
- HYDRAULIC SYSTEM P551.01
- HYDRAULIC SYSTEM P551.02
- HYDRAULIC SYSTEM P553
- HYDRAULIC SYSTEM P553.01
- HYDRAULIC SYSTEM P554
- HYDRAULIC SYSTEM P555
- HYDRAULIC SYSTEM P556
- HYDRAULIC SYSTEM P557
- HYDRAULIC SYSTEM P558
- 驾驶室
- OPERATOR STATION P560
- OPERATOR STATION P561
- OPERATOR STATION P562
- OPERATOR STATION P566
- OPERATOR STATION P568
- OPERATOR STATION P570
- OPERATOR STATION P572
- OPERATOR STATION P574
- OPERATOR STATION P576
- OPERATOR STATION P578
- OPERATOR STATION P580
- OPERATOR STATION P582
- OPERATOR STATION P584
- OPERATOR STATION P586
- OPERATOR STATION P587
- OPERATOR STATION P588
- OPERATOR STATION P590
- OPERATOR STATION P591
- OPERATOR STATION P592
- OPERATOR STATION P593
- OPERATOR STATION P594
- OPERATOR STATION P596
- OPERATOR STATION P598
- OPERATOR STATION P599
- OPERATOR STATION P600
- OPERATOR STATION P601
- OPERATOR STATION P602
- OPERATOR STATION P603
- OPERATOR STATION P604
- OPERATOR STATION P605
- OPERATOR STATION P606
- OPERATOR STATION P607
- OPERATOR STATION P608
- OPERATOR STATION P609
- OPERATOR STATION P612
- OPERATOR STATION P614
- OPERATOR STATION P615
- OPERATOR STATION P616
- OPERATOR STATION P617
- OPERATOR STATION P618
- OPERATOR STATION P619
- OPERATOR STATION P620
- OPERATOR STATION P621
- OPERATOR STATION P622
- OPERATOR STATION P624
- OPERATOR STATION P625
- OPERATOR STATION P626
- OPERATOR STATION P627
- OPERATOR STATION P628
- OPERATOR STATION P629
- OPERATOR STATION P629.01
- OPERATOR STATION P630
- OPERATOR STATION P631
- OPERATOR STATION P632
- OPERATOR STATION P633
- OPERATOR STATION P633.01
- OPERATOR STATION P634
- OPERATOR STATION P635
- OPERATOR STATION P636
- OPERATOR STATION P636.01
- OPERATOR STATION P637
- OPERATOR STATION P638
- OPERATOR STATION P639
- OPERATOR STATION P640
- OPERATOR STATION P641
- OPERATOR STATION P642
- OPERATOR STATION P643
- OPERATOR STATION P644
- OPERATOR STATION P645
- OPERATOR STATION P646
- OPERATOR STATION P650
- OPERATOR STATION P652
- OPERATOR STATION P654
- OPERATOR STATION P656
- OPERATOR STATION P658
- OPERATOR STATION P659.01
- OPERATOR STATION P662
- OPERATOR STATION P664
- OPERATOR STATION P666
- OPERATOR STATION P668
- OPERATOR STATION P669.01
- OPERATOR STATION P670
- 维修用品
- IMPLEMENTS P682
- IMPLEMENTS P684
- IMPLEMENTS P685.01
- IMPLEMENTS P686
- IMPLEMENTS P688
- IMPLEMENTS P688.01
- IMPLEMENTS P689
- IMPLEMENTS P690
- IMPLEMENTS P691
- IMPLEMENTS P692
- IMPLEMENTS P693
- IMPLEMENTS P694
- IMPLEMENTS P695
- IMPLEMENTS P696
- IMPLEMENTS P697
- IMPLEMENTS P698
- IMPLEMENTS P699
- IMPLEMENTS P700
- IMPLEMENTS P701
- IMPLEMENTS P701.01
- IMPLEMENTS P701.02
- IMPLEMENTS P702
- IMPLEMENTS P703
- IMPLEMENTS P704
- IMPLEMENTS P705
- IMPLEMENTS P706
- IMPLEMENTS P707
- IMPLEMENTS P708
- IMPLEMENTS P709
- IMPLEMENTS P710
- IMPLEMENTS P711
- IMPLEMENTS P714
- IMPLEMENTS P715
- IMPLEMENTS P715.01
- IMPLEMENTS P715.02
- IMPLEMENTS P715.03
- IMPLEMENTS P715.04
- IMPLEMENTS P726
- IMPLEMENTS P727
- IMPLEMENTS P728
- IMPLEMENTS P729
- IMPLEMENTS P730
- IMPLEMENTS P731
- IMPLEMENTS P732
- IMPLEMENTS P733
- IMPLEMENTS P734
- IMPLEMENTS P736
- IMPLEMENTS P737
- IMPLEMENTS P738
- IMPLEMENTS P739
- IMPLEMENTS P740
- IMPLEMENTS P741
- IMPLEMENTS P742
- IMPLEMENTS P743
- IMPLEMENTS P744
- IMPLEMENTS P745
- IMPLEMENTS P746
- IMPLEMENTS P747
- IMPLEMENTS P748
- IMPLEMENTS P749
- IMPLEMENTS P750
- IMPLEMENTS P751
- IMPLEMENTS P751.01
- 服务设备和用品
- SERVICE AND SUPPLIES P753
- SERVICE AND SUPPLIES P754
- SERVICE AND SUPPLIES P756
- SERVICE AND SUPPLIES P758
- SERVICE AND SUPPLIES P760
- SERVICE AND SUPPLIES P761.01
- SERVICE AND SUPPLIES P761.03
- SERVICE AND SUPPLIES P761.05
- SERVICE AND SUPPLIES P761.07
- SERVICE AND SUPPLIES P761.09
- SERVICE AND SUPPLIES P761.11
- SERVICE AND SUPPLIES P761.13
- SERVICE AND SUPPLIES P761.15
- SERVICE AND SUPPLIES P761.17
- SERVICE AND SUPPLIES P762
- SERVICE AND SUPPLIES P764
- SERVICE AND SUPPLIES P766
- SERVICE AND SUPPLIES P767.01
- SERVICE AND SUPPLIES P767.03
- SERVICE AND SUPPLIES P767.05
- SERVICE AND SUPPLIES P767.07
- SERVICE AND SUPPLIES P767.09
- SERVICE AND SUPPLIES P767.11
- SERVICE AND SUPPLIES P767.13
- SERVICE AND SUPPLIES P767.15
- SERVICE AND SUPPLIES P767.17
- SERVICE AND SUPPLIES P767.19
- SERVICE AND SUPPLIES P767.21
- SERVICE AND SUPPLIES P767.23
- SERVICE AND SUPPLIES P768
- SERVICE AND SUPPLIES P769
- SERVICE AND SUPPLIES P770
- SERVICE AND SUPPLIES P771
- SERVICE AND SUPPLIES P772
- SERVICE AND SUPPLIES P773
- SERVICE AND SUPPLIES P774
- SERVICE AND SUPPLIES P775
- SERVICE AND SUPPLIES P776
- SERVICE AND SUPPLIES P777
- SERVICE AND SUPPLIES P778
- SERVICE AND SUPPLIES P779
- SERVICE AND SUPPLIES P780
- 发动机
-
E320D E320DL
- 基础发动机(C6.4)
- 润滑系统
- 冷却系统
- 进排气系统
- 燃油系统
- 电气和启动系统
- 电气和启动系统 P90
- 电气和启动系统 P92
- 电气和启动系统 P94
- 电气和启动系统 P96
- 电气和启动系统 P98
- 电气和启动系统 P100
- 电气和启动系统 P102
- 电气和启动系统 P104
- 电气和启动系统 P105
- 电气和启动系统 P106
- 电气和启动系统 P108
- 电气和启动系统 P110
- 电气和启动系统 P112
- 电气和启动系统 P114
- 电气和启动系统 P116
- 电气和启动系统 P118
- 电气和启动系统 P120
- 电气和启动系统 P122
- 电气和启动系统 P124
- 电气和启动系统 P125
- 电气和启动系统 P126
- 电气和启动系统 P128
- 电气和启动系统 P130
- 电气和启动系统 P131
- 电气和启动系统 P132
- 电气和启动系统 P134
- 电气和启动系统 P135
- 电气和启动系统 P137
- 电气和启动系统 P138
- 电气和启动系统 P139
- 电气和启动系统 P140
- 电气和启动系统 P141
- 电气和启动系统 P141.01
- 电气和启动系统 P142
- 电气和启动系统 P144
- 电气和启动系统 P146
- 电气和启动系统 P147
- 电气和启动系统 P148
- 电气和启动系统 P149
- 电气和启动系统 P150
- 电气和启动系统 P152
- 电气和启动系统 P153
- 电气和启动系统 P154
- 电气和启动系统 P155
- 电气和启动系统 P156
- 电气和启动系统 P157
- 电气和启动系统 P158
- 电气和启动系统 P160
- 电气和启动系统 P162
- 电气和启动系统 P164
- 电气和启动系统 P166
- 电气和启动系统 P168
- 电气和启动系统 P170
- 电气和启动系统 P172
- 电气和启动系统 P174
- 电气和启动系统 P176
- 电气和启动系统 P178
- 电气和启动系统 P180
- 电气和启动系统 P181
- 电气和启动系统 P182
- 电气和启动系统 P183
- 电气和启动系统 P184
- 电气和启动系统 P186
- 电气和启动系统 P188
- 电气和启动系统 P189
- 电气和启动系统 P189.01
- 电气和启动系统 P189.03
- 电气和启动系统 P189.05
- 电气和启动系统 P192
- 电气和启动系统 P193
- 电气和启动系统 P194
- 电气和启动系统 P196
- 电气和启动系统 P197
- 电气和启动系统 P198
- 电气和启动系统 P199
- 电气和启动系统 P200
- 电气和启动系统 P202
- 电气和启动系统 P203
- 电气和启动系统 P204
- 电气和启动系统 P206
- 电气和启动系统 P208
- 电气和启动系统 P209
- 电气和启动系统 P210
- 电气和启动系统 P212
- 电气和启动系统 P214
- 电气和启动系统 P216
- 电气和启动系统 P218
- 电气和启动系统 P220
- 电气和启动系统 P222
- 电气和启动系统 P223
- 电气和启动系统 P224
- 电气和启动系统 P225
- 电气和启动系统 P226
- 电气和启动系统 P227
- 电气和启动系统 P228
- 电气和启动系统 P229
- 传动系统
- 车架和车身
- 车架及车身 P234
- 车架及车身 P236
- 车架及车身 P238
- 车架及车身 P240
- 车架及车身 P242
- 车架及车身 P244
- 车架及车身 P245
- 车架及车身 P246
- 车架及车身 P247
- 车架及车身 P248
- 车架及车身 P249
- 车架及车身 P250
- 车架及车身 P250.01
- 车架及车身 P250.02
- 车架及车身 P251
- 车架及车身 P252
- 车架及车身 P253
- 车架及车身 P254
- 车架及车身 P255
- 车架及车身 P256
- 车架及车身 P258
- 车架及车身 P260
- 车架及车身 P261
- 车架及车身 P261.01
- 车架及车身 P262
- 车架及车身 P263
- 车架及车身 P264
- 车架及车身 P265
- 车架及车身 P266
- 车架及车身 P267
- 车架及车身 P268
- 车架和车身 P269
- 车架及车身 P270
- 车架及车身 P271
- 车架及车身 P272
- 车架及车身 P274
- 车架及车身 P276
- 车架及车身 P278
- 车架及车身 P280
- 车架及车身 P282
- 车架及车身 P284
- 车架及车身 P286
- 车架及车身 P287
- 车架及车身 P288
- 车架及车身 P289
- 车架及车身 P290
- 车架及车身 P291
- 车架及车身 P292
- 车架及车身 P293
- 车架及车身 P294
- 车架及车身 P295
- 车架及车身 P296
- 车架及车身 P297
- 车架及车身 P298
- 车架及车身 P299
- 车架及车身 P300
- 车架及车身 P301
- 车架及车身 P302
- 车架及车身 P303
- 车架及车身 P304
- 车架及车身 P305
- 车架及车身 P306
- 车架及车身 P307
- 车架及车身 P308
- 车架及车身 P309
- 车架及车身 P310
- 车架及车身 P311
- 车架及车身 P312
- 车架及车身 P313
- 车架及车身 P314
- 车架和车身 P315
- 车架和车身 P320
- 车架和车身 P321
- 液压系统
- 液压系统 P322
- 液压系统 P324
- 液压系统 P326
- 液压系统 P327
- 液压系统 P328
- 液压系统 P329
- 液压系统 P331
- 液压系统 P332
- 液压系统 P333
- 液压系统 P334
- 液压系统 P335
- 液压系统 P336
- 液压系统 P337
- 液压系统 P337.01
- 液压系统 P338
- 液压系统 P340
- 液压系统 P342
- 液压系统 P344
- 液压系统 P346
- 液压系统 P348
- 液压系统 P356
- 液压系统 P358
- 液压系统 P360
- 液压系统 P362
- 液压系统 P366
- 液压系统 P364
- 液压系统 P368
- 液压系统 P370
- 液压系统 P372
- 液压系统 P374
- 液压系统 P376
- 液压系统 P378
- 液压系统 P380
- 液压系统 P381
- 液压系统 P382
- 液压系统 P383
- 液压系统 P384
- 液压系统 P385
- 液压系统 P386
- 液压系统 P387
- 液压系统 P388
- 液压系统 P389
- 液压系统 P390
- 液压系统 P391
- 液压系统 P392
- 液压系统 P394
- 液压系统 P396
- 液压系统 P398
- 液压系统 P400
- 液压系统 P402
- 液压系统 P404
- 液压系统 P405
- 液压系统 P406
- 液压系统 P407
- 液压系统 P408
- 液压系统 P410
- 液压系统 P412
- 液压系统 P414
- 液压系统 P415
- 液压系统 P416
- 液压系统 P418
- 液压系统 P420
- 液压系统 P422
- 液压系统 P424
- 液压系统 P426
- 液压系统 P428
- 液压系统 P429
- 液压系统 P430
- 液压系统 P432
- 液压系统 P434
- 液压系统 P436
- 液压系统 P438
- 液压系统 P440
- 液压系统 P441.01
- 液压系统 P442
- 液压系统 P450
- 液压系统 P452
- 液压系统 P454
- 液压系统 P456
- 液压系统 P457.01
- 液压系统 P457.03
- 液压系统 P458
- 液压系统 P458.01
- 液压系统 P459
- 液压系统 P460
- 液压系统 P462
- 液压系统 P464
- 液压系统 P466
- 液压系统 P468
- 液压系统 P470
- 液压系统 P472
- 液压系统 P474
- 液压系统 P476
- 液压系统 P477
- 液压系统 P478
- 液压系统 P480
- 液压系统 P482
- 液压系统 P484
- 液压系统 P486
- 液压系统 P488
- 液压系统 P490
- 液压系统 P492
- 液压系统 P494
- 液压系统 P496
- 液压系统 P497
- 液压系统 P498
- 液压系统 P500
- 液压系统 P502
- 液压系统 P504
- 液压系统 P506
- 液压系统 P508
- 液压系统 P509
- 液压系统 P510
- 液压系统 P512
- 液压系统 P514
- 液压系统 P516
- 液压系统 P517
- 液压系统 P518
- 液压系统 P519
- 液压系统 P520
- 液压系统 P521
- 液压系统 P522
- 液压系统 P523
- 液压系统 P524
- 液压系统 P526
- 液压系统 P528
- 液压系统 P530
- 液压系统 P532
- 液压系统 P533
- 液压系统 P534
- 液压系统 P535
- 液压系统 P536
- 液压系统 P538
- 液压系统 P539
- 液压系统 P540
- 液压系统 P542
- 液压系统 P544
- 液压系统 P546
- 液压系统 P547
- 液压系统 P548
- 液压系统 P550
- 液压系统 P552
- 液压系统 P554
- 液压系统 P555
- 液压系统 P556
- 液压系统 P558
- 液压系统 P560
- 液压系统 P561
- 液压系统 P563
- 液压系统 P564
- 液压系统 P566
- 液压系统 P568
- 液压系统 P570
- 液压系统 P572
- 液压系统 P574
- 液压系统 P575
- 液压系统 P576
- 液压系统 P578
- 液压系统 P580
- 液压系统 P582
- 液压系统 P584
- 液压系统 P586
- 液压系统 P587
- 液压系统 P588
- 液压系统 P589
- 液压系统 P590
- 液压系统 P592
- 液压系统 P594
- 液压系统 P596
- 液压系统 P598
- 液压系统 P600.01
- 液压系统 P600.02
- 液压系统 P601
- 液压系统 P602
- 液压系统 P603
- 液压系统 P604
- 液压系统 P605
- 驾驶室
- 驾驶室 P606
- 驾驶室 P608
- 驾驶室 P610
- 驾驶室 P612
- 驾驶室 P614
- 驾驶室 P616
- 驾驶室 P618
- 驾驶室 P620
- 驾驶室 P621
- 驾驶室 P622
- 驾驶室 P624
- 驾驶室 P625
- 驾驶室 P626
- 驾驶室 P628
- 驾驶室 P629
- 驾驶室 P630
- 驾驶室 P631
- 驾驶室 P632
- 驾驶室 P633
- 驾驶室 P634
- 驾驶室 P635
- 驾驶室 P636
- 驾驶室 P637
- 驾驶室 P638
- 驾驶室 P640
- 驾驶室 P641
- 驾驶室 P644
- 驾驶室 P646
- 驾驶室 P647
- 驾驶室 P648
- 驾驶室 P650
- 驾驶室 P652
- 驾驶室 P653
- 驾驶室 P654
- 驾驶室 P656
- 驾驶室 P658
- 驾驶室 P660
- 驾驶室 P662
- 驾驶室 P663
- 驾驶室 P664
- 驾驶室 P665
- 驾驶室 P665.02
- 驾驶室 P665.03
- 驾驶室 P665.04
- 驾驶室 P665.06
- 驾驶室 P665.07
- 驾驶室 P666
- 驾驶室 P667
- 驾驶室 P671
- 驾驶室 P672
- 驾驶室 P674
- 驾驶室 P676
- 驾驶室 P677
- 驾驶室 P678
- 驾驶室 P679
- 驾驶室 P680
- 驾驶室 P680.01
- 驾驶室 P681
- 驾驶室 P681.01
- 驾驶室 P682
- 驾驶室 P682.01
- 驾驶室 P683
- 驾驶室 P684
- 驾驶室 P685
- 驾驶室 P685.01
- 驾驶室 P686
- 驾驶室 P687
- 驾驶室 P688
- 驾驶室 P689
- 驾驶室 P690
- 驾驶室 P690.01
- 驾驶室 P691
- 驾驶室 P691.01
- 驾驶室 P692
- 驾驶室 P692.01
- 驾驶室 P693
- 驾驶室 P694
- 驾驶室 P694.01
- 驾驶室 P695
- 驾驶室 P695.01
- 驾驶室 P696
- 驾驶室 P696.01
- 驾驶室 P697
- 驾驶室 P697.01
- 驾驶室 P698
- 驾驶室 P699
- 驾驶室 P699.01
- 驾驶室 P700
- 驾驶室 P700.01
- 驾驶室 P701
- 驾驶室 P701.01
- 驾驶室 P702
- 驾驶室 P703
- 驾驶室 P703.01
- 驾驶室 P704
- 驾驶室 P710
- 驾驶室 P712
- 驾驶室 P714
- 驾驶室 P716
- 驾驶室 P718
- 驾驶室 P720
- 驾驶室 P722
- 驾驶室 P724
- 驾驶室 P725
- 驾驶室 P726
- 驾驶室 P728
- 驾驶室 P730
- 工具
- 工具 P742
- 工具 P744
- 工具 P746
- 工具 P748
- 工具 P750
- 工具 P752
- 工具 P753
- 工具 P754
- 工具 P755
- 工具 P756
- 工具 P757
- 工具 P758
- 工具 P759
- 工具 P760
- 工具 P761
- 工具 P762
- 工具 P763
- 工具 P764
- 工具 P765
- 工具 P766
- 工具 P767
- 工具 P768
- 工具 P770
- 工具 P772
- 工具 P774
- 工具 P776
- 工具 P778
- 工具 P793
- 工具 P794
- 工具 P795
- 工具 P796
- 工具 P797
- 工具 P798
- 工具 P799
- 工具 P800
- 工具 P801
- 工具 P802
- 工具 P803
- 工具 P804
- 工具 P805
- 工具 P806
- 工具 P807
- 工具 P808
- 工具 P809
- 工具 P810
- 工具 P811
- 工具 P812
- 工具 P813
- 工具 P814
- 工具 P815
- 工具 P816
- 工具 P817
- 工具 P818
- 工具 P819
- 工具 P820
- 工具 P821
- 工具 P822
- 工具 P823
- 工具 P824
-
E324D
- C7发动机
- BASIC ENGINE P18
- BASIC ENGINE P20
- BASIC ENGINE P22
- BASIC ENGINE P23
- BASIC ENGINE P24
- BASIC ENGINE P25
- BASIC ENGINE P26
- BASIC ENGINE P27
- BASIC ENGINE P28
- BASIC ENGINE P29
- BASIC ENGINE P30
- BASIC ENGINE P31
- BASIC ENGINE P32
- BASIC ENGINE P33
- BASIC ENGINE P34
- BASIC ENGINE P35
- BASIC ENGINE P36
- BASIC ENGINE P37
- BASIC ENGINE P38
- BASIC ENGINE P39
- BASIC ENGINE P40
- BASIC ENGINE P41
- BASIC ENGINE P42
- BASIC ENGINE P43
- BASIC ENGINE P44
- BASIC ENGINE P45
- BASIC ENGINE P46
- BASIC ENGINE P48
- BASIC ENGINE P50
- BASIC ENGINE P51
- BASIC ENGINE P52
- BASIC ENGINE P53
- BASIC ENGINE P54
- BASIC ENGINE P55
- BASIC ENGINE P56
- BASIC ENGINE P57
- 润滑系统
- 冷却系统
- 进排气系统
- AIR INLET AND EXHAUST SYSTEM P82
- AIR INLET AND EXHAUST SYSTEM P83
- AIR INLET AND EXHAUST SYSTEM P84
- AIR INLET AND EXHAUST SYSTEM P85
- AIR INLET AND EXHAUST SYSTEM P86
- AIR INLET AND EXHAUST SYSTEM P87
- AIR INLET AND EXHAUST SYSTEM P88
- AIR INLET AND EXHAUST SYSTEM P90
- AIR INLET AND EXHAUST SYSTEM P91
- AIR INLET AND EXHAUST SYSTEM P93
- AIR INLET AND EXHAUST SYSTEM P94
- AIR INLET AND EXHAUST SYSTEM P95
- AIR INLET AND EXHAUST SYSTEM P96
- 燃油系统
- 电气和启动系统
- ELECTRICAL AND STARTING P124
- ELECTRICAL AND STARTING P126
- ELECTRICAL AND STARTING P128
- ELECTRICAL AND STARTING P130
- ELECTRICAL AND STARTING P132
- ELECTRICAL AND STARTING P134
- ELECTRICAL AND STARTING P136
- ELECTRICAL AND STARTING P138
- ELECTRICAL AND STARTING P139
- ELECTRICAL AND STARTING P140
- ELECTRICAL AND STARTING P142
- ELECTRICAL AND STARTING P144
- ELECTRICAL AND STARTING P146
- ELECTRICAL AND STARTING P148
- ELECTRICAL AND STARTING P150
- ELECTRICAL AND STARTING P152
- ELECTRICAL AND STARTING P154
- ELECTRICAL AND STARTING P156
- ELECTRICAL AND STARTING P158
- ELECTRICAL AND STARTING P160
- ELECTRICAL AND STARTING P162
- ELECTRICAL AND STARTING P163
- ELECTRICAL AND STARTING P164
- ELECTRICAL AND STARTING P166
- ELECTRICAL AND STARTING P168
- ELECTRICAL AND STARTING P170
- ELECTRICAL AND STARTING P172
- ELECTRICAL AND STARTING P174
- ELECTRICAL AND STARTING P175
- ELECTRICAL AND STARTING P176
- ELECTRICAL AND STARTING P178
- ELECTRICAL AND STARTING P180
- ELECTRICAL AND STARTING P182
- ELECTRICAL AND STARTING P184
- ELECTRICAL AND STARTING P185
- ELECTRICAL AND STARTING P186
- ELECTRICAL AND STARTING P188
- ELECTRICAL AND STARTING P190
- ELECTRICAL AND STARTING P192
- ELECTRICAL AND STARTING P193
- ELECTRICAL AND STARTING P194
- ELECTRICAL AND STARTING P195
- ELECTRICAL AND STARTING P196
- ELECTRICAL AND STARTING P198
- ELECTRICAL AND STARTING P200
- ELECTRICAL AND STARTING P202
- ELECTRICAL AND STARTING P204
- ELECTRICAL AND STARTING P206
- ELECTRICAL AND STARTING P208
- ELECTRICAL AND STARTING P210
- ELECTRICAL AND STARTING P212
- ELECTRICAL AND STARTING P214
- ELECTRICAL AND STARTING P214.02
- ELECTRICAL AND STARTING P214.04
- ELECTRICAL AND STARTING P214.06
- ELECTRICAL AND STARTING P217
- ELECTRICAL AND STARTING P218
- ELECTRICAL AND STARTING P221
- ELECTRICAL AND STARTING P222
- ELECTRICAL AND STARTING P223
- ELECTRICAL AND STARTING P224
- ELECTRICAL AND STARTING P226
- ELECTRICAL AND STARTING P228
- ELECTRICAL AND STARTING P230
- ELECTRICAL AND ST1RTING P231
- ELECTRICAL AND ST1RTING P232
- ELECTRICAL AND ST1RTING P234
- ELECTRICAL AND ST1RTING P235
- ELECTRICAL AND ST1RTING P236
- ELECTRICAL AND ST1RTING P237
- ELECTRICAL AND ST1RTING P238
- ELECTRICAL AND ST1RTING P239
- ELECTRICAL AND ST1RTING P240
- ELECTRICAL AND ST1RTING P241
- ELECTRICAL AND ST1RTING P242
- ELECTRICAL AND ST1RTING P243
- ELECTRICAL AND ST1RTING P244
- ELECTRICAL AND ST1RTING P245
- ELECTRICAL AND ST1RTING P246
- ELECTRICAL AND ST1RTING P247
- ELECTRICAL AND ST1RTING P248
- ELECTRICAL AND ST1RTING P249
- ELECTRICAL AND ST1RTING P250
- ELECTRICAL AND STARTING P253
- ELECTRICAL AND STARTING P254
- ELECTRICAL AND STARTING P256
- ELECTRICAL AND STARTING P258
- ELECTRICAL AND STARTING P260
- ELECTRICAL AND STARTING P261
- ELECTRICAL AND STARTING P262
- ELECTRICAL AND STARTING P263
- ELECTRICAL AND STARTING P264
- ELECTRICAL AND STARTING P265
- ELECTRICAL AND STARTING P266
- ELECTRICAL AND STARTING P267
- ELECTRICAL AND STARTING P268
- ELECTRICAL AND STARTING P269
- 传动系统
- 车架及车身
- FRAME AND BODY P274
- FRAME AND BODY P276
- FRAME AND BODY P278
- FRAME AND BODY P280
- FRAME AND BODY P282
- FRAME AND BODY P283.01
- FRAME AND BODY P283.03
- FRAME AND BODY P283.05
- FRAME AND BODY P283.07
- FRAME AND BODY P284
- FRAME AND BODY P285
- FRAME AND BODY P285.01
- FRAME AND BODY P286
- FRAME AND BODY P286.01
- FRAME AND BODY P287
- FRAME AND BODY P287.01
- FRAME AND BODY P288
- FRAME AND BODY P288.01
- FRAME AND BODY P289
- FRAME AND BODY P290
- FRAME AND BODY P291
- FRAME AND BODY P292
- FRAME AND BODY P293
- FRAME AND BODY P294
- FRAME AND BODY P295
- FRAME AND BODY P296
- FRAME AND BODY P298
- FRAME AND BODY P299
- FRAME AND BODY P300
- FRAME AND BODY P301
- FRAME AND BODY P302
- FRAME AND BODY P303
- FRAME AND BODY P304
- FRAME AND BODY P306
- FRAME AND BODY P306.01
- FRAME AND BODY P307
- FRAME AND BODY P308
- FRAME AND BODY P309
- FRAME AND BODY P310
- FRAME AND BODY P311
- FRAME AND BODY P312
- FRAME AND BODY P313
- FRAME AND BODY P314
- FRAME AND BODY P315
- FRAME AND BODY P316
- FRAME AND BODY P317
- FRAME AND BODY P318
- FRAME AND BODY P319
- FRAME AND BODY P320
- FRAME AND BODY P324
- FRAME AND BODY P325
- FRAME AND BODY P326
- FRAME AND BODY P328
- FRAME AND BODY P330
- FRAME AND BODY P331
- FRAME AND BODY P332
- FRAME AND BODY P333
- FRAME AND BODY P334
- FRAME AND BODY P335
- FRAME AND BODY P336
- FRAME AND BODY P338
- FRAME AND BODY P339
- FRAME AND BODY P340
- FRAME AND BODY P342
- FRAME AND BODY P343
- FRAME AND BODY P344
- FRAME AND BODY P345
- FRAME AND BODY P347
- FRAME AND BODY P348
- FRAME AND BODY P349
- FRAME AND BODY P350
- FRAME AND BODY P351
- FRAME AND BODY P352
- FRAME AND BODY P353
- FRAME AND BODY P354
- FRAME AND BODY P355
- FRAME AND BODY P356
- FRAME AND BODY P357
- FRAME AND BODY P358
- FRAME AND BODY P359
- FRAME AND BODY P364
- FRAME AND BODY P365
- 液压系统
- HYDRAULIC SYSTEM P367
- HYDRAULIC SYSTEM P368
- HYDRAULIC SYSTEM P369
- HYDRAULIC SYSTEM P369.01
- HYDRAULIC SYSTEM P370
- HYDRAULIC SYSTEM P371
- HYDRAULIC SYSTEM P372
- HYDRAULIC SYSTEM P372.01
- HYDRAULIC SYSTEM P373.01
- HYDRAULIC SYSTEM P373.02
- HYDRAULIC SYSTEM P374
- HYDRAULIC SYSTEM P375
- HYDRAULIC SYSTEM P376
- HYDRAULIC SYSTEM P377
- HYDRAULIC SYSTEM P378
- HYDRAULIC SYSTEM P379
- HYDRAULIC SYSTEM P380
- HYDRAULIC SYSTEM P382
- HYDRAULIC SYSTEM P384
- HYDRAULIC SYSTEM P386
- HYDRAULIC SYSTEM P388
- HYDRAULIC SYSTEM P389
- HYDRAULIC SYSTEM P396
- HYDRAULIC SYSTEM P398
- HYDRAULIC SYSTEM P400
- HYDRAULIC SYSTEM P402
- HYDRAULIC SYSTEM P404
- HYDRAULIC SYSTEM P406
- HYDRAULIC SYSTEM P408
- HYDRAULIC SYSTEM P409
- HYDRAULIC SYSTEM P410
- HYDRAULIC SYSTEM P412
- HYDRAULIC SYSTEM P414
- HYDRAULIC SYSTEM P416
- HYDRAULIC SYSTEM P417
- HYDRAULIC SYSTEM P418
- HYDRAULIC SYSTEM P419
- HYDRAULIC SYSTEM P420
- HYDRAULIC SYSTEM P421
- HYDRAULIC SYSTEM P422
- HYDRAULIC SYSTEM P423
- HYDRAULIC SYSTEM P424
- HYDRAULIC SYSTEM P426
- HYDRAULIC SYSTEM P427.01
- HYDRAULIC SYSTEM P428
- HYDRAULIC SYSTEM P429.01
- HYDRAULIC SYSTEM P430
- HYDRAULIC SYSTEM P432
- HYDRAULIC SYSTEM P433
- HYDRAULIC SYSTEM P434
- HYDRAULIC SYSTEM P435
- HYDRAULIC SYSTEM P436
- HYDRAULIC SYSTEM P438
- HYDRAULIC SYSTEM P440
- HYDRAULIC SYSTEM P442
- HYDRAULIC SYSTEM P443
- HYDRAULIC SYSTEM P444
- HYDRAULIC SYSTEM P446
- HYDRAULIC SYSTEM P447.01
- HYDRAULIC SYSTEM P448
- HYDRAULIC SYSTEM P449.01
- HYDRAULIC SYSTEM P450
- HYDRAULIC SYSTEM P452
- HYDRAULIC SYSTEM P454
- HYDRAULIC SYSTEM P456
- HYDRAULIC SYSTEM P456.01
- HYDRAULIC SYSTEM P457
- HYDRAULIC SYSTEM P457.01
- HYDRAULIC SYSTEM P458
- HYDRAULIC SYSTEM P460
- HYDRAULIC SYSTEM P462
- HYDRAULIC SYSTEM P464
- HYDRAULIC SYSTEM P466
- HYDRAULIC SYSTEM P468
- HYDRAULIC SYSTEM P469.01
- HYDRAULIC SYSTEM P470
- HYDRAULIC SYSTEM P472
- HYDRAULIC SYSTEM P480
- HYDRAULIC SYSTEM P482
- HYDRAULIC SYSTEM P484
- HYDRAULIC SYSTEM P486
- HYDRAULIC SYSTEM P487.01
- HYDRAULIC SYSTEM P487.03
- HYDRAULIC SYSTEM P487.05
- HYDRAULIC SYSTEM P487.07
- HYDRAULIC SYSTEM P487.09
- HYDRAULIC SYSTEM P487.11
- HYDRAULIC SYSTEM P488
- HYDRAULIC SYSTEM P488.01
- HYDRAULIC SYSTEM P488.02
- HYDRAULIC SYSTEM P489
- HYDRAULIC SYSTEM P490
- HYDRAULIC SYSTEM P491.01
- HYDRAULIC SYSTEM P492
- HYDRAULIC SYSTEM P493.01
- HYDRAULIC SYSTEM P493.03
- HYDRAULIC SYSTEM P494
- HYDRAULIC SYSTEM P496
- HYDRAULIC SYSTEM P497.01
- HYDRAULIC SYSTEM P497.03
- HYDRAULIC SYSTEM P498
- HYDRAULIC SYSTEM P500
- HYDRAULIC SYSTEM P501.01
- HYDRAULIC SYSTEM P501.03
- HYDRAULIC SYSTEM P502
- HYDRAULIC SYSTEM P504
- HYDRAULIC SYSTEM P506
- HYDRAULIC SYSTEM P508
- HYDRAULIC SYSTEM P510
- HYDRAULIC SYSTEM P512
- HYDRAULIC SYSTEM P514
- HYDRAULIC SYSTEM P516
- HYDRAULIC SYSTEM P518
- HYDRAULIC SYSTEM P520
- HYDRAULIC SYSTEM P522
- HYDRAULIC SYSTEM P524
- HYDRAULIC SYSTEM P526
- HYDRAULIC SYSTEM P528
- HYDRAULIC SYSTEM P529.01
- HYDRAULIC SYSTEM P530
- HYDRAULIC SYSTEM P530.01
- HYDRAULIC SYSTEM P531
- HYDRAULIC SYSTEM P532
- HYDRAULIC SYSTEM P534
- HYDRAULIC SYSTEM P536
- HYDRAULIC SYSTEM P537
- HYDRAULIC SYSTEM P538
- HYDRAULIC SYSTEM P540
- HYDRAULIC SYSTEM P541
- HYDRAULIC SYSTEM P542
- HYDRAULIC SYSTEM P544
- HYDRAULIC SYSTEM P545
- HYDRAULIC SYSTEM P546
- HYDRAULIC SYSTEM P547
- HYDRAULIC SYSTEM P548
- HYDRAULIC SYSTEM P549
- HYDRAULIC SYSTEM P550
- HYDRAULIC SYSTEM P551
- HYDRAULIC SYSTEM P552
- HYDRAULIC SYSTEM P554
- HYDRAULIC SYSTEM P557
- HYDRAULIC SYSTEM P558
- HYDRAULIC SYSTEM P560
- HYDRAULIC SYSTEM P561
- HYDRAULIC SYSTEM P562
- HYDRAULIC SYSTEM P563
- HYDRAULIC SYSTEM P564
- HYDRAULIC SYSTEM P566
- HYDRAULIC SYSTEM P567
- HYDRAULIC SYSTEM P568
- HYDRAULIC SYSTEM P570
- HYDRAULIC SYSTEM P572
- HYDRAULIC SYSTEM P574
- HYDRAULIC SYSTEM P575
- HYDRAULIC SYSTEM P576
- HYDRAULIC SYSTEM P578
- HYDRAULIC SYSTEM P580
- HYDRAULIC SYSTEM P582
- HYDRAULIC SYSTEM P583
- HYDRAULIC SYSTEM P584
- HYDRAULIC SYSTEM P585
- HYDRAULIC SYSTEM P586
- HYDRAULIC SYSTEM P588
- HYDRAULIC SYSTEM P589
- HYDRAULIC SYSTEM P592
- HYDRAULIC SYSTEM P593
- HYDRAULIC SYSTEM P594
- HYDRAULIC SYSTEM P596
- HYDRAULIC SYSTEM P598
- HYDRAULIC SYSTEM P600
- HYDRAULIC SYSTEM P602
- HYDRAULIC SYSTEM P604
- HYDRAULIC SYSTEM P605
- HYDRAULIC SYSTEM P608
- HYDRAULIC SYSTEM P610
- HYDRAULIC SYSTEM P612
- HYDRAULIC SYSTEM P614
- HYDRAULIC SYSTEM P616
- HYDRAULIC SYSTEM P618
- HYDRAULIC SYSTEM P619
- HYDRAULIC SYSTEM P620
- HYDRAULIC SYSTEM P621
- HYDRAULIC SYSTEM P622
- HYDRAULIC SYSTEM P623
- HYDRAULIC SYSTEM P624
- HYDRAULIC SYSTEM P625
- HYDRAULIC SYSTEM P625.01
- HYDRAULIC SYSTEM P626
- HYDRAULIC SYSTEM P627
- 驾驶室
- OPERATOR STATION P630
- OPERATOR STATION P632
- OPERATOR STATION P634
- OPERATOR STATION P636
- OPERATOR STATION P638
- OPERATOR STATION P640
- OPERATOR STATION P642
- OPERATOR STATION P644
- OPERATOR STATION P645
- OPERATOR STATION P646
- OPERATOR STATION P647.01
- OPERATOR STATION P648
- OPERATOR STATION P650
- OPERATOR STATION P652
- OPERATOR STATION P653
- OPERATOR STATION P653.01
- OPERATOR STATION P653.02
- OPERATOR STATION P654
- OPERATOR STATION P655
- OPERATOR STATION P656
- OPERATOR STATION P657
- OPERATOR STATION P658
- OPERATOR STATION P659
- OPERATOR STATION P660
- OPERATOR STATION P662
- OPERATOR STATION P663
- OPERATOR STATION P666
- OPERATOR STATION P668
- OPERATOR STATION P669
- OPERATOR STATION P670
- OPERATOR STATION P672
- OPERATOR STATION P674
- OPERATOR STATION P675
- OPERATOR STATION P676
- OPERATOR STATION P677
- OPERATOR STATION P679
- OPERATOR STATION P679.01
- OPERATOR STATION P680
- OPERATOR STATION P681.01
- OPERATOR STATION P682
- OPERATOR STATION P684
- OPERATOR STATION P685
- OPERATOR STATION P686
- OPERATOR STATION P687
- OPERATOR STATION P687.02
- OPERATOR STATION P687.03
- OPERATOR STATION P687.04
- OPERATOR STATION P687.06
- OPERATOR STATION P687.07
- OPERATOR STATION P688
- OPERATOR STATION P689
- OPERATOR STATION P693
- OPERATOR STATION P694
- OPERATOR STATION P696
- OPERATOR STATION P697
- OPERATOR STATION P698
- OPERATOR STATION P700
- OPERATOR STATION P701
- OPERATOR STATION P702
- OPERATOR STATION P702.01
- OPERATOR STATION P703
- OPERATOR STATION P703.01
- OPERATOR STATION P704
- OPERATOR STATION P704.01
- OPERATOR STATION P705
- OPERATOR STATION P706
- OPERATOR STATION P707
- OPERATOR STATION P707.01
- OPERATOR STATION P708
- OPERATOR STATION P709
- OPERATOR STATION P710
- OPERATOR STATION P711
- OPERATOR STATION P712
- OPERATOR STATION P712.01
- OPERATOR STATION P713
- OPERATOR STATION P713.01
- OPERATOR STATION P714
- OPERATOR STATION P714.01
- OPERATOR STATION P715
- OPERATOR STATION P716
- OPERATOR STATION P716.01
- OPERATOR STATION P717
- OPERATOR STATION P717.01
- OPERATOR STATION P718
- OPERATOR STATION P718.01
- OPERATOR STATION P719
- OPERATOR STATION P720
- OPERATOR STATION P720.01
- OPERATOR STATION P721
- OPERATOR STATION P721.01
- OPERATOR STATION P722
- OPERATOR STATION P722.01
- OPERATOR STATION P723
- OPERATOR STATION P724
- OPERATOR STATION P724.01
- OPERATOR STATION P725
- OPERATOR STATION P725.01
- OPERATOR STATION P726
- OPERATOR STATION P730
- OPERATOR STATION P731.01
- OPERATOR STATION P732
- OPERATOR STATION P733.01
- OPERATOR STATION P734
- OPERATOR STATION P735.01
- OPERATOR STATION P736
- OPERATOR STATION P737.01
- OPERATOR STATION P738
- OPERATOR STATION P740
- OPERATOR STATION P742
- OPERATOR STATION P744
- OPERATOR STATION P745
- OPERATOR STATION P746
- 工具
- IMPLEMENTS P758
- IMPLEMENTS P760
- IMPLEMENTS P762
- IMPLEMENTS P764
- IMPLEMENTS P766
- IMPLEMENTS P767
- IMPLEMENTS P768
- IMPLEMENTS P769
- IMPLEMENTS P770
- IMPLEMENTS P771
- IMPLEMENTS P772
- IMPLEMENTS P773
- IMPLEMENTS P774
- IMPLEMENTS P775
- IMPLEMENTS P776
- IMPLEMENTS P777
- IMPLEMENTS P778
- IMPLEMENTS P780
- IMPLEMENTS P782
- IMPLEMENTS P784
- IMPLEMENTS P786
- IMPLEMENTS P787
- IMPLEMENTS P796
- IMPLEMENTS P797
- IMPLEMENTS P798
- IMPLEMENTS P799
- IMPLEMENTS P800
- IMPLEMENTS P801
- IMPLEMENTS P802
- IMPLEMENTS P803
- IMPLEMENTS P804
- IMPLEMENTS P805
- IMPLEMENTS P806
- IMPLEMENTS P807
- IMPLEMENTS P808
- IMPLEMENTS P809
- IMPLEMENTS P810
- IMPLEMENTS P811
- IMPLEMENTS P812
- IMPLEMENTS P813
- IMPLEMENTS P814
- IMPLEMENTS P815
- IMPLEMENTS P816
- IMPLEMENTS P817
- IMPLEMENTS P818
- 服务设备和用品
- SERVICE EQUIPMENT P821
- SERVICE EQUIPMENT P822
- SERVICE EQUIPMENT P824
- SERVICE EQUIPMENT P826
- SERVICE EQUIPMENT P827.01
- SERVICE EQUIPMENT P827.03
- SERVICE EQUIPMENT P827.05
- SERVICE EQUIPMENT P827.07
- SERVICE EQUIPMENT P827.09
- SERVICE EQUIPMENT P827.11
- SERVICE EQUIPMENT P827.13
- SERVICE EQUIPMENT P827.15
- SERVICE EQUIPMENT P827.17
- SERVICE EQUIPMENT P827.19
- SERVICE EQUIPMENT P827.21
- SERVICE EQUIPMENT P827.23
- SERVICE EQUIPMENT P827.25
- SERVICE EQUIPMENT P827.27
- SERVICE EQUIPMENT P827.29
- SERVICE EQUIPMENT P828
- SERVICE EQUIPMENT P830
- SERVICE EQUIPMENT P832
- SERVICE EQUIPMENT P833.01
- SERVICE EQUIPMENT P833.03
- SERVICE EQUIPMENT P833.05
- SERVICE EQUIPMENT P833.07
- SERVICE EQUIPMENT P833.09
- SERVICE EQUIPMENT P833.11
- SERVICE EQUIPMENT P833.13
- SERVICE EQUIPMENT P833.15
- SERVICE EQUIPMENT P833.17
- SERVICE EQUIPMENT P833.19
- SERVICE EQUIPMENT P833.21
- SERVICE EQUIPMENT P833.23
- SERVICE EQUIPMENT P833.25
- SERVICE EQUIPMENT P833.27
- SERVICE EQUIPMENT P833.29
- SERVICE EQUIPMENT P834
- SERVICE EQUIPMENT P834.01
- SERVICE EQUIPMENT P835
- SERVICE EQUIPMENT P836
- SERVICE EQUIPMENT P837
- SERVICE EQUIPMENT P838
- SERVICE EQUIPMENT P839
- SERVICE EQUIPMENT P840
- C7发动机
-
E330D
- 发动机 C9
- 润滑系统
- 冷却系统
- 进排气系统
- 燃油系统
- 电气和起动系统
- 电气和起动系统 P118
- 电气和起动系统 P120
- 电气和起动系统 P122
- 电气和起动系统 P124
- 电气和起动系统 P126
- 电气和起动系统 P128
- 电气和起动系统 P130
- 电气和起动系统 P132
- 电气和起动系统 P134
- 电气和起动系统 P136
- 电气和起动系统 P137
- 电气和起动系统 P138
- 电气和起动系统 P140
- 电气和起动系统 P142
- 电气和起动系统 P144
- 电气和起动系统 P146
- 电气和起动系统 P148
- 电气和起动系统 P150
- 电气和起动系统 P152
- 电气和起动系统 P153
- 电气和起动系统 P154
- 电气和起动系统 P156
- 电气和起动系统 P158
- 电气和起动系统 P160
- 电气和起动系统 P161
- 电气和起动系统 P162
- 电气和起动系统 P164
- 电气和起动系统 P166
- 电气和起动系统 P168
- 电气和起动系统 P170
- 电气和起动系统 P171
- 电气和起动系统 P172
- 电气和起动系统 P174
- 电气和起动系统 P176
- 电气和起动系统 P178
- 电气和起动系统 P180
- 电气和起动系统 P181
- 电气和起动系统 P182
- 电气和起动系统 P184
- 电气和起动系统 P186
- 电气和起动系统 P187
- 电气和起动系统 P187.01
- 电气和起动系统 P188
- 电气和起动系统 P189
- 电气和起动系统 P190
- 电气和起动系统 P191
- 电气和起动系统 P192
- 电气和起动系统 P194
- 电气和起动系统 P196
- 电气和起动系统 P198
- 电气和起动系统 P200
- 电气和起动系统 P202
- 电气和起动系统 P204
- 电气和起动系统 P205
- 电气和起动系统 P206
- 电气和起动系统 P208
- 电气和起动系统 P209
- 电气和起动系统 P211
- 电气和起动系统 P212
- 电气和起动系统 P213
- 电气和起动系统 P214
- 电气和起动系统 P216
- 电气和起动系统 P218
- 电气和起动系统 P220
- 电气和起动系统 P222
- 电气和起动系统 P223
- 电气和起动系统 P224
- 电气和起动系统 P225
- 电气和起动系统 P226
- 电气和起动系统 P228
- 电气和起动系统 P229
- 电气和起动系统 P230
- 电气和起动系统 P231
- 电气和起动系统 P232
- 电气和起动系统 P233
- 电气和起动系统 P234
- 电气和起动系统 P235
- 电气和起动系统 P236
- 电气和起动系统 P237
- 电气和起动系统 P238
- 电气和起动系统 P239
- 电气和起动系统 P240
- 电气和起动系统 P241
- 电气和起动系统 P242
- 电气和起动系统 P243
- 电气和起动系统 P244
- 电气和起动系统 P245
- 电气和起动系统 P246
- 电气和起动系统 P248
- 电气和起动系统 P250
- 电气和起动系统 P252
- 电气和起动系统 P254
- 电气和起动系统 P255
- 电气和起动系统 P256
- 电气和起动系统 P257
- 电气和起动系统 P258
- 电气和起动系统 P259
- 电气和起动系统 P260
- 电气和起动系统 P261
- 电气和起动系统 P261.01
- 电气和起动系统 P262
- 电气和起动系统 P262.01
- 传动系统
- 车架和车身
- 车架和车身 P268
- 车架和车身 P270
- 车架和车身 P272
- 车架和车身 P274
- 车架和车身 P276
- 车架和车身 P278
- 车架和车身 P280
- 车架和车身 P281
- 车架和车身 P282
- 车架和车身 P283
- 车架和车身 P284
- 车架和车身 P284.01
- 车架和车身 P285
- 车架和车身 P285.01
- 车架和车身 P286
- 车架和车身 P286.01
- 车架和车身 P286.02
- 车架和车身 P286.03
- 车架和车身 P286.04
- 车架和车身 P286.05
- 车架和车身 P286.06
- 车架和车身 P286.07
- 车架和车身 P286.08
- 车架和车身 P286.09
- 车架和车身 P287
- 车架和车身 P287.01
- 车架和车身 P288
- 车架和车身 P289
- 车架和车身 P289.01
- 车架和车身 P290
- 车架和车身 P291
- 车架和车身 P292
- 车架和车身 P294
- 车架和车身 P295
- 车架和车身 P296
- 车架和车身 P297
- 车架和车身 P298
- 车架和车身 P299
- 车架和车身 P300
- 车架和车身 P301
- 车架和车身 P302
- 车架和车身 P303
- 车架和车身 P304
- 车架和车身 P305
- 车架和车身 P306
- 车架和车身 P310
- 车架和车身 P311
- 车架和车身 P312
- 车架和车身 P316
- 车架和车身 P317
- 车架和车身 P318
- 车架和车身 P320
- 车架和车身 P322
- 车架和车身 P323
- 车架和车身 P324
- 车架和车身 P325
- 车架和车身 P326
- 车架和车身 P327
- 车架和车身 P328
- 车架和车身 P329
- 车架和车身 P330
- 车架和车身 P331
- 车架和车身 P332
- 车架和车身 P333
- 车架和车身 P334
- 车架和车身 P335
- 车架和车身 P336
- 车架和车身 P337
- 车架和车身 P338
- 车架和车身 P339
- 车架和车身 P340
- 车架和车身 P341
- 车架和车身 P342
- 车架和车身 P343
- 车架和车身 P344
- 车架和车身 P345
- 车架和车身 P346
- 车架和车身 P347
- 车架和车身 P348
- 车架和车身 P349
- 车架和车身 P355
- 车架和车身 P356
- 液压系统
- 液压系统 P357
- 液压系统 P358
- 液压系统 P360
- 液压系统 P361
- 液压系统 P362
- 液压系统 P363
- 液压系统 P364
- 液压系统 P365
- 液压系统 P366
- 液压系统 P367
- 液压系统 P369
- 液压系统 P370
- 液压系统 P371
- 液压系统 P372
- 液压系统 P374
- 液压系统 P376
- 液压系统 P378
- 液压系统 P380
- 液压系统 P381
- 液压系统 P386
- 液压系统 P387
- 液压系统 P388
- 液压系统 P389
- 液压系统 P392
- 液压系统 P390
- 液压系统 P394
- 液压系统 P396
- 液压系统 P398
- 液压系统 P399
- 液压系统 P400
- 液压系统 P401
- 液压系统 P402
- 液压系统 P403
- 液压系统 P404
- 液压系统 P406
- 液压系统 P408
- 液压系统 P409
- 液压系统 P410
- 液压系统 P411
- 液压系统 P412
- 液压系统 P414
- 液压系统 P416
- 液压系统 P418
- 液压系统 P419
- 液压系统 P420
- 液压系统 P421
- 液压系统 P422
- 液压系统 P424
- 液压系统 P426
- 液压系统 P428
- 液压系统 P430
- 液压系统 P432
- 液压系统 P434
- 液压系统 P436
- 液压系统 P438
- 液压系统 P438.01
- 液压系统 P439
- 液压系统 P439.01
- 液压系统 P440
- 液压系统 P442
- 液压系统 P444
- 液压系统 P446
- 液压系统 P448
- 液压系统 P450
- 液压系统 P451.01
- 液压系统 P451.03
- 液压系统 P452
- 液压系统 P453.01
- 液压系统 P453.03
- 液压系统 P454
- 液压系统 P456
- 液压系统 P458
- 液压系统 P460
- 液压系统 P466
- 液压系统 P468
- 液压系统 P470
- 液压系统 P472
- 液压系统 P473.01
- 液压系统 P473.03
- 液压系统 P474
- 液压系统 P475
- 液压系统 P476
- 液压系统 P478
- 液压系统 P480
- 液压系统 P482
- 液压系统 P484
- 液压系统 P486
- 液压系统 P488
- 液压系统 P490
- 液压系统 P492
- 液压系统 P494
- 液压系统 P496
- 液压系统 P498
- 液压系统 P500
- 液压系统 P502
- 液压系统 P504
- 液压系统 P506
- 液压系统 P508
- 液压系统 P510
- 液压系统 P512
- 液压系统 P514
- 液压系统 P515.01
- 液压系统 P516
- 液压系统 P517
- 液压系统 P518
- 液压系统 P520
- 液压系统 P521
- 液压系统 P522
- 液压系统 P524
- 液压系统 P525
- 液压系统 P525.01
- 液压系统 P526
- 液压系统 P527.01
- 液压系统 P528
- 液压系统 P529
- 液压系统 P530
- 液压系统 P531
- 液压系统 P532
- 液压系统 P533
- 液压系统 P534
- 液压系统 P535
- 液压系统 P536
- 液压系统 P537
- 液压系统 P538
- 液压系统 P540
- 液压系统 P543
- 液压系统 P544
- 液压系统 P546
- 液压系统 P547
- 液压系统 P548
- 液压系统 P549
- 液压系统 P550
- 液压系统 P552
- 液压系统 P553
- 液压系统 P554
- 液压系统 P556
- 液压系统 P560
- 液压系统 P561
- 液压系统 P564
- 液压系统 P566
- 液压系统 P570
- 液压系统 P571
- 液压系统 P572
- 液压系统 P573
- 液压系统 P574
- 液压系统 P576
- 液压系统 P578
- 液压系统 P579
- 液压系统 P580
- 液压系统 P582
- 液压系统 P584
- 液压系统 P586
- 液压系统 P588
- 液压系统 P589
- 液压系统 P590
- 液压系统 P591
- 液压系统 P594
- 液压系统 P596
- 液压系统 P598
- 液压系统 P600
- 液压系统 P601.01
- 液压系统 P602
- 液压系统 P603
- 液压系统 P604
- 液压系统 P605
- 液压系统 P606
- 液压系统 P607
- 液压系统 P608
- 液压系统 P609
- 液压系统 P610
- 液压系统 P611
- 液压系统 P612
- 液压系统 P613
- 驾驶室
- 驾驶室 P616
- 驾驶室 P618
- 驾驶室 P620
- 驾驶室 P622
- 驾驶室 P624
- 驾驶室 P625
- 驾驶室 P626
- 驾驶室 P628
- 驾驶室 P630
- 驾驶室 P632
- 驾驶室 P634
- 驾驶室 P635
- 驾驶室 P636
- 驾驶室 P637
- 驾驶室 P638
- 驾驶室 P639
- 驾驶室 P640
- 驾驶室 P641
- 驾驶室 P644
- 驾驶室 P646
- 驾驶室 P648
- 驾驶室 P649
- 驾驶室 P650
- 驾驶室 P652
- 驾驶室 P653
- 驾驶室 P654
- 驾驶室 P655
- 驾驶室 P657
- 驾驶室 P658
- 驾驶室 P660
- 驾驶室 P662
- 驾驶室 P663
- 驾驶室 P663.01
- 驾驶室 P664
- 驾驶室 P664.01
- 驾驶室 P665
- 驾驶室 P666
- 驾驶室 P667
- 驾驶室 P668
- 驾驶室 P669
- 驾驶室 P670
- 驾驶室 P671
- 驾驶室 P672
- 驾驶室 P674
- 驾驶室 P675
- 驾驶室 P676
- 驾驶室 P678
- 驾驶室 P679
- 驾驶室 P680
- 驾驶室 P681
- 驾驶室 P682
- 驾驶室 P683
- 驾驶室 P684
- 驾驶室 P685
- 驾驶室 P686
- 驾驶室 P687
- 驾驶室 P688
- 驾驶室 P689
- 驾驶室 P690
- 驾驶室 P691
- 驾驶室 P692
- 驾驶室 P693
- 驾驶室 P694
- 驾驶室 P695
- 驾驶室 P696
- 驾驶室 P697
- 驾驶室 P699
- 驾驶室 P702
- 驾驶室 P704
- 驾驶室 P706
- 驾驶室 P708
- 驾驶室 P710
- 驾驶室 P712
- 驾驶室 P714
- 驾驶室 P716
- 驾驶室 P717
- 驾驶室 P718
- 维修用品
- 维修用品 P728
- 维修用品 P730
- 维修用品 P732
- 维修用品 P734
- 维修用品 P735
- 维修用品 P736
- 维修用品 P737
- 维修用品 P738
- 维修用品 P739
- 维修用品 P740
- 维修用品 P741
- 维修用品 P742
- 维修用品 P743
- 维修用品 P744
- 维修用品 P746
- 维修用品 P748
- 维修用品 P761
- 维修用品 P762
- 维修用品 P763
- 维修用品 P764
- 维修用品 P765
- 维修用品 P766
- 维修用品 P767
- 维修用品 P768
- 维修用品 P769
- 维修用品 P770
- 维修用品 P771
- 维修用品 P772
- 维修用品 P773
- 维修用品 P774
- 维修用品 P775
- 维修用品 P776
- 维修用品 P777
-
E345D
- 发动机
- 发动机 P18
- 发动机 P20
- 发动机 P21
- 发动机 P22
- 发动机 P23
- 发动机 P24
- 发动机 P25
- 发动机 P26
- 发动机 P27
- 发动机 P28
- 发动机 P29
- 发动机 P30
- 发动机 P32
- 发动机 P33
- 发动机 P34
- 发动机 P35
- 发动机 P36
- 发动机 P37
- 发动机 P38
- 发动机 P40
- 发动机 P41
- 发动机 P42
- 发动机 P43
- 发动机 P44
- 发动机 P45
- 发动机 P46
- 发动机 P48
- 发动机 P50
- 发动机 P51
- 发动机 P52
- 发动机 P53
- 发动机 P54
- 发动机 P55
- 发动机 P56
- 发动机 P57
- 发动机 P58
- 发动机 P59
- 发动机 P60
- 发动机 P61
- 发动机 P62
- 发动机 P63
- 发动机 P64
- 发动机 P65
- 润滑系统
- 冷却系统
- 进排气系统
- 燃油系统
- 电气和启动系统
- 电气和启动系统 P136
- 电气和启动系统 P138
- 电气和启动系统 P140
- 电气和启动系统 P142
- 电气和启动系统 P144
- 电气和启动系统 P146
- 电气和启动系统 P148
- 电气和启动系统 P150
- 电气和启动系统 P152
- 电气和启动系统 P153
- 电气和启动系统 P154
- 电气和启动系统 P155
- 电气和启动系统 P156
- 电气和启动系统 P158
- 电气和启动系统 P160
- 电气和启动系统 P162
- 电气和启动系统 P164
- 电气和启动系统 P166
- 电气和启动系统 P168
- 电气和启动系统 P170
- 电气和启动系统 P172
- 电气和启动系统 P173
- 电气和启动系统 P174
- 电气和启动系统 P176
- 电气和启动系统 P178
- 电气和启动系统 P179
- 电气和启动系统 P180
- 电气和启动系统 P182
- 电气和启动系统 P184
- 电气和启动系统 P185
- 电气和启动系统 P187
- 电气和启动系统 P188
- 电气和启动系统 P189
- 电气和启动系统 P190
- 电气和启动系统 P192
- 电气和启动系统 P193
- 电气和启动系统 P194
- 电气和启动系统 P196
- 电气和启动系统 P198
- 电气和启动系统 P199
- 电气和启动系统 P200
- 电气和启动系统 P202
- 电气和启动系统 P204
- 电气和启动系统 P205
- 电气和启动系统 P206
- 电气和启动系统 P207
- 电气和启动系统 P208
- 电气和启动系统 P210
- 电气和启动系统 P212
- 电气和启动系统 P214
- 电气和启动系统 P216
- 电气和启动系统 P218
- 电气和启动系统 P219
- 电气和启动系统 P220
- 电气和启动系统 P222
- 电气和启动系统 P224
- 电气和启动系统 P226
- 电气和启动系统 P228
- 电气和启动系统 P230
- 电气和启动系统 P232
- 电气和启动系统 P233
- 电气和启动系统 P234
- 电气和启动系统 P235
- 电气和启动系统 P236
- 电气和启动系统 P237
- 电气和启动系统 P240
- 电气和启动系统 P241
- 电气和启动系统 P242
- 电气和启动系统 P243
- 电气和启动系统 P244
- 电气和启动系统 P246
- 电气和启动系统 P248
- 电气和启动系统 P250
- 电气和启动系统 P252
- 电气和启动系统 P254
- 电气和启动系统 P256
- 电气和启动系统 P257
- 电气和启动系统 P258
- 电气和启动系统 P259
- 电气和启动系统 P260
- 电气和启动系统 P261
- 电气和启动系统 P262
- 电气和启动系统 P263
- 电气和启动系统 P264
- 电气和启动系统 P266
- 电气和启动系统 P267
- 电气和启动系统 P268
- 电气和启动系统 P270
- 电气和启动系统 P272
- 电气和启动系统 P273
- 电气和启动系统 P274
- 电气和启动系统 P276
- 电气和启动系统 P278
- 电气和启动系统 P280
- 电气和启动系统 P282
- 电气和启动系统 P284
- 电气和启动系统 P286
- 电气和启动系统 P288
- 电气和启动系统 P289
- 电气和启动系统 P290
- 电气和启动系统 P291
- 电气和启动系统 P292
- 电气和启动系统 P293
- 电气和启动系统 P294
- 电气和启动系统 P295
- 电气和启动系统 P296
- 电气和启动系统 P297
- 电气和启动系统 P298
- 电气和启动系统 P299
- 电气和启动系统 P300
- 电气和启动系统 P301
- 电气和启动系统 P302
- 传动系统
- 车架及车身
- 车架及车身 P308
- 车架及车身 P310
- 车架及车身 P312
- 车架及车身 P314
- 车架及车身 P315
- 车架及车身 P316
- 车架及车身 P318
- 车架及车身 P320
- 车架及车身 P322
- 车架及车身 P323
- 车架及车身 P324
- 车架及车身 P325
- 车架及车身 P326
- 车架及车身 P327
- 车架及车身 P328
- 车架及车身 P329
- 车架及车身 P330
- 车架及车身 P332
- 车架及车身 P333.01
- 车架及车身 P333.03
- 车架及车身 P334
- 车架及车身 P335
- 车架及车身 P336
- 车架及车身 P338
- 车架及车身 P340
- 车架及车身 P341
- 车架及车身 P342
- 车架及车身 P343
- 车架及车身 P344
- 车架及车身 P346
- 车架及车身 P348
- 车架及车身 P350
- 车架及车身 P351
- 车架及车身 P352
- 车架及车身 P353
- 车架及车身 P354
- 车架及车身 P355
- 车架及车身 P356
- 车架及车身 P357
- 车架及车身 P358
- 车架及车身 P359
- 车架及车身 P360
- 车架及车身 P362
- 车架及车身 P363
- 车架及车身 P364
- 车架及车身 P365
- 车架及车身 P367
- 车架及车身 P368
- 车架及车身 P369
- 车架及车身 P370
- 车架及车身 P371
- 车架及车身 P372
- 车架及车身 P373
- 车架及车身 P374
- 车架及车身 P376
- 车架及车身 P380
- 车架及车身 P381
- 车架及车身 P382
- 车架及车身 P384
- 车架及车身 P386
- 车架及车身 P387
- 车架及车身 P388
- 车架及车身 P389
- 车架及车身 P390
- 车架及车身 P391
- 车架及车身 P392
- 车架及车身 P393
- 车架及车身 P394
- 车架及车身 P395
- 车架及车身 P396
- 车架及车身 P397
- 车架及车身 P398
- 车架及车身 P399
- 车架及车身 P400
- 车架及车身 P401
- 车架及车身 P402
- 车架及车身 P403
- 车架及车身 P404
- 车架及车身 P405
- 车架及车身 P406
- 车架及车身 P407
- 车架及车身 P408
- 车架及车身 P409
- 车架及车身 P410
- 车架及车身 P411
- 车架及车身 P412
- 车架及车身 P424
- 车架及车身 P425
- 车架及车身 P426
- 车架及车身 P428
- 车架及车身 P429
- 车架及车身 P430
- 液压系统
- 液压系统 P433
- 液压系统 P434
- 液压系统 P436
- 液压系统 P437
- 液压系统 P438
- 液压系统 P440
- 液压系统 P441
- 液压系统 P442
- 液压系统 P443
- 液压系统 P444
- 液压系统 P445
- 液压系统 P446
- 液压系统 P447
- 液压系统 P448
- 液压系统 P450
- 液压系统 P452
- 液压系统 P454
- 液压系统 P456
- 液压系统 P458
- 液压系统 P459
- 液压系统 P460
- 液压系统 P461
- 液压系统 P462
- 液压系统 P463
- 液压系统 P465
- 液压系统 P469
- 液压系统 P470
- 液压系统 P472
- 液压系统 P473
- 液压系统 P474
- 液压系统 P476
- 液压系统 P478
- 液压系统 P480
- 液压系统 P482
- 液压系统 P483
- 液压系统 P484
- 液压系统 P486
- 液压系统 P487
- 液压系统 P488
- 液压系统 P489
- 液压系统 P490
- 液压系统 P492
- 液压系统 P494
- 液压系统 P496
- 液压系统 P498
- 液压系统 P500
- 液压系统 P502
- 液压系统 P503
- 液压系统 P504
- 液压系统 P505
- 液压系统 P506
- 液压系统 P508
- 液压系统 P510
- 液压系统 P512
- 液压系统 P513
- 液压系统 P514
- 液压系统 P515
- 液压系统 P516
- 液压系统 P518
- 液压系统 P520
- 液压系统 P521
- 液压系统 P522
- 液压系统 P523
- 液压系统 P524
- 液压系统 P525
- 液压系统 P526
- 液压系统 P528
- 液压系统 P530
- 液压系统 P532
- 液压系统 P534
- 液压系统 P536
- 液压系统 P538
- 液压系统 P540
- 液压系统 P542
- 液压系统 P550
- 液压系统 P552
- 液压系统 P554
- 液压系统 P556
- 液压系统 P558
- 液压系统 P560
- 液压系统 P562
- 液压系统 P564
- 液压系统 P566
- 液压系统 P568
- 液压系统 P570
- 液压系统 P572
- 液压系统 P574
- 液压系统 P575
- 液压系统 P576
- 液压系统 P578
- 液压系统 P580
- 液压系统 P582
- 液压系统 P584
- 液压系统 P586
- 液压系统 P588
- 液压系统 P590
- 液压系统 P591
- 液压系统 P592
- 液压系统 P594
- 液压系统 P596
- 液压系统 P598
- 液压系统 P600
- 液压系统 P602
- 液压系统 P603
- 液压系统 P604
- 液压系统 P606
- 液压系统 P608
- 液压系统 P609
- 液压系统 P610
- 液压系统 P612
- 液压系统 P614
- 液压系统 P616
- 液压系统 P618
- 液压系统 P619
- 液压系统 P620
- 液压系统 P621
- 液压系统 P622
- 液压系统 P623
- 液压系统 P624
- 液压系统 P626
- 液压系统 P627
- 液压系统 P628
- 液压系统 P630
- 液压系统 P632
- 液压系统 P634
- 液压系统 P636
- 液压系统 P637
- 液压系统 P638
- 液压系统 P640
- 液压系统 P642
- 液压系统 P644
- 液压系统 P646
- 液压系统 P647
- 液压系统 P648
- 液压系统 P649
- 液压系统 P650
- 液压系统 P652
- 液压系统 P654
- 液压系统 P656
- 液压系统 P658
- 液压系统 P659
- 液压系统 P660
- 液压系统 P661
- 液压系统 P662
- 液压系统 P663
- 液压系统 P664
- 液压系统 P665
- 液压系统 P666
- 液压系统 P668
- 液压系统 P670
- 液压系统 P672
- 液压系统 P673
- 液压系统 P674
- 液压系统 P675
- 液压系统 P676
- 液压系统 P677
- 液压系统 P680
- 液压系统 P682
- 液压系统 P684
- 液压系统 P685
- 液压系统 P686
- 液压系统 P687
- 液压系统 P688
- 液压系统 P689
- 液压系统 P690
- 液压系统 P691
- 液压系统 P692
- 液压系统 P694
- 液压系统 P696
- 液压系统 P698
- 液压系统 P700
- 液压系统 P702
- 液压系统 P703
- 液压系统 P704
- 液压系统 P706
- 液压系统 P708
- 液压系统 P709
- 液压系统 P710
- 液压系统 P712
- 液压系统 P714
- 液压系统 P715
- 液压系统 P716
- 液压系统 P717
- 液压系统 P718
- 液压系统 P719
- 液压系统 P720
- 液压系统 P721
- 液压系统 P722
- 驾驶室
- 驾驶室 P724
- 驾驶室 P726
- 驾驶室 P728
- 驾驶室 P730
- 驾驶室 P732
- 驾驶室 P734
- 驾驶室 P736
- 驾驶室 P738
- 驾驶室 P739
- 驾驶室 P740
- 驾驶室 P742
- 驾驶室 P744
- 驾驶室 P745
- 驾驶室 P746
- 驾驶室 P748
- 驾驶室 P749
- 驾驶室 P750
- 驾驶室 P751
- 驾驶室 P752
- 驾驶室 P753
- 驾驶室 P754
- 驾驶室 P755
- 驾驶室 P756
- 驾驶室 P757
- 驾驶室 P759
- 驾驶室 P760
- 驾驶室 P762
- 驾驶室 P764
- 驾驶室 P766
- 驾驶室 P767
- 驾驶室 P768
- 驾驶室 P769
- 驾驶室 P770
- 驾驶室 P771
- 驾驶室 P772
- 驾驶室 P775
- 驾驶室 P776
- 驾驶室 P778
- 驾驶室 P780
- 驾驶室 P782
- 驾驶室 P784
- 驾驶室 P785
- 驾驶室 P786
- 驾驶室 P787
- 驾驶室 P789
- 驾驶室 P790
- 驾驶室 P792
- 驾驶室 P794
- 驾驶室 P796
- 驾驶室 P797
- 驾驶室 P798
- 驾驶室 P799
- 驾驶室 P799..01
- 驾驶室 P800
- 驾驶室 P800.01
- 驾驶室 P801
- 驾驶室 P801.01
- 驾驶室 P802
- 驾驶室 P803
- 驾驶室 P804
- 驾驶室 P804.01
- 驾驶室 P805
- 驾驶室 P806
- 驾驶室 P807
- 驾驶室 P808
- 驾驶室 P809
- 驾驶室 P812
- 驾驶室 P814
- 驾驶室 P816
- 驾驶室 P818
- 驾驶室 P820
- 驾驶室 P821
- 驾驶室 P822
- 驾驶室 P823
- 维修用品
- 维修用品 P834
- 维修用品 P836
- 维修用品 P838
- 维修用品 P840
- 维修用品 P842
- 维修用品 P844
- 维修用品 P846
- 维修用品 P847
- 维修用品 P848
- 维修用品 P849
- 维修用品 P850
- 维修用品 P851
- 维修用品 P852
- 维修用品 P853
- 维修用品 P854
- 维修用品 P856
- 维修用品 P858
- 维修用品 P860
- 维修用品 P861
- 维修用品 P862
- 维修用品 P863
- 维修用品 P864
- 维修用品 P866
- 维修用品 P878
- 维修用品 P879
- 维修用品 P880
- 维修用品 P881
- 维修用品 P882
- 维修用品 P883
- 维修用品 P884
- 维修用品 P885
- 维修用品 P887
- 维修用品 P888
- 维修用品 P889
- 维修用品 P890
- 维修用品 P891
- 维修用品 P892
- 维修用品 P893
- 维修用品 P894
- 发动机
-
E325C
- 发动机
- 发动机 P18
- 发动机 P19
- 发动机 P20
- 发动机 P21
- 发动机 P22
- 发动机 P22.01
- 发动机 P23
- 发动机 P24
- 发动机 P26
- 发动机 P27
- 发动机 P28
- 发动机 P29
- 发动机 P30
- 发动机 P31
- 发动机 P32
- 发动机 P33
- 发动机 P34
- 发动机 P36
- 发动机 P38
- 发动机 P40
- 发动机 P42
- 发动机 P43
- 发动机 P44
- 发动机 P45
- 发动机 P46
- 发动机 P47
- 发动机 P48
- 发动机 P49
- 发动机 P50
- 发动机 P51
- 发动机 P52
- 发动机 P52.02
- 发动机 P53
- 发动机 P54
- 发动机 P55
- 发动机 P56
- 发动机 P57
- 发动机 P58
- 发动机 P59
- 润滑系统
- 冷却系统
- 进排气系统
- 燃油系统
- 电气和启动系统
- 电气和启动系统 P124
- 电气和启动系统 P126
- 电气和启动系统 P128
- 电气和启动系统 P130
- 电气和启动系统 P131.01
- 电气和启动系统 P131.03
- 电气和启动系统 P131.05
- 电气和启动系统 P131.07
- 电气和启动系统 P131.09
- 电气和启动系统 P131.11
- 电气和启动系统 P131.13
- 电气和启动系统 P131.15
- 电气和启动系统 P131.17
- 电气和启动系统 P131.19
- 电气和启动系统 P131.21
- 电气和启动系统 P131.23
- 电气和启动系统 P132
- 电气和启动系统 P133.01
- 电气和启动系统 P134
- 电气和启动系统 P135
- 电气和启动系统 P136
- 电气和启动系统 P136.01
- 电气和启动系统 P136.02
- 电气和启动系统 P136.03
- 电气和启动系统 P136.04
- 电气和启动系统 P136.05
- 电气和启动系统 P136.06
- 电气和启动系统 P136.07
- 电气和启动系统 P136.08
- 电气和启动系统 P136.09
- 电气和启动系统 P137
- 电气和启动系统 P138
- 电气和启动系统 P139.01
- 电气和启动系统 P140
- 电气和启动系统 P140.01
- 电气和启动系统 P141
- 电气和启动系统 P142
- 电气和启动系统 P143
- 电气和启动系统 P144
- 电气和启动系统 P146
- 电气和启动系统 P147A
- 电气和启动系统 P147C
- 电气和启动系统 P147E
- 电气和启动系统 P147G
- 电气和启动系统 P147.01
- 电气和启动系统 P147.03
- 电气和启动系统 P148
- 电气和启动系统 P150
- 电气和启动系统 P151A
- 电气和启动系统 P151C
- 电气和启动系统 P151E
- 电气和启动系统 P151G
- 电气和启动系统 P151.01
- 电气和启动系统 P151.03
- 电气和启动系统 P152
- 电气和启动系统 P153
- 电气和启动系统 P155
- 电气和启动系统 P156
- 电气和启动系统 P157
- 电气和启动系统 P159
- 电气和启动系统 P160
- 电气和启动系统 P165
- 电气和启动系统 P166
- 电气和启动系统 P171
- 电气和启动系统 P173
- 电气和启动系统 P174
- 电气和启动系统 P178
- 电气和启动系统 P179
- 电气和启动系统 P180
- 电气和启动系统 P181.01
- 电气和启动系统 P182
- 电气和启动系统 P184
- 电气和启动系统 P185
- 电气和启动系统 P186
- 电气和启动系统 P187
- 电气和启动系统 P189
- 电气和启动系统 P190
- 电气和启动系统 P191
- 电气和启动系统 P192
- 电气和启动系统 P193
- 电气和启动系统 P194
- 电气和启动系统 P196
- 电气和启动系统 P197
- 电气和启动系统 P197.01
- 电气和启动系统 P197.02
- 电气和启动系统 P197.03
- 电气和启动系统 P199
- 电气和启动系统 P200
- 电气和启动系统 P201
- 电气和启动系统 P202
- 电气和启动系统 P204
- 电气和启动系统 P206
- 电气和启动系统 P208
- 电气和启动系统 P211
- 电气和启动系统 P212
- 电气和启动系统 P214
- 电气和启动系统 P215
- 电气和启动系统 P216
- 电气和启动系统 P217
- 电气和启动系统 P218
- 电气和启动系统 P220
- 电气和启动系统 P221
- 电气和启动系统 P222
- 电气和启动系统 P223
- 电气和启动系统 P224
- 电气和启动系统 P225
- 电气和启动系统 P226
- 电气和启动系统 P228
- 电气和启动系统 P229
- 电气和启动系统 P230
- 电气和启动系统 P231.01
- 电气和启动系统 P232
- 电气和启动系统 P234
- 电气和启动系统 P236
- 电气和启动系统 P237
- 电气和启动系统 P238
- 电气和启动系统 P239
- 电气和启动系统 P239.01
- 电气和启动系统 P240
- 传动系统
- 车架和车身
- 车架和车身 P246
- 车架和车身 P248
- 车架和车身 P250
- 车架和车身 P252
- 车架和车身 P254
- 车架和车身 P255
- 车架和车身 P256
- 车架和车身 P257
- 车架和车身 P258
- 车架和车身 P262
- 车架和车身 P264
- 车架和车身 P264.01
- 车架和车身 P264.02
- 车架和车身 P264.03
- 车架和车身 P265
- 车架和车身 P265.01
- 车架和车身 P266
- 车架和车身 P267
- 车架和车身 P269
- 车架和车身 P270
- 车架和车身 P272
- 车架和车身 P273
- 车架和车身 P274
- 车架和车身 P275
- 车架和车身 P276
- 车架和车身 P277
- 车架和车身 P278
- 车架和车身 P279
- 车架和车身 P280
- 车架和车身 P281.01
- 车架和车身 P282
- 车架和车身 P283.01
- 车架和车身 P286
- 车架和车身 P286.01
- 车架和车身 P287
- 车架和车身 P288
- 车架和车身 P289.01
- 车架和车身 P290
- 车架和车身 P291.01
- 车架和车身 P292
- 车架和车身 P292.01
- 车架和车身 P293
- 车架和车身 P294
- 车架和车身 P295
- 车架和车身 P296
- 车架和车身 P297
- 车架和车身 P298
- 车架和车身 P298.01
- 车架和车身 P299
- 车架和车身 P299.01
- 车架和车身 P300
- 车架和车身 P301
- 车架和车身 P301.01
- 车架和车身 P302
- 车架和车身 P303
- 车架和车身 P304
- 车架和车身 P305
- 车架和车身 P306
- 车架和车身 P307
- 车架和车身 P308
- 车架和车身 P308.01
- 车架和车身 P309
- 车架和车身 P309.01
- 车架和车身 P310
- 车架和车身 P311
- 车架和车身 P311.01
- 车架和车身 P312
- 车架和车身 P313
- 车架和车身 P317
- 车架和车身 P318
- 液压系统
- 液压系统 P320
- 液压系统 P321
- 液压系统 P322
- 液压系统 P324
- 液压系统 P325.01
- 液压系统 P325.03
- 液压系统 P325.05
- 液压系统 P325.07
- 液压系统 P326
- 液压系统 P328
- 液压系统 P329.01
- 液压系统 P329.03
- 液压系统 P329.05
- 液压系统 P329.07
- 液压系统 P329.09
- 液压系统 P329.11
- 液压系统 P330
- 液压系统 P330.01
- 液压系统 P331
- 液压系统 P331.01
- 液压系统 P332
- 液压系统 P332.01
- 液压系统 P333
- 液压系统 P334
- 液压系统 P336
- 液压系统 P338
- 液压系统 P340
- 液压系统 P342
- 液压系统 P345
- 液压系统 P346
- 液压系统 P346.01
- 液压系统 P347.01
- 液压系统 P347.02
- 液压系统 P348
- 液压系统 P349
- 液压系统 P350
- 液压系统 P351
- 液压系统 P352
- 液压系统 P358
- 液压系统 P360
- 液压系统 P361.01
- 液压系统 P362
- 液压系统 P364
- 液压系统 P366
- 液压系统 P368
- 液压系统 P368.01
- 液压系统 P369
- 液压系统 P369.01
- 液压系统 P370
- 液压系统 P370.01
- 液压系统 P371
- 液压系统 P372
- 液压系统 P373
- 液压系统 P374
- 液压系统 P376
- 液压系统 P378
- 液压系统 P379
- 液压系统 P380
- 液压系统 P381
- 液压系统 P382
- 液压系统 P383
- 液压系统 P384
- 液压系统 P386
- 液压系统 P394
- 液压系统 P396
- 液压系统 P398
- 液压系统 P400
- 液压系统 P402
- 液压系统 P404
- 液压系统 P406
- 液压系统 P408
- 液压系统 P410
- 液压系统 P412
- 液压系统 P414
- 液压系统 P416
- 液压系统 P418
- 液压系统 P420
- 液压系统 P422
- 液压系统 P423
- 液压系统 P424
- 液压系统 P425
- 液压系统 P426
- 液压系统 P428
- 液压系统 P429.01
- 液压系统 P430
- 液压系统 P431.01
- 液压系统 P432
- 液压系统 P433.01
- 液压系统 P433.03
- 液压系统 P434
- 液压系统 P440
- 液压系统 P442
- 液压系统 P444
- 液压系统 P446
- 液压系统 P448
- 液压系统 P450
- 液压系统 P452
- 液压系统 P454
- 液压系统 P456
- 液压系统 P458
- 液压系统 P460
- 液压系统 P462
- 液压系统 P464
- 液压系统 P466
- 液压系统 P468
- 液压系统 P469.01
- 液压系统 P469.03
- 液压系统 P470
- 液压系统 P472
- 液压系统 P473.01
- 液压系统 P473.03
- 液压系统 P474
- 液压系统 P476
- 液压系统 P478
- 液压系统 P480
- 液压系统 P481.01
- 液压系统 P481.03
- 液压系统 P482
- 液压系统 P484
- 液压系统 P486
- 液压系统 P488
- 液压系统 P489
- 液压系统 P490
- 液压系统 P492
- 液压系统 P493
- 液压系统 P494
- 液压系统 P496
- 液压系统 P497
- 液压系统 P497.01
- 液压系统 P497.02
- 液压系统 P498
- 液压系统 P500
- 液压系统 P501.01
- 液压系统 P502
- 液压系统 P504
- 液压系统 P506
- 液压系统 P507
- 液压系统 P508
- 液压系统 P509
- 液压系统 P510
- 液压系统 P511
- 液压系统 P512
- 液压系统 P513
- 液压系统 P514
- 液压系统 P516
- 液压系统 P518
- 液压系统 P520
- 液压系统 P521
- 液压系统 P521.01
- 液压系统 P522
- 液压系统 P522.01
- 液压系统 P523
- 液压系统 P523.01
- 液压系统 P524
- 液压系统 P525.01
- 液压系统 P525.03
- 液压系统 P526
- 液压系统 P528
- 液压系统 P529.01
- 液压系统 P529.03
- 液压系统 P530
- 液压系统 P532
- 液压系统 P533.01
- 液压系统 P533.03
- 液压系统 P533.05
- 液压系统 P533.07
- 液压系统 P533.09
- 液压系统 P533.11
- 液压系统 P534
- 液压系统 P536
- 液压系统 P537.01
- 液压系统 P537.03
- 液压系统 P539
- 液压系统 P540
- 液压系统 P542
- 液压系统 P543
- 液压系统 P544
- 液压系统 P544.01
- 液压系统 P545
- 液压系统 P546
- 液压系统 P547
- 液压系统 P548
- 液压系统 P549
- 液压系统 P550
- 液压系统 P551.01
- 液压系统 P552
- 液压系统 P553
- 液压系统 P555
- 液压系统 P556
- 液压系统 P558
- 液压系统 P559.01
- 液压系统 P561
- 液压系统 P562
- 液压系统 P564
- 液压系统 P564.01
- 液压系统 P565
- 液压系统 P566
- 液压系统 P567
- 液压系统 P568
- 液压系统 P569
- 液压系统 P570
- 液压系统 P571
- 液压系统 P572
- 液压系统 P573
- 液压系统 P574
- 液压系统 P575
- 液压系统 P576
- 液压系统 P577
- 液压系统 P578
- 液压系统 P579.01
- 液压系统 P579.03
- 液压系统 P580
- 液压系统 P582
- 液压系统 P584
- 液压系统 P585.01
- 液压系统 P586
- 液压系统 P587.01
- 液压系统 P588
- 液压系统 P590
- 液压系统 P591
- 液压系统 P592
- 液压系统 P593
- 液压系统 P594
- 液压系统 P595
- 驾驶室
- 驾驶室 P596
- 驾驶室 P597
- 驾驶室 P600
- 驾驶室 P602
- 驾驶室 P604
- 驾驶室 P606
- 驾驶室 P608
- 驾驶室 P610
- 驾驶室 P612
- 驾驶室 P614
- 驾驶室 P615
- 驾驶室 P616
- 驾驶室 P618
- 驾驶室 P620
- 驾驶室 P621
- 驾驶室 P622
- 驾驶室 P624
- 驾驶室 P626
- 驾驶室 P627
- 驾驶室 P628
- 驾驶室 P629
- 驾驶室 P630
- 驾驶室 P630.01
- 驾驶室 P631
- 驾驶室 P632
- 驾驶室 P633
- 驾驶室 P634
- 驾驶室 P635
- 驾驶室 P636
- 驾驶室 P637
- 驾驶室 P638
- 驾驶室 P640
- 驾驶室 P642
- 驾驶室 P643
- 驾驶室 P644
- 驾驶室 P646
- 驾驶室 P647
- 驾驶室 P649
- 驾驶室 P650
- 驾驶室 P652
- 驾驶室 P654
- 驾驶室 P655
- 驾驶室 P656
- 驾驶室 P657
- 驾驶室 P658
- 驾驶室 P659
- 驾驶室 P659.01
- 驾驶室 P660
- 驾驶室 P661
- 驾驶室 P662
- 驾驶室 P663
- 驾驶室 P664
- 驾驶室 P665
- 驾驶室 P666
- 驾驶室 P666.01
- 驾驶室 P667
- 驾驶室 P668
- 驾驶室 P669
- 驾驶室 P670
- 驾驶室 P671
- 驾驶室 P672
- 驾驶室 P676
- 驾驶室 P678
- 驾驶室 P680
- 驾驶室 P682
- 驾驶室 P684
- 驾驶室 P686
- 驾驶室 P688
- 驾驶室 P692
- 驾驶室 P694
- 驾驶室 P696
- 驾驶室 P698
- 驾驶室 P700
- 驾驶室 P701
- 驾驶室 P701.01
- 维修用品
- 维修用品 P710
- 维修用品 P712
- 维修用品 P714
- 维修用品 P716
- 维修用品 P717
- 维修用品 P718
- 维修用品 P719
- 维修用品 P720
- 维修用品 P721
- 维修用品 P722
- 维修用品 P723
- 维修用品 P724
- 维修用品 P725
- 维修用品 P726
- 维修用品 P727
- 维修用品 P728
- 维修用品 P729
- 维修用品 P730
- 维修用品 P731
- 维修用品 P732
- 维修用品 P733
- 维修用品 P734
- 维修用品 P735
- 维修用品 P744
- 维修用品 P745
- 维修用品 P746
- 维修用品 P747
- 维修用品 P748
- 维修用品 P749
- 维修用品 P750
- 维修用品 P751
- 维修用品 P752
- 维修用品 P753
- 维修用品 P754
- 维修用品 P755
- 维修用品 P757
- 维修用品 P758
- 维修用品 P759
- 维修用品 P760
- 发动机
-
E336D
- 发动机
- 润滑系统
- 冷却系统
- 进排气系统
- 燃油系统
- 电气和启动系统
- 电气和启动系统 P122
- 电气和启动系统 P124
- 电气和启动系统 P126
- 电气和启动系统 P128
- 电气和启动系统 P130
- 电气和启动系统 P132
- 电气和启动系统 P134
- 电气和启动系统 P136
- 电气和启动系统 P138
- 电气和启动系统 P140
- 电气和启动系统 P141
- 电气和启动系统 P142
- 电气和启动系统 P143
- 电气和启动系统 P144
- 电气和启动系统 P145
- 电气和启动系统 P146
- 电气和启动系统 P148
- 电气和启动系统 P150
- 电气和启动系统 P152
- 电气和启动系统 P154
- 电气和启动系统 P156
- 电气和启动系统 P158
- 电气和启动系统 P160
- 电气和启动系统 P162
- 电气和启动系统 P164
- 电气和启动系统 P166
- 电气和启动系统 P168
- 电气和启动系统 P169
- 电气和启动系统 P170
- 电气和启动系统 P172
- 电气和启动系统 P173
- 电气和启动系统 P174
- 电气和启动系统 P176
- 电气和启动系统 P178
- 电气和启动系统 P179
- 电气和启动系统 P180
- 电气和启动系统 P182
- 电气和启动系统 P184
- 电气和启动系统 P186
- 电气和启动系统 P188
- 电气和启动系统 P189
- 电气和启动系统 P190
- 电气和启动系统 P192
- 电气和启动系统 P194
- 电气和启动系统 P195
- 电气和启动系统 P196
- 电气和启动系统 P198
- 电气和启动系统 P199
- 电气和启动系统 P200
- 电气和启动系统 P202
- 电气和启动系统 P204
- 电气和启动系统 P206
- 电气和启动系统 P208
- 电气和启动系统 P210
- 电气和启动系统 P212
- 电气和启动系统 P214
- 电气和启动系统 P216
- 电气和启动系统 P218
- 电气和启动系统 P220
- 电气和启动系统 P222
- 电气和启动系统 P224
- 电气和启动系统 P225
- 电气和启动系统 P228
- 电气和启动系统 P229
- 电气和启动系统 P231
- 电气和启动系统 P232
- 电气和启动系统 P233
- 电气和启动系统 P234
- 电气和启动系统 P235
- 电气和启动系统 P236
- 电气和启动系统 P237
- 电气和启动系统 P238
- 电气和启动系统 P240
- 电气和启动系统 P241
- 电气和启动系统 P242
- 电气和启动系统 P243
- 电气和启动系统 P244
- 电气和启动系统 P245
- 电气和启动系统 P246
- 电气和启动系统 P247
- 电气和启动系统 P248
- 电气和启动系统 P249
- 电气和启动系统 P250
- 电气和启动系统 P251
- 电气和启动系统 P252
- 电气和启动系统 P253
- 电气和启动系统 P254
- 电气和启动系统 P256
- 电气和启动系统 P258
- 电气和启动系统 P260
- 电气和启动系统 P262
- 电气和启动系统 P264
- 电气和启动系统 P265
- 电气和启动系统 P266
- 电气和启动系统 P267
- 电气和启动系统 P268
- 电气和启动系统 P269
- 电气和启动系统 P270
- 电气和启动系统 P271
- 电气和启动系统 P272
- 传动系统
- 车架和车身
- 车架和车身 P278
- 车架和车身 P280
- 车架和车身 P282
- 车架和车身 P284
- 车架和车身 P286
- 车架和车身 P288
- 车架和车身 P290
- 车架和车身 P291
- 车架和车身 P292
- 车架和车身 P293
- 车架和车身 P294
- 车架和车身 P295
- 车架和车身 P296
- 车架和车身 P297
- 车架和车身 P298
- 车架和车身 P299
- 车架和车身 P300
- 车架和车身 P301
- 车架和车身 P302
- 车架和车身 P303
- 车架和车身 P304
- 车架和车身 P305
- 车架和车身 P306
- 车架和车身 P307
- 车架和车身 P308
- 车架和车身 P309
- 车架和车身 P310
- 车架和车身 P311
- 车架和车身 P312
- 车架和车身 P313
- 车架和车身 P314
- 车架和车身 P316
- 车架和车身 P317
- 车架和车身 P318
- 车架和车身 P319
- 车架和车身 P320
- 车架和车身 P321
- 车架和车身 P322
- 车架和车身 P323
- 车架和车身 P324
- 车架和车身 P325
- 车架和车身 P326
- 车架和车身 P327
- 车架和车身 P328
- 车架和车身 P330
- 车架和车身 P333
- 车架和车身 P334
- 车架和车身 P336
- 车架和车身 P339
- 车架和车身 P340
- 车架和车身 P342
- 车架和车身 P344
- 车架和车身 P346
- 车架和车身 P347
- 车架和车身 P348
- 车架和车身 P349
- 车架和车身 P350
- 车架和车身 P351
- 车架和车身 P352
- 车架和车身 P353
- 车架和车身 P354
- 车架和车身 P355
- 车架和车身 P356
- 车架和车身 P357
- 车架和车身 P358
- 车架和车身 P359
- 车架和车身 P360
- 车架和车身 P361
- 车架和车身 P362
- 车架和车身 P363
- 车架和车身 P364
- 车架和车身 P365
- 车架和车身 P366
- 车架和车身 P367
- 车架和车身 P368
- 车架和车身 P369
- 车架和车身 P370
- 车架和车身 P371
- 车架和车身 P372
- 车架和车身 P373
- 车架和车身 P379
- 车架和车身 P380
- 液压系统
- 液压系统 P381
- 液压系统 P382
- 液压系统 P384
- 液压系统 P386
- 液压系统 P387
- 液压系统 P388
- 液压系统 P389
- 液压系统 P390
- 液压系统 P391
- 液压系统 P392
- 液压系统 P393
- 液压系统 P394
- 液压系统 P395
- 液压系统 P396
- 液压系统 P398
- 液压系统 P400
- 液压系统 P402
- 液压系统 P404
- 液压系统 P406
- 液压系统 P407
- 液压系统 P408
- 液压系统 P413
- 液压系统 P414
- 液压系统 P415
- 液压系统 P416
- 液压系统 P418
- 液压系统 P420
- 液压系统 P422
- 液压系统 P424
- 液压系统 P426
- 液压系统 P427
- 液压系统 P428
- 液压系统 P430
- 液压系统 P431
- 液压系统 P432
- 液压系统 P433
- 液压系统 P434
- 液压系统 P436
- 液压系统 P438
- 液压系统 P439
- 液压系统 P440
- 液压系统 P441
- 液压系统 P442
- 液压系统 P444
- 液压系统 P446
- 液压系统 P448
- 液压系统 P449
- 液压系统 P450
- 液压系统 P451
- 液压系统 P452
- 液压系统 P454
- 液压系统 P456
- 液压系统 P458
- 液压系统 P460
- 液压系统 P462
- 液压系统 P464
- 液压系统 P466
- 液压系统 P468
- 液压系统 P469
- 液压系统 P470
- 液压系统 P472
- 液压系统 P474
- 液压系统 P476
- 液压系统 P478
- 液压系统 P480
- 液压系统 P482
- 液压系统 P484
- 液压系统 P486
- 液压系统 P488
- 液压系统 P490
- 液压系统 P498
- 液压系统 P500
- 液压系统 P502
- 液压系统 P504
- 液压系统 P506
- 液压系统 P507
- 液压系统 P508
- 液压系统 P510
- 液压系统 P512
- 液压系统 P514
- 液压系统 P516
- 液压系统 P518
- 液压系统 P520
- 液压系统 P522
- 液压系统 P524
- 液压系统 P526
- 液压系统 P528
- 液压系统 P530
- 液压系统 P532
- 液压系统 P534
- 液压系统 P536
- 液压系统 P538
- 液压系统 P540
- 液压系统 P542
- 液压系统 P544
- 液压系统 P546
- 液压系统 P548
- 液压系统 P550
- 液压系统 P552
- 液压系统 P553
- 液压系统 P554
- 液压系统 P556
- 液压系统 P558
- 液压系统 P559
- 液压系统 P560
- 液压系统 P562
- 液压系统 P563
- 液压系统 P564
- 液压系统 P565
- 液压系统 P566
- 液压系统 P568
- 液压系统 P570
- 液压系统 P571
- 液压系统 P572
- 液压系统 P573
- 液压系统 P574
- 液压系统 P575
- 液压系统 P576
- 液压系统 P577
- 液压系统 P578
- 液压系统 P579
- 液压系统 P580
- 液压系统 P582
- 液压系统 P584
- 液压系统 P586
- 液压系统 P588
- 液压系统 P590
- 液压系统 P591
- 液压系统 P592
- 液压系统 P593
- 液压系统 P594
- 液压系统 P596
- 液压系统 P597
- 液压系统 P598
- 液压系统 P600
- 液压系统 P602
- 液压系统 P604
- 液压系统 P606
- 液压系统 P608
- 液压系统 P610
- 液压系统 P612
- 液压系统 P614
- 液压系统 P616
- 液压系统 P617
- 液压系统 P618
- 液压系统 P619
- 液压系统 P620
- 液压系统 P622
- 液压系统 P623
- 液压系统 P624
- 液压系统 P626
- 液压系统 P628
- 液压系统 P630
- 液压系统 P632
- 液压系统 P634
- 液压系统 P635
- 液压系统 P636
- 液压系统 P637
- 液压系统 P638
- 液压系统 P640
- 液压系统 P642
- 液压系统 P644
- 液压系统 P646
- 液压系统 P648
- 液压系统 P649
- 液压系统 P650
- 液压系统 P652
- 液压系统 P654
- 液压系统 P655
- 液压系统 P656
- 液压系统 P657
- 液压系统 P658
- 液压系统 P659
- 驾驶室
- 驾驶室 P660
- 驾驶室 P662
- 驾驶室 P664
- 驾驶室 P666
- 驾驶室 P668
- 驾驶室 P669
- 驾驶室 P670
- 驾驶室 P672
- 驾驶室 P674
- 驾驶室 P675
- 驾驶室 P676
- 驾驶室 P678
- 驾驶室 P679
- 驾驶室 P680
- 驾驶室 P681
- 驾驶室 P682
- 驾驶室 P683
- 驾驶室 P684
- 驾驶室 P685
- 驾驶室 P686
- 驾驶室 P690
- 驾驶室 P692
- 驾驶室 P693
- 驾驶室 P694
- 驾驶室 P696
- 驾驶室 P698
- 驾驶室 P699
- 驾驶室 P700
- 驾驶室 P702
- 驾驶室 P704
- 驾驶室 P706
- 驾驶室 P708
- 驾驶室 P709
- 驾驶室 P710
- 驾驶室 P712
- 驾驶室 P713
- 驾驶室 P714
- 驾驶室 P715
- 驾驶室 P717
- 驾驶室 P718
- 驾驶室 P719
- 驾驶室 P720
- 驾驶室 P724
- 驾驶室 P726
- 驾驶室 P728
- 驾驶室 P729
- 驾驶室 P730
- 驾驶室 P732
- 驾驶室 P733
- 驾驶室 P734
- 驾驶室 P735
- 驾驶室 P736
- 驾驶室 P737
- 驾驶室 P738
- 驾驶室 P739
- 驾驶室 P740
- 驾驶室 P741
- 驾驶室 P742
- 驾驶室 P743
- 驾驶室 P744
- 驾驶室 P745
- 驾驶室 P750
- 驾驶室 P752
- 驾驶室 P754
- 驾驶室 P756
- 驾驶室 P758
- 驾驶室 P760
- 驾驶室 P762
- 驾驶室 P764
- 驾驶室 P765
- 驾驶室 P766
- 维修用品
- 维修用品 P776
- 维修用品 P778
- 维修用品 P780
- 维修用品 P782
- 维修用品 P783
- 维修用品 P784
- 维修用品 P785
- 维修用品 P786
- 维修用品 P787
- 维修用品 P788
- 维修用品 P789
- 维修用品 P790
- 维修用品 P791
- 维修用品 P792
- 维修用品 P794
- 维修用品 P796
- 维修用品 P808
- 维修用品 P809
- 维修用品 P810
- 维修用品 P811
- 维修用品 P812
- 维修用品 P813
- 维修用品 P814
- 维修用品 P815
- 维修用品 P816
- 维修用品 P817
- 维修用品 P818
- 维修用品 P819
- 维修用品 P820
- 维修用品 P821
- 维修用品 P822
- 维修用品 P823
- 维修用品 P824
-
E307B
- 发动机
- 润滑系统
- 冷却系统
- 进排气系统
- 燃油系统
- 电气和启动系统
- 电气和启动系统P107
- 电气和启动系统P109
- 电气和启动系统P111
- 电气和启动系统P113
- 电气和启动系统P115
- 电气和启动系统P117
- 电气和启动系统P119
- 电气和启动系统P121
- 电气和启动系统P123
- 电气和启动系统P125
- 电气和启动系统P127
- 电气和启动系统P129
- 电气和启动系统P130
- 电气和启动系统P131
- 电气和启动系统P132
- 电气和启动系统P132
- 电气和启动系统P133
- 电气和启动系统P134
- 电气和启动系统P135
- 电气和启动系统P136
- 电气和启动系统P137
- 电气和启动系统P138
- 电气和启动系统P139
- 电气和启动系统P140
- 电气和启动系统P141
- 电气和启动系统P143
- 电气和启动系统P145
- 电气和启动系统P147
- 电气和启动系统P149
- 电气和启动系统P151
- 电气和启动系统P153
- 电气和启动系统P155
- 电气和启动系统P157
- 电气和启动系统P159
- 电气和启动系统P161
- 电气和启动系统P163
- 电气和启动系统P165
- 电气和启动系统P166
- 电气和启动系统P167
- 电气和启动系统P169
- 电气和启动系统P170
- 电气和启动系统P171
- 电气和启动系统P172
- 电气和启动系统P173
- 电气和启动系统P175
- 电气和启动系统P177
- 电气和启动系统P178
- 电气和启动系统P179
- 电气和启动系统P180
- 电气和启动系统P181
- 电气和启动系统P182
- 电气和启动系统P183
- 电气和启动系统P184
- 电气和启动系统P187
- 电气和启动系统P188
- 电气和启动系统P189
- 电气和启动系统P191
- 电气和启动系统P193
- 电气和启动系统P194
- 电气和启动系统P195
- 电气和启动系统P196
- 电气和启动系统P197
- 电气和启动系统P198
- 电气和启动系统P199
- 电气和启动系统P200
- 电气和启动系统P201
- 电气和启动系统P202
- 电气和启动系统P203
- 电气和启动系统P204
- 电气和启动系统P205
- 电气和启动系统P206
- 电气和启动系统P207
- 电气和启动系统P208
- 电气和启动系统P209
- 电气和启动系统P210
- 电气和启动系统P212
- 传动系统
- 车架及车身
- 车架及车身P234
- 车架及车身P235
- 车架及车身P236
- 车架及车身P237
- 车架及车身P239
- 车架及车身P241
- 车架及车身P243
- 车架及车身P245
- 车架及车身P247
- 车架及车身P249
- 车架及车身P250
- 车架及车身P251
- 车架及车身P252
- 车架及车身P253
- 车架及车身P254
- 车架及车身P255
- 车架及车身P257
- 车架及车身P258
- 车架及车身P259
- 车架及车身P260
- 车架及车身P261
- 车架及车身P263
- 车架及车身P265
- 车架及车身P266
- 车架及车身P267
- 车架及车身P268
- 车架及车身P269
- 车架及车身P270
- 车架及车身P271
- 车架及车身P272
- 车架及车身P275
- 车架及车身P276
- 车架及车身P277
- 车架及车身P278
- 车架及车身P279
- 车架及车身P280
- 车架及车身P281
- 车架及车身P282
- 车架及车身P283
- 车架及车身P284
- 车架及车身P285
- 车架及车身P286
- 车架及车身P287
- 车架及车身P288
- 车架及车身P289
- 车架及车身P291
- 车架及车身P292
- 车架及车身P293
- 车架及车身P294
- 液压系统
- 液压系统P296
- 液压系统P297
- 液压系统P299
- 液压系统P301
- 液压系统P302
- 液压系统P303
- 液压系统P304
- 液压系统P305
- 液压系统P306
- 液压系统P311
- 液压系统P312
- 液压系统P313
- 液压系统P314
- 液压系统P315
- 液压系统P316
- 液压系统P317
- 液压系统P318
- 液压系统P319
- 液压系统P320
- 液压系统P321
- 液压系统P322
- 液压系统P323
- 液压系统P324
- 液压系统P325
- 液压系统P326
- 液压系统P327
- 液压系统P328
- 液压系统P329
- 液压系统P330
- 液压系统P331
- 液压系统P332
- 液压系统P333
- 液压系统P335
- 液压系统P337
- 液压系统P339
- 液压系统P340
- 液压系统P341
- 液压系统P342
- 液压系统P343
- 液压系统P344
- 液压系统P347
- 液压系统P349
- 液压系统P351
- 液压系统P352
- 液压系统P353
- 液压系统P354
- 液压系统P355
- 液压系统P361
- 液压系统P363
- 液压系统P365
- 液压系统P367
- 液压系统P369
- 液压系统P371
- 液压系统P373
- 液压系统P375
- 液压系统P377
- 液压系统P379
- 液压系统P381
- 液压系统P383
- 液压系统P385
- 液压系统P387
- 液压系统P389
- 液压系统P391
- 液压系统P393
- 液压系统P395
- 液压系统P397
- 液压系统P399
- 液压系统P400
- 液压系统P401
- 液压系统P402
- 液压系统P403
- 液压系统P404
- 液压系统P405
- 液压系统P407
- 液压系统P409
- 液压系统P411
- 液压系统P413
- 液压系统P415
- 液压系统P416
- 液压系统P417
- 液压系统P418
- 液压系统P419
- 液压系统P420
- 液压系统P421
- 液压系统P422
- 液压系统P423
- 液压系统P424
- 液压系统P425
- 液压系统P427
- 液压系统P429
- 液压系统P430
- 液压系统P431
- 液压系统P432
- 液压系统P433
- 液压系统P434
- 液压系统P435
- 液压系统P436
- 液压系统P437
- 液压系统P438
- 液压系统P439
- 液压系统P440
- 液压系统P441
- 液压系统P442
- 液压系统P443
- 液压系统P444
- 液压系统P445
- 液压系统P446
- 液压系统P447
- 液压系统P448
- 液压系统P449
- 液压系统P450
- 液压系统P451
- 液压系统P453
- 液压系统P455
- 液压系统P457
- 液压系统P459
- 液压系统P461
- 液压系统P463
- 液压系统P465
- 液压系统P466
- 液压系统P467
- 液压系统P468
- 液压系统P469
- 液压系统P470
- 液压系统P471
- 液压系统P472
- 液压系统P473
- 液压系统P474
- 液压系统P475
- 液压系统P476
- 液压系统P477
- 液压系统P478
- 液压系统P479
- 液压系统P480
- 液压系统P481
- 液压系统P482
- 液压系统P483
- 液压系统P484
- 液压系统P485
- 驾驶室
- 驾驶室P487
- 驾驶室P488
- 驾驶室P489
- 驾驶室P491
- 驾驶室P493
- 驾驶室P495
- 驾驶室P497
- 驾驶室P499
- 驾驶室P501
- 驾驶室P503
- 驾驶室P505
- 驾驶室P507
- 驾驶室P509
- 驾驶室P511
- 驾驶室P513
- 驾驶室P515
- 驾驶室P517
- 驾驶室P519
- 驾驶室P520
- 驾驶室P521
- 驾驶室P522
- 驾驶室P523
- 驾驶室P524
- 驾驶室P525
- 驾驶室P526
- 驾驶室P527
- 驾驶室P528
- 驾驶室P530
- 驾驶室P531
- 驾驶室P532
- 驾驶室P534
- 驾驶室P535
- 驾驶室P536
- 驾驶室P537
- 驾驶室P538
- 驾驶室P539
- 驾驶室P540
- 驾驶室P541
- 驾驶室P542
- 驾驶室P543
- 驾驶室P544
- 驾驶室P545
- 驾驶室P546
- 驾驶室P547
- 驾驶室P549
- 驾驶室P551
- 驾驶室P553
- 驾驶室P554
- 驾驶室P555
- 驾驶室P556
- 驾驶室P558
- 驾驶室P559
- 驾驶室P561
- 驾驶室P563
- 驾驶室P565
- 驾驶室P567
- 驾驶室P569
- 驾驶室P571
- 驾驶室P573
- 驾驶室P575
- 驾驶室P576
- 驾驶室P578
- 驾驶室P579
- 驾驶室P581
- 驾驶室P583
- 驾驶室P585
- 驾驶室P587
- 驾驶室P589
- 驾驶室P591
- 驾驶室P593
- 驾驶室P595
- 驾驶室P596
- 驾驶室P597
- 驾驶室P598
- 驾驶室P599
- 维修用品
- 维修用品P604
- 维修用品P605
- 维修用品P607
- 维修用品P609
- 维修用品P610
- 维修用品P611
- 维修用品P612
- 维修用品P613
- 维修用品P614
- 维修用品P615
- 维修用品P616
- 维修用品P617
- 维修用品P618
- 维修用品P619
- 维修用品P620
- 维修用品P621
- 维修用品P628
- 维修用品P629
- 维修用品P630
- 维修用品P631
- 维修用品P632
- 维修用品P633
- 维修用品P634
- 维修用品P635
- 维修用品P636
- 维修用品P638
- 维修用品P639
- 维修用品P640
- 维修用品P643
- 维修用品P645
- 维修用品P647
- 维修用品P649
- 维修用品P650
- 维修用品P652
- 维修用品P653
- 维修用品P654
- 维修用品P655
- 维修用品P657
- 维修用品P659
- 维修用品P661
- 维修用品P663
- 维修用品P665
- 维修用品P667
- 维修用品P669
- 维修用品P671
- 维修用品P673
- 维修用品P674
- 维修用品P675
- 维修用品P676
- 维修用品P677
- 维修用品P678
- 维修用品P679
- 维修用品P680
- 维修用品P681
-
E307C
- 发动机
- 润滑系统
- 冷却系统
- 进排气系统
- 燃油系统
- 电气系统
- 电气系统P95
- 电气系统P97
- 电气系统P99
- 电气系统P101
- 电气系统P103
- 电气系统P105
- 电气系统P106
- 电气系统P107
- 电气系统P108
- 电气系统P109
- 电气系统P110
- 电气系统P111
- 电气系统P113
- 电气系统P115
- 电气系统P117
- 电气系统P119
- 电气系统P120
- 电气系统P121
- 电气系统P123
- 电气系统P125
- 电气系统P127
- 电气系统P128
- 电气系统P130
- 电气系统P131
- 电气系统P132
- 电气系统P133
- 电气系统P134
- 电气系统P135
- 电气系统P136
- 电气系统P137
- 电气系统P139
- 电气系统P141
- 电气系统P142
- 电气系统P143
- 电气系统P144
- 电气系统P145
- 电气系统P146
- 电气系统P147
- 电气系统P149
- 电气系统P150
- 电气系统P152
- 电气系统P153
- 电气系统P154
- 电气系统P155
- 电气系统P156
- 电气系统P157
- 电气系统P158
- 电气系统P159
- 电气系统P160
- 电气系统P163
- 电气系统P165
- 电气系统P166
- 电气系统P167
- 电气系统P168
- 电气系统P169
- 电气系统P171
- 电气系统P173
- 电气系统P175
- 电气系统P177
- 电气系统P178
- 电气系统P179
- 电气系统P181
- 电气系统P182
- 电气系统P183
- 电气系统P184
- 电气系统P185
- 电气系统P186
- 电气系统P187
- 电气系统P188
- 电气系统P189
- 电气系统P190
- 电气系统P191
- 电气系统P192
- 传动系统
- 车架及车身
- 车架及车身P210
- 车架及车身P211
- 车架及车身P213
- 车架及车身P215
- 车架及车身P217
- 车架及车身P219
- 车架及车身P221
- 车架及车身P223
- 车架及车身P225
- 车架及车身P227
- 车架及车身P228
- 车架及车身P229
- 车架及车身P230
- 车架及车身P231
- 车架及车身P232
- 车架及车身P233
- 车架及车身P234
- 车架及车身P235
- 车架及车身P236
- 车架及车身P237
- 车架及车身P238
- 车架及车身P239
- 车架及车身P241
- 车架及车身P243
- 车架及车身P244
- 车架及车身P245
- 车架及车身P247
- 车架及车身P249
- 车架及车身P251
- 车架及车身P252
- 车架及车身P253
- 车架及车身P254
- 车架及车身P255
- 车架及车身P256
- 车架及车身P257
- 车架及车身P258
- 车架及车身P259
- 车架及车身P260
- 车架及车身P261
- 车架及车身P262
- 车架及车身P263
- 车架及车身P264
- 车架及车身P265
- 车架及车身P266
- 车架及车身P271
- 车架及车身P272
- 车架及车身P273
- 车架及车身P274
- 车架及车身P275
- 液压系统
- 液压系统P277
- 液压系统P279
- 液压系统P280
- 液压系统P281
- 液压系统P282
- 液压系统P283
- 液压系统P284
- 液压系统P285
- 液压系统P287
- 液压系统P289
- 液压系统P291
- 液压系统P293
- 液压系统P294
- 液压系统P295
- 液压系统P296
- 液压系统P305
- 液压系统P306
- 液压系统P307
- 液压系统P308
- 液压系统P309
- 液压系统P310
- 液压系统P311
- 液压系统P312
- 液压系统P313
- 液压系统P314
- 液压系统P315
- 液压系统P316
- 液压系统P317
- 液压系统P318
- 液压系统P319
- 液压系统P320
- 液压系统P321
- 液压系统P322
- 液压系统P323
- 液压系统P324
- 液压系统P325
- 液压系统P326
- 液压系统P327
- 液压系统P328
- 液压系统P329
- 液压系统P330
- 液压系统P331
- 液压系统P332
- 液压系统P333
- 液压系统P334
- 液压系统P335
- 液压系统P336
- 液压系统P337
- 液压系统P338
- 液压系统P339
- 液压系统P340
- 液压系统P341
- 液压系统P342
- 液压系统P343
- 液压系统P344
- 液压系统P345
- 液压系统P346
- 液压系统P347
- 液压系统P348
- 液压系统P349
- 液压系统P351
- 液压系统P353
- 液压系统P355
- 液压系统P357
- 液压系统P359
- 液压系统P361
- 液压系统P362
- 液压系统P363
- 液压系统P370
- 液压系统P371
- 液压系统P373
- 液压系统P375
- 液压系统P377
- 液压系统P379
- 液压系统P381
- 液压系统P383
- 液压系统P385
- 液压系统P386
- 液压系统P387
- 液压系统P388
- 液压系统P393
- 液压系统P395
- 液压系统P397
- 液压系统P399
- 液压系统P401
- 液压系统P403
- 液压系统P405
- 液压系统P407
- 液压系统P409
- 液压系统P411
- 液压系统P413
- 液压系统P415
- 液压系统P417
- 液压系统P419
- 液压系统P421
- 液压系统P423
- 液压系统P425
- 液压系统P427
- 液压系统P429
- 液压系统P430
- 液压系统P431
- 液压系统P433
- 液压系统P435
- 液压系统P437
- 液压系统P439
- 液压系统P441
- 液压系统P443
- 液压系统P445
- 液压系统P447
- 液压系统P449
- 液压系统P451
- 液压系统P453
- 液压系统P455
- 液压系统P457
- 液压系统P459
- 液压系统P460
- 液压系统P461
- 液压系统P462
- 液压系统P463
- 液压系统P464
- 液压系统P465
- 液压系统P467
- 液压系统P468
- 液压系统P469
- 液压系统P470
- 液压系统P471
- 液压系统P472
- 液压系统P473
- 液压系统P475
- 液压系统P477
- 液压系统P479
- 液压系统P481
- 液压系统P482
- 液压系统P483
- 液压系统P484
- 液压系统P485
- 液压系统P486
- 液压系统P489
- 液压系统P491
- 液压系统P493
- 液压系统P495
- 液压系统P497
- 液压系统P499
- 液压系统P501
- 液压系统P503
- 液压系统P505
- 液压系统P507
- 液压系统P509
- 液压系统P511
- 液压系统P512
- 液压系统P513
- 液压系统P514
- 液压系统P515
- 液压系统P516
- 液压系统P517
- 液压系统P518
- 液压系统P519
- 液压系统P520
- 液压系统P521
- 液压系统P522
- 液压系统P523
- 液压系统P524
- 液压系统P525
- 液压系统P526
- 液压系统P527
- 维修用品
- 维修用品p547
- 维修用品P549
- 维修用品P551
- 维修用品P553
- 维修用品P555
- 维修用品P557
- 维修用品P559
- 维修用品P561
- 维修用品P563
- 维修用品P565
- 维修用品P567
- 维修用品P568
- 维修用品P569
- 维修用品P570
- 维修用品P571
- 维修用品P572
- 维修用品P573
- 维修用品P574
- 维修用品P575
- 维修用品P576
- 维修用品P577
- 维修用品P578
- 维修用品P579
- 维修用品P580
- 维修用品P581
- 维修用品P582
- 维修用品P583
- 维修用品P584
- 维修用品P585
- 维修用品P586
- 维修用品P589
- 维修用品P588
- 维修用品P591
- 维修用品P590
- 维修用品P592
- 维修用品P593
- 维修用品P594
- 维修用品P595
- 维修用品P596
- 维修用品P597
- 维修用品P600
- 维修用品P601
- 维修用品P602
- 维修用品P603
- 维修用品P604
- 维修用品P605
- 维修用品P606
- 维修用品P607
- 维修用品P608
- 维修用品P609
- 维修用品P610
- 维修用品P618
- 维修用品P619
- 维修用品P620
- 维修用品P621
- 维修用品P622
- 维修用品P623
- 维修用品P624
- 维修用品P625
- 维修用品P627
- 维修用品P629
- 维修用品P630
- 维修用品P631
- 维修用品P632
- 维修用品P587
- 驾驶室
- 驾驶室P634
- 驾驶室p635
- 驾驶室p637
- 驾驶室p639
- 驾驶室p641
- 驾驶室p643
- 驾驶室p645
- 驾驶室p647
- 驾驶室p649
- 驾驶室p651
- 驾驶室p653
- 驾驶室p655
- 驾驶室p657
- 驾驶室p659
- 驾驶室p661
- 驾驶室p663
- 驾驶室p664
- 驾驶室p665
- 驾驶室p666
- 驾驶室p667
- 驾驶室p668
- 驾驶室p669
- 驾驶室p670
- 驾驶室p671
- 驾驶室p672
- 驾驶室p673
- 驾驶室p674
- 驾驶室p675
- 驾驶室p677
- 驾驶室p679
- 驾驶室p681
- 驾驶室p682
- 驾驶室p685
- 驾驶室p687
- 驾驶室p688
- 驾驶室p689
- 驾驶室p690
- 驾驶室p691
- 驾驶室p692
- 驾驶室p693
- 驾驶室p694
- 驾驶室p695
- 驾驶室p696
- 驾驶室p697
- 驾驶室p698
- 驾驶室p699
- 驾驶室p700
- 驾驶室p701
- 驾驶室p702
- 驾驶室p703
- 驾驶室p704
- 驾驶室p705
- 驾驶室p706
- 驾驶室p707
- 驾驶室p708
- 驾驶室p709
- 驾驶室p710
- 驾驶室p711
- 驾驶室p712
- 驾驶室p713
- 驾驶室p714
- 驾驶室p715
- 驾驶室p716
- 驾驶室p717
- 驾驶室p718
- 驾驶室p720
- 驾驶室p723
- 驾驶室p725
- 驾驶室p727
- 驾驶室p729
- 驾驶室p731
- 驾驶室p733
- 驾驶室p735
- 驾驶室p737
- 驾驶室p739
- 驾驶室p740
- 服务设备及用品
- 服务设备及用品p742
- 服务设备及用品p743
- 服务设备及用品P745
- 服务设备及用品P747
- 服务设备及用品P749
- 服务设备及用品P751
- 服务设备及用品P753
- 服务设备及用品P755
- 服务设备及用品P757
- 服务设备及用品P759
- 服务设备及用品P761
- 服务设备及用品P763
- 服务设备及用品P765
- 服务设备及用品P767
- 服务设备及用品P769
- 服务设备及用品P771
- 服务设备及用品P773
- 服务设备及用品P774
- 服务设备及用品P775
- 服务设备及用品P776
- 服务设备及用品P777
- 服务设备及用品P778
- 服务设备及用品P779
- 服务设备及用品P780
- 服务设备及用品P781
- 服务设备及用品P782
- 服务设备及用品P783
- 服务设备及用品P784
- 更多机型
-
E312D
-
小松
-
PC56-7
- 发动机
- 发动机相关零件
- 冷却系统
- 燃油箱及相关零件
- 电气系统
- 液压系统
- 主机架/转台及相关零件
- 护罩
- 回转支承及相关零件
- 行走和下部配管
- 下部行走体
- 工作装置
- 标志和标牌
- 附件
- 服务工具包及相关零件
- 主泵(1/6)
- 主泵(2/6)
- 主泵(3/6)
- 主泵(4/6)
- 主泵(5/6)
- 主泵(6/6)
- 动臂油缸
- 斗杆油缸
- 铲斗油缸
- 推土铲油缸
- 回转接头
- 回转马达(减压装置)(1/4)
- 回转马达(减压装置)(1/4)
- 回转马达(溢流阀)(3/4)
- 回转马达(定时器阀)(4/4)
- 行走马达(减压装置)(1/3)
- 回转马达(液压马达 1/2)(2/3)
- 行走马达(液压马达 2/2)(3/3)
- 主阀(8 阀)(1/22)
- 主阀(8 阀)(2/22)
- 主阀(8 阀)(3/22)
- 主阀(8 阀)(4/22)
- 主阀(8 阀)(5/22)
- 主阀(8 阀)(6/22)
- 主阀(8 阀)(7/22)
- 主阀(8 阀)(8/22)
- 主阀(8 阀)(9/22)
- 主阀(8 阀)(10/22)
- 主阀(8 阀)(11/22)
- 主阀(8 阀)(12/22)
- 主阀(8 阀)(13/22)
- 主阀(8 阀)(14/22)
- 主阀(8 阀)(15/22)
- 主阀(8 阀)(16/22)
- 主阀(8 阀)(17/22)
- 主阀(8 阀)(18/22)
- 主阀(8 阀)(19/22)
- 主阀(8 阀)(20/22)
- 主阀(8 阀)(21/22)
- 主阀(8 阀)(22/22)
- PPC 阀(用于行走)
- PPC 阀(用于工作装置)
- PPC 阀(用于推土铲)
- 驾驶室系统
- 操作人员座椅(内部零件)
- 操作人员座椅(安装零件)
- 座椅安全带
- 驾驶室(1/8)(窗户)
- 驾驶室(2/8)(前窗)
- 驾驶室(3/8)(前下侧玻璃)
- 驾驶室(4/8)(门)
- 驾驶室(5/8)(门锁)
- 驾驶室(6/8)(车门打开锁)
- 驾驶室(7/8)(雨刷器和室内灯)
- 驾驶室(8/8)(驾驶室内部零件)
- 驾驶室(驾驶室座)
- 驾驶室(行走控制)
- 驾驶室(P-阀块、T-阀块)
- 驾驶室(左侧控制台)
- 驾驶室(右侧控制台)
- 驾驶室(左侧配管)
- 驾驶室(右侧配管)
- 驾驶室(燃油控制)
- 驾驶室电气系统
- 驾驶室(推土铲控制)
- 驾驶室(盖)
- 驾驶室(空调器)
- 驾驶室(燃油控制电缆)
- 驾驶室(右脚架)
- 驾驶室(左脚架)
- 地板垫(用于驾驶篷)
- 窗户洗涤器
- 空调器配管,1/2
- 空调器配管,2/2
- 皮带轮和 V 形皮带
- 收音机
- 烟灰缸
- 地板支座
- 地板盖
- 行走踏板
-
PC60-7
- 发动机
- 气缸盖
- 前吊钩
- 后吊钩
- 气缸盖罩
- 气缸盖罩相关零件
- 进气装置
- 进气连接器
- 排气歧管
- 消音器
- 排气连接器
- 气缸体
- 前盖
- 惰轮
- 气缸体盖
- 油底壳和吸油管
- 油尺
- 塞
- 飞轮壳
- 飞轮
- 曲轴
- 活塞
- 曲轴皮带轮
- 凸轮轴和齿轮
- 挺柱
- 速度驱动盖
- 机油泵
- 机油滤芯
- 油压开关
- 喷油泵
- 喷油泵
- 喷油泵
- 喷油泵
- 喷油泵
- 喷油泵
- 喷油泵安装件
- 喷油管
- 喷油泵润滑器
- 燃油滤芯
- 喷嘴
- 回油装置
- 热线点火塞
- 电磁线圈
- 水泵
- 水泵皮带轮
- 水泵皮带轮
- 冷却风扇
- 风扇隔套
- 冷却风扇隔套螺栓
- 水连接器
- 冷却风扇螺栓
- 风扇皮带
- 摇臂
- 风扇皮带(用于 25A 交流发电机)
- 交流发电机
- 交流发电机(35A))
- 交流发电机
- 交流发电机(35A)(内部零件)
- 交流发电机安装件
- 交流发电机安装件
- 起动马达安装件
- 起动马达
- 气缸体密封垫套件
- 气缸盖密封垫套件
- 铭牌和警告牌
- 铭牌和警告牌
- 空气滤清器
- 油水分离器
- 备用零件(用于 35A 交流发电机)
- 抑制器
- 备用零件
- 油水分离器
- 发动机相关零件
- 冷却系统
- 燃油箱和相关零件
- 电气系统
- 液压系统
- 主转台和相关零件
- 驾驶室和控制系统
- 驾驶员座椅(选配)
- 驾驶员座椅(带扶手)
- 安全带 宽 78 mm(选配)
- 安全带 宽度 50 mm(选配)
- 驾驶室
- 驾驶室
- 驾驶室
- 驾驶室
- 驾驶室
- 驾驶室
- 驾驶室(门)(6/7)
- 驾驶室(门锁)(7/7)
- 驾驶室
- 前护罩(半护)(选配)
- 地板垫
- 地板垫(推土铲规格)(选配)
- 地板垫
- 地板垫
- 地板垫
- 地板垫
- 车窗洗涤器
- 空调器(单元)
- 空调器(冷却器软管)
- 空调器(热水管)
- 空调器(座椅后盖)
- 空调器和除霜器
- 地板
- 地板
- 地板架(基座)
- 地板架(安全锁紧杆)
- 地板架(行走操纵杆)
- 地板架
- 地板架
- 地板架
- 地板架
- 地板架
- 地板架
- 地板架
- 地板架(燃油控制)
- 地板架(左侧操纵杆)
- 地板架(PPC 工作管路)
- 地板架(PPC 行走管路)
- 地板架(PPC 行走管路)
- 地板架(PPC 行走管路)
- 地板架(PPC 行走管路)
- 地板架(PPC 行走管路)
- 地板架
- 地板架(左侧盖)
- 地板架
- 地板架
- 地板架(右侧操纵杆)
- 地板架(面板)
- 地板架(线束)
- 地板架(线束)
- 地板架
- 地板架(盖)
- 地板架
- 地板架
- 地板架
- 地板架
- 地板架
- 地板架(监控器)
- 地板安装支架
- 地板(地板架)
- 地板(地板架)
- 护罩
- 回转支承和相关零件
- 行走和下部管路
- 底盘
- 工作装置
- 标记和标牌
- 附件
- 其它
- 修理包和零部件
- 履带螺栓和螺母修理包
- 履带链轨节
- 主泵 (1/6)
- 主泵 (2/6)
- 主泵 (3/6)
- 主泵 (4/6)
- 主泵 (5/6)
- 主泵 (6/6)
- 动臂油缸(内部零件)
- 斗杆油缸(内部零件)
- 铲斗油缸(内部零件)
- 推土铲油缸(内部零件)
- 回转接头(内部零件)
- 回转接头(内部零件)
- 回转马达(1/2)
- 回转马达(2/2)
- 行走马达(1/3)
- 行走马达(2/3)
- 行走马达(3/3)
- 主阀(6-阀)(1/6)
- 主阀(6-阀) (2/6)
- 主阀(6-阀)(3/6)
- 主阀(6-阀)(4/6)
- 主阀(6-阀)(5/6)
- 主阀(6-阀) (6/6)
- 主阀(7-阀)(选配)(1/7)
- 主阀(7-阀)(选配)(2/7)
- 主阀(7-阀)(选配)(3/7)
- 主阀(7-阀)(选配)(4/7)
- 主阀(7-阀)(选配)(5/7)
- 主阀(7-阀)(选配)(6/7)
- 主阀(7-阀)(7/7)
- 主阀(7-阀)
- 主阀(7-阀)
- 主阀(7-阀)
- 主阀(7-阀)
- 主阀(7-阀)
- 主阀(7-阀)
- 主阀(7-阀)
- 主阀(8-阀)(选配)(1/8)
- 主阀(8-阀)(选配)(2/8)
- 主阀(8-阀)(选配)(3/8)
- 主阀(8-阀)(选配)(4/8)
- 主阀(8-阀)(选配)(5/8)
- 主阀(8-阀)(选配)(6/8)
- 主阀(8-阀)(选配) (7/8)
- 主阀(8-阀)(选配)(8/8)
- 主阀(8-阀)
- 主阀(8-阀)
- 主阀(8-阀)
- 主阀(8-阀)
- 主阀(8-阀)
- 主阀(8-阀)
- 主阀(8-阀)
- 主阀(8-阀)
- 主阀(9-阀)1/9
- 主阀(9-阀)2/9
- 主阀(9-阀)3/9
- 主阀(9-阀)4/9
- 主阀(9-阀)5/9
- 主阀(9-阀)6/9
- 主阀(9-阀)7/9
- 主阀(9-阀)8/9
- 主阀(9-阀)9/9
- PPC 阀(用于行走)
- PPC 阀(用于行走)(选配)
- PPC 阀(用于工作装置)
- PPC 阀(用于附件)(选配)
- 锁紧阀(用于动臂)(#DBK0001-)
- 先导阀
- 发动机
-
PC110-7
- 发动机
- 气缸盖
- 端 盖
- 后挂钩
- 端盖
- 端盖附件
- 进气歧管
- 进气连接器
- 排气歧管
- 涡轮增压器
- 热屏蔽
- 消音器
- 消音器安装
- 排气接头
- 缸体
- 前盖(用于25A 交流发电机)
- 前盖(用于35A 交流发电机)
- 惰轮齿轮
- 盲堵(机油滤芯上部规格)
- 油底壳和吸油管
- 油位计
- 飞轮壳
- 飞轮
- 曲轴
- 活塞
- 曲轴皮带轮
- 凸轮轴和齿轮
- 挺柱
- 开关斗杆
- 联轴器(主力开关)
- 转速计驱动盖
- 机油泵
- 涡轮增压器润滑油管子
- 滤油器
- 油压开关
- 油冷却器
- 喷油泵
- 喷油泵(泵)(1/2)(内部零件)
- 喷油泵(泵)(2/2)(内部零件)
- 喷油泵(调速器)(1/2)(内部零件)
- 喷油泵(调速器)(2/2)(内部零件)
- 喷油泵(供给泵)(内部零件)
- 喷油泵安装件
- 喷油管
- 喷油泵润滑器
- 燃油控制(补充供应)
- 燃油过滤器
- 喷嘴
- 嘴保持器(内部零件)
- 回油装置(中心回油规格)
- 水泵
- 水泵皮带轮
- 冷却风扇
- 风扇隔板
- 风扇隔板安装座
- 水连接器(出口)
- 冷却风扇螺栓
- 风扇皮带(用于 35A 交流发电机)
- 风扇皮带(用于 25A 交流发电机)
- 交流发电机(用于 35A 交流发电机)
- 交流发电机(用于 25A 交流发电机)
- 交流发电机(用于 35A 交流发电机)
- 交流发电机(用于 25A 交流发电机)
- 交流发电机安装件(用于 25A 交流发电机)
- 交流发电机安装件(用于 35A 交流发电机)
- 起动马达安装件(3.0KW)
- 起动马达(3.0KW)(内部零件)
- 辅助支架(用于压缩机)
- 水管
- 发动机铭牌和规章牌(除日本外)
- 铭牌和警告牌(英文)
- 后冷器连接器
- 空气滤清器
- 备件
- 加热器开关
- 备件(用于 25A 交流发电机)
- 附加燃油滤清器
- 防腐蚀器(水滤)
- 起动继电器
- 消音器排油管子
- 消音器
- 发动机相关零件
- 冷却系统
- 燃油箱和相关零件
- 电气系统
- 液压系统
- 液压油箱
- 主阀(连接件)(1/2)
- 主阀(连接件)(1/2)(带下降防止阀)
- 主阀(连接件)(2/2)
- 主阀(连接件)(2/2)(带下降防止阀)
- 主阀(连接件)(2/2) ( 用于 2 段式动臂 )
- 主泵(连接件)
- 吸油管路
- 输油管路
- 油冷却器管路
- 油冷却器管路(1 附件 管路)
- 回油管路
- 回油管路(1 附件 管路)
- 排油管
- 动臂管路
- 斗杆和铲斗管路
- 震动阀管路
- 转台
- 附件管路(主阀管路和转换阀)
- 附件管路(接块和接块配管)
- 行走管路
- 回转管路
- LS 管路
- LS 管路(1 附件控制 管路)
- 电磁阀(阀)
- 电磁阀(软管)
- 电磁阀(线夹)
- 压力开关
- PPC 主管路(软管)
- PPC 主管路(线夹)
- PPC 主管路(线夹) (2 执行机构 )
- 主/ 转台和相关零件
- 驾驶室和控制系统
- 驾驶员座椅(织物)
- 驾驶员座椅(悬挂)
- 驾驶员座椅(加热悬浮)
- 安全带(宽 48MM)
- 安全带(宽 78MM)
- 安全带(宽 50MM)
- 座椅后盖(12V 电源)
- 储物箱网
- 顶部护板(2 级)
- 前护罩(全)(2 级)
- 地板垫
- 地板垫(1 蓄能器)
- 地板垫(2 执行机构)
- 遮雨板1
- 遮阳板2
- 遮阳滚轴卷帘
- 下部雨刷器
- 无下部雨刷器
- 车窗洗涤器
- 空调器(压缩机和贮液干燥器)
- 空调器(管子)
- 地板支架(驾驶室)
- 地板支架(前窗)
- 地板支架(前下窗)
- 地板支架(天窗)
- 地板支架(门)
- 地板支架(门锁)
- 地板支架(开锁)
- 地板支架(雨刷器和室灯)
- 地板支架(收音机)
- 地板支架(附件)
- 地板支架(塞螺栓和天线)
- 地板支架(驾驶室)(卡箍和板)
- 地板支架(驾驶室)(监控系统)
- 地板支架(驾驶室)(板和风道)
- 地板支架(驾驶室)(隔板和底部风道)
- 地板支架(驾驶室)(副板)
- 地板支架(驾驶室)(卡箍和螺栓)
- 地板支架(驾驶室)(地板支架)
- 地板支架(驾驶室)(行走控制)
- 地板支架(驾驶室)(搁脚板)(左侧)
- 地板支架 ( 驾驶室 ) ( 附件控制装置 ) (2 执行机构 )
- 地板支架(驾驶室)(附件控制装置)(1 蓄能器)
- 地板支架(驾驶室)(底座)
- 地板支架(驾驶室)(线束)
- 地板支架(驾驶室)(车窗洗涤器)
- 地板支架(驾驶室)(操纵杆和阀)(左侧)
- 地板支架(操作台)(带空调和收音机) ( 左侧 )
- 地板支架(操作台)(无空调器和收音机) ( 左侧 )
- 地板支架(驾驶室)(操作台)(下部)(左侧)
- 地板支架(驾驶室)(操纵杆和阀)(右侧)
- 地板支架(驾驶室)(操作台)(右侧)
- 地板支架(驾驶室)(空调和底盖)
- 地板支架(驾驶室)(空调器软管)
- 地板支架(加热器软管和卡箍)
- 地板支架(PPC 软管)(1/2)
- 地板支架(PPC 软管)(2/2)
- 地板支架(PPC 管夹)
- 地板支架(PT 块和密封) (1 蓄能器 )
- 地板支架(PT 块和密封)
- 地板支架(PT 块和密封) (2 执行机构 )
- 地板安装座
- 开关(模式选择)
- 护板
- 回转支承和相关零件
- 行走和下部管路
- 行走装置
- 工作装置
- 标记和标牌
- 附件
- 其它
- 修理包和零部件
- 回转机构(内部零件)
- 履带板螺栓和螺母修理包
- 履带链节总成(仅提供)
- 橡胶天线
- 驾驶座椅总成(悬挂)
- 驾驶座椅总成(织物座椅)
- 主泵(1/8)
- 主泵(2/8)
- 主泵(3/8)
- 主泵(4/8)
- 主泵(5/8)
- 主泵(6/8)
- 主泵(7/8)
- 主泵(8/8)
- 动臂油缸(内部零件)
- 动臂油缸(内部零件)(振动解除规格)
- 斗杆油缸(内部零件)
- 斗杆油缸(带震动阀)(内部零件)
- 铲斗油缸(内部零件)
- 回转接头(内部零件)
- 回转马达(1/2)
- 回转马达(2/2)
- 行走马达(马达总成)(1/3)
- 行走马达(阀总成)(2/3)
- 行走马达(终传动总成)(3/3)
- 主阀(7-阀)(1/13)(带下降防止阀)
- 主阀(7-阀)(2/13)(带下降防止阀)
- 主阀(7-阀)(3/13)(带下降防止阀)
- 主阀(7-阀)(4/13)(带下降防止阀)
- 主阀(7-阀)(5/13)(带下降防止阀)
- 主阀(7-阀)(6/13)(带下降防止阀)
- 主阀(7-阀)(7/13)(带下降防止阀)
- 主阀(7-阀)(8/13)(带下降防止阀)
- 主阀(7-阀)(9/13)(带下降防止阀)
- 主阀(7-阀)(10/13)(带下降防止阀)
- 主阀(7-阀)(13/13)(带下降防止阀)
- PPC 阀(用于行走)
- 工作装置操纵杆(左侧)
- 工作装置操纵杆(右侧)
- PPC 阀(用于附件)
- 先导阀
- 震动阀(用于动臂油缸)
- 震动阀(用于斗杆油缸)
- 电磁阀(内部零件)
- 压缩机总成(用于空调器)
- 单元总成(冷却)(用于空调器)
- 主阀 (7-阀) (11/13) (带下降防止阀)
- 主阀 (7-阀) (12/13) (带下降防止阀)
- 发动机
-
PC200-7
- 发动机(SAA6D102E-2)
- 气缸盖
- 水温传感器
- 后吊钩
- 气缸盖罩
- 空气连接器
- 进气加热器
- 进气盖
- 排气连接器卡箍
- 排气歧管密封垫和螺栓
- 排气歧管和塞
- 涡轮增压器机油管
- 涡轮增压器外连接器
- 涡轮增压器安装件
- 热屏蔽
- 消音器及安装件
- 节温器壳体
- 节温器
- 机油压力开关
- 气缸体
- 前盖指示器
- 前盖
- 凸轮随动件盖
- 通风装置软管
- 气缸体盲堵
- 油底壳螺栓
- 机油油位传感器
- 油底壳和吸油管
- 油尺
- 转速传感器
- 飞轮壳
- 飞轮
- 曲轴
- 减震器
- 活塞
- 摇臂
- 挺柱
- 凸轮轴
- 前齿轮传动系统盖
- 附件皮带轮
- 转速计传动盖
- 底板
- 吸音盘气缸体
- 机油泵
- 机油滤芯和管路
- 机油冷却器盖
- 喷油泵
- 增压管
- 吸音盘喷射泵
- 燃油软管接头
- 喷油泵安装件
- 燃油滤芯
- 燃油滤芯管路
- 喷油管路
- 气缸体盲盖和燃油滤芯管路
- 喷嘴
- 燃油接头
- 水泵
- 水接头
- 水接头塞
- 水泵(主皮带轮)
- 交流发电机驱动皮带轮
- 冷却风扇
- 风扇隔套
- 交流发电机(35A)
- 交流发电机(60A)
- 交流发电机 (35A)(内部零件)
- 交流发电机(60A) (内部零件)
- 皮带张紧装置
- 交流发电机安装件
- 起动马达(4.5KW)
- 起动马达(5.5KW)
- 起动马达(4.5KW)(内部零件)
- 起动马达(5.5KW)(内部零件)
- 起动马达安装件(4.5KW)
- 起动马达安装件(5.5KW)
- 维修件 (气缸盖)(1/4)
- 维修件 (气缸盖)(2/4)
- 维修件 (曲轴)(3/4)
- 维修件 (活塞)(4/4)
- 警告牌(日文-英文)
- 警告牌(用于EPA 的调整)
- 主泵连接零件
- 空气滤清器
- 发动机相关零件
- 冷却系统
- 燃油箱和相关零件
- 电气系统
- 液压系统
- 液压油箱
- 液压油箱(1 附加工作装置)(选配)
- 主阀(连接零件)
- 主阀(连接零件)(1 附加工作装置)(选配)
- 主阀(附加阀套件)(1 附加工作装置)(选配)
- 主阀(附加阀套件)(2 附加工作装置)(选配)
- 主阀(连接零件) (2/2)
- 主阀(连接零件)(1 附加工作装置)(2/2)(选配)
- 主阀(阀座)(选配)
- 主阀(阀座)(1 附加工作装置)(选配)
- 主阀(备用塞)(1 附加工作装置)(选配)
- 主泵(连接零件)
- 吸油管
- 输油管
- 油冷器管路
- 回油管路
- 回油管(1 附加工作装置)(选配)
- 排油管
- 动臂管路
- 动臂管路(动臂软管)
- 斗杆和铲斗管路
- 斗杆和铲斗管路(带下降防止阀)(选配)
- 附件管路(主左侧)(1 附加工作装置)(选配)
- 溢流阀(280 KG/CM2)(用于附加阀)(选配)
- 溢流阀(210 KG/CM2)(用于附加阀)(选配)
- 溢流阀(250 KG/CM2)(用于附加阀)(选配)
- 溢流阀(175 KG/CM2)(用于附加阀)(选配)
- 附件管路(主右侧)(1 附加工作装置)(选配)
- 附件管路(回油)(1 附加工作装置)(选配)
- 附件管路(蓄能器和电磁阀)(1 附加工作装置)(选配)
- 行走管路
- 回转管路
- LS管路
- 电磁阀(阀)
- 电磁阀(阀)(1 附加工作装置)(选配)
- 电磁阀(软管和支架)
- 压力开关
- PPC主管路(软管)
- PPC主管路(阀体)(1 附加工作装置)(选配)
- 转台和相关零件
- 驾驶室和控制系统
- 驾驶员座椅(悬浮式)
- 安全带(50 mm 宽)(选配)
- 安全带(78 mm 宽)(选配)
- 安全带(宽50 MM)(选配)
- 座椅后盖(带空调器)
- 储物箱网(选配)
- 驾驶室(驾驶室)
- 驾驶室(前窗)
- 驾驶室(前下窗)
- 驾驶室(顶窗)
- 驾驶室(门)
- 驾驶室(门锁)
- 驾驶室(开锁)
- 驾驶室(雨刷器和室灯)
- 驾驶室(收音机)
- 驾驶室(附件)
- 驾驶室(螺栓)
- 驾驶室(线束)
- 驾驶室(监测系统)
- 驾驶室(盖)
- 驾驶室(风道)
- 顶部护罩(选配)
- 前护罩(半护)(选配)
- 前护罩(全护)(级别-1)(选配)
- 前护罩(全部)(级别-2)(选配)
- 地板垫
- 地板垫(1 附加工作装置)(选配)
- 遮雨板(选配)
- 遮阳板(选配)
- 窗户洗涤器
- 空调器(风道)
- 空调器(软管)
- 空调器(后风道)
- 灭火器(英文)(选配)
- 地板架
- 地板架(行走控制)
- 地板架(搁脚板)(左侧)
- 地板架(搁脚板)(右侧)
- 地板架(搁脚板)(右侧)(1 附加工作装置)(选配)
- 地板架(底座)
- 地板架(电气)
- 地板架(夹子)
- 地板架(支架和蝶形垫圈)
- 地板架(操纵杆和阀)(左侧)
- 地板架(操作台)(上部)(左侧)(带空调器和收音机)
- 地板架(操作台)(上部)(左侧)(无空调器和收音机)(选配)
- 地板架(操作台)(下部)(左侧)
- 地板架(操作台)(下部)(左侧)
- 地板架(操纵杆与阀)(右侧)
- 地板架(操作台)(主控开关)(右侧)
- 地板架(空调器和底盖)
- 地板架(底盖)
- 地板架(空调器软管)
- 地板架(加热器软管和卡箍)
- 地板架(PPC) (1/2)
- 地板架(PPC) (2/2)
- 地板架(PPC 卡箍)
- 地板架(P、T 块和密封)
- 地板架(P、T 块和密封)(1 附加工作装置)(选配)
- 地板架(P、T 块和密封)(不带空调器和收音机)(选配)
- 地板架
- 地板架(操纵杆把手)
- 地板安装支架
- 开关
- 盖
- 护罩
- 回转支承和相关零件
- 行走和下部管路
- 底盘
- 引导轮
- 张紧装置
- 张紧装置(PC200LC, 210LC-7)
- 支重轮(PC200, 210-7)
- 支重轮(PC200LC, 210LC-7)
- 托轮
- 履带板(湿地型)(860mm 宽)(选配)(PC200,210-7)
- 履带板(平瓦块型)(PC200, 210-7)(610mm 宽)(选配)
- 履带板(路面用)(PC200, 210-7)(600 mm 宽)(选配)
- 履带板(带孔三齿)(PC200, 210-7)(600 mm 宽)
- 履带板(带孔三齿)(PC200, 210-7)(700 mm 宽)(选配)
- 履带板(带孔三齿)(PC200, 210-7)(800 mm 宽)(选配)
- 履带板(三齿)(PC200, 210-7)(600 mm 宽)(用于安装公路用垫的孔)(选配)
- 履带板(湿地型)(PC200LC, 210LC-7)(860 mm 宽)(选配)
- 履带板(带孔三齿)(600 mm 宽)(PC200LC, 210LC-7)
- 履带板(带孔三齿)(PC200LC, 210LC-7)(700 mm 宽)(选配)
- 履带板(带孔三齿)(PC200LC, 210LC-7)(800 mm 宽)(选配)
- 履带架(PC200, 210-7)
- 履带架(PC200LC, 210LC-7)
- 履带架(带底护板)(PC200, 210-7)
- 履带架(带底护板)(PC200LC, 210LC-7)
- 下盖(用于履带架)(选配)
- 履带支重轮护板(PC200, 210-7)
- 履带全支重轮护板(选配)(PC200, 210-7)
- 履带全支重轮护板(选配)(PC200LC, 210LC-7)
- 工作装置
- 动臂
- 动臂(顶销和底销)
- 动臂(斗杆油缸管路和铲斗油缸管路)
- 动臂(用于附加管路)(斗杆油缸管路和铲斗油缸管路)(选配)
- 动臂(润滑管路和工作灯导线)
- 动臂(增设附加管路)(用于附加管路)(选配)
- 动臂(工作灯和动臂底部润滑)
- 动臂油缸
- 动臂销
- 斗杆油缸
- 斗杆油缸(堵头零件)(用于部件)
- 斗杆(2.9m)(PC200, 200LC-7)
- 斗杆(2.9m)(PC210, 210LC-7)
- 斗杆(2.9m)(用于附加管路)(选配)
- 斗杆(2.4m)(用于附加管路)(选配)
- 斗杆(2.9m)(铲斗连杆)(PC200, PC200LC-7)
- 斗杆(2.9m)(铲斗连杆)(PC210, PC210LC-7)
- 斗杆(2.9m)(铲斗连杆)(用于附加管路)(选配)
- 斗杆(2.4m)(铲斗连杆)(选配)
- 斗杆(2.9m)(铲斗油缸软管和隔片)
- 斗杆(2.4m)(铲斗油缸软管和隔片)(选配)
- 斗杆(2.9m)(附加管路)(选配)
- 斗杆(2.4m)(附加管路)(左侧)(选配)
- 斗杆(2.4m)(附加管路)(右侧)(选配)
- 不安装铲斗时
- 抓斗(选配)
- 0.5m3、750 mm(横销型)铲斗
- 0.61m3、950 mm 松土铲斗
- 坡地调整铲斗(选配)
- 梯形铲斗(选配)
- 0.8m3、1800 mm 挖沟清洁铲斗(选配)
- 单柄松土器
- 三柄松土器
- 1.0m3(横销型)铲斗(选配)
- 0.8m3(横销型)铲斗(PC200, 200LC-7)
- 0.8m3、(岩石型)铲斗(选配)
- 0.9m3(横销型)铲斗(带调整器)(PC200(LC)-7 选配,PC210(LC)-7 标配)
- 侧刃(用于铲斗)
- 破碎机接头(用于KRUPP)(选配)(PC200, 210(LC)-7)
- 破碎机接头(用于NIPPON 气动式)(选配)
- 破碎机接头(用于FURUKAWA 和ATLAS)(选配)
- 破碎机接头(用于MATUDA)(选配)
- 标记和标牌
- 附件
- 其它
- 修理包和零部件
- 回转机构(仅提供配件时用)
- 终传动(仅提供配件时用)
- 履带螺栓和螺母修理包
- 履带链节总成(90 套)(提供零件)(PC200, 210-7)
- 履带链节总成(98 套)(提供零件)(PC200LC, 210LC-7)
- 空气滤清器(内部零件)
- 导线线束(连接器)(可提供)
- 主泵(1/11)
- 主泵(2/11)
- 主泵(3/11)
- 主泵(4/11)
- 主泵(5/11)
- 主泵(6/11)
- 主泵(7/11)
- 主泵(8/11)
- 主泵(9/11)
- 主泵(10/11)
- 主泵(11/11)
- 动臂油缸
- 斗杆油缸
- 铲斗油缸
- 回转接头
- 回转马达(1/3)
- 回转马达(2/3)
- 回转马达(3/3)
- 行走马达(1/3)
- 行走马达(2/3)
- 行走马达(3/3)
- 主阀(1/16)
- 主阀(2/16)
- 主阀(3/16)
- 主阀(4/16)
- 主阀(5/16)
- 主阀(6/16)
- 主阀(7/16)
- 主阀(8/16)
- 主阀(9/16)
- 主阀(10/16)
- 主阀(11/16)
- 主阀(12/16)
- 主阀(13/16)
- 主阀(14/16)
- 主阀(15/16)
- 主阀(16/16)
- 主阀(1-附加工作装置)(1/19)(选配)
- 主阀(1-附加工作装置)(2/19)(选配)
- 主阀(1-附加工作装置)(3/19)(选配)
- 主阀(1-附加工作装置)(4/19)(选配)
- 主阀(1-附加工作装置)(5/19)(选配)
- 主阀(1-附加工作装置)(6/19)(选配)
- 主阀(1-附加工作装置)(7/19)(选配)
- 主阀(1-附加工作装置)(8/19)(选配)
- 主阀(1-附加工作装置)(9/19)(选配)
- 主阀(1-附加工作装置)(10/19)(选配)
- 主阀(1-附加工作装置)(11/19)(选配)
- 主阀(1-附加工作装置)(12/19)(选配)
- 主阀(1-附加工作装置)(13/19)(选配)
- 主阀(1-附加工作装置)(14/19)(选配)
- 主阀(1-附加工作装置)(15/19)(选配)
- 主阀(1-附加工作装置)(16/19)(选配)
- 主阀(1-附加工作装置)(17/19)(选配)
- 主阀(1-附加工作装置)(18/19)(选配)
- 主阀(1-附加工作装置)(19/19)(选配)
- 附加阀(1/3)(选配)
- 附加阀(2/3)(选配)
- 附加阀(3/3)(选配)
- 附加阀(1/3)(选配)
- 附加阀(2/3)(选配)
- 附加阀(3/3)(选配)
- PPC阀(用于行走)(1/2)
- PPC阀(用于行走)(2/2)
- PPC阀(用于工作装置)
- PPC阀(用于附件)(选配)
- EPC阀(选配)
- 锁阀(选配)
- 选择阀(选配)
- 蓄能器(AL300-1)(内部零件)(选配)
- 滤网(内部零件)(选配)
- 电磁阀(内部零件)
- 电磁阀(内部零件)(选配)
- 压缩机总成(用于空调器)
- 装置总成(用于空调器)
- 装置总成(冷却器)(用于空调器)
- 送风机总成(用于空调器)
- 冷凝器总成(用于空调器)
- 发动机(SAA6D102E-2)
-
PC200-8
- 发动机(SAA6D107E-1)
- 气缸盖
- 冷却液通风装置
- 冷却液加热器塞
- 提升支架
- 提升支架安装件
- 气门室盖
- 通气装置和软管
- 进气连接器
- 进气加热器
- 排气歧管
- 涡论增压器
- 进气盖
- 热屏蔽 ( 涡轮增压器 )
- 消音器和安装支架
- 节温器
- 机油喷嘴
- 油底壳
- 飞轮壳
- 曲轴
- 凸轮轴
- 后齿轮壳
- 机油泵
- 机油滤清器和管路
- 机油冷却器
- 喷油泵
- 柴油滤芯及管路
- 喷油器
- 喷油控制器相关零件
- 水泵
- 进水口连接器
- 风扇皮带轮
- 冷却风扇
- 风扇隔板
- 交流发电机( 砂地和多尘地带规格
- 冷却风扇皮带 ( 砂地和多尘地带规格 )
- 交流发电机安装件( 砂地和多尘地带规格 )
- 皮带张紧轮( 皮带张紧装置
- 启动马达 起动马达(5.5 KW)
- 启动马达安装件 起动马达安装件
- 导线线束
- 油水分离器
- 挺柱和板
- 螺塞( 液力变矩器冷却)
- 缸体
- 前齿轮盖
- 气缸体盲堵
- 后齿轮盖配件
- 发动机室加热器塞
- 油底壳排油装置
- 油位传感器
- 油位 油尺
- 飞轮
- 飞轮安装
- 减振器
- 活塞和连杆
- 开关 斗杆
- 机油滤清器安装
- 燃油系统相关零件
- 燃油管路
- 燃油过滤器安装件
- 燃油系统盖
- 燃油过滤器管路和共用油槽
- 风扇皮带轮 ( 大皮带轮型 )
- 交流发电机(60A)
- 交流发电机 (35A)
- 交流发电机 (35A)( 内部零件 )
- 交流发电机 (35A)( 内部零件 )
- 交流发电机 (60A)( 内部零件 )
- 风扇皮带 ( 长尺寸 V 型皮带 )
- 风扇皮带
- 交流发电机安装件
- 启动马达 起动马达(4.5 KW)
- 起动马达 (5.5 KW)( 内部零件 )
- 起动马达 (4.5 KW)( 内部零件 )
- 起动马达安装件(5.5 KW)
- 起动马达安装件 (4.5 KW)
- 名称板
- 加热器开关
- 起动器 继电器
- 消音器管
- 燃油预过滤器
- 空气滤清器 ( 不带空气滤清器 阀体 )
- 送气装置连接件
- 备件 ( 超长尺寸 V 型皮带 )
- 防腐蚀器(水滤)
- 备件 ( 长尺寸 V 型皮带 )
- 备件
- 排气消音器和安装支架 ( 带 卡箍 )
- 排气消音器和安装支架 ( 带支架和 卡箍 )
- 交流发电机 (60A)
- 空气滤清器
- 交流发电机 (60A)( 内部零件 )
- 进气连接器安装件
- 排气连接器卡箍
- 涡轮增压器油管
- 热屏蔽
- 热屏蔽 ( 砂地规格( 带消音器接头 罩 )
- 热屏蔽 ( 砂地和多尘地带规格
- 出水口连接器
- 附件驱动皮带轮
- 燃油过滤器 柴油滤芯
- 通气装置软管相关零件
- 冷却系统
- 燃油箱和相关零件
- 电气系统
- 液压系统
- 液压油箱
- 液压油箱 ( 用于 1 执行机构 )
- 主控制阀 ( 连接件 )(1/2)
- 主控制阀 ( 连接件 )(2/2)
- 主控制阀 ( 用于 1 执行机构 )( 连接件 )(2/2)
- 主控制阀 ( 带备用阀 )( 连接件 )(2/2)
- 主控制阀 ( 阀座和传感器 )
- 回油管路 ( 用于 1 执行机构 )
- 泄油管路
- 动臂管路
- 斗杆和铲斗管路
- 斗杆和铲斗管路 ( 带斗杆保持阀 )
- 斗杆 大臂保持阀
- 附件管路 ( 主管路 , 左侧 )( 用于 1 执行机构 )
- 附件管路 ( 主管路 , 右侧 )( 用于 1 执行机构 )
- 附件管路 ( 回油和先导过滤器 )( 用于 1 执行机构 )
- 行走 管路
- 回转装置管路
- LS 管路
- LS 管路 ( 用于 1 执行机构 )
- 电磁路回路 ( 电磁阀 )
- 电磁路回路 ( 电磁阀 )( 用于 1 执行机构 )
- 电磁路回路 ( 电磁阀管路 )
- 电磁路回路 ( 电磁阀管路 )( 用于 1 执行机构 )
- 压力开关集成块
- PPC 主管路
- 主泵
- 吸油管路
- 输油管路
- 油冷却器管路
- 回油管路
- 主/转台和相关零件
- 驾驶室和控制系统
- 驾驶员座椅 ( 刚性连接式 )
- 驾驶员座椅 ( 悬浮式 )
- 驾驶员座椅 ( 悬浮式 )( 用于 KAB 座椅 )
- 安全带 ( 宽 50MM)
- 安全带 ( 宽 78MM)( 用于 KAB 座椅 )
- 安全带 ( 宽 78MM)
- 安全带 ( 宽 50MM)( 用于 KAB 座椅 )
- 顶部护板
- 前全护罩
- 前护罩
- 前半护网
- 地板垫
- 地板垫 ( 用于 1 执行机构 )
- 遮雨板
- 遮阳板
- 车窗洗涤器
- 空调器
- 灭火器 ( 中文 )
- 灭火器 ( 英文 )
- 驾驶室 ( 驾驶室和车窗 )
- 驾驶室 ( 前窗 )
- 驾驶室 ( 前下窗 )
- 驾驶室 ( 天窗 )
- 驾驶室 ( 门 )
- 驾驶室 ( 门锁 )
- 驾驶室 ( 开锁和门碰锁 )
- 驾驶室 ( 雨刷器和室灯 )
- 驾驶室 ( 扬声器和窗户洗涤器 )
- 驾驶室 ( 顶窗和进气口 )
- 驾驶室 ( 压力阀和把手 )
- 驾驶室 (KOMTRAX GSM 天线和 GALEO 标牌 )
- 驾驶室 ( 驾驶室内零件 )( 监控器和盖 )( 带空调 )
- 驾驶室 ( 驾驶室内零件 )( 监控器盖 )
- 驾驶室 ( 驾驶室内零件 )( 行李架 )( 带空调 )
- 驾驶室 ( 驾驶室内零件 )( 监控器风道 )
- 驾驶室 ( 驾驶室内零件 )( 风道 )( 带空调 )
- 驾驶室 ( 驾驶室内零件 )( 隔板和过滤器 )( 带空调
- 驾驶室 ( 驾驶室内零件 )( 副板和继电器 )
- 驾驶室内零件 ( 空调器和 KOMTRAX 控制器 控制器 )
- 驾驶室 ( 驾驶室内零件 )( 主线束卡箍 )
- 驾驶室 ( 驾驶室内零件 )( 后盖 )
- 驾驶室 ( 地板 )( 机架 )
- 驾驶室 ( 地板 )( 行走控制 )
- 驾驶室 ( 地板 )( 搁脚板 , 左侧 )
- 驾驶室 ( 地板 )( 搁脚板 , 右侧 )
- 驾驶室 ( 地板 )( 第一附件控制 )
- 驾驶室 ( 地板 )( 底座 )
- 驾驶室 ( 地板 )( 底座 )( 用于 KAB 座椅 )
- 驾驶室 ( 地板 )( 线束 )
- 驾驶室 ( 地板 )( 线束卡箍和接地 )
- 驾驶室 ( 地板 )( 车窗洗涤器软管 )
- 驾驶室 ( 地板 )( 手柄 , 左侧 )
- 驾驶室 ( 地板 )( 气门杆 , 左侧 )
- 驾驶室 ( 地板 )( 控制台 , 左侧 )
- 驾驶室 ( 地板 )(P. P. C. 锁定杆和收音机 )
- 驾驶室 ( 地板 )( 扶手 , 左侧 )
- 驾驶室 ( 地板 )( 手柄 , 右侧 )
- 驾驶室 ( 地板 )( 气门杆 , 右侧 )
- 驾驶室 ( 地板 )( 控制台 , 右侧 )
- 驾驶室 ( 地板 )( 扶手 , 右侧 )
- 驾驶室 ( 地板 )( 空调装置 )
- 驾驶室 ( 地板 )( 空调器软管 )
- 驾驶室 ( 地板 )( 加热器软管 )
- 驾驶室 ( 地板 )( 用于行走阀 P.P.C. 管路 )
- 驾驶室 ( 地板 )( 用于先导阀的 P.P.C. 管路 )
- 驾驶室 ( 地板 )(P.P.C. 软管卡箍 )
- 驾驶室 ( 地板 )(P, T 块和密封 )
- 驾驶室( 地板 )(P, T 块和密封 )(1 执行 )
- 驾驶室 ( 地板 )( 后方摄像机电缆 )
- 地板安装座
- 机种选择连接器
- 护板
- 回转支承和相关零件
- 行走和下部管路
- 行走装置
- 工作装置
- 动臂 (5.7M 动臂 )( 重型 )(100 小时润滑型 )
- 动臂 ( 顶销和斗杆油缸底销 )(100 小时润滑型 )
- 动臂 ( 斗杆和铲斗油缸管路 )
- 动臂 ( 润滑管路和线束 )
- 动臂 ( 附件 螺塞 )
- 动臂 ( 附加管路 )( 用于 1 执行机构 )
- 动臂 ( 润滑管路和工作灯 )
- 动臂油缸 (100 小时润滑型 )
- 动臂油缸头销 (100 小时润滑型 )
- 斗杆油缸 (100 小时润滑型 )
- 斗杆 (2.9M)(100 小时润滑型 )
- 斗杆 (2.9M)(PC210,PC210LC)
- 斗杆 (2.9M)( 用于 1 执行机构 )
- 斗杆 (2.4M)(100 小时润滑型 )
- 斗杆 (2.4M)( 用于 1 执行机构 )
- 斗杆 ( 铲斗连杆 )( 用于 2.9M 斗杆 )
- 斗杆 ( 铲斗连杆 )( 用于 2.4M 斗杆 )
- 斗杆 ( 铲斗油缸软管和垫片 )( 用于 2.9M 斗杆 )
- 铲斗油缸软管 )( 用于 1 执行机构 )( 用于 2.9M
- 斗杆 ( 铲斗油缸软管和垫片 )( 用于 2.4M 斗杆 )
- 铲斗油缸软管 )( 1 执行机构 , 2.4M 斗杆 )
- 斗杆 ( 附加管路 ,1 执行机构 , 2.9M 斗杆 )
- 2.4M 斗杆( 附加管路 , 1 执行机构 )
- 斗杆油缸 保护装置
- 铲斗 , 0.8M3 横销型 PC200, PC200LC)
- 铲斗 , 0.9M3,( 横销型 )
- 铲斗 , 0.8M3,( 横销型 )( 用于岩石
- 铲斗 , 1.0M3,( 横销型
- 铲斗 , 1.0M3横销型 岩石 PC210LC)
- 铲斗 , 1.0M3迁安地区专用 ) (PC200
- 铲斗 , 1.0M3,( 横销型 )( 江苏地区专用 )
- 标记和标牌
- 标记和铭牌 ( 中文 )(PC200)
- 标记和铭牌 ( 中文 )(PC210)
- 标记和铭牌 ( 中文 )(PC200LC)
- 标记和铭牌 ( 中文 )(PC210LC)
- 标记和铭牌 ( 英文 )(PC200)
- 标记和铭牌 ( 英文 )(PC210LC
- 标记和铭牌 ( 英文 )(PC200LC
- 标记和铭牌 ( 英文 )(PC210)
- 润滑图表 (100 小时润滑型 )
- 警告标牌 ( 驾驶室挡风玻璃锁紧操作 )( 中文 )
- KOMATSU 标牌 ( 动臂和配重 )
- 警告标牌 ( 斗杆 )
- 警告标牌 ( 顶部护板 )( 中文 )
- 警告标牌 ( 顶部护板 )( 英文 )
- 警告标牌 ( 用于 LV1 护板 )
- 警告标牌 ( 前护罩 )( 中文 )
- 警告标牌 ( 前护罩 )( 英文 )
- 保养说明 ( 空气滤清器 )( 中文 )
- 保养说明 ( 空气滤清器 )( 英文 )
- 警告标牌 (1 蓄能器 )
- 警告标牌 ( 禁止超出回转范围以内和进入后方 )( 英文 )
- 附件
- 其它
- 修理包和零部件
- 履带板螺栓和螺母修理包
- 履带链节总成 (90 套 )( 提供配件时用 )
- 履带链节总成 (98 套 )( 提供配件时用 )
- 空气滤清器 ( 内部件 )
- 空气滤清器 ( 内部件 )
- 橡胶天线
- 驾驶座椅总成
- 驾驶座椅总成 ( 悬挂 )
- 主泵 (1/11)
- 主泵 (2/11)
- 主泵 (3/11)
- 主泵 (4/11)
- 主泵 (5/11)
- 主泵 (6/11)
- 主泵 (7/11)
- 主泵 (8/11)
- 主泵 (9/11)
- 主泵 (10/11)
- 主泵 (11/11)
- 动臂油缸 ( 左侧 )(100 小时润滑 )
- 动臂油缸 ( 右侧 )(100 小时润滑 )
- 斗杆油缸 (100 小时润滑 )
- 铲斗油缸 (100 小时润滑 )
- 回转接头
- 行走马达 (1/2)
- 行走马达 (2/2)
- 主阀 (1/17)
- 主阀 (2/17)
- 主阀 (3/17)
- 主阀 (4/17)
- 主阀 (5/17)
- 主阀 (6/17)
- 主阀 (7/17)
- 主阀 (8/17)
- 主阀 (9/17)
- 主阀 (10/17)
- 主阀 (11/17)
- 主阀 (12/17)
- 主阀 (13/17)
- 主阀 (14/17)
- 主阀 (15/17)
- 主阀 (16/17)
- 主阀 (17/17)
- 主阀 (1- 执行机构 )(4/21)
- 主阀 (1- 执行机构 )(7/21)
- 主阀 (1- 执行机构 )(21/21)
- 主阀 (1- 执行机构 )(2/21)
- 主阀 (1- 执行机构 )(5/21)
- 主阀 (1- 执行机构 )(8/21)
- 主阀 (1- 执行机构 )(9/21)
- 主阀 (1- 执行机构 )(3/21)
- 主阀 (1- 执行机构 )(6/21)
- 主阀 (1- 执行机构 )(18/21)
- 主阀 (1- 执行机构 )(1/21)
- 主阀 (1- 执行机构 )(10/21)
- 主阀 (1- 执行机构 )(13/21)
- 主阀 (1- 执行机构 )(16/21)
- 主阀 (1- 执行机构 )(19/21)
- 主阀 (1- 执行机构 )(11/21)
- 主阀 (1- 执行机构 )(14/21)
- 主阀 (1- 执行机构 )(17/21)
- 主阀 (1- 执行机构 )(20/21)
- 主阀 (1- 执行机构 )(12/21)
- 主阀 (1- 执行机构 )(15/21)
- 阀 (先导阀 用于行走 )(2/2)
- 阀 (先导阀 用于行走 )(1/2)
- PPC 阀 ( 用于工作装置 )
- PPC 阀 ( 用于 1 附件控制 )
- 锁阀
- 选择阀
- 过滤器 ( 内部零件 )
- 电磁阀 ( 内部零件 )
- 电磁阀 ( 内部零件 )
- 空调装置
- 发动机相关零件
- 发动机(SAA6D107E-1)
-
PC220-7
- 发动机(SAA6D102E-2)
- 气缸盖
- 水温传感器
- 后吊钩
- 气缸盖罩
- 空气连接器
- 进气加热器
- 进气盖
- 排气连接器卡箍
- 排气歧管密封垫和螺栓
- 排气歧管和塞
- 涡轮增压器机油管
- 涡轮增压器外连接器
- 涡轮增压器安装件
- 热屏蔽
- 消音器及安装件
- 节温器壳体
- 节温器
- 机油压力开关
- 气缸体
- 前盖指示器
- 前盖
- 凸轮随动件盖
- 通风装置软管
- 气缸体盲堵
- 油底壳螺栓
- 机油油位传感器
- 油底壳和吸油管
- 油尺
- 转速传感器
- 飞轮壳
- 飞轮
- 曲轴
- 减震器
- 活塞
- 摇臂
- 挺柱
- 凸轮轴
- 前齿轮传动系统盖
- 附件皮带轮
- 转速计传动盖
- 底护板
- 吸音盘气缸体
- 机油泵
- 机油滤芯和管路
- 机油冷却器盖
- 喷油泵
- 增压管
- 吸音盘喷射泵
- 燃油软管接头
- 喷油泵安装件
- 燃油滤芯
- 燃油滤芯管路
- 喷油管
- 气缸体盲盖和燃油滤芯管路
- 喷嘴
- 燃油接头
- 水泵
- 水接头
- 水接头塞
- 水泵(主皮带轮)
- 交流发电机驱动皮带轮
- 冷却风扇
- 风扇隔套
- 交流发电机(35A)
- 交流发电机(60A)
- 交流发电机 (内部零件)
- 交流发电机(60A) (内部零件)
- 皮带张紧装置
- 交流发电机安装件
- 起动马达(4.5KW)
- 起动马达(5.5KW)
- 起动马达(4.5KW)(内部零件)
- 起动马达(5.5KW)(内部零件)
- 起动马达安装件(4.5KW)
- 起动马达安装件(5.5KW)
- 维修件 (气缸盖)(1/4)
- 维修件 (气缸盖)(2/4)
- 维修件 (曲轴)(3/4)
- 维修件 (活塞)(4/4)
- 警告牌(日文-英文)
- 主泵连接零件
- 警告牌(用于EPA 的调整)
- 发动机相关零件
- 冷却系统
- 燃油箱和相关零件
- 电气系统
- 液压系统
- 液压油箱
- 液压油箱(1 附加工作装置)(选配)
- 主阀(连接零件)(1 附加工作装置)(1/2)(选配)
- 主阀(连接零件)(1/2)
- 主阀(附加阀套件)(1 附加工作装置)(选配)
- 主阀(连接零件)(1 附加工作装置)(2/2)(选配)
- 主阀(连接零件)(2/2)
- 主阀(阀支架)
- 主阀(阀支架)(1 附加工作装置)(选配)
- 主阀(阀支架)(1 附加工作装置)(管子除外)(选配)
- 主泵(连接零件)
- 吸油管
- 输油管
- 机油冷却器管路
- 回油管
- 回油管(1 附加工作装置)
- 排油管
- 动臂管路(动臂管路)
- 动臂管路(动臂软管)
- 斗杆和铲斗管路
- 斗杆和铲斗管路(带下降防止阀)(选配)
- 溢流阀 (280 KG/CM2)(用于附加阀)(选配)
- 附件管路(主左侧)(1 附加工作装置)(选配)
- 溢流阀(250 KG/CM2) (用于附加阀)(选配)
- 溢流阀(210 KG/CM2) (用于附加阀)(选配)
- 溢流阀 (175KG/CM2)(用于附加阀)(选配)
- 附件管路(主右侧)(1 附加工作装置)(选配)
- 附件管路(回油)(1 附加工作装置)(选配)
- 附件管路(蓄能器和电磁阀)(1 附加工作装置)(选配)
- 附件管路(油箱接头)(1 附加工作装置)(套件)(选配)
- 附件管路(回油管路)(1 附加工作装置)(套件)(选配)
- 附件管路(PPC 主管路)(1 附加工作装置)(套件)(选配)
- 附件管路(脚踏板)(1 附加工作装置)(套件)(选配)
- 附件管路(P、T 块接头)(1 附加工作装置)(套件)(选配)
- 行走管路
- 回转管路
- LS管路
- 电磁阀(阀)
- 压力开关
- 电磁阀(软管和支架)
- PPC主管路(软管)
- PPC主管路(阀块)(1 附加工作装置)(选配)
- 电磁阀(阀)(1 附加工作装置)(选配)
- 驾驶室和控制系统
- 驾驶员座椅(悬浮式)
- 安全带(宽 50mm)(选配)
- 安全带(宽78mm)(选配)
- 安全带(宽50mm)(选配)
- 储物箱网(选配)
- 座后盖(带空调器)
- 驾驶室(驾驶室)
- 驾驶室(前窗)
- 驾驶室(天窗)
- 驾驶室(前下窗)
- 驾驶室(门)
- 驾驶室(门锁)
- 驾驶室(开锁)
- 驾驶室(雨刷器和室灯)
- 驾驶室(收音机)
- 驾驶室(附件)
- 驾驶室(不装收音机)(选配)
- 驾驶室(螺栓)
- 驾驶室(线束)
- 驾驶室(监控系统)
- 驾驶室(盖)
- 驾驶室(风道)
- 顶部护罩(选配)
- 前护罩(半护)(选配)
- 前护罩(全护)(级别-1)(选配)
- 前护罩(全护)(级别-2)(选配)
- 地板垫
- 地板垫(1 附加工作装置)(选配)
- 遮雨板(选配)
- 遮阳板(选配)
- 窗户洗涤器
- 空调器(风道)
- 空调器(软管)
- 空调器(后风道)
- 灭火器(选配)
- 地板架(地板架)
- 地板架(行走控制)
- 地板架(搁脚板)(左侧)
- 地板架(搁脚板)(右侧)
- 地板架(搁脚板)(右侧)(1 附加工作装置)(选配)
- 地板架(底座)
- 地板架(电气)
- 地板架(夹子)
- 地板架(操作台)(上部)(左侧)(带空调器和收音机)
- 地板架(操纵杆和阀)(左侧)
- 地板架(后机架和翼形垫圈)
- 地板架(操作台)(下部)(左侧)
- 地板架(操作台)(上部)(左侧)(不带空调器和收音机)(选配)
- 地板架(操纵杆与阀)(右侧)
- 地板架(操作台)(下部)(左侧)
- 地板架(操作台)(主控键)(右侧)
- 地板架(空调器和底盖)
- 地板架(底盖)
- 地板架(空调器软管)
- 地板架(加热器软管和卡箍)
- 地板架(PPC)(1/2)
- 地板架(PPC)(2/2)
- 地板架(PPC 卡箍)
- 地板架(P、T 块和密封)
- 地板架(无KOMTRAX)
- 地板架(P、T 块和密封)(1 附加工作装置)(选配)
- 地板架(P、T 块和密封)(1 附加工作装置)(选配)
- 地板架(操纵杆旋钮)
- 地板安装支架
- 开关
- 盖
- 护罩
- 回转支承和相关零件
- 行走和下部管路
- 底盘
- 引导轮
- 张紧装置
- 履带支重轮(PC220-7)
- 履带支重轮(PC220LC-7)
- 托轮
- 履带板(平瓦块型)(610mm 宽)(选配)(PC220-7)
- 履带板(带孔三齿)(700mm 宽)(选配)(PC220-7)
- 履带板(带孔三齿)(600mm 宽)(PC220-7)
- 履带板(带孔三齿)(800mm 宽)(选配)(PC220-7)
- 履带板(路面用)(600mm 宽)(选配)(PC220-7)
- 履带板 带孔三齿 700mm 宽
- 履带板(带孔三齿)(800mm 宽)
- 履带板(带孔三齿)(600mm 宽)(PC220LC-7)
- 履带架(PC220-7)
- 履带架(带底护板)(PC220-7)
- 履带架 (PC220LC-7)
- 履带架(带底护板)(PC220LC-7)
- 履带支重轮护板(PC220-7)
- 下盖(用于履带架)(选配)
- 履带支重轮护板(PC220LC-7)
- 履带全支重轮护板(LC)(选配)(PC220LC-7)
- 履带全支重轮护板(选配)(PC220-7)
- 工作装置
- 动臂
- 动臂(顶部销和底部销)
- 动臂(用于附加管路)(斗杆油缸管路和铲斗油缸管路)(选配)
- 动臂(斗杆油缸管路和铲斗油缸管路)
- 动臂(润滑管路和工作灯导线)
- 动臂(附加管路)(用于附加管路)(选配)
- 动臂(工作灯和动臂底部润滑)
- 动臂油缸
- 动臂销
- 斗杆油缸
- 斗杆(3.05m)
- 斗杆(3.05m)(用于附加管路)(选配)
- 斗杆(铲斗连杆)
- 斗杆(铲斗油缸软管和隔片)(3.05m)
- 斗杆(3.05m)(用于附加管路)(选配)
- 不装铲斗时
- 1.0m3、(横销型)(岩石型)铲斗(选配)
- 1.17m3、(横销型)铲斗(选配)
- 1.26m3、(横销型)铲斗(选配)
- 侧刃(用于铲斗)
- 1.0m3、(横销型)铲斗
- 垫片
- 破碎机接头(用于KRUPP)(选配)
- 破碎机接头(用于 NIPPON气动式)(选配)
- 破碎机接头(用于 FURUKAWA 和 ATLAS)(选配)
- 破碎机接头(用于 MATUDA)(选配)
- 标记和标牌
- 附件
- 其它
- 修理包和零部件
- 回转机构(仅提供)
- 终传动(仅提供)
- 履带螺栓和螺母修理包
- 履带链节总成(94 套)(提供零件)(PC220-7)
- 履带链节总成(102 套)(提供零件)(PC220LC-7)
- 空气滤清器(内部零件)
- 线束(连接器)(可提供)
- 主泵(1/11)
- 主泵(2/11)
- 主泵(3/11)
- 主泵(4/11)
- 主泵(5/11)
- 主泵(6/11)
- 主泵(7/11)
- 主泵(8/11)
- 主泵(9/11)
- 主泵(10/11)
- 主泵(11/11)
- 动臂油缸
- 斗杆油缸
- 铲斗油缸
- 回转接头
- 回转马达(1/3)
- 回转马达(2/3)
- 回转马达(3/3)
- 行走马达(1/3)
- 行走马达(2/3)
- 行走马达(3/3)
- 主阀(1/16)
- 主阀(2/16)
- 主阀(3/16)
- 主阀(4/16)
- 主阀(5/16)
- 主阀(6/16)
- 主阀(6/16)
- 主阀(7/16)
- 主阀(8/16)
- 主阀(9/16)
- 主阀(10/16)
- 主阀(11/16)
- 主阀(12/16)
- 主阀(13/16)
- 主阀(14/16)
- 主阀(15/16)
- 主阀(16/16)
- 主阀(1-附加工作装置)(1/19)(选配)
- 主阀(1-附加工作装置)(2/19)(选配)
- 主阀(1-附加工作装置)(3/19)(选配)
- 主阀(1-附加工作装置)(4/19)(选配)
- 主阀(1-附加工作装置)(5/19)(选配)
- 主阀(1-附加工作装置)(9/19)(选配)
- 主阀(1-附加工作装置)(6/19)(选配)
- 主阀(1-附加工作装置)(7/19)(选配)
- 主阀(1-附加工作装置)(8/19)(选配)
- 主阀(1-附加工作装置)(10/19)(选配)
- 主阀(1-附加工作装置)(11/19)(选配)
- 主阀(1-附加工作装置)(12/19)(选配)
- 主阀(1-附加工作装置)(13/19)(选配)
- 主阀(1-附加工作装置)(14/19)(选配)
- 主阀(1-附加工作装置)(15/19)(选配)
- 主阀(1-附加工作装置)(16/19)(选配)
- 主阀(1-附加工作装置)(17/19)(选配)
- 主阀(1-附加工作装置)(18/19)(选配)
- 主阀(1-附加工作装置)(19/19)(选配)
- 备用阀(1/3)(选配)
- 备用阀(2/3)(选配)
- 备用阀(3/3)(选配)
- PPC 阀(用于行走)(1/2)
- PPC 阀(用于行走)(2/2)
- PPC 阀(用于工作装置)
- PPC 阀(用于附件)(选配)
- EPC 阀(选配)
- 锁阀(选配)
- 选择阀(选配)
- 蓄能器(AL300-1)(内部零件)(选配)
- 滤网(内部零件)(选配)
- 电磁阀(内部零件)
- 电磁阀(内部零件)
- 多路阀
- 压缩机总成(用于空调器)
- 装置总成(用于空调器)
- 装置总成(冷却器)(用于空调器)
- 送风机总成(用于空调器)
- 冷凝器总成(用于空调器)
- 转台和相关零件
- 发动机(SAA6D102E-2)
-
PC360-8MO
- 发动机缸盖和其相关部品
- 发动机缸体和其相关部品
- 发动机润滑系统
- 发动机燃油系统
- 发动机冷却系统
- 发动机电气系统
- 发动机附件和其他
- 发动机铭牌
- 现场维修服务部件
- 发动机相关部品
- 冷却系统
- 燃油系统
- 电气系统
- 液压系统
- 液压油箱
- 控制阀(7联阀)(1/22)
- 控制阀(7联阀)(2/22)
- 控制阀(7联阀)(3/22)
- 控制阀(7联阀)(4/22)
- 控制阀(7联阀)(5/22)
- 控制阀(7联阀)(6/22)
- 控制阀(7联阀)(7/22)
- 控制阀(7联阀)(8/22)
- 控制阀(7联阀)(10/22)
- 控制阀(7联阀)(11/22)
- 控制阀(7联阀)(12/22)
- 控制阀(7联阀)(13/22)
- 控制阀(7联阀)(14/22)
- 控制阀(7联阀)(15/22)
- 控制阀(7联阀)(16/22)
- 控制阀(7联阀)(17/22)
- 控制阀(7联阀)(18/22)
- 控制阀(7联阀)(19/22)
- 控制阀(7联阀)(20/22)
- 控制阀(7联阀)(21/22)
- 控制阀(7联阀)(22/22)
- 控制阀相关部品(1/2)
- 控制阀相关部品(2/2)
- 控制阀(阀支架)
- 控制阀(8联阀)(1/25)
- 控制阀(8联阀)(2/25)
- 控制阀(8联阀)(3/25)
- 控制阀(8联阀)(4/25)
- 控制阀(8联阀)(5/25)
- 控制阀(8联阀)(6/25)
- 控制阀(8联阀)(7/25)
- 控制阀(8联阀)(8/25)
- 控制阀(8联阀)(9/25)
- 控制阀(8联阀)(10/25)
- 控制阀(8联阀)(11/25)
- 控制阀(8联阀)(12/25)
- 控制阀(8联阀)(13/25)
- 控制阀(8联阀)(14/25)
- 控制阀(8联阀)(15/25)
- 控制阀(8联阀)(16/25)
- 控制阀(8联阀)(17/25)
- 控制阀(8联阀)(18/25)
- 控制阀(8联阀)(19/25)
- 控制阀(8联阀)(20/25)
- 控制阀(8联阀)(21/25)
- 控制阀(8联阀)(22/25)
- 控制阀(8联阀)(23/25)
- 控制阀(8联阀)(24/25)
- 控制阀(8联阀)(25/25)
- 控制阀(控制阀相关部品)(1/2)
- 控制阀(控制阀相关部品)(2/2)
- 控制阀(1路备用阀)(阀支架)
- 控制阀(1路备用阀)(盲堵部品)
- 控制阀(带1附属装置管路,蓄能器)(阀支架)
- 控制阀相关部品 (1/2)
- 控制阀相关部品(2/2)
- 柱塞泵(相关部品)
- 柱塞泵(内部品)(1/12)
- 柱塞泵(内部品)(2/12)
- 柱塞泵(内部品)(3/12)
- 柱塞泵(内部品)(4/12)
- 柱塞泵(内部品)(5/12)
- 柱塞泵(内部品)(6/12)
- 柱塞泵(内部品)(7/12)
- 柱塞泵(内部品)(8/12)
- 柱塞泵(内部品)(9/12)
- 柱塞泵(内部品)(10/12)
- 柱塞泵(内部品)(11/12)
- 柱塞泵(内部品)(12/12)
- 吸油管路
- 输送管路(带在线滤清器)
- 油冷却器管路
- 回油管路
- 回油管路(1附属装置管路,蓄能器)
- 排放管路
- 动臂管路(阀动臂管路)
- 动臂管路(支架和卡箍)
- 斗杆和铲斗管路(不带斗杆自然下降防止阀)
- 执行管路(左主管路)
- 执行管路(电磁阀)
- 执行管路(右主管路)
- 执行管路(回油滤清器)
- 执行管路(蓄能器)
- 执行管路(左蓄能器)
- 执行管路(先导滤清器)
- 行走管路
- 回转管路
- LS管路
- LS管路(1附属装置管路,蓄能器)
- 电磁阀(内部品)
- 电磁阀(电磁阀相关部品)
- 电磁阀(软管)
- 电磁阀(卡箍)
- 电磁阀(1附属装置管路,蓄能器)(1/4)
- 电磁阀(1附属装置管路,蓄能器)(2/4)
- 电磁阀(1附属装置管路,蓄能器)(3/4)
- 电磁阀(1附属装置管路,蓄能器)(4/4)
- 压力开关块(传感器)
- 压力开关块(单向节流阀)
- 压力开关块(支架)
- 比例压力控制(PPC)阀管路
- 车架及其相关部品
- 司机室和控制系统
- 司机室座椅(悬挂式,织物,可倾斜)(内部品)
- 司机室座椅(悬挂式,织物,可倾斜)
- 座椅安全带(50MM,2点式,刚性司机室座椅)
- 行李箱网
- 顶护板(LV2)
- 前防板(半护板)
- 前护板(全护板)(LV2)
- 地毯
- 地毯(1路增设执行管路,蓄能器)
- 遮雨板
- 洗窗液罐
- 空调组件(内部件,空压机)
- 空调组件(压缩机安装)
- 空调组件(软管)
- 灭火器支架
- 灭火器支架
- 司机室(司机室壳体和窗)
- 司机室(前窗)
- 司机室(前下窗)
- 司机室(天窗)
- 司机室(门)
- 司机室(门锁)
- 司机室(开锁和门卡头)
- 司机室(雨刮器和门灯)
- 司机室(橡胶天线)
- 司机室(喇叭和窗户清洗器)
- 司机室(上盖和进气)
- 司机室(压力阀和把手)
- 司机室(KOMTRAX 天线)
- 司机室(司机室内饰,监控器和盖)
- 司机室(司机室内饰,监控器盖)
- 司机室(司机室内饰,清洗管安装)
- 司机室(司机室内饰,行李板和点烟器)
- 司机室(司机室内饰,风管)
- 司机室(司机室内饰,风管和新鲜空气过滤器)
- 司机室(司机室内饰,分区和再循环空气过滤器)
- 司机室(司机室内饰,辅助板和继电器)
- 司机室(司机室内饰,空调控制器和KOMTRAX控制器)
- 司机室(司机室内饰,主电线线束卡箍)
- 司机室(司机室内饰,后盖)
- 司机室(底板架)
- 司机室(行走PPC阀)
- 司机室(底板,行走控制杆)
- 司机室(底板,左脚踏板)
- 司机室(底板,右脚踏板)
- 司机室(底板,底部)
- 司机室(底板,电线线束)
- 司机室(底板,电线线束卡箍和接地)
- 司机室(底板,窗户清窗液软管)
- 司机室(底板,工作装置左控制杆)
- 司机室(左工作装置的PPC阀)
- 司机室(底板,左工作装置的PPC阀安装)
- 司机室(底板,左操纵)
- 司机室(底板,PPC锁杆和收音机)
- 司机室(底板,左扶手)
- 司机室(底板,工作装置右控制杆)
- 司机室(右工作装置的PPC阀)
- 司机室(底板,右工作装置的PPC阀安装)
- 司机室(底板,右操纵)
- 司机室(底板,右扶手)
- 司机室(内饰,空调组件)(1/2)
- 司机室(内饰,空调马达)
- 司机室(内饰,空调组件)(2/2)
- 司机室(底板,空调组件)
- 司机室(底板,空调管路)
- 司机室(底板,行走阀的PPC管路)
- 司机室(底板,工作装置的PPC阀管路装)
- 司机室(底板,管路安装)
- 司机室(底板,P,T块)
- 司机室(底板,密封圈)
- 司机室(KOMATSU 标牌)
- 司机室(附加PPC阀)
- 司机室(底板,1ST附加控制)
- 司机室(底板,P,T块体)
- 底板安装
- 比例压力控制(PPC)阀管路
- 比例压力控制(PPC)阀管路(带1附属装置管路,蓄能器)
- 开关
- 护罩和盖板
- 回转齿圈和其相关部品
- 行走系统和其相关部品
- 工作装置
- 动臂(6500MM重型,100小时润滑间隔)(动臂和顶部销)
- 动臂(斗杆油缸管路)
- 动臂(润滑管路)
- 动臂(铲斗油缸管路)
- 动臂(6500MM重型,100小时润滑间隔)(油缸销和工作灯)
- 动臂(附加堵塞)
- 动臂(6500MM重型,1路附加,100小时润滑间隔)
- 动臂(附加管路)
- 动臂(6500MM重型,1路附加,100小时润滑间隔)(卡箍)
- 动臂(6500MM重型动臂,500小时润滑间隔)(左)
- 动臂(6500MM重型动臂,500小时润滑间隔)(右)
- 斗杆油缸(100小时润滑间隔)
- 斗杆(3200MM斗杆,100小时润滑间隔)
- 斗杆(3200MM斗杆,100小时润滑间隔)(铲斗油缸)
- 斗杆(铲斗连杆)
- 斗杆(3200MM斗杆,100小时润滑间隔)(铲斗油缸软管和销)
- 斗杆(3200MM,增强型,1路附加)(斗杆和衬套)
- 斗杆(铲斗油缸管路)
- 斗杆(3200MM,增强型,1路附加)(铲斗连杆)
- 斗杆(铲斗油缸软管和销)
- 斗杆(3200MM,增强型,1路附加)(附加管路)
- 斗杆(3200MM,增强型,1路附加)(附加管路阀)
- 铲斗1.6M3,1517MM(横销型)
- 侧齿
- 铲斗1.6M3,1270MM(重载)(横销型)
- 铲斗,1.6M3 ME铲斗
- 铲斗,1.6M3 ME铲斗
- 松土器
- 破碎头
- 标记和标牌
- 标牌(英文)
- 标牌(中文)
- 润滑表(100小时润滑间隔)
- 警示牌,窗户锁(中文)
- 警示牌,窗户锁(英文)
- KOMATSU标牌(附加)
- 标牌(蓄电池切断开关)
- 冷却液标牌(英文)
- 冷却液标牌(中文)
- 防火标牌
- KOMTRAX标牌
- 警示标牌,远离工作范围
- FOPS 标牌(英文,司机室LV2前全护板)
- FOPS 标牌(中文,司机室LV2前全护板)
- FOPS 标牌(英文,司机室LV2前全护板,LV2顶护板)
- FOPS 标牌(中文,司机室LV2顶护板)
- FOPS 标牌(英文,司机室LV2顶护板,EU安全规制)
- 中文,司机室LV2前全护板,LV2顶护板,EU安全规制
- 空气滤清器标牌(中文)
- 空气滤清器标牌(英文)
- 蓄能器警示标牌
- 辅件和工具
- 其它
- 现场维修服务部品
- 底盘
-
PC400LC-7
- 发动机
- 气缸盖
- 端盖
- 端盖附件(滤油器)
- 进气歧管和连接器
- 加热器开关(附加燃油滤清器规格)
- 排气歧管
- 涡轮增压器座和滑器
- 涡轮增压器
- 消音器
- 节温器和节温器壳体
- 水温传感器
- 缸体
- 气缸体附件(油压开关和堵头零件)
- 前盖
- 前盖附件(主力开关盖和决定位置)
- 惰轮齿轮
- 摇杆盖(带通气装置)
- 油底壳和吸油管
- 油位计
- 飞轮壳
- 飞轮
- 曲轴
- 减振器
- 活塞和连杆
- 曲轴皮带轮
- 开关斗杆和壳
- 凸轮轴和摇杆
- 凸轮轴附件
- 机油泵
- 机油滤清器和管路
- 油冷却器
- 油冷却器安装件螺栓
- 排水气门杆
- 燃油供油泵和共通燃料管
- 燃油供油泵(1/2)(泵)
- 共通燃料管
- 燃油供油泵支架和润滑管路
- 喷油管
- 燃油供油泵驱动
- 燃油过滤器管路(螺距1-5/8)(1/3)
- 燃油喷射器和回油管路
- 回油管路
- 燃油控制器
- 水泵
- 空气口管
- 冷却风扇
- 风扇皮带轮
- 风扇驱动
- 防腐蚀器(水滤)
- 交流发电机安装件(35A)
- 交流发电机(35A)(淬硬皮带轮)
- 起动马达安装件(7.5 KW)
- 起动马达(7.5 KW)(内部零件)
- 配线(1/2)主力电线
- 气缸盖密封垫套件
- 气缸体密封垫套件
- 水泵密封垫套件
- 铭牌和警告牌
- 后冷却器
- 燃油控制器
- 空气滤清器
- 配线附件零件
- 警告标牌
- 配线(2/2)传感器和开关
- 起动马达(11 KW)(内部零件
- 起动马达安装件(11 KW)
- 交流发电机(50A)(淬硬皮带轮)
- 燃油过滤器管路(螺距1-5/8)(2/3)
- 燃油过滤器管路(螺距1-5/8)(3/3)
- 燃油供油泵(2/2)(供给泵)
- 燃油供油泵和共通燃料管
- 冷却系统
- 发动机相关零件
- 燃油箱和相关零件
- 电气系统
- 液压系统
- 液压油箱
- 液压油箱(冲击阀)
- 液压油箱(用于下落防止阀)
- 主阀(连接件)(1/2)
- 主阀(阀支架)
- 主阀(连接零件)(1/2)
- 主泵(连接件)
- 吸油管路
- 输油管路(带过滤器)
- 油冷却器管路
- 回油管路
- 排油管
- 动臂管路(1/2)
- 斗杆和铲斗管路
- 大臂保持阀(斗杆)
- 防爆阀管路(动臂油缸侧)
- 防爆阀管路(动臂)(底盘侧)
- 下落防止阀配管
- 附件配管(左侧主配管)
- 附件管路(右侧)
- 附件管路(回油)
- 附件管路(蓄能器下部)
- 附件管路(3 执行机构)
- 附件管路(软管)
- 先导管路
- 梭阀及排油块
- 电磁阀
- 行走管路
- 回转管路
- LS 管路(解体规格
- 电磁阀(阀)
- 电磁阀((阀))(1 蓄能器)
- 电磁阀(软管和支架)
- 电磁阀相关零件
- 压力开关
- PPC 主管路(软管)
- PPC 主管路(块)(1 蓄能器)
- PPC 主管路(块)
- 斗杆和铲斗管路
- 动臂管路(1/2)(防爆阀)
- 动臂管路(2/2)
- 回油管路(1 蓄能器)
- 回油配管(2 段式动臂)
- 主阀(连接件)(2/2)
- 主阀(连接件)(1/2)(1 蓄能器)
- 主阀(连接件)(2/2)
- 主阀(连接零件)(2/2)
- 主/转台和相关零件
- 驾驶室和控制系统
- 驾驶员座椅(织物)
- 安全带
- 座椅后盖
- 顶部护罩
- 驾驶室
- 前部护罩
- 地板垫
- 遮雨板
- 遮阳板
- 窗户洗涤器
- 空调器(单元)
- 地板支架(驾驶室)
- 地板支架(驾驶室)(前下窗)
- 地板支架(驾驶室)(前窗)
- 地板支架(驾驶室)(天窗)
- 地板支架(驾驶室)(门)
- 地板支架(驾驶室)(门锁)
- 地板支架(驾驶室)(开锁)
- 地板支架 电气 雨刷器和室灯
- 地板支架 收音机 天窗雨刷
- 地板支架(驾驶室)(附件)
- 地板支架(驾驶室)(塞螺栓和天线)
- 地板支架(驾驶室)(卡箍和板)
- 地板支架(监控系统)(带多功能监控器)
- 地板支架(驾驶室)(板和风道)
- 地板支架(驾驶室)(隔板和底部风道)
- 地板支架 ( 驾驶室) ( 副板)
- 地板支架(驾驶室)(KOMATRAX)
- 地板支架(驾驶室)(卡箍和螺栓)
- 地板支架(驾驶室)(地板支架)
- 地板支架(驾驶室)(行走控制)
- 地板架(搁脚板)(左侧)
- 地板支架(附件控制装置)(1 蓄能器)
- 地板支架(驾驶室)(底座)
- 地板支架(驾驶室)(线束)
- 地板支架(驾驶室)(车窗洗涤器)
- 地板支架(操纵杆和阀)(左侧)
- 地板支架(操作台)(上部)
- 地板支架(操作台)(下部)
- 地板支架(驾驶室)(操纵杆和阀)
- 地板支架(驾驶室)(操作台)
- 地板支架(驾驶室)(空调和底盖)
- 地板支架(驾驶室)(空调器软管)
- 地板支架(加热器软管和卡箍)
- 地板支架(驾驶室)(PPC 软管)(1/2)
- 地板支架(驾驶室)(PPC 软管)(2/2)
- 地板支架(驾驶室)(PPC 管夹)
- 地板支架(驾驶室)(PT 块和密封)
- 地板安装座
- 线束(支撑)(驾驶室内)
- PPC 工作油路管夹(1 蓄能器
- 开关(模式选择)
- 护罩
- 机架(外部装饰)
- 左门(驾驶室)
- 右门(驾驶室)(1/2)(带孔)
- 右门(驾驶室)(2/2)
- 隔板(驾驶室)(1/2)
- 隔板(驾驶室)(2/2)
- 罩(驾驶室)
- 罩(上部)(驾驶室)(带预滤清器)
- 盖(外部装饰)
- 蓄电池箱
- 扶手
- 后视镜, 左侧(单)
- 后视镜, 右侧
- 配重(15000KG)
- 配重安装
- 底护板(转台)(右)
- 底护板(转台)(中央)
- 底护板(转台)(左)
- 底部护板(转台)(中心)
- 底部护板(重型)(转台)(中心)
- 底部护板(转台)(右侧)
- 底部护板(重型)(转台)(右侧)
- 空调器(管子)
- 回转支承和相关零件
- 行走和下部管路
- 行走装置
- 工作装置
- 标记和标牌
- 附件
- 其它
- 修理包和零部件
- 回转机构总成
- 终传动总成
- 履带板螺栓和螺母修理包
- 履带链轨节
- 橡胶天线
- 主泵(1/11)
- 动臂油缸(用于500小时润滑)
- 斗杆油缸(用于重型动臂)
- 铲斗油缸
- 回转接头
- 回转马达(1/3)
- 行走马达(1/3)
- 主阀(1/20)
- 主阀(1-执行机构)(1/23)
- PPC 阀(用于行走)(1/2)
- PPC 阀(用于工作装置)
- PPC 阀(用于附件)
- EPC 阀.
- 锁阀(用于斗杆)
- 选择阀
- 震动阀(用于动臂油缸)
- 蓄能器(AL300-1)
- 回油过滤器
- 电磁阀(内部零件)
- 通气装置(用于液压油箱)
- 主泵(2/11)
- 主泵(3/11)
- 主泵(4/11)
- 主泵(5/11)
- 主泵(6/11)
- 主泵(7/11)
- 主泵(8/11)
- 主泵(9/11)
- 主泵(10/11)
- 主泵(11/11)
- 回转马达(2/3)
- 回转马达(3/3)
- 行走马达(1/3)
- 行走马达(2/3)
- 行走马达(3/3)
- 主阀(2/20)
- 主阀(3/20)
- 主阀(4/20)
- 主阀(5/20)
- 主阀(6/20)
- 主阀(7/20)
- 主阀(8/20)
- 主阀(9/20)
- 主阀(10/20)
- 主阀(11/20)
- 主阀(12/20)
- 主阀(13/20)
- 主阀(14/20)
- 主阀(15/20)
- 主阀(16/20)
- 主阀(17/20)
- 主阀(18/20)
- 主阀(19/20)
- 主阀(20/20)
- PPC 阀(用于行走)(2/2)
- 主阀(1-执行机构)(23/23)
- 主阀(1-执行机构)(22/23)
- 主阀(1-执行机构)(21/23)
- 主阀(1-执行机构)(20/23)
- 主阀(1-执行机构)(19/23)
- 主阀(1-执行机构)(18/23)
- 主阀(1-执行机构)(17/23)
- 主阀(1-执行机构)(16/23)
- 主阀(1-执行机构)(15/23)
- 主阀(1-执行机构)(14/23)
- 主阀(1-执行机构)(13/23)
- 主阀(1-执行机构)(12/23)
- 主阀(1-执行机构)(11/23)
- 主阀(1-执行机构)(10/23)
- 主阀(1-执行机构)(8/23)
- 主阀(1-执行机构)(9/23)
- 主阀(1-执行机构)(7/23)
- 主阀(1-执行机构)(6/23)
- 主阀(1-执行机构)(5/23)
- 主阀(1-执行机构)(4/23)
- 主阀(1-执行机构)(3/23)
- 主阀(1-执行机构)(2/23)
- 电磁阀(内部零件)
- 震动阀(用于动臂油缸)
- 护板
- 护罩
- 机架(外部装饰)(解体规格)
- 左门 ( 驾驶室)
- 右门 ( 驾驶室) (1/2) ( 带孔)
- 右门 ( 驾驶室) (2/2)
- 隔板 ( 驾驶室) (1/2)
- 隔板 ( 驾驶室) (2/2)
- 罩 ( 驾驶室)
- 罩 ( 上部) ( 驾驶室) ( 带预滤清器)
- 盖(外部装饰)(解体规格)
- 蓄电池箱(解体规格)
- 扶手
- 后视镜 , 左侧 ( 单 )
- 后视镜 , 右侧 (#DBAK0065-)
- 配重(15000KG)(解体规格)
- 配重安装
- 底护板(转台)(左)(解体规格)
- 底护板(转台)(中央)(解体规格)
- 底护板(转台)(右)(解体规格)
- 底部护板 ( 转台 ) ( 中心 )
- 底部护板 ( 重型 ) ( 转台 ) ( 中心 )
- 底部护板 ( 转台 ) ( 右侧 )
- 底部护板 ( 重型 ) ( 转台 ) ( 右侧 )
- 发动机
-
PC400-8
- 发动机
- 燃油供泵 (2/2) ( 手油泵 ) ( 内部件 )
- 燃油预过滤器和配管 ( 螺纹 1-1/4)
- 起动泵和配管
- 燃油喷射器和溢流软管
- 燃油回油
- 燃油控制器
- 水泵安装和通气
- 冷却风扇 ( 吸油型 )
- 风扇皮带轮和驱动皮带
- 风扇驱动
- 防腐蚀器 ( 不带腐蚀器规格 )
- 交流发电机和安装 (50A)
- 交流发电机 (50A) ( 内部件 )
- 启动马达安装 (7.5KW) ( 带保护盖 )
- 启动马达安装 (11KW) ( 带保护盖 )
- 启动马达 (7.5KW) ( 内部件 )
- 启动马达 (11KW) ( 内部件 )
- 电线 (1/2) ( 发动机电线 )
- 电线 (2/2) ( 电线支承 )
- 铭牌和警告牌
- 后冷却器
- 空气滤清器
- 发动机相关零件
- 冷却系统
- 燃油箱和相关零件
- 电气系统
- 液压系统
- 液压油箱
- 液压油箱 ( 带落下防止阀 )
- 主阀 ( 连接件 ) (1/2)
- 主阀 ( 连接件 ) (1/2) (1 路备用 )
- 主阀 ( 增设备用阀组件 ) (1 路备用 )
- 主阀 ( 连接件 ) (2/2)
- 主阀 ( 连接件 ) (2/2) (1 路备用 )
- 主阀 ( 阀支架 )
- 主阀 ( 备用阀塞 )
- 主泵 ( 连接件 )
- 输出量管路 ( 带管路内过滤器 )
- 吸油管路
- 油冷却器管路
- 回油管路
- 回油管路 (1 路备用 )
- 排放管路
- 动臂管路 (1/2)
- 动臂管路 (1/2) ( 用于落下防止阀 )
- 动臂管路 (2/2)
- 斗杆和铲斗管路
- 斗杆和铲斗管路 ( 带保持阀 )
- 保持阀 ( 斗杆 )
- 落下防止阀管路 ( 动臂油缸侧 )
- 落下防止阀管路 ( 动臂 )
- 落下防止阀管路 ( 动臂冲击阀 )
- 附件管路 ( 主阀管路 , 左侧 ) (1 路备用 )
- 附件管路 ( 主阀管路 , 右侧 ) (1 路备用 )
- 附件管路 ( 回油滤清器 ) (1 路备用 )
- 附件管路 ( 蓄能器 ) (1 路备用 )
- 附件管路 ( 先导过滤器 ) ( 用于备用 )
- 行走管路
- 回转管路
- LS 管路
- LS 管路 ( 快速连接器 )
- 电磁阀 ( 阀 ) (1/2)
- 电磁阀 ( 阀 ) (1 路备用 )
- 电磁阀 ( 阀 ) (2/2)
- 电磁阀 ( 软管和支架 ) (1 路备用 )
- 压力开关
- PPC 主管路
- 主 / 转台和相关零件
- 驾驶室和控制系统
- 操作人员座椅 ( 悬浮型 )
- 座椅安全带 (50MM 宽 )
- 座椅安全带 (78MM 宽 )
- 头顶护板
- 前半护网
- 前全护罩
- 地板垫子
- 地板垫子 ( 用于 1 路备用 )
- 雨面罩
- 遮阳板
- 窗户洗涤器
- 空调器 ( 压缩机 )
- 空调器 ( 配管 )
- 灭火器 ( 中文 )
- 灭火器 ( 英语 )
- 驾驶室 ( 驾驶室和窗玻璃 )
- 驾驶室 ( 前窗 )
- 驾驶室 ( 前下窗 )
- 驾驶室 ) ( 车顶窗 )
- 驾驶室 ( 门 )
- 驾驶室 ( 门锁 )
- 驾驶室 ( 开锁和门碰锁 )
- 驾驶室 ( 雨刮器和室内灯 )
- 驾驶室 ( 扬声器和窗户洗涤器 )
- 驾驶室 ( 顶窗和进气口 )
- 驾驶室 ( 压力阀和把手 )
- 驾驶室 ( 康查士天线 )
- 驾驶室 ( 驾驶室内零件 ) ( 监控器和盖 )
- 驾驶室 ( 驾驶室内零件 ) ( 监控器盖 )
- 驾驶室 ( 驾驶室内零件 ) ( 行李板 )
- 驾驶室 ( 驾驶室内零件 ) ( 监控器风道 )
- 驾驶室 ( 驾驶室内零件 ) ( 隔板和滤清器 )
- 驾驶室 ( 驾驶室内零件 ) ( 副板和继电器 )
- 驾驶室 ( 空调器和康查士控制 )
- 驾驶室 ( 驾驶室内零件 ) ( 主线束卡箍 )
- 驾驶室 ( 驾驶室内零件 ) ( 后盖 )
- 驾驶室 ( 地板支架 ) ( 车架 )
- 驾驶室 ( 地板支架 ) ( 行走控制 )
- 驾驶室 ( 地板支架 ) ( 搁脚板 , 左侧 )
- 驾驶室 ( 地板支架 ) ( 搁脚板 , 右侧 )
- 驾驶室 ( 地板支架 ) ( 第一附件控制 )
- 驾驶室 ( 地板支架 ) ( 基部 )
- 驾驶室 ( 地板支架 ) ( 电线 )
- 驾驶室 ( 地板支架 ) ( 电线卡箍和接地 )
- 驾驶室 ( 地板支架 ) ( 窗户洗涤液软管 )
- 驾驶室 ( 地板支架 ) ( 控制杆 , 左侧 )
- 驾驶室 ( 地板支架 ) ( 阀 , 左侧 )
- 驾驶室 ( 地板支架 ) ( 控制 , 左侧 )
- 驾驶室 ( 地板支架 ) (P. P. C. 锁定杆和收音机 )
- 驾驶室 ( 地板支架 ) ( 扶手 , 左侧 )
- 驾驶室 ( 地板支架 ) ( 控制杆 , 右侧 )
- 驾驶室 ( 地板支架 ) ( 阀 , 右侧 )
- 驾驶室 ( 地板支架 ) ( 控制 , 右侧 )
- 驾驶室 ( 地板支架 ) ( 扶手 , 右侧 )
- 驾驶室 ( 地板支架 ) ( 空调组件 )
- 驾驶室 ( 地板支架 ) ( 空调器软管 )
- 驾驶室 ( 地板支架 ) ( 加热器软管 )
- 驾驶室 ( 地板支架 ) ( 用于行走阀的 P.P.C. 配管 )
- 驾驶室 ( 地板支架 ) ( 用于先导阀 P.P.C. 配管 )
- 驾驶室 ( 地板支架 ) (P.P.C. 软管夹子 )
- 驾驶室 ( 地板支架 ) (P,T 块体和密封 )
- 驾驶室 (P,T 块体和密封 ) (1 路备用 )
- 驾驶室 ( 地板支架 ) ( 后方摄像头电缆 )
- 地板架安装
- PPC 工作管路夹子
- PPC 工作管路夹子 (1 路备用 )
- 开关 ( 型号选择连接器 )
- 驾驶室 ( 驾驶室内零件 ) ( 通风道 )
- 护板
- 发动机罩 (1/4)
- 发动机罩 (2/4)
- 发动机罩 (3/4)
- 发动机罩 ( 带网 ) (3/4)
- 发动机罩 (4/4)
- 发动机罩 ( 带网 ) (4/4)
- 发动机罩 ( 网 )
- 发动机罩 ( 网组件 )
- 车架 ( 机罩 )
- 左侧门 ( 机罩 )
- 右侧门 ( 机罩 ) (1/3)
- 右侧门 ( 机罩 ) (2/3)
- 右侧门 ( 机罩 ) (3/3)
- 隔板 ( 机罩 ) (1/2)
- 隔板 ( 机罩 ) (2/2)
- 盖 ( 机罩 )
- 盖 ( 机罩 ) ( 带粗滤器 )
- 蓄电器箱
- 扶手
- 后视镜 , 左侧 ( 单 )
- 后视镜 , 右侧
- 后视镜
- 后视镜 ( 一个摄像头 )
- 配重 (9220 公斤 )
- 配重安装
- 下盖 ( 转台 ) ( 左侧 ) ( 重载荷 )
- 下盖 ( 转台 ) ( 左侧 )
- 下盖 ( 转台 ) ( 中心 ) ( 重载荷 )
- 下盖 ( 转台 ) ( 中心 )( 中心 )
- 下盖 ( 转台 ) ( 右侧 ) ( 重载荷 )
- 下盖 ( 转台 ) ( 右侧 )
- 回转齿圈和相关零件
- 行走和下部配管
- 下部行走体
- 工作装置
- 动臂 (7.0M 动臂 )
- 动臂 ( 重载荷 )
- 动臂 ( 附件塞 )
- 动臂 ( 顶部销和底部销子 )
- 动臂 (7.0M) ( 铲斗油缸管路 )
- 动臂 ( 重载荷 )( 铲斗油缸管路 )
- 动臂 (7.0M) ( 斗杆油缸管路 )
- 动臂 ( 重载荷 ) ( 斗杆油缸管路 )
- 动臂 (7.0M) ( 润滑管路 )
- 动臂 ( 重载荷 ) ( 润滑管路 )
- 动臂 ( 工作灯和调整垫片 )
- 动臂 ( 附加管路 ) ( 用于附加管路 )
- 动臂 ( 附加管路 ) ( 夹子 ) ( 用于附加管路 )
- 动臂油缸
- 动臂油缸顶部销子
- 斗杆油缸
- 斗杆油缸 ( 用于重载荷动臂 )
- 斗杆 (3.4M 斗杆 ) ( 重载荷 )
- 斗杆 ( 铲斗连杆) ( 给脂间隔100 小时型)
- 斗杆 ( 铲斗连杆) ( 给脂间隔100 小时型)
- 斗杆 ( 铲斗油缸 )
- 斗 (2.9M 斗杆)( 给脂间隔 100 小时型 )
- 斗杆 (3.4M 斗杆)( 给脂间隔 100 小时型 )
- 斗杆 (2.9M) ( 铲斗油缸软管和润滑管路 )
- 斗杆 (3.4M) ( 重载荷 )
- 斗杆 (3.4M) ( 附加管路 )
- 斗杆 (3.4M) ( 阀和隔离套 )
- 铲斗 ,1.9M3,1438MM ( 重载荷 )
- 铲斗 ,2.1M3,1438MM ( 重载荷 )
- 铲斗 ,2.4M3,1605MM
- 铲斗 ,1.9M3,1475MM
- 铲斗 ,2.2M3,1715MM
- 松土器铲斗 ,1.1M3,1250MM
- 铲斗 ,2.06M3,1565MM ( 横销子型 )
- 侧刃
- 隔离套
- 标牌
- 警示标牌
- 警示标牌 ( 英语 )
- 警示标牌 ( 选购件 )
- 润滑表
- 标牌 ( 用于车窗 )
- 标牌 ( 用于车窗 ) ( 英语 )
- KOMATSU 标牌 ( 配重 )
- 标牌 ( 冷却液 标牌 )
- 标牌 ( 冷却液 标牌 ) ( 英语 )
- 警告牌 ( 斗杆 )
- 警告牌 ( 用于一级护标牌 )
- 警告牌 ( 前护标牌 ) ( 中文 )
- 警告牌 ( 前护标牌 ) ( 英语 )
- 警告牌 ( 头顶护标牌 ) ( 中文 )
- 警告牌 ( 头顶护标牌 ) ( 英语 )
- 标牌 ( 空气滤清器 , 双滤芯 ) ( 英语 )
- 服务指示 ( 空气滤清器 ) ( 中文 )
- 警告牌 (1 蓄能器 )
- 标牌 ( 禁止超出回转范围以内和进入后方 )
- 附属品
- 其它
- 服务组件和部件
- 链轨节 ( 备件 ) (92 套 )
- 粗滤器 ( 内部件 )
- 橡胶天线
- 主泵 (1/12)
- 主泵 (2/12)
- 主泵 (3/12)
- 主泵 (4/12)
- 主泵 (5/12)
- 主泵 (6/12)
- 主泵 (7/12)
- 主泵 (8/12)
- 主泵 (9/12)
- 主泵 (10/12)
- 主泵 (11/12)
- 主泵 (12/12)
- 动臂油缸 ( 内部件 )
- 斗杆油缸 ( 内部件 )
- 斗杆油缸 ( 选购件 ) ( 用于 PC400CSE-8)
- 铲斗油缸
- 回转接头 ( 内部件 )
- 回转马达 (1/3)
- 回转马达 (2/3)
- 回转马达 (3/3)
- 行走马达 (1/3)
- 行走马达 (2/3)
- 行走马达 (3/3)
- 主阀 (1/20)
- 主阀 (2/20)
- 主阀 (3/20)
- 主阀 (4/20)
- 主阀 (5/20)
- 主阀 (6/20)
- 主阀 (7/20)
- 主阀 (8/20)
- 主阀 (9/20)
- 主阀 (10/20)
- 主阀 (11/20)
- 主阀 (12/20)
- 主阀 (13/20)
- 主阀 (14/20)
- 主阀 (15/20)
- 主阀 (16/20)
- 主阀 (17/20)
- 主阀 (18/20)
- 主阀 (19/20)
- 主阀 (20/20)
- 主阀 (1 路备用 ) (1/23)
- 主阀 (1 路备用 ) (2/23)
- 主阀 (1 路备用 ) (3/23)
- 主阀 (1 路备用 ) (4/23)
- 主阀 (1 路备用 ) (5/23)
- 主阀 (1 路备用 ) (6/23)
- 主阀 (1 路备用 ) (7/23)
- 主阀 (1 路备用 ) (8/23)
- 主阀 (1 路备用 ) (9/23)
- 主阀 (1 路备用 ) (10/23)
- 主阀 (1 路备用 ) (11/23)
- 主阀 (1 路备用 ) (12/23)
- 主阀 (1 路备用 ) (13/23)
- 主阀 (1 路备用 ) (14/23)
- 主阀 (1 路备用 ) (15/23)
- 主阀 (1 路备用 ) (16/23)
- 主阀 (1 路备用 ) (17/23)
- 主阀 (1 路备用 ) (18/23)
- 主阀 (1 路备用 ) (19/23)
- 主阀 (1 路备用 ) (20/23)
- 主阀 (1 路备用 ) (21/23)
- 主阀 (1 路备用 ) (22/23)
- 主阀 (1 路备用 ) (23/23)
- 备用阀 (1/3)
- 备用阀 (2/3)
- 备用阀 (3/3)
- PPC 主阀 ( 用于行走 ) (1/2)
- PPC 主阀 ( 用于行走 ) (2/2)
- PPC 主阀 ( 用于工作装置 )
- PPC 主阀 ( 用于 1 附件 )
- PPC 主阀 ( 用于 1 附件 )
- 锁阀 ( 用于斗杆 )
- 选择器阀
- 落下防止阀 ( 用于动臂油缸 )
- 蓄能器 (AL300-1) ( 内部件 )
- 过滤器 ( 内部件 )
- 过滤器 ( 内部件 )
- 电磁阀 ( 内部件 )
- 电磁阀 ( 内部件 )
- 呼吸阀 ( 用于液压油箱 )
- 压缩机总成 ( 用于空调器 )
- 空调组件
- 发动机
-
PC650-8
- 发动机
- 缸头
- 缸头盖
- 缸盖螺栓
- 进气管和连接器
- 接头(空滤器远置安装规格)
- 排气歧管
- 涡轮增压器安装和润滑
- 涡轮增压器(内部件)
- 无EGR用盖板
- 隔热板
- 消音器
- 缸体
- 缸体附件(下车架和油滤清器)
- 前盖
- 备用前盖(定位器和透气塞安装)
- 惰轮
- 凸轮轴盖
- 油底壳和吸油管
- 飞轮壳
- 飞轮
- 发动机前支架
- 曲轴
- 减震器
- 活塞和连接杆
- 减震器法兰
- 凸轮轴
- 凸轮轴和推杆
- 摇臂
- 前动力输出
- 前动力输出(硬化皮带轮)
- 润滑油泵
- 油滤清器和油管
- 冷却器
- 供油泵和相关线路安装
- 共轨(内部品)
- 供油泵支架和油管
- 供油硬管接头支撑
- 供油泵润滑
- 燃油滤清器(1-5/8线)
- 燃油引液泵
- 燃油气孔
- 燃油滤清器筒(仅保养时)
- 燃油气孔
- 燃油回路
- 燃油控制
- 恒温器与通气孔
- 水泵
- 防腐器
- 发电机安装(90A)
- 发电机安装(90A)(硬皮带轮)
- 发电机安装(60A)(沙尘地仕样)
- 发电机(90A)(内部品)
- 发电机(90A)(带硬皮带轮)
- 发电机(60A)(沙尘地仕样)
- 启动马达安装(11KW)
- 启动马达(11KW)(内部品)
- 电线(1/5)
- 电线(2/5)
- 电线(3/5)
- 电线(4/5)
- 电线(5/5)
- 铭牌和警示牌(英文)
- 空滤器(底盘安装)
- 发动机相关部品
- 冷却系统
- 燃油箱和相关件
- 电气系统
- 液压系统
- 工作油箱(水箱和滤清器)
- 工作油箱(溢流阀)
- 工作油箱(油冷却回路和回油回路)
- 工作油箱(门)
- 主阀(1/2)
- 主阀(2/2)
- 主阀(支架和踏板)
- 1号泵
- 2号泵
- 齿轮
- 吸油管路
- 输油管路(泵至滤清器)
- 输油管路(软管和接头)
- 油冷却回路
- 回油回路
- 排油回路
- 大臂油路(1/2)
- 大臂油路(2/2)
- 小臂和铲斗(阀油路)(1/2)
- 小臂和铲斗(阀油路)(2/2)
- 小臂和铲斗(支架)
- 保持阀回路(锁阀)(大臂)
- 行走回路
- 回转回路
- 风扇马达回路
- OLSS回路
- 电磁阀(电磁和EPC阀 )
- 电磁阀(软管)
- 梭阀(支架和阀)
- 梭阀(阀)
- PPC主油路(软管)
- PPC主油路(PPC锁定电磁阀)
- PPC主油路(软管)(1路执行机构)
- 主/回转车架和相关件
- 驾驶室和操纵系统
- 驾驶室座椅(倾斜)(弹性的)
- 安全带(48MM宽)
- 座椅后盖(有空调)
- 前护板(全)(2级)
- 地毯
- 遮雨板
- 洗窗器
- 顶护板(2级)
- 空调(压缩机)
- 空调(加热器软管和卡箍)
- 空调(卡箍)
- 空调(干燥器)
- 灭火器(中文)
- 底板架(驾驶室)(驾驶室)
- 底板架(驾驶室)(顶窗)
- 底板架(驾驶室)(门)
- 底板架(驾驶室)(门锁)
- 底板架(驾驶室)(开锁)
- 底板架(驾驶室)(电器)(雨刮器和驾驶室灯)
- 底板架(驾驶室)(电器)(收音机)
- 底板架(驾驶室)(附件)
- 底板架(驾驶室)(螺塞和天线)
- 底板架(驾驶室)(顶窗)(管夹和板)
- 底板架(驾驶室)(监视器)(带多重监视器)
- 底板架(驾驶室)(板和通道)
- 底板架(驾驶室)(隔离箱和底管)
- 底板架(驾驶室)(副仪表盘)
- 底板架(驾驶室)(管夹和螺栓)
- 底板架(驾驶室)(地板架)
- 底板架(驾驶室)(行走控制)
- 底板架(驾驶室)(休息脚瞪)(左)
- 底板架(驾驶室)(休息脚瞪)(右)
- 底板架(驾驶室)(线束)
- 底板架(驾驶室)(洗窗器)
- 底板架(驾驶室)(洗窗器)
- 底板架(驾驶室)(杆和阀)(左)
- 底板架(驾驶室)(操纵、左)(上)(带空调和收音机用于亚洲)
- 底板架(驾驶室)(操纵、左)(下)
- 底板架(驾驶室)(杆和阀)(右)
- 底板架(驾驶室)(操纵、右)
- 底板架(驾驶室)(空调和底盖)
- 底板架(驾驶室)(空调软管)
- 底板架(驾驶室)(加热器软管和管夹)(带空调)
- 底板架(驾驶室)(PPC软管)(1/2)
- 底板架(驾驶室)(PPC软管)(2/2)
- 底板架(驾驶室)(PPC管夹)
- 底板架(驾驶室)(P、T块和密封垫)
- 地板架安装
- 开关(模式选择接头)
- 护罩
- 回转支承和相关件
- 行走和管路
- 行走装置
- 带孔双筋履带板(600MM宽)
- 中央支架
- 行走架(加长履带)(左)
- 行走架(前惰轮)(左)
- 行走架(惰轮缓冲)(左)
- 行走架(支重轮)(加长履带)(左)
- 行走架(托链轮)(左)
- 行走架(支重轮护板)(加长履带)(左)
- 行走架(全护板支重轮)(加长履带)(左)
- 行走架(终传动)(左)
- 行走架(行走管路)(左)
- 行走架(加长履带)(右)
- 行走架(前惰轮)(右)
- 行走架(惰轮缓冲)(右)
- 行走架(支重轮)(加长履带)(右)
- 行走架(托链轮)(右)
- 行走架(支重轮护板)(加长履带)(右)
- 行走架(全护板支重轮)(加长履带)(右)
- 行走架(终传动)(右)
- 行走架(行走管路)(右)
- 底护板(行走架)
- 行走管路护板
- 踏板(行走架侧)
- 工作装置
- 大臂(6.6M)(大臂和顶部销)(SE 仕样)
- 大臂(7.3M)(大臂和顶部销)(重载)
- 大臂(6.6M)(小臂油缸回路)(SE 仕样)
- 大臂(7.3M)(小臂油缸回路)
- 大臂(6.6M)(润滑管路)(SE 仕样)
- 大臂(7.3M)(润滑管路)
- 大臂(6.6M)(铲斗油缸回路)(SE 仕样)
- 大臂(7.3M)(铲斗油缸回路)
- 大臂(油缸销)(SE 仕样)
- 大臂(油缸销)
- 大臂(工作灯)(SE 仕样)
- 大臂(工作灯)
- 大臂油缸
- 大臂油缸头部销
- 小臂油缸
- 小臂(2.9M)(小臂和大臂油缸)(SE 仕样)
- 小臂(3.5M)(重载)(小臂和大臂油缸)
- 小臂(铲斗连杆)(SE 仕样)
- 小臂(铲斗连杆)
- 小臂(3.5M)(铲斗油缸软管和垫)
- 3.1M3横销铲斗(重载)
- 3.5M3横销铲斗(SE)
- 侧遮板
- 标牌
- 附件
- 其它
- 服务备件
- 回转减速机(配件)
- 履带螺栓和螺母备件
- 链轨节(配件)
- 主泵(1/14) (1号泵)
- 主泵(2/14) (1号泵)
- 主泵(3/14) (1号泵)
- 主泵(4/14) (1号泵)
- 主泵(5/14) (1号泵)
- 主泵(6/14) (1号泵)
- 主泵(7/14) (1号泵)
- 主泵(8/14) (1号泵)
- 主泵(9/14) (1号泵)
- 主泵(10/14) (1号泵)
- 主泵(11/14) (1号泵)
- 主泵(12/14) (1号泵)
- 主泵(13/14) (1号泵)
- 主泵(14/14) (1号泵)
- 主泵(1/9) (2号泵)
- 主泵(2/9) (2号泵)
- 主泵(3/9) (2号泵)
- 主泵(4/9) (2号泵)
- 主泵(5/9) (2号泵)
- 主泵(6/9) (2号泵)
- 主泵(7/9) (2号泵)
- 主泵(8/9) (2号泵)
- 主泵(9/9) (2号泵)
- 风扇泵(1/7)
- 风扇泵(2/7)
- 风扇泵(3/7)
- 风扇泵(4/7)
- 风扇泵(5/7)
- 风扇泵(6/7)
- 风扇泵(7/7)
- 左大臂油缸
- 右大臂油缸
- 小臂油缸
- 铲斗油缸
- 回转接头
- 回转马达(1/3)
- 回转马达(2/3)
- 回转马达(3/3)
- 行走马达(1/3)
- 行走马达(2/3)
- 行走马达(3/3)
- 风扇马达(1/3)
- 风扇马达(2/3)
- 风扇马达(3/3)
- 主阀(1/8)
- 主阀(2/8)
- 主阀(3/8)
- 主阀(4/8)
- 主阀(5/8)
- 主阀(6/8)
- 主阀(7/8)
- 主阀(8/8)
- PPC阀(行走用)
- 安全阀
- 梭阀
- 梭阀
- 锁阀
- 锁阀(小臂)
- 先导阀
- 电磁阀(内部件)
- 电磁阀(内部件)
- 透气塞(工作油箱用)
- 压缩机(空调)
- 发动机
-
PC130-7
- 发动机
- 气缸盖
- 前吊钩
- 后吊钩
- 气缸盖罩
- 气缸盖罩附件
- 进气连接器
- 排气歧管
- 涡轮增压器
- 热屏蔽
- 消音器
- 排气连接器
- 气缸体
- 前盖(除日本外)
- 惰轮
- 盲堵(机油滤芯上部规格)
- 油底壳和吸油管
- 油尺
- 飞轮壳
- 飞轮
- 曲轴
- 活塞
- 曲轴皮带轮
- 凸轮轴和齿轮
- 挺柱
- 摇臂
- 联接器
- 速度驱动盖
- 机油泵
- 涡轮增压器机油管
- 机油过滤器
- 油压开关
- 机油冷却器
- 喷油泵
- 喷油管
- 喷油泵润滑器
- 燃油控制器
- 燃油过滤器
- 喷嘴
- 喷油嘴回油管
- 水泵
- 水泵皮带轮
- 冷却风扇
- 风扇隔板
- 风扇隔板安装座
- 水连接(出口)
- 冷却风扇螺栓
- 风扇皮带
- 风扇皮带
- 交流发电机35A
- 交流发电机安装件35A(除日本外)
- 起动马达安装件(3.0KW)
- 辅助支架(用于压缩机)
- 水管
- 发动机铭牌和规章牌(除日本外)
- 主泵安装件
- 发动机支架和主泵
- 发动机相关零件
- 冷却系统
- 燃油箱和相关零件
- 电气系统
- 液压系统
- 液压油箱
- 主阀(连接件)(1/2)
- 主阀(连接件)主阀(连接件)
- 主阀(连接零件)(2/2)
- 主阀(连接零件)(2/2)(1 ATT 管路)
- 主阀(连接零件)(2/2)(1 ATT 管路
- 主阀(连接零件)(2/2)(用于动臂和斗杆震动阀)
- 主阀(连接零件)(2/2)(用于动臂和斗杆震动阀)
- 主泵(连接零件)
- 吸油管
- 输油管
- 机油冷却器管路
- 机油冷却器管路(1 ATT 管路)
- 回油管
- 回油管(1 ATT 管路)
- 排油管
- 动臂管路
- 斗杆和铲斗管路
- 震动阀管路
- 转台
- 附加管路(主阀管路和转换阀) 管路用)
- 附加管路(接块和接块配管)
- 行走管路
- 回转管路
- LS管路
- LS管路(1 ATT 管路)
- 电磁阀(阀)
- 电磁阀(软管)
- 电磁阀(夹子)
- 压力开关
- PPC主管路(软管)
- PPC主管路(夹子)(1 执行机构)
- PPC主管路(夹子)(2 执行机构)
- 主/转台和相关零件
- 转台
- 动臂根部销
- 驾驶员座椅(结构)
- 驾驶员座椅(悬浮)
- 驾驶员座椅(加热悬浮)
- 安全带(宽 48MM)
- 安全带(78MM 宽)(选配)
- 安全带(宽 50MM)(选配)
- 座椅后盖(带空调器)
- 储物箱网
- 顶罩(级别-2)
- 前护罩(全护)(级别-2)
- 地板垫
- 地板垫(1 附加工作装置)
- 地板垫(2 附加工作装置)
- 遮雨板
- 遮阳板
- 遮阳滚轴卷帘
- 下部雨刷器
- 无下部雨刷器
- 车窗洗涤器
- 空调器(压缩机和贮存器干燥器)
- 空调器(管子)
- 地板架(驾驶室) (驾驶室)
- 地板架(驾驶室) (前窗)
- 地板架(驾驶室)(前窗)
- 地板架(驾驶室) (前下窗
- 地板架(驾驶室) (天窗)
- 地板架(驾驶室)(门)
- 地板架(驾驶室) (门锁)
- 地板架(驾驶室)(开锁)
- 地板(雨刷器和室灯) 架(驾驶室)(电气)
- 地板支架(驾驶室) (电气)
- 地板架(驾驶室) (附件)
- 地板架(驾驶室)(塞螺栓和天线)
- 地板架(驾驶室)(卡箍和板)
- 地板架(驾驶室)(监控系统)
- 地板架(驾驶室) (板和风道)
- 地板架(驾驶室)(隔板和底部风道)
- 地板架(驾驶室) (副板)
- 地板架(驾驶室)(卡箍和螺栓)
- 地板架(驾驶室) (地板架)
- 地板架(驾驶室)(行走控制装置)
- 地板架(驾驶室)(搁脚板)(左侧)
- 地板架(驾驶室) (附件控制装置)(2 附加工作装置
- 地板架(驾驶室) (附件控制装置)(1 附加工作装置)
- 地板架(驾驶室) ) (基座)
- 地板架(驾驶室) (线束)
- 地板架(驾驶室) (车窗洗涤器)
- 地板架(操纵杆和阀) (左侧
- 地板架(驾驶室)(操作台)(上部)(左侧)(带空调器和收音机)
- 地板架(操作台)(上部)(左侧)(无空调器和收音机) (选配
- 地板架(驾驶室) (控制台)(下部) (左侧)
- 地板架(操纵杆与阀) (右侧)
- 地板架(驾驶室) (控制台)(右侧)
- 地板架(驾驶室)(控制台) (右侧
- 地板架(驾驶室) (空调和底盖)
- 地板架(驾驶室) (空调软管)
- 地板架(驾驶室) (加热器软管和卡箍)
- 地板架(驾驶室) (PPC 软管)(1/2)
- 地板架(驾驶室) (PPC 软管)(2/2)
- 地板架(驾驶室) (PPC 卡箍)
- 地板架(驾驶室)(P、T 块和密封)(1 附加工作装置)
- 地板架(驾驶室) (P、T 块和密封)、
- 地板架(驾驶室) 2 附加工作装置)
- 地板安装支架
- 开关(模式选择)
- 护罩
- 回转支承和相关零件
- 行走和下部管路
- 底盘
- 工作装置
- 动臂
- 动臂 (1 附加工作装置)
- 连杆(无动臂)
- 动臂(工作灯和销)
- 动臂(液压管线)(包含 1 附加工作装置)
- 动臂(卡箍)(1 附加工作装置)
- 动臂(卡箍) (1 附加工作装置)
- 动臂(润滑管路)
- 动臂油缸
- 动臂油缸(左侧) (带震动阀)
- 动臂油缸(左侧) (振动解除规格)
- 动臂油缸(右侧)(带震动阀)
- 动臂油缸(右侧)(振动解除规格)
- 动臂油缸顶部销
- 斗杆油缸
- 斗杆油缸(带震动阀)
- 斗杆( 2.5m)(斗杆和销)
- 斗杆( 2.5m)(斗杆和销) (1附加工作装置)
- 斗杆(3.0M)(斗杆和销)
- 斗杆( 3.0M)(斗杆和销)(1 附加工作装置)
- 斗杆( 2.1M)(斗杆和销)
- 斗杆( 2.1M)(斗杆和销) (1附加工作装置)
- 斗杆(附加管线) (用于2.5M 斗杆
- 斗杆(附加管线) (用于 3.0M 斗杆)(1 ATT 管路用)
- 斗杆(附加管线) (用于2.1M斗杆)(1 ATT 管路用)
- 铲斗油缸
- 铲斗连杆
- 铲斗0.53M3(横销型)
- 铲斗0.36M3(横销型)
- 铲斗0.45M3(横销型)
- 铲斗0.64M3(横销型)
- 标记和标牌
- 附件
- 其它
- 修理包和零部件
- 回转机构(内部零件)
- 履带螺栓和螺母修理包
- 履带链节总成(仅提供)
- 橡胶天线
- 驾驶座椅总成(悬挂)
- 驾驶座椅总成(装配座椅
- 主泵( 1/8)
- 主泵( 2/8
- 主泵( 3/8
- 主泵( 4/8)
- 主泵( 5/8)
- 主泵( 6/8)
- 主泵( 7/8)
- 主泵( 8/8)
- 动臂油缸(内部零件)
- 动臂油缸(内部零件) (振动解除规格)
- 1 动臂油缸(内部零件) (振动解除规格)
- 斗杆油缸(内部零件)
- 斗杆油缸(内部零件)
- 斗杆油缸(带震动阀) (内部零件)
- 斗杆油缸(带震动阀) (内部零件
- 铲斗油缸(内部零件)
- 回转接头(内部零件)
- 回转马达( 1/2)
- 回转马达( 1/2)
- 回转马达( 2/2)
- 行走马达(马达总成) (1/3)
- 行走马达(马达总成) (1/3)
- 行走马达(阀总成) (2/3)
- 行走马达(终传动总成) (3/3)
- 行走马达(终传动总成) (3/3)
- 主阀( 7-阀)(1/12)
- 主阀( 7-阀)(2/12)
- 主阀( 7-阀)(3/12)
- 主阀( 7-阀)(4/12)
- 主阀( 7-阀)(5/12)
- 主阀( 7-阀)(6/12)
- 主阀( 7-阀)(7/12)
- 主阀( 7-阀)(8/12)
- 主阀( 7-阀)(9/12)
- 主阀( 7-阀)(9/12)
- 主阀(7-阀)(10/12)
- 主阀( 7-阀)(11/12)
- 主阀(7-阀)(12/12)
- PPC 阀(用于行走)
- 工作装置杆(左侧)
- 工作装置杆(右侧)
- PPC 阀(用于附件)
- 先导阀
- 震动阀(用于动臂油缸)
- 震动阀(用于斗杆油缸)
- 电磁阀(内部零件)
- 压缩机总成(用于空调器)
- 装置总成(冷却器) (用于空调器)
- 0 装置总成(冷却器) (用于空调器)
- 发动机
-
PC56-7
-
神钢
-
SK200-8 SK210-8
- 发动机(J05E)
- 上部旋转体
- 1滤芯
- 2配重
- 3配重2
- 4配重3
- 5发动机附件
- 6发动机机油管
- 7散热器附件
- 8副水箱
- 9散热器组件
- 10进气系统
- 11消声器总成
- 12燃油管
- 13柴油箱附件
- 14柴油箱附件2
- 15液压油箱组件
- 16液压油箱组件2
- 17液压泵联轴器
- 18旋转马达附件
- 19多路阀附件
- 20液压泵连接管路
- 21多路阀主油管
- 分油盅管接头
- 主回油管路
- 驾驶室操作台
- 安全锁定操作杆组件
- 操作手柄
- 收音机组件
- 扶手组件
- 行走操作手柄
- 先导阀油路控制
- 液压泵油路
- 行走先导阀油管
- 驾驶室底板座
- 后视镜
- 驾驶室安装座
- 驾驶室安装座2
- 驾驶室总成
- 驾驶室天窗
- 驾驶室天窗2
- 前挡风玻璃
- 驾驶室门
- 座椅
- 座椅调整组件
- 防护盖
- 发动机盖
- 左右保护门板
- 发动机副板
- 上车架底板
- 仪表板总成
- 电脑板安装
- 保险丝盒总成
- 电瓶总成
- 空调组件
- 空调滤芯
- 空调干燥瓶
- 空调压缩机总成
- 空调总成
- 喇叭和电瓶继电器
- 工具箱灯
- 灯具总成
- 上车架线束总成
- 驾驶室线速总成
- 上车架地板线速总成
- 发动机线束总成
- 先导阀油路控制(无操纵杆)
- 显示屏总成
- 下部行走体
- 工作装置
- 液压部件
-
SK250-8 SK260LC-8
- 发动机(J05E)
- 上部旋转体
- 1滤芯
- 2上车架
- 3平衡装置
- 4发动机组件
- 5发动机安装
- 6散热器安装
- 7散热器组件
- 8散热器总成
- 9空气滤芯总成
- 10消声器总成
- 11燃油管
- 12油水分离器总成
- 13燃油箱安装
- 14液压油箱安装
- 15液压泵联轴器
- 16旋转马达安装
- 17多路阀安装
- 18液压油管路
- 19上部主要液压油管
- 20分油盅管接头
- 21液压回油油管
- 22操作控制装置
- 23控制盒组件
- 24操作手柄
- 25收音机组件
- 26扶手组件
- 27行走操作手柄
- 28先导阀油管
- 29主控制油管
- 30阀控制油管
- 31阀控制油管2
- 32行走控制油管
- 33驾驶室地板安装座
- 34后视镜安装
- 35驾驶室安装座
- 36驾驶室总成
- 37天窗组件
- 38前车窗组件
- 39驾驶室车门总成
- 40座椅安装座
- 41安全带组件
- 42上车架挡板
- 43引擎盖
- 44车身侧边门
- 45挡板
- 46上车架底板
- 47液晶显示屏盖板
- 48液晶显示屏
- 49电脑板
- 50保险丝盒
- 51闪光继电器
- 52电瓶组件
- 53空调总成
- 54空调滤芯
- 55空调干燥瓶总成
- 56空调压缩机
- 57空调组件
- 58电瓶继电器
- 59工具箱灯
- 60大灯总成
- 61尾灯
- 62上车架线速总成
- 63驾驶室线速总成
- 64上车架地板线速总成
- 65发动机线速总成
- 66GPS电脑板线
- 下部行走体
- 工作装置
- 液压系统
-
SK330-8 SK350LC-8
- 发动机(J08E)
- 上部旋转体
- 1滤芯
- 2上车架
- 3平衡装置
- 4发动机总成
- 5发动机安装
- 6散热器安装
- 7散热器组件
- 8散热器总成
- 9空气滤芯总成
- 10消声器总成
- 11燃油管
- 12油水分离器总成
- 13燃油箱安装
- 14液压油箱安装
- 15液压泵联轴器
- 16旋转马达安装
- 17液压油管
- 18上部主要液压管路
- 19分油盅管接头
- 20液压回油管
- 21操作控制装置
- 22控制盒组件
- 23操作手柄
- 24收音机组件
- 25扶手组件
- 26行走操作手柄
- 27先导阀油管
- 28主控制油管
- 29阀控制油管
- 30阀控制油管2
- 31行走控制油管
- 32液压泵油管
- 33驾驶室地板安装座
- 34后视镜安装
- 35驾驶室安装座
- 36驾驶室总成
- 37天窗组件
- 39驾驶室车门总成
- 40座椅安装座
- 41安全带组件
- 42上车架挡板
- 43引擎盖
- 44车身侧边门
- 45挡板
- 46上车架底板
- 47液晶显示屏盖板
- 48液晶显示屏
- 49电脑板
- 50保险丝盒
- 51电瓶
- 52空调总成
- 53空调控制面板
- 54空调滤芯
- 55空调干燥瓶总成
- 56空调压缩机
- 57空调组件
- 58电瓶继电器
- 59工具箱灯
- 60大灯总成
- 61尾灯
- 62上车架线速总成
- 63驾驶室线速总成
- 64上车架地板线速总成
- 65发动机线速总成
- 66GPS电脑板线
- 下部行走体
- 工作装置
- 破剪钳&破碎锤
- 液压系统
-
SK460-8
- 一般维护修理用品
- 上部旋转体
- 上车架
- 配重安装座
- 照明安装座
- 发动机安装座
- 散热器组件
- 散热器安装座
- 空气滤清器组件
- 消音器总成
- 燃料配管
- 燃料油箱安装座
- 液压油箱安装座
- 动力输出装置总成
- 旋转马达安装座
- 阀安装座
- 泵液压配管
- 上车架液压配管
- 回转接头液压配管
- 回油液压配管
- 操作控制装置
- 主控制配管
- 控制配管遥控
- 阀控制配管
- 驱动控制配管
- 挡块控制配管
- 挡块控制配管
- 挡块控制配管
- 泵控制配管
- 车地板安装座
- 驾驶室安装座
- 驾驶室&防护板组件
- 镜子安装座
- 喷水器水箱总成
- 支座安装座
- 皮带组件、基座
- 防护装置安装座
- 镜子安装座
- 上车架照明安装座
- 下车架罩组件
- 安装面板组件
- 控制器安装座
- 电瓶组件
- 空气调节器
- 上车架电气总成
- 上车架配线组件
- 上车架配线组件
- 驾驶室配线组件
- 发动机配线组件
- 下部行走体
- 工作装置
- 工具以及备用品
- 铭牌
- 发动机
-
SK200-8 SK210-8
- 三一
- 日立
-
名称:198-43-15310 衬套
件号:100
机型:198-43-15310
发动机:
重量:0.00 kg
价格:¥0.11元
-
名称:20Y-53-13151 锁
件号:100
机型:20Y-53-13151
发动机:
重量:0.00 kg
价格:¥0.11元
-
名称:01643-33080 垫圈
件号:100
机型:01643-33080
发动机:
重量:0.00 kg
价格:¥0.11元
-
名称:01011-83080 螺栓
件号:100
机型:01011-83080
发动机:
重量:0.00 kg
价格:¥0.11元
-
名称:20Y-53-13142 板
件号:100
机型:20Y-53-13142
发动机:
重量:0.00 kg
价格:¥0.11元
-
名称:2A5-53-11941 板
件号:100
机型:2A5-53-11941
发动机:
重量:0.00 kg
价格:¥0.11元
-
名称:01643-31232 垫圈
件号:100
机型:01643-31232
发动机:
重量:0.00 kg
价格:¥0.11元
-
名称:01010-81235 螺栓
件号:100
机型:01010-81235
发动机:
重量:0.00 kg
价格:¥0.11元
-
名称:20Y-53-13130 隔离套
件号:100
机型:20Y-53-13130
发动机:
重量:0.00 kg
价格:¥0.11元
中文
登录
注册

